31Overige gevaarlijke vloeistoffen: Opslag

Richtlijn voor de veilige opslag van overige gevaarlijke vloeistoffen in ondergrondse en bovengrondse tankinstallaties

PGS 31:2023 versie 0.1 (april 2023)

Let op: dit is een ongecontroleerde versie. De PGS-beheerorganisatie is niet verantwoordelijk voor volledigheid en juistheid van deze versie. De versie die beschikbaar is op de website publicatiereeksgevaarlijkestoffen.nl is de enige geautoriseerde versie.

31Overige gevaarlijke vloeistoffen: Opslag

Richtlijn voor de veilige opslag van overige gevaarlijke vloeistoffen in ondergrondse en bovengrondse tankinstallaties

Concept

Openbare commentaarronde PGS 31 verlopen

Het is niet meer mogelijk om commentaar te leveren op deze publicatie.

Een PGS-richtlijn

Een PGS-richtlijn is een document over de veilige opslag en de bijbehorende activiteiten met gevaarlijke stoffen. In de PGS-richtlijn staan de belangrijkste risico's van die activiteiten voor de veiligheid van werknemers, de veiligheid van de omgeving en de brandveiligheid. Ook staan in een PGS-richtlijn de mogelijke gevolgen van die risico's voor het bestrijden van een ramp. Om de risico's te beheersen en de negatieve effecten voor mens en milieu te beperken zijn doelen geformuleerd. Aan deze doelen zijn maatregelen gekoppeld. Met deze maatregelen kan aan de doelen worden voldaan. Naast de in deze PGS-richtlijn genoemde maatregelen is het mogelijk om gelijkwaardige maatregelen te treffen voor zover de wetgeving dit toelaat.

Meer informatie over de PGS-organisatie is te vinden op: publicatiereeksgevaarlijkestoffen.nl. Daar staan ook de actuele publicaties.

PGS Nieuwe Stijl – risicobenadering als basis

In 2015 is gestart met een nieuwe opzet van de PGS-richtlijnen: de PGS Nieuwe Stijl. Een PGS Nieuwe Stijl betekent dat maatregelen tot stand zijn gekomen met een risicobenadering. Dit houdt in dat is geanalyseerd welke risico's er zijn bij activiteiten met de gevaarlijke stof. De situaties waarbij het mis kan gaan en die leiden tot ongewenste, gevaarlijke gevolgen, zijn beschreven in scenario´s. Voor deze scenario's zijn doelen geformuleerd gericht op het beheersen van de risico's. Met maatregelen kan een bedrijf aan een doel voldoen.

De PGS Nieuwe Stijl kent de volgende hoofdelementen:

  • de wettelijke kaders;
  • de risicobenadering met de scenario's;
  • de doelen;
  • maatregelen om aan de doelen te voldoen.
Onderwerpen en doelstellingen PGS-richtlijn

Een PGS-richtlijn geeft invulling aan:

  • Omgevingsveiligheid (Omgevingsveiligheid) of Brandbestrijding Omgevingsveiligheid (Brandpreventie);
  • Arbeidsveiligheid (Arbeidsveiligheid);
  • Brand- en rampenbestrijding (Rampenbestrijding).

Voor deze onderwerpen zijn de doelstellingen:

Omgevingsveiligheid: Het voorkomen van ongewone voorvallen en het beperken van de gevolgen daarvan voor de omgeving met het oog op het waarborgen van de veiligheid voor de omgeving

Arbeidsveiligheid: Het voorkomen van ongevallen met gevaarlijke stoffen en het beperken van de gevolgen daarvan en het voorkomen van acute blootstelling van werknemers aan gevaarlijke stoffen

Brand- en rampenbestrijding: Het beperken van de gevolgen van een brand of ramp en het borgen van een doelmatige rampenbestrijding

Organisatie bij het tot stand komen van deze PGS-richtlijn

Deze PGS-richtlijn is opgesteld door een team van vertegenwoordigers van het bedrijfsleven en de overheid. In Bijlage N staan de gegevens van de leden van het team dat deze PGS-richtlijn heeft opgesteld.

Het PGS-team is onderdeel van de PGS Beheerorganisatie. Daaronder vallen alle PGS-teams, het PGS-projectbureau en de PGS-adviescommissie. De PGS-stuurgroep stuurt de PGS-beheerorganisatie aan. In de PGS-stuurgroep zijn vertegenwoordigd: IPO, VNG, Brandweer Nederland, NLA, VNO-NCW en MKB-Nederland.

Het Bestuurlijk Omgevingsberaad vergunningverlening, toezicht en handhaving (BOb) heeft deze richtlijn vastgesteld. Het BOb is de opdrachtgever van de PGS-beheerorganisatie.

Status van PGS-richtlijnen

De partijen van het BOb hebben afgesproken om op de volgende manier om te gaan met de PGS-richtlijnen:

  • Het ministerie van Infrastructuur en Waterstaat bepaalt in overleg met het ministerie van Binnenlandse Zaken en Koninkrijksrelaties in het Besluit activiteiten leefomgeving (Bal)dat moet worden voldaan aan een PGS-richtlijn, voor zover gericht op het waarborgen van de veiligheid voor de omgeving. Dit zijn direct werkende regels.
  • Het ministerie van Infrastructuur en Waterstaat wijst deze PGS-richtlijnen in het Besluit kwaliteit leefomgeving (Bkl) aan als informatiedocumenten over de beste beschikbare technieken (BBT). Dit betekent dat het bevoegd gezag verplicht is om bij het verlenen van een omgevingsvergunning voor een milieubelastende activiteit rekening te houden met PGS-richtlijnen bij het bepalen van BBT.
  • Omdat de PGS-richtlijnen de stand der wetenschap en professionele dienstverlening beschrijven, vormen zij voor de Nederlandse Arbeidsinspectie (NLA) een goed uitgangspunt voor toezicht en handhaving. De NLA bindt zich in haar toezicht op de onderdelen van de PGS-richtlijn die ze in haar zienswijze aanvaardt.
  • De veiligheidsregio's gebruiken de PGS-richtlijnen als richtlijn bij het adviseren over brandveiligheid in omgevingsvergunningen en bij het voorbereiden van de brand- en rampenbestrijding.
  • De toezichthouders van het bevoegd gezag, de NLA en de veiligheidsregio's beschouwen de PGS-richtlijnen als een belangrijk referentiekader bij het toezicht op de naleving van wettelijke verplichtingen, zoals de Seveso-richtlijn.

Deze PGS-richtlijn is door de PGS-stuurgroep goedgekeurd voor vaststelling door het BOb op:……… Waarna het BOb deze PGS-richtlijn heeft vastgesteld op:………

Handtekening voorzitter PGS-stuurgroep

Leeswijzer

Indeling

De PGS-richtlijn heeft hoofdstukken en een aantal bijlagen. Bij elk hoofdstuk en bij elke bijlage staat of de inhoud informatief of normatief is. Alleen de normatieve delen zijn bindend en gelden als eis of voorschrift. Met het voldoen aan de maatregelen in deze PGS-richtlijn wordt voldaan aan de in deze PGS-richtlijn opgenomen doelen.

Inleidende onderwerpen

De eerste vier hoofdstukken bevatten informatie over de veilige opslag van overige gevaarlijke vloeistoffen in ondergrondse en bovengrondse tankinstallaties, het toepassingsbereik en de risicobenadering met de scenario's. Alleen Paragraaf 1.2, met het toepassingsbereik van deze PGS-richtlijn, is normatief.

  • Hoofdstuk 1 bevat een algemene inleiding op deze PGS-richtlijn.
  • Paragraaf 1.2 beschrijft de reikwijdte en het toepassingsbereik. Dit is normatief.
  • Hoofdstuk 2 bevat algemene informatie over de opslag van overige gevaarlijke vloeistoffen in ondergrondse en bovengrondse tankinstallaties.
  • Hoofdstuk 3 beschrijft het basisveiligheidsniveau en geeft algemene informatie over de risicobenadering.
  • Hoofdstuk 4 bevat een beschrijving van de scenario's. Bij elk scenario is aangegeven met welke doelen het scenario voorkomen of beperkt kan worden en welke maatregelen daarvoor nodig zijn.
Doelen en maatregelen

Hoofdstukken 5 t.m. 7 zijn normatief. Daarin staat het wettelijk kader, de doelen en maatregelen om hoog en middelhoog risico-scenario’s te voorkomen en beperken.

  • Hoofdstuk 5 bevat een richtingaanwijzer wet- en regelgeving. Deze richtingaanwijzer maakt duidelijk op grond van welke wetgeving aan welke maatregelen in deze PGS-richtlijn moet worden voldaan.
  • Hoofdstuk 6 beschrijft de doelen en geeft aan welke maatregelen invulling geven aan het doel en voor welke scenario's ze bedoeld zijn.
  • Hoofdstuk 7 bevat maatregelen. Daarnaast staat bij elke maatregel voor welk scenario de maatregel relevant is en aan welke doelen de maatregel invulling geeft. In paragraaf 7.1 staat de leeswijzer voor de maatregelen.
Informatie bij implementatie

De overige hoofdstukken informatief. Deze hoofdstukken geven extra informatie over het onderwerp van deze PGS-richtlijn. Het gaat om informatie die niet in de normatieve hoofdstukken thuishoren, maar die wel helpt bij het omgaan met deze PGS-richtlijn.

Dit informatieve deel van deze richtlijn bevat informatie over:

  • Hoofdstuk 8 bevat informatie over gelijkwaardige maatregelen
Bijlagen

Deze PGS-richtlijn bevat bijlagen. De teksten in de hoofdstukken kunnen naar die bijlagen verwijzen. Een bijlage is informatief of normatief. Als een hoofdstuk normatief is, staat dat aangegeven.

De volgende bijlagen zijn normatief:

  • Bijlage A: Afkortingen en begrippen;
  • Bijlage B.1: Normatieve documenten en normen. Deze bijlage bevat documenten en normen waar de maatregelen in deze PGS-richtlijn naar verwijzen. Daar staat ook de huidige editie van de norm bij;
  • Bijlage I: Keuringstermijnen voor tanks;
  • Bijlage L: Implementatietermijnen in bestaande situaties.
Informatiebronnen

In deze PGS-richtlijn worden wetten en andere informatiebronnen genoemd. Een overzicht hiervan staat in Bijlage B.2. Daar staat ook waar deze wetten en informatiebronnen te vinden of te verkrijgen zijn.

1Inleiding

1.1Doel van de richtlijn

Het doel van deze PGS-richtlijn is om vast te leggen met welke maatregelen de risico's van de opslag van overige gevaarlijke vloeistoffen in ondergrondse en bovengrondse tankinstallaties te beheersen zijn. Deze maatregelen zijn gebaseerd op een risicobenadering die uitgaat van de scenario's die zich voor kunnen doen. Op basis van de scenario's zijn doelen geformuleerd waarmee wordt beoogd een aanvaardbaar veiligheidsniveau te creëren. Uit de doelen zijn vervolgens de maatregelen afgeleid. Deze maatregelen verkleinen de kans op een incident, of voorkomen of beperken de nadelige gevolgen van een incident. Informatie over de risicobenadering staat in Hoofdstuk 3 van deze richtlijn.

In deze richtlijn zijn de regels opgenomen voor het ontwerpen, bouwen, gebruiken (in werking hebben), onderhouden, inspecteren/herklassificeren (in stand houden) van installaties voor opslag van gevaarlijke vloeistoffen (anders dan verpakte gevaarlijke vloeistoffen en brandstoffen) waarmee een aanvaardbaar beschermingsniveau voor mens en milieu wordt gerealiseerd. Voor de bepaling van het vereiste beschermingsniveau is uitgegaan van de stand der techniek die geldt voor de bouwkundige uitvoering van opslagvoorzieningen, brandbestrijdingssystemen (dit betreft een samenstel van preventieve, preparatieve, en repressieve voorzieningen) en arbeidsmiddelen.

Hierbij zijn enerzijds de risico's van de gevaarlijke stoffen binnen het PGS 31-toepassingsgebied van belang en moeten anderzijds de installatiecomponenten en werkwijzen worden belicht. Hieronder vallen onder andere de ontwerpeisen die worden gesteld aan de installatie, de toegepaste componenten en de gebruiksomstandigheden. Daarbij wordt voor de constructie uitgegaan van bestaande technieken, zoals bijvoorbeeld vastgelegd in beoordelingsrichtlijn BRL-K903/BRL SIKB 7800. Daarnaast zijn interne en externe risico's en veiligheidsafstanden belangrijk. Ook het onderhoud van de tankinstallatie en de daarbij behorende procedures zijn beschreven.

In deze PGS wordt meerdere malen aangegeven dat een PRI&E moet worden uitgevoerd. De maatregelen die volgen uit een PRI&E moeten worden toegepast.

1.2Toepassingsbereik van de richtlijn Normatief

1.2.1Algemeen Normatief

Deze PGS-richtlijn is van toepassing op de drukloze opslag in tankinstallaties met een inhoud van 0,250 m3 t/m 150 m3 van de volgens het ADR gedefinieerde gevaarlijke vloeibare stoffen en mengsels en tevens die vloeibare stoffen en mengsels die vanuit CLP-verordening als CMR zijn gekenmerkt. Voor de definitie van drukloze opslag wordt verwezen naar Bijlage A.

Vloeistoffen of mengsels die vanuit de CLP-verordening onder de reikwijdte van deze richtlijn vallen (naast de gevaarlijke vloeistoffen en mengsels vanuit de ADR):

  1. stoffen die in bijlage VI, tabel 3.1 van verordening 1272/2008 zijn vermeld als kankerverwekkend, mutageen of ‘voor de voortplanting giftig’, categorie 1A of 1B; of
  2. stoffen die volgens bijlage I, sectie 3.5, sectie 3.6 en sectie 3.7 van verordening 1272/2008 zijn geclassificeerd als kankerverwekkend, mutageen of ‘voor de voortplanting giftig’, categorie 1A of 1B; of
  3. stoffen die in bijlage VI, tabel 3.2 van verordening 1272/2008 zijn vermeld als kankerverwekkend, mutageen of ‘voor de voortplanting giftig’, categorie 1A of 1B;
  4. mengsels die volgens Europese Richtlijn 1999/45/EG zijn geclassificeerd als kankerverwekkend, mutageen of ‘voor de voortplanting giftig’, categorie 1 of 2; of
  5. mengsels die volgens bijlage I, sectie 3.5, sectie 3.6, sectie 3.7 van verordening 1272/2008 zijn geclassificeerd als kankerverwekkend, mutageen of ‘voor de voortplanting giftig’, categorie 1A of 1B.

Toelichting: Bijlage VI van verordening 1272/2008 bevat de geharmoniseerde indeling van CMR-stoffen. Dat wil zeggen dat deze indeling op Europees niveau is vastgesteld en verplicht behoort te worden gebruikt. De H-zinnen die van toepassing zijn op categorie 1A en 1B, zijn de volgende:

  • voor C-stoffen (kankerverwekkend): H350 ‘Kan kanker veroorzaken’;
  • voor M-stoffen (mutageen): H340 ‘Kan genetische schade veroorzaken’;
  • voor R-stoffen (voor de voorplanting giftig): H360 ‘Kan de vruchtbaarheid of het ongeboren kind schaden’.

Voor deze PGS wordt voor ‘stof’ de volgende definitie gehanteerd: chemisch element en de verbindingen ervan zoals zij voorkomen in natuurlijke toestand of bij de vervaardiging ontstaan, met inbegrip van alle additieven die nodig zijn voor het behoud van de stabiliteit ervan en alle onzuiverheden ten gevolge van het toegepaste procedé, doch met uitzondering van elk oplosmiddel dat kan worden afgescheiden zonder aantasting van de stabiliteit van de stof of wijziging van de samenstelling. Een mengsel is een oplossing bestaande uit twee of meer stoffen.

Een aantal gevaarlijke vloeistoffen vraagt extra toelichting voor wat betreft hun classificatie. Het betreft de zogenoemde watergedragen mengsels. Onder chemische vloeistoffen die worden opgeslagen in opslagtanks, zijn ruim de helft watergedragen mengsels. Dit zijn mengsels waarbij het oplosmiddel voor meer dan 50 % uit water bestaat en waarbij eventuele andere gebruikte oplosmiddelen volledig in water oplosbaar zijn. Voorbeelden hiervan zijn reinigingsmiddelen, verdunde zuren, logen en watergedragen bindmiddelen.

Watergedragen mengsels die een vlampunt >35 ˚C hebben en voor meer dan 50 % uit water bestaan, onderhouden de verbranding niet. De begrippen brandbare vloeistoffen, brandonderhoudende vloeistoffen en niet-brandonderhoudende vloeistoffen zijn door het RIVM nader toegelicht in de notitie: Brandbare vaste stoffen, onbrandbare stoffen en niet-brandonderhoudende stoffen in het kader van de richtlijn PGS 15 van 21 maart 2015. Bij de opslag van niet-brandonderhoudende vloeistoffen zijn geen aanvullende brand-mitigerende maatregelen nodig.

Als een wisselvat (zoals een IBC-container of een transporttank) wordt vastgekoppeld aan een installatie waarbij wordt gebruikgemaakt van vaste verbindingen, met de bedoeling deze voor langere tijd aan de installatie te verbinden, dan valt dit wisselvat onder het toepassingsgebied van PGS 31.

Deze PGS-richtlijn is niet van toepassing op:

  • vloeibare brandstoffen voor zover die onder het toepassingsgebied vallen van PGS 28 en PGS 30, brandbare vloeistoffen die vallen onder het toepassingsgebied van PGS 29 en vloeistoffen die vallen onder het toepassingsgebied van PGS 8 of PGS 32,
  • Opslag van verpakte gevaarlijke stoffen voor zover die onder het toepassingsgebied vallen van PGS 15,
  • procestanks,
  • opslag van infectieuze stoffen.
Onderscheid opslagtanks, vallend onder PGS 31, en procestanks, niet vallend onder PGS 31

Indien een tank opgesteld staat in een opslagomgeving is het uitgangspunt dat deze beschouwd wordt als een opslagtank, tenzij er duidelijk procesmatige handelingen in de tank plaats vinden.

Wanneer een tank onderdeel is van een procesomgeving is het uitgangspunt dat deze beschouwd wordt als een procestank. Ook dient opgemerkt te worden dat op kleine(re) productielocaties de proces- en opslagtanks in veel gevallen in dezelfde omgeving staan. Dit vanwege ontwerptechnische overwegingen en het nemen van risicobeheersmaatregelen die voor beide soorten tanks nodig zijn. Denk bijvoorbeeld aan een opvangvoorziening en brandbeheersing. De veiligheid en risicobeheersmaatregelen voor procestanks dienen bepaald te worden door een systematiek voor identificatie van de gevaren en beoordeling van de risico’s. De opslagtanks blijven in deze gemengde situatie opslagtanks. Het toevoegen van inhibitor of additieven wordt gezien als een activiteit die bij opslagtanks kan worden uitgevoerd:

  • Het toevoegen en mengen van een inhibitor om een ongewenste reactie van de stof/het mengsel bij opslag (na het (meng)proces) te voorkomen, is geen proceshandeling.
  • Als er sprake is van duidelijk gescheiden opslag- en procesomgevingen: het toevoegen van additieven in de opslagomgeving is geen proceshandeling en tanks in opslagomgevingen met louter deze handeling blijven daarmee in het toepassingsgebied van PGS 31.

Kenmerken van een opslagomgeving:

  • Opstelling van tank(s) op een apart deel van het terrein buiten de procesinstallatie.
  • Over het algemeen in opvangvoorzieningen, alleen of met meerdere opslagtanks.
  • Indien verbonden met de procesinstallatie is dit middels toevoer- of afvoerleidingen die tussen de verschillende delen van het terrein lopen. Over het algemeen over langere afstand over meerder delen van het terrein.

Kenmerken van een procesomgeving:

  • Opstelling van tank(s) samen met andere procesinstallaties zoals reactorvaten, warmtewisselaars, heaters, buffertanks etc.
  • Zowel aan de toevoer- als aan de afvoerzijde direct verbonden met andere delen van de procesinstallatie. Over het algemeen over kortere afstanden binnen de betreffende procesinstallatie.
  • Losse mengtanks zonder aansluitingen waarbij de te mengen stoffen van boven worden toegevoegd.
  • Gedeelde voorzieningen met de procesinstallatie, zoals detectiesystemen, blus- en koelvoorzieningen, productopvang, etc.

Met procesmatige handelingen wordt bedoeld:

  • Veranderingen van (chemische) samenstelling.
  • Handelingen of bewerkingen waardoor een hoger risico ontstaat, zoals druk- of temperatuurverhoging, die andere maatregelen vereisen dan beschreven in deze PGS.

Handelingen die niet worden beschouwd als procesmatig zijn:

  • Roeren/rondpompen in dezelfde tank (homogeniseren) om een product gemengd te houden. Hier kan ook het op temperatuur houden van een vloeistof bij horen om een product gemengd/vloeibaar te houden.
Emissies naar bodem, water en lucht

Deze richtlijn gaat niet in op de emissies naar bodem, water en lucht. Eisen over emissies naar bodem, water en lucht staan in de regels op grond van de Omgevingswet. Wel zijn bodem-, water- en luchtaspecten genoemd als dit consequenties heeft voor de veiligheid van werknemers en voor de veiligheid van de omgeving. Een voorbeeld is een plas met gevaarlijke stoffen. Dit heeft niet alleen risico’s voor de bodem. De gevaarlijke stof kan namelijk ook uitdampen of in brand raken en schadelijke effecten hebben op de veiligheid van werknemers of de omgeving. De maatregel van een lekbak heeft dan meerdere doelen. De richtlijn gaat ook niet in op de aanpak die nodig is om tot beheersing van de gevaren voor de gezondheid op de lange termijn te komen.

1.2.2Opslag verwarmde vloeistoffen Normatief

Deze PGS is ook van toepassing op verwarmde brandbare vloeistoffen. Brandbare vloeistoffen met een vlampunt van meer dan 60 ºC kunnen worden beschouwd als onverwarmd, mits de temperatuur van de vloeistof ten minste 5 ºC onder het vlampunt blijft voor enkelvoudige stoffen en 15 ºC onder het vlampunt blijft voor mengsels. Van de marge van 15 ºC voor mengsels kan worden afgeweken wanneer middels een onderbouwing wordt aangetoond welk vlampunt van het specifieke mengsel van toepassing is.

Wanneer vloeistoffen/mengsels met een vlampunt hoger dan 60 °C verwarmd worden opgeslagen boven een temperatuur van 5 °C (voor enkelvoudige stoffen) of 15 °C (voor mengsels) onder het vlampunt en voor instabiele stoffen (cf NFPA704 klasse 2), gelden al de maatregelen voor ADR-Klasse 3 vloeistoffen. Indien is aangetoond dat de stoffen niet-brandonderhoudend (zie memo RIVM) zijn, gelden deze eisen niet.

Verwarmde en / of warm opgeslagen stoffen van die zijn geherclassificeerd behoeven voor het scenario brand in de opvangvoorziening niet te worden beschouwd op basis van deze herclassificatie. Dit omdat het verwarmde of warm opgeslagen product bij uitstromen in de opvangvoorziening snel afkoelt en er geen sprake meer is van een besloten ruimte waarin dampen kunnen cumuleren tot een ontbrandbaar mengsel.

1.2.3Afbakening PGS 31 en PGS 15, PGS 28, PGS 29 en PGS 30 Normatief

Voor de opslag van vloeibare brandstoffen in een tankinstallatie zijn PGS 28 en/of PGS 30 van toepassing voor zover de opslag valt binnen de respectievelijke toepassingsgebieden van deze richtlijnen. Voor de opslag van brandbare vloeistoffen in een opslagtank met een inhoud groter dan 150 m3 is PGS 29 van toepassing. Voor de exacte definitie van de reikwijdte van PGS 29 wordt verwezen naar PGS 29.

PGS 29 is van toepassing op verticale cilindrische bovengrondse stalen opslagtanks waarvan de bodem gedurende de gehele levensfase van de tank op een fundering rust. Het betreft opslag onder atmosferische druk van brandbare vloeistoffen. PGS 31 gaat over diverse types bovengrondse en ondergrondse opslagtanks, namelijk tanks met een vlakke bodem, met een bolle bodem, verticale en horizontale tanks, stalen, kunststof thermoplastische en kunststof thermohardende tanks, en enkel- en dubbelwandige tanks.

De opslag van al dan niet brandbare gevaarlijke chemische vloeistoffen in een tankinstallatie valt, voor zover niet binnen het toepassingsgebied van PGS 28 of PGS 30, binnen dat van PGS 31. De benadering van PGS 31 kan worden gebruikt bij een vergunningsaanpak bij opslagtanks van meer dan 150 m3.

Het transport van gevaarlijke vloeistoffen valt niet onder PGS 31. Daarvoor gelden de eisen van de vervoerswetgeving (onder andere het ADR). Het laden en lossen van de gevaarlijke vloeistoffen vanuit of naar een transportunit valt wel onder de reikwijdte van deze richtlijn. Verpakte stoffen in tanks die geschikt zijn voor transport over de weg, zoals IBC-containers en tankcontainers, vallen niet onder deze richtlijn. Voor de opslag in deze types tanks zijn de eisen beschreven in PGS 15. Als een verpakking zoals een IBC-container of transporttank wordt vastgekoppeld aan een installatie waarbij wordt gebruikgemaakt van vaste verbindingen met de bedoeling deze voor langere tijd aan de installatie te verbinden, dan valt deze onder het toepassingsgebied van PGS 31 (zie Paragraaf 7.7).

De eisen waar deze types tanks aan moeten voldoen, zijn vastgelegd in de vervoerswetgeving (onder andere het ADR).

Voor de scenario’s, doelen en maatregelen voor laden en lossen is zoveel mogelijk aansluiting gezocht met PGS 29 aangezien deze situaties in de praktijk meer vergelijkbaar zijn dan PGS 28 en PGS 30.

Voor de opslag van organische peroxiden en explosieven voor civiel gebruik zijn PGS8 respectievelijk PGS 32 van toepassing voor zover de opslag valt binnen de respectievelijke toepassingsgebieden van deze richtlijnen.

1.2.4Keuringen in eigen beheer, relatie Wbda 2016 Normatief

In beginsel is bij het opstellen van PGS 31 uitgegaan van BRL-K903/BRL SIKB 7800.

Bedrijven met een eigen keuringsdienst van gebruikers (NL-KvG) of een inspectiedienst van gebruikers (IvG) mogen keuringen in eigen beheer uitvoeren. IvG/NL-KvG kennen een eigen inspectieschema met onafhankelijk toezicht daarop door een NL-conformiteitsbeoordelingsinstantie (NL-CBI).

Om bedrijven met voldoende specifieke deskundigheid ruimte te bieden om bepaalde handelingen/werkzaamheden in eigen beheer uit te voeren, kan aansluiting worden gezocht bij de maatregelen in Paragraaf 7.8.3 van deze richtlijn. In de toelichting van M100 staat: “Kleine reparaties zijn bijvoorbeeld het vervangen van appendages, pompen, peilinrichtingen, vuldop, peilstok, slangen, vulpistool door gelijkwaardige onderdelen".

Reparaties aan beveiligingen zijn geen kleine reparaties. Hieronder kan het uitwisselen van een pomp worden begrepen.

Een gecertificeerde installateur blijft degene die volgens het BRL-K903/BRL SIKB 7800-schema de installatie keurt, reparaties/wijzigingen aan de installatie aanbrengt die ook moeten worden vermeld op het installatiecertificaat, en herbeoordelingen uitvoert. Gecertificeerde installateurs staan op hun beurt onder toezicht van de schemabeheerder.

Bij drukloze opslag van vloeistoffen in tanks kan voor wat betreft de technische integriteit, afhankelijk van het type tank en de condities, aangesloten worden bij de systematiek van het Warenwetbesluit drukapparatuur (Wbda 2016), echter alleen voor bedrijven met een NL-KvG of een IvG. Het gaat hier om de integriteit van het primaire toestel plus leidingen en het onderhoud. Voor de overige aspecten is PGS 31 van toepassing. Deze alternatieve route is gekozen omdat verwacht mag worden dat bedrijven met NL-KvG/IvG de competenties hebben om hier goed invulling aan te geven en niet specifiek vanwege Wbda 2016.

Het Wbda 2016 stelt essentiële veiligheidseisen aan drukapparatuur en samenstellen met een druk PS hoger dan 0,5 bar. De veiligheidseisen hebben het kenmerk van doelvoorschriften. Een keuringsregime borgt dat aan deze eisen wordt voldaan. Bij gering risico gaat het Wbda 2016 uit van goed vakmanschap van de gecertificeerde installateur en zorgplicht van de ondernemer en stelt geen keuringen verplicht. Bij groter risico zal ten minste een beoordeling door een onafhankelijke keuringsinstelling moeten plaatsvinden. De beoordelingsactiviteiten nemen toe naarmate het risico toeneemt.

Bedrijven die gebruikmaken van een NL-KvG of een IvG, hebben de benodigde competenties om op systematische wijze en met voldoende expertise de veiligheid van de installatie te borgen.

Volgens de systematiek van het Wbda 2016 (doorgetrokken naar apparatuur met een druk lager of gelijk aan 0,5 bar) is sprake van een groter risico indien het nieuwbouw en gebruik van tankinstallaties groter dan 400 liter betreft voor de opslag van vloeistoffen uit stofgroep 1. In dat geval is een keuringsregime verplicht. In de PGS 31 wordt voor een tankinstallatie een ondergrens van 250 liter aangehouden. Deze grens wordt ook hier toegepast om redenen van consistentie. Dat wil zeggen dat voor nieuwbouw van tankinstallaties groter dan 250 liter voor de opslag van vloeistoffen uit stofgroep 1 een keuringsregime verplicht is.

Bij herkeuring van tankinstallaties groter dan 400 l voor de opslag van gevaarlijke vloeistoffen uit stofgroep 1, die ontplofbaar of zeer vergiftig zijn, is volgens de systematiek van het Wbda 2016 eveneens sprake van een verhoogd risico en is ook een keuringsregime verplicht. Ook hier wordt om redenen van consistentie de grens van 250 liter uit de PGS 31 aangehouden. Dat wil zeggen dat voor de herkeuring van tankinstallaties groter dan 250 liter voor de opslag van gevaarlijke vloeistoffen uit stofgroep 1, die ontplofbaar of zeer vergiftig zijn, een keuringsregime verplicht is.

Bij opslag van overige gevaarlijke vloeistoffen (stofgroep 2) in tankinstallaties is volgens de Wbda 2016 sprake van gering risico en is goed vakmanschap en het voldoen aan de zorgplicht verplicht.

Voor situaties waarin gebruik wordt gemaakt van de PGS 31 en de technische integriteit geborgd is door middel van de systematiek van het Wbda 2016 geldt maatregel M101. Uitgangspunten zijn hierbij:

  • Belangrijk is dat de risico’s ten gevolge van de opslag van gevaarlijke stoffen in tanks tot een aanvaardbaar niveau worden afgedekt. Dit stelt niet alleen eisen aan de tankinstallatie zelf, maar ook aan het gebruik en het onderhoud ervan. Het uitgangspunt is dat de veiligheid van de tankinstallatie te allen tijde moet zijn geborgd.
  • Voor opslagen bij bedrijven die werken met een NL-KvG of een IvG (of op een gelijkwaardige wijze geregeld in de vergunning), kan ten aanzien van de borging van de technische integriteit van het primaire toestel, inclusief leidingen en appendages, ook de systematiek van Wbda 2016 worden gevolgd.

De technische integriteit van het primaire toestel, leidingen en appendages heeft betrekking op:

  • de constructie van de tankinstallatie (M2, M9, M10, M11);
  • het installeren van de tankinstallatie (M100);
  • keuring, controle, onderhoud, registratie en documentatie (Paragraaf 7.8.3);
  • reparaties aan de tank (M100). De technische integriteit van het primaire toestel betreft bovengrondse en ondergrondse tanks, stalen en kunststof tanks.

Tevens moet worden voldaan aan de overige voorschriften van de PGS 31 die geen betrekking hebben op de technische integriteit.

PGS 31 stelt een installatiecertificaat verplicht dat is afgegeven door een gecertificeerde installateur. Een tankinstallatie mag pas in gebruik worden genomen nadat een kwaliteitsverklaring (installatiecertificaat) is afgegeven.

Indien de systematiek van het Wbda 2016 en de ondergrens van de PGS 31 (M101) wordt gevolgd, moet in elk geval aan de volgende voorwaarden worden voldaan:

  • Voor installaties groter dan 250 l met vloeistoffen uit stofgroep 1 stelt de NL-KvG of IVG een verklaring op dat ingebruikname heeft plaatsgevonden conform de systematiek van het Wbda 2016. Deze verklaring wordt als gelijkwaardig aan het installatiecertificaat beschouwd.
  • Installaties groter dan 250 l met vloeistoffen uit stofgroep 1, voor zover deze ontplofbaar of zeer vergiftig zijn, stelt de NL-KvG of IvG een verklaring op dat herkeuring heeft plaatsgevonden conform de systematiek van het Wbda 2016. Deze verklaringen wordt als gelijkwaardig aan het installatiecertificaat beschouwd;
  • Andere installaties die volgens de systematiek van het Wbda 2016 onder goed vakmanschap en de zorgplicht vallen, worden geacht in gebruik te zijn genomen en te worden onderhouden alsof een installatiecertificaat is afgegeven.

De hierboven genoemde verklaringen zijn geen verklaringen in de zin van het Wbda 2016 en kunnen niet als zodanig gebruikt worden, bijvoorbeeld na herclassificatie van een tank.

Voor alle aspecten die niet door de systematiek van het Wbda 2016 worden geborgd, gelden de maatregelen uit PGS 31. Er is dan echter geen installatiecertificaat verplicht. Deze maatregelen betreffen, waar van toepassing voor de opgeslagen stof:

1.3Relatie met wet- en regelgeving

Wettelijke basis

Deze PGS-richtlijn geeft een nadere uitwerking van wettelijke voorschriften op grond van de Omgevingswet, de Arbeidsomstandighedenwet en de Wet veiligheidsregio’s.

In Hoofdstuk 5 staat een toelichting op de relatie met deze wetgeving. Ook staat in Hoofdstuk 5 een richtingwijzer waarmee duidelijk wordt welke maatregelen een bedrijf moet treffen op grond van deze wettelijke kaders.

Direct werkende wetten en regels

Naast de eisen in deze PGS-richtlijn zijn er ook andere wetten en regels waaraan een activiteit moet voldoen. Een voorbeeld daarvan is de Warenwet met bijbehorende Warenwetbesluiten. Bijlage C bij deze PGS-richtlijn bevat meer informatie over de wet- en regelgeving die van toepassing kan zijn op de activiteiten uit deze PGS-richtlijn.

Deze PGS-richtlijn bevat naast de PGS-eisen (in blauwe kaders) ook een aantal maatregelen (in oranje kaders) waaraan een bedrijf op grond van andere wetten en regels al moet voldoen. Dit is om de PGS-richtlijn beter leesbaar en toepasbaar te maken. Dit geeft voor een bepaald onderwerp een vollediger beeld van maatregelen die invulling geven aan de doelen.

Deze maatregelen die al zijn verankerd in direct werkende wetten en regels hebben een aparte status binnen deze PGS-richtlijn. Een bedrijf moet op grond van deze andere wetten en regels al aan deze maatregelen voldoen.

1.4Bestaande activiteiten

In Hoofdstuk 7 staan maatregelen. Deze maatregelen geven een invulling aan de stand van de techniek en de stand van de wetenschap en professionele dienstverlening.

Nieuwe activiteiten moeten direct voldoen. Bijlage K geeft een overzicht van maatregelen die nieuw of gewijzigd zijn in vergelijking met de vorige versie van deze PGS-richtlijn. In Bijlage L staat voor bestaande activiteiten binnen welke termijn de activiteiten moeten voldoen aan de gewijzigde of nieuwe maatregelen.

1.5Gebruik van normen

Als deze PGS-richtlijn verwijst naar een norm (zoals NEN, EN, of ISO) of een ander normdocument of een andere specificatie, gaat het om de publicatie, inclusief wijzigings- of correctiebladen, zoals die op het moment van de publicatie van deze PGS-richtlijn luidde. Die normdocumenten staan in Bijlage B van deze PGS-richtlijn.

Normen, zoals NEN, EN of ISO of andere normdocumenten of specificaties, worden periodiek opnieuw beoordeeld en zo nodig herzien. De veranderingen zijn vaak beperkt. Wanneer alle bestaande bedrijven toch direct aan de nieuwste editie moeten voldoen, kan dat grote (financiële) gevolgen hebben.

In Bijlage B staat daarom bij de normen waar deze PGS-richtlijn naar verwijst, ook een jaartal. Het gaat om de editie van de norm met dat jaartal, inclusief wijzigings- of correctiebladen. Dat betekent dat deze editie blijft gelden zolang de PGS-richtlijn op dit punt niet is gewijzigd.

Uitzondering voor normen via andere wetten en regels

Soms zijn normen rechtstreeks van toepassing. Bijvoorbeeld omdat andere wetten en regels naar een norm verwijzen. Dat geldt bijvoorbeeld voor normen die horen bij bindende Europese regels. Voor deze normen geldt dat de editie die in die wetten en regels staat, bepalend is.

1.6Bestaande bovengrondse installaties

Bestaande tankinstallaties kunnen een herclassificatie (intredekeuring) ondergaan volgens BRL-K903/BRL SIKB 7800, deelgebied 15 (staal) en deelgebied 16 (kunststof). Na herklassificatie (en het eventueel herstellen van gebreken) wordt een installatiecertificaat afgegeven. Dit geldt voor bestaande tankinstallaties met en zonder installatiecertificaat.

2Beschrijving overige gevaarlijke vloeistoffen en tankinstallaties

2.1Overige gevaarlijke vloeistoffen

2.1.1Algemene informatie

De opslag van gevaarlijke stoffen brengt gevaren met zich mee, welke anders zijn dan de opslag van niet-gevaarlijke stoffen. De PGS 31 richt zich op de gevaarlijke stoffen zoals genoemd in paragraaf 1.2 van deze richtlijn. De doelen en maatregelen in deze richtlijn zijn er op gericht om de opslag van gevaarlijke stoffen in tanks zo veilig mogelijk te laten plaatsvinden.

2.1.2Gevaren van overige gevaarlijke vloeistoffen

De gevaren van verpakte gevaarlijke vloeistoffen kunnen, afhankelijk van de CLP-indeling of ADR-Klasse, zeer divers zijn. Ook zijn er gevaarlijke stoffen welke vallen onder meerdere klassen, zoals een brandbare en giftige stof. In Tabel 1 en Tabel 2 zijn voor de vloeistoffen relevant voor deze richtlijn de gevarenklasse en bijbehorend pictogram opgenomen op basis van respectievelijk het ADR en de CLP. Vloeistoffen met de betreffende CLP-indeling en/of ADR-klasse vallen onder het toepassingsgebied van de PGS 31.

In deze PGS wordt de ADR-klasse in principe gebruikt voor de opslag in de tank zelf. De ‘H-zinnen’ (CLP-indeling) zijn in principe van toepassing indien er sprake is van handelingen met de stoffen (bijvoorbeeld tijdens laden en lossen).

Tabel 1ADR-klassen van gevaarlijke stoffen relevant voor PGS31

ADR-klassePictogram

3 - Brandbare vloeistoffen

Afbeelding 1

5.1 - Anorganische peroxiden

Afbeelding 2

4.1 - Brandbare vaste stoffen

5.2 A - Organische peroxiden cat. A

Afbeelding 3

6.1 - Giftige stoffen

Afbeelding 4

8 - Bijtende stoffen

Afbeelding 5

9 - Overig gevaar

Afbeelding 6

Opmerking: bovengenoemde stoffen hebben naast een ADR-pictogram ook een CLP-pictogram. Omdat deze niet één op één met elkaar overeenkomen zijn alleen de ADR-pictogrammen voor deze stoffen opgenomen.

Tabel 2Tabel 2— CLP Gevarenklassen overige gevaarlijke vloeistoffen

CLP gevarenklasse

Pictogram*

H340 - Mutageen cat.1

Afbeelding 7

H350 - Kankerverwekkend cat. 1

Afbeelding 8

H360 - Reprotoxisch cat. 1

Afbeelding 9

* Het ‘radiant man’ pictogram kan ook vermeld worden voor gevaarsindelingen die niet onder PGS 31 vallen.

2.1.3Vloeistoffen in meerdere gevaarscategorieën ingedeeld

Indien een vloeistof in meerdere gevaarscategorieën kan worden ingedeeld, geldt dat voldaan moet worden aan alle eisen waarbij geldt dat de zwaarste maatregel van toepassing is. Er moet altijd uit worden gegaan van het hoogste risico.

2.2Over tankinstallaties

2.2.1Algemene beschrijving tankinstallatie

In deze paragraaf wordt een omschrijving gegeven van tankinstallaties. Onder een tankinstallatie wordt in deze PGS het volgende verstaan: een stationaire tankinstallatie of een niet-stationaire tankinstallatie (al dan niet voorzien van een aflevervoorziening) met een opslagtank met een inhoud van 0,250 m3 t/m 150 m3.

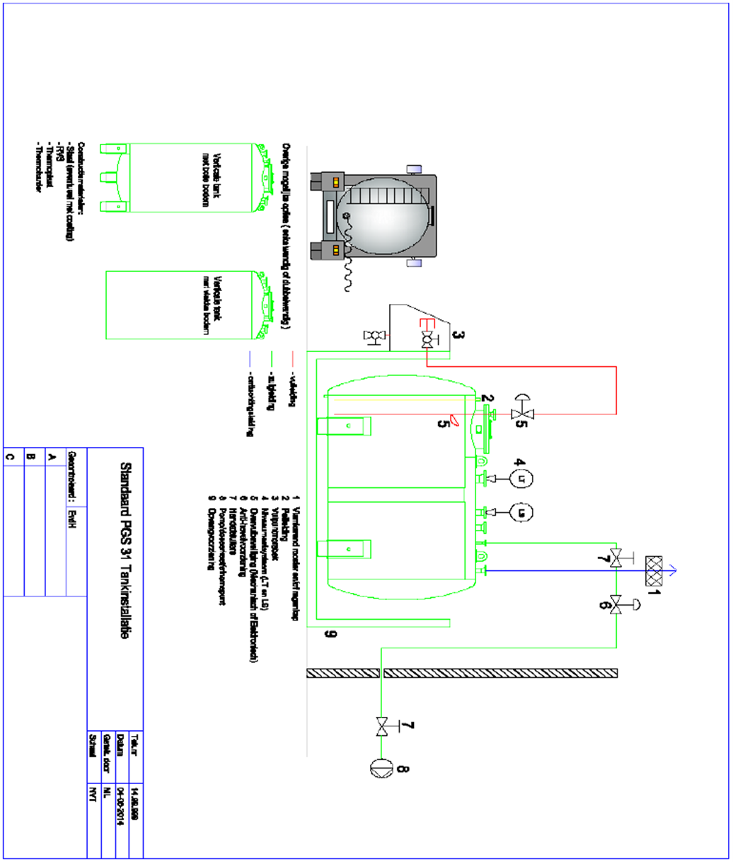
Globaal bestaat een tankinstallatie uit de volgende onderdelen, zie ook Bijlage J:

  • vulpuntmorsbak of opvangvoorziening onder het vulpunt;
  • vulpunt;
  • opvangvoorziening;
  • opslagtank (inclusief eventueel aanwezig roerwerk);
  • vulleiding, inclusief het aansluitpunt voor het verladen van het aan te voeren product;
  • losleiding vanaf de opslagtank tot aan de eerste afsluiter naar verbruikpunten;
  • toegepaste appendages;
  • leidingen van het vulpunt naar de opslagtank, de leidingen van de opslagtank naar de doseerinstallatie en de leiding tot aan het doseerpunt.

Ter bepaling en beoordeling van de relevante risico’s zijn voor de tankinstallaties ‘typicals’ gedefinieerd. Een ‘typical’ is een vereenvoudigde weergave van een activiteit, installatie of een onderdeel van een installatie.

Het doel van de typicals is om de meest voorkomende tankinstallaties te beschrijven en voor deze installaties de risico’s en daarbij behorende doelen en maatregelen te bepalen.

Hierbij is onderscheid gemaakt tussen de verschillende tank-typicals, zoals beschreven in Paragraaf 2.2.2 en de typicals voor overige installatieonderdelen, zoals beschreven in Paragraaf 2.2.3.

Voor opslagtanks die niet vallen onder één van de tank-typicals maar die wel vallen binnen het toepassingsbereik van de richtlijn zoals beschreven in Paragraaf 1.2, is maatwerk vereist.

2.2.2Tank typicals

In het toepassingsgebied van deze richtlijn zijn vier soorten tanks te onderscheiden.

  1. Bovengrondse tank;
  2. Ondergrondse tank;
  3. Intgeterpte tank.
  4. Wisselvaten

In het kader van de risicobenadering is de bovengrondse tank geselecteerd als basis-typical voor de scenario’s zoals beschreven in Hoofdstuk 3. De overige uitvoeringen zijn de zogenoemde delta-typicals. In Hoofdstuk 3 is per delta-typcial aangegeven wat de afwijkende scenario’s zijn ten opzichte van de basis-typical.

Definitie bovengrondse tank:

Opslagtank die op de grond staat opgesteld, al dan niet in een tankput of andere opvangvoorziening. De bovengrondse opslagtank kan zowel uitpandig als inpandig opgesteld zijn.

Definitie ondergrondse tank:

Opslagtank die onder het maaiveld ligt en geheel of gedeeltelijk bedekt is met grond, zand of aarde. Aansluitingen en appendages (bijvoorbeeld een ontluchting) kunnen wel boven het maaiveld liggen.

Definitie ingeterpte tank:

Opslagtank die boven het maaiveld ligt en geheel bedekt is met grond, zand of aarde. Aansluitingen en appendages (bijvoorbeeld een ontluchting) kunnen wel boven de terp uitsteken.

Definitie wisselvaten:

Een wisselvat is een vat dat bedoeld is voor tijdelijke opslag van gevaarlijke stoffen zoals bedoeld in deze PGS. Voorbeelden van wisselvaten zijn een tankcontainer of in een IBC vastgekoppeld aan een installatie.

2.2.3Typicals overige installatieonderdelen

Productleidingen

Productieleidingen betreffen alle leidingen voor het verplaatsen van het product van en naar de opslagtanks vanuit:

  • andere tanks;
  • procesinstallatie;
  • waterzijdige laad-/losinstallatie (binnenvaartschepen);
  • landzijdige laad-/losinstallatie (tankwagen, spoorketelwagon).

Onder deze typical vallen ook installatieonderdelen benodigd voor het verplaatsen van het product zoals bijvoorbeeld pompen.

Laden en lossen

Laden en lossen betreft de installatieonderdelen benodigd voor het laden en lossen aan de waterzijde (binnenvaartschepen) en aan de landzijde (tankwagen en spoorketelwagon), inclusief de laad- en losplaatsen waar de verlading plaatsvindt.

3Risicobenadering

3.1Basisveiligheidsniveau

Bij het uitvoeren van de activiteiten die vallen onder het toepassingsbereik van deze PGS-richtlijn wordt ervan uitgegaan dat een basisveiligheidsniveau aanwezig is. Dit is op te delen in vier soorten maatregelen:

  • beschermende maatregelen die volgens wet- en regelgeving standaard bij de activiteiten nodig zijn;
  • maatregelen die volgens bewezen en geaccepteerde goede praktijken niet weg te denken zijn. Dit zijn maatregelen voor ontwerp, constructie, in bedrijf nemen, gebruik, onderhoud of modificatie, inspectie en uit bedrijf nemen;
  • 'good housekeeping', dit is een begrip dat staat voor de algemene zorg bij, netheid en orde van een activiteit of een bedrijfsonderdeel. 'Good housekeeping' is een belangrijke factor bij het voorkomen van gevaarlijke situaties. Er wordt vanuit gegaan dat een bedrijf deze zaken op orde heeft, zoals ook is beschreven in de zorgplichtartikelen van de Omgevingswet en de Arbeidsomstandighedenwet;
  • maatregelen goed vakmanschap. Dit staat voor vaardigheden van werknemers om kwalitatief goed werk te leveren, en daarbij veilig en gezond te werken.

Het uitgangspunt is dus dat een bedrijf met bovenstaande maatregelen werkt.

In deel C staat meer uitleg over maatregelen die horen bij het basisveiligheidsniveau.

Installaties of activiteiten die onder deze PGS-richtlijn vallen, kunnen zo complex zijn, dat hiervoor een veiligheidsbeheerssysteem nodig is. Dat is in elk geval nodig als een activiteit plaatsvindt bij een Seveso-inrichting. Vaak gelden dan eisen voor de opzet en inhoud van dat systeem volgens NEN-EN-ISO 14001, ISO 45001, NTA 8620 of het Besluit activiteiten leefomgeving.

3.2Risicobenadering

Risicobenadering als basis

Deze PGS-richtlijn is gebaseerd op een risicobenadering waarbij op een systematische manier doelen en maatregelen zijn geformuleerd. Op basis van kennis en kunde van deskundigen van bedrijfsleven en overheid zijn verschillende scenario's geïdentificeerd. Een scenario is een reeks opeenvolgende gebeurtenissen die leiden tot een ongewenste (gevaarlijke) gebeurtenis.

Het risico is altijd een combinatie van de ernst van de gevolgen (effect) van een (ongewenste) gebeurtenis en de waarschijnlijkheid (kans) dat de gebeurtenis zich voordoet: risico = kans × effect.

Scenario's met de kleinste kans of met het kleinste effect worden beschouwd als scenario's met een laag risico. Deze staan in de regel niet in de PGS-richtlijn. De scenario's met een middelhoog tot hoog risico zijn in deze PGS-richtlijn beschreven.

Op basis van een scenario is een doel beschreven om ervoor te zorgen dat:

  • de kans op de ongewenste gebeurtenis zo veel mogelijk wordt beperkt, en
  • de nadelige gevolgen van de ongewenste gebeurtenis worden voorkomen of zo veel mogelijk worden beperkt.

Soms kunnen meerdere scenario's met hetzelfde doel worden gedekt. Per doel zijn er een of meer maatregelen uitgewerkt die er samen voor moeten zorgen dat aan het doel wordt voldaan. Een maatregel kan gelden voor meerdere doelen. De risicobenadering geeft de gebruiker van de PGS-richtlijn meer inzicht in het 'waarom' van de opgenomen maatregelen.

Methode

Voor de risicobenadering zijn verschillende methodes mogelijk. Vaak is de SWIFT-methode gebruikt. SWIFT staat voor Structured What If Technique. Deze methode is gebruikt in combinatie met scenario-identificatie op basis van verschillende bronoorzaken afkomstig uit de HAZOP-methode. HAZOP staat voor Hazard and Operability.

Meer informatie over de gebruikte methodes staat in de Handreiking generieke risicobenadering. Deze is terug te vinden op de PGS website.

Scenario's met laag risico

Scenario's met een laag risico worden in de regel niet in deze PGS-richtlijn behandeld. Een uitzondering is het laag risico-scenario S11 met betrekking tot onderdruk door leegpompen. Ook aan laag risico-scenario’s die niet in deze PGS staan beschreven, moet een bedrijf aandacht besteden. Maatregelen voor scenario's met een laag risico kunnen ook door andere wetten, regels, richtlijnen of afspraken worden geborgd.

Risicoanalyse verplicht volgens wetgeving

De scenario's in deze PGS-richtlijn horen bij de risicoanalyse die het PGS-team heeft uitgevoerd. Voor sommige activiteiten geldt ook een wettelijke plicht om een risicoanalyse uit te voeren. Naast de eerder genoemde RIE-plicht vanuit de Arbeidsomstandighedenwet zijn bedrijven bijvoorbeeld op grond van het Warenwetbesluit drukapparatuur 2016 (Wdba 2016) verplicht om voor installaties die hieronder vallen een risicoanalyse uit te voeren. De risicoanalyse van het PGS-team komt niet in de plaats van deze verplichte risicoanalyse.

Toepassing PGS-scenario’s voor hogedrempelinrichtingen en ARIE-bedrijven

Voor de zogenoemde hogedrempelinrichtingen zoals gedefinieerd in het Bal en ARIE-bedrijven zoals gedefinieerd in het Arbeidsomstandighedenbesluit geldt dat de scenario’s die kunnen leiden tot het vrijkomen van een gevaarlijke stof, de installatiescenario’s, al zijn beschreven in een veiligheidsrapport volgens een vast stramien, zoals toegelicht in bijlage H van PGS 6 of in een aanvullende risico-inventarisatie en -evaluatie (ARIE). Deze bedrijven hebben de scenario’s en de beheersmaatregelen daarmee afdoende beschreven om aan de verplichtingen van het Bal en het Arbeidsomstandighedenbesluit te voldoen. Indien gewenst kunnen zij deze beschrijvingen ten grondslag leggen aan de onderbouwing van gelijkwaardige oplossingen.

Scenario's die niet zijn uitgewerkt

Scenario's gaan uit van ongewenste gebeurtenissen. Bij het identificeren van scenario's zijn niet alle ongewenste gebeurtenissen meegenomen. Terrorisme en neerstortende vliegtuigen zijn daar voorbeelden van. Scenario's die voortkomen uit natuurgeweld, zijn als dat relevant is wel benoemd, maar niet verder uitgewerkt in doelen en maatregelen. De enige uitzondering is blikseminslag. Voor natuurgeweld, zoals overstromingen en aardbevingen, geldt dat de kans hierop afhangt van de locatie van de activiteit. Bedrijven moeten zelf beoordelen of er een verhoogde kans is op aardbevingen of overstromingen en ook wat de gevolgen van zo'n gebeurtenis kunnen zijn voor de veiligheid. Aan de hand daarvan kan een bedrijf in overleg met het bevoegd gezag vaststellen welke maatregelen nodig zijn om de gevolgen te beperken.

Bedrijven die onder de Seveso-richtlijn vallen en worden beschouwd als hogedrempelinrichting, moeten in het veiligheidsrapport wél ingaan op natuurlijke oorzaken van zware ongevallen, zoals aardbevingen of overstromingen.

Aanpak risicobenadering PGS 31

Een toelichting op de PGS-risicobenadering en hoe de PGS-teams deze hebben aangepakt, staat in de Handreiking generieke risicobenadering.

De risicobenadering is uitgevoerd in sessies met het PGS 31-team, onder begeleiding van een externe deskundige, en is gebaseerd op een representatieve gangbare tankinstallaties. De risicobenadering is niet uitputtend. Het is altijd mogelijk dat zich scenario's voordoen die niet zijn beschreven.

Voor deze PGS is de BowTie-methodiek gebruikt om onderscheid te kunnen maken tussen oorzaakscenario’s en gevolgscenario’s. De categorieën van directe oorzaken vanuit PGS 6 in combinatie met de gidswoorden vanuit de SWIFT-methode zijn toegepast voor een gestructureerde identificatie van potentiële oorzaakscenario’s.

De risicoanalyse geeft een kwalitatief inzicht in de kans en gevolgen van een scenario. Het PGS-team heeft de risico’s van de scenario’s geëvalueerd, geclassificeerd en gerangschikt. Daarbij is gebruikgemaakt van de kwalitatieve risicomatrix van de generieke risicobenadering. Hiermee is bepaald of het scenario relevant is voor de PGS. Als het scenario relevant is voor de PGS, identificeert het team maatregelen op basis van de huidige stand der techniek (bijvoorbeeld uit bestaande PGS'en, gehanteerde normen en andere referentiedocumenten). Als het om nieuwe activiteiten gaat, zal in overleg met betrokken experts worden bekeken welke maatregelen toegepast worden en/of toepasbaar zijn.

De risicomatrix is vervolgens gebruikt om te beoordelen of de maatregel:

  • het risico vermindert,
  • de kans op optreden van de ongewenste gebeurtenis verkleint, of
  • de omvang of ernst van de gevolgen vermindert.

Voor de geïdentificeerde maatregelen is vervolgens getoetst of ze als maatregel in de PGS moeten worden opgenomen. Dit gebeurt op basis van de gezamenlijke kennis en inzichten van deskundigen in het PGS-team.

In dit deskundig oordeel worden dus meerdere aspecten meegewogen. In elk geval zijn dit wettelijke randvoorwaarden, zoals de best beschikbare techniek, de stand van de wetenschap en de arbeidshygiënische strategie. De positie van het scenario in de matrix is daarbij een hulpmiddel dat inzicht geeft. De risicomatrix kan niet worden gezien als normatief kader.

4Scenario's

4.1Inleiding

Dit hoofdstuk beschrijft de scenario's die realistisch en relevant zijn voor veilige opslag van overige gevaarlijke vloeistoffen in ondergrondse en bovengrondse tankinstallaties.

De scenario's zijn per typical onderverdeeld in oorzaakscenario’s en gevolgscenario’s, waarbij de oorzaakscenario’s op hun beurt zijn onderverdeeld in categorieën van directe oorzaken (zoals benoemd in de PGS 6): corrosie, erosie, externe belasting, impact, overdruk, onderdruk, lage temperatuur, hoge temperatuur, trillingen, menselijke fouten tijdens gebruik en wijziging of onderhoud.

Voor de directe oorzaken trillingen en lage temperatuur zijn geen scenario’s geïdentificeerd die, volgens de werkwijze zoals beschreven in de Handreiking generieke risicobenadering, beoordeeld zijn als relevant voor PGS 31.

Elk scenario staat in een groen kader en heeft een nummer. Het is weergegeven als S1, S2 en verder. Bij elk scenario horen doelen. Deze doelen zijn weergegeven als D1, D2 en verder. De beschrijvingen van de doelen staan in Hoofdstuk 6. Bij de maatregelen in Hoofdstuk 7 is steeds aangegeven voor welke scenario's en doelen de maatregelen van toepassing zijn.

4.2Scenario’s bovengrondse tank (basis-typical)

4.2.1Oorzaakscenario’s

4.2.2Gevolgscenario’s

4.3Scenario’s ondergrondse tank (delta-typical)

4.3.1Algemeen

De volgende scenario’s van de basis-typical, zie 4.2, zijn ook van toepassing voor de ondergrondse tank:

  • S1 Tank niet voldoende schoon/leeg bij openen / betreden tank voor bijv. inwendige inspectie, onderhoud en reparatie
  • S3 Morsen aan of bij een tankinstallatie tijdens vullen, legen of monstername
  • S4 Verkeerd oplijnen of aansluiten
  • S5 Overvullen tankinstallatie
  • S6 Overdruk- algemeen
  • S8 Externe brand – vlamintrekking
  • S9 Interne ontsteking – statische ontlading
  • S10 Overdruk – vullen
  • S11 Onderdruk door leegpompen
  • S12 Interne of externe corrosie tankinstallatie
  • S13 Eroderen van kunststoftanks
  • S14 Beschadiging/falen van installatiedelen door externe impact (aanrijding, vallende objecten, etc.)
  • S16 Aanleveren product met te hoge temperatuur
  • S17 Vrijkomen gevaarlijke vloeistof
  • S18 Vrijkomen gevaarlijke damp
  • S19 Vrijkomen ADR-Klasse 3 vloeistof – brand of explosie na ontsteking
  • S20 Escalatie brand /explosie ADR-Klasse 3 vloeistof - schade installatie, omgeving

In Paragraaf 4.3.2 zijn aanvullende oorzaakscenario’s beschreven die geïdentificeerd zijn voor de delta-typical van een ondergrondse tank.

4.3.2Oorzaakscenario’s

4.4Scenario’s ingeterpte tank (delta-typical)

4.4.1Algemeen

De volgende scenario’s van de basis-typical, zie Paragraaf 4.2 en de ondergrondse tank, zie Paragraaf 4.3 zijn ook van toepassing voor de ingeterpte tank:

  • S1 Tank niet voldoende schoon/leeg bij openen / betreden tank voor bijv. inwendige inspectie, onderhoud en reparatie
  • S3 Morsen aan of bij een tankinstallatie tijdens vullen, legen of monstername
  • S4 Verkeerd oplijnen of aansluiten
  • S5 Overvullen tankinstallatie
  • S6 Overdruk- algemeen
  • S8 Externe brand – vlamintrekking
  • S9 Interne ontsteking – statische ontlading
  • S10 Overdruk – vullen
  • S11 Onderdruk door leegpompen
  • S12 Interne of externe corrosie tankinstallatie
  • S13 Eroderen van kunststoftanks
  • S14 Beschadiging/falen van installatiedelen door externe impact (aanrijding, vallende objecten, etc.)
  • S16 Aanleveren product met te hoge temperatuur
  • S17 Vrijkomen gevaarlijke vloeistof
  • S18 Vrijkomen gevaarlijke damp
  • S19 Vrijkomen ADR-Klasse 3 vloeistof – brand of explosie na ontsteking
  • S20 Escalatie brand /explosie ADR-Klasse 3 vloeistof - schade installatie, omgeving
  • S21 Wortelingroei
  • S22 Bovengrondse belasting
  • S23 Verzakking, bodemzetting of opdrijving

Er zijn geen specifieke aanvullende scenario’s geïdentificeerd voor de delta-typical van een ingeterpte tank.

4.5Scenario’s wisselvaten (delta-typical)

4.5.1Algemeen

De volgende scenario’s van de basis-typical, zie Paragraaf 4.2 zijn ook van toepassing voor de wisselvaten:

  • S3 Morsen aan of bij een tankinstallatie tijdens vullen, legen of monstername
  • S4 Verkeerd oplijnen of aansluiten
  • S5 Overvullen tankinstallatie
  • S6 Overdruk- algemeen
  • S7 Hoge temperatuur / druk – externe brand
  • S14 Beschadiging/falen van installatiedelen door externe impact (aanrijding, vallende objecten, etc.)
  • S17 Vrijkomen gevaarlijke vloeistof
  • S18 Vrijkomen gevaarlijke damp
  • S19 Vrijkomen ADR-Klasse 3 vloeistof – brand of explosie na ontsteking
  • S20 Escalatie brand /explosie ADR-Klasse 3 vloeistof - schade installatie, omgeving

Er zijn geen specifieke aanvullende scenario’s geïdentificeerd voor de delta-typical van een wisselvat. In Paragraaf 4.5.2 zijn aanvullende oorzaakscenario’s beschreven die geïdentificeerd zijn voor de delta-typical van een ondergrondse tank.

4.5.2Oorzaakscenario’s

4.6Scenario's productleidingen

4.6.1Algemeen

De volgende scenario’s van de basis-typical, zie Paragraaf 4.2, en de ondergrondse tank, zie Paragraaf 4.3, zijn ook van toepassing voor de productleidingen:

  • S4 Verkeerd oplijnen of aansluiten
  • S12 Interne of externe corrosie tankinstallatie
  • S16 Aanleveren product met te hoge temperatuur
  • S14 Beschadiging/falen van installatiedelen door externe impact (aanrijding, vallende objecten, etc.)
  • S17 Vrijkomen gevaarlijke vloeistof
  • S18 Vrijkomen gevaarlijke damp
  • S19 Vrijkomen ADR-Klasse 3 vloeistof – brand of explosie na ontsteking
  • S20 Escalatie brand /explosie ADR-Klasse 3 vloeistof - schade installatie, omgeving

In Paragraaf 4.6.2 zijn aanvullende oorzaakscenario’s beschreven die geïdentificeerd voor de delta-typical voor de productleidingen.

4.6.2Oorzaakscenario’s

4.7Scenario's bij laden en lossen (waterzijde en landzijde)

4.7.1Algemeen

De volgende scenario’s van de basis-typical, zie Paragraaf 4.2, en de productleidingen, zie Paragraaf 4.6, zijn ook van toepassing voor het laden en lossen:

  • S3 Morsen aan of bij een tankinstallatie tijdens vullen, legen of monstername
  • S4 Verkeerd oplijnen of aansluiten
  • S5 Overvullen tankinstallatie
  • S9 Interne ontsteking statische oplading
  • S25 Onterecht openen afsluiter
  • S17 Vrijkomen gevaarlijke vloeistof
  • S18 Vrijkomen gevaarlijke damp
  • S19 Vrijkomen ADR-Klasse 3 vloeistof - brand / explosie na ontsteking
  • S20 Escalatie brand /explosie ADR-Klasse 3 vloeistof - schade installatie, omgeving

In Paragraaf 4.7.2 en zijn aanvullende oorzaak- en gevolgscenario’s beschreven die geïdentificeerd voor de delta-typical van het laden en lossen.

4.7.2Oorzaakscenario’s

5Richtingwijzer wet- en regelgeving Normatief

5.1Inleiding Normatief

Deze PGS-richtlijn beschrijft de doelen en maatregelen die kunnen worden getroffen om de veiligheid te waarborgen.

Elke maatregel beoogt een risico te verminderen. Dit gaat om hoge en middelhoge risico's voor:

  • Omgevingsveiligheid: het voorkomen van ongewone voorvallen en het beperken van de gevolgen daarvan voor de omgeving met het oog op het waarborgen van de veiligheid voor de omgeving;
  • Arbeidsveiligheid: het voorkomen van ongevallen met gevaarlijke stoffen, dan wel het beperken van de gevolgen daarvan en het voorkomen van acute blootstelling van werknemers aan gevaarlijke stoffen;
  • Brandpreventie en Rampenbestrijding: het beperken van de gevolgen van een brand, incident met gevaarlijke stoffen of ramp en het borgen van een doelmatige rampenbestrijding en voor het borgen van de veiligheid van incidentbestrijders.

Er wordt zo zorgvuldig mogelijk gezorgd in een PGS dat bij navolging van de maatregelen niet in strijd wordt gehandeld met wet- en regelgeving. Het is echter niet zo dat een PGS uitputtend is in het opnemen van wettelijke verplichtingen. Het is altijd van belang de van toepassing zijnde wetgeving voor de desbetreffende activiteit te controleren.

De meeste maatregelen hebben grondslagen in meerdere wetten. Bij elke maatregel is deze grondslag vermeld. Daarmee wordt duidelijk dat:

  • maatregelen die zijn gesteld voor de omgevingsveiligheid, moeten worden nageleefd op grond van de Omgevingswet. In Hoofdstuk 7 zijn deze maatregelen aangeduid met Omgevingsveiligheid (Omgevingsveiligheid) en met Brandpreventie (Brandpreventie en bestrijding Omgevingsveiligheid);
  • maatregelen die zijn gesteld in het belang van de arbeidsveiligheid en gezondheid, moeten worden nageleefd op grond van de Arbeidsomstandighedenwet en de Warenwet. In Hoofdstuk 7 zijn deze maatregelen aangeduid met Arbeidsveiligheid (Arbeidsveiligheid);
  • maatregelen die zijn gesteld in het belang van brand- en rampenbestrijding, moeten worden nageleefd op grond van de Wet veiligheidsregio's. In hoofdstuk 7 zijn deze maatregelen aangeduid met Rampenbestrijding (Brand- en Rampenbestrijding).

5.2Omgevingsveiligheid Normatief

5.2.1Algemeen Normatief

De Omgevingswet gaat over de fysieke leefomgeving en de activiteiten die daar gevolgen voor hebben of kunnen hebben. Het Besluit activiteiten leefomgeving (Bal) bevat regels voor milieubelastende activiteiten. Met het oog op het waarborgen van de veiligheid staan in het Bal regels over activiteiten met gevaarlijke stoffen.

5.2.2Besluit activiteiten leefomgeving (Bal) Normatief

Het Bal bevat regels met het oog op het waarborgen van de veiligheid bij het opslaan van vloeibare gevaarlijke stoffen van ADR-klasse 3 in een bovengrondse of ondergrondse opslagtank met een inhoud gelijk aan of minder dan 150 m3, tenzij het betreft het opslaan van gasolie, diesel of huisbrandolie met een vlampunt van 55 °C of hoger (paragraven 4.93 en 4.96. In deze paragraven staat dat bij het opslaan van benzine of andere vloeibare gevaarlijke stoffen dan vloeibare brandstoffen moet worden voldaan aan deze PGS-richtlijn. Het waarborgen van de veiligheid is nader ingevuld met de doelen die zijn omschreven in Hoofdstuk 6 van deze PGS-richtlijn. Om aan de regels van paragraaf 4.93 en 4.96 van het Bal te voldoen, moeten alleen maatregelen worden getroffen die gaan over de veiligheid van de omgeving. Het gaat dan om maatregelen die in Hoofdstuk 7 zijn opgenomen met het belang van de omgevingsveiligheid als oogmerk. Deze zijn herkenbaar aan de markeringen OmgevingsveiligheidO en BrandpreventieBO.

Toepassingsbereik Bal en deze PGS-richtlijn

Het toepassingsbereik van deze PGS-richtlijn kan breder zijn dan het toepassingsbereik van de paragraven 4.93 en 4.96 van het Bal (de opslag van brandbare vloeistoffen van ADR klasse 3). De eisen uit deze PGS-richtlijn gelden alleen als direct werkende verplichtingen, als de activiteit valt binnen het toepassingsbereik van de paragrafen 4.93 en 4.96.

Gelijkwaardige maatregelen

De Omgevingswet en het Bal maken het mogelijk om een andere maatregel te treffen dan de voorgeschreven maatregel. Voor de maatregelen in deze PGS-richtlijn is het bij een vergunningplichtige activiteit nodig om vooraf toestemming van het bevoegd gezag te krijgen voor het toepassen van een gelijkwaardige maatregel. Er mag niet met de activiteit worden gestart voordat er toestemming is met een besluit van het bevoegd gezag.

Bij niet-vergunningplichtige activiteiten geldt dat voor de maatregelen in deze PGS-richtlijn is het bij het treffen van een gelijkwaardige maatregel niet nodig om vooraf toestemming van het bevoegd gezag te hebben. Het is wel verplicht om het toepassen van een gelijkwaardige maatregel vooraf te melden. Voorwaarde is dat met de andere maatregel ten minste hetzelfde resultaat wordt bereikt als met de voorgeschreven maatregel is beoogd. Het moet een gelijkwaardige maatregel zijn. Het bevoegd gezag milieu heeft vier weken de tijd om de gelijkwaardigheid vooraf te toetsen. Als dat niet is gedaan, heeft zij de mogelijkheid om achteraf (tijdens het toezicht) vast te stellen of de andere maatregel daadwerkelijk gelijkwaardig is.

Concreter: waar het Bal voorschrijft dat – met het oog op het waarborgen van de veiligheid – moet worden voldaan aan deze PGS-richtlijn, mag dus ook een andere gelijkwaardige maatregel worden getroffen. Het bevoegd gezag toetst de gelijkwaardigheid aan het oogmerk van de voorgeschreven maatregel. Zoals hiervoor al is aangegeven, wordt dit oogmerk ingevuld met de doelen van deze PGS-richtlijn. Het gaat er dan om dat in dezelfde mate wordt bijgedragen aan het realiseren van het gestelde doel. Bij de beoordeling van de gelijkwaardigheid spelen de scenario's en de doelen die zijn weergegeven in hoofdstuk 4 en hoofdstuk 6 van deze PGS-richtlijn, daarom een belangrijke rol.

Naast een beoordeling op gelijkwaardigheid in het kader van de omgevingsveiligheid kan voor een bepaalde maatregel ook een beoordeling nodig zijn op gelijkwaardigheid voor arbeidsveiligheid of brand- en rampenbestrijding. Dit is het geval als naast de Omgevingswet ( Omgevingsveiligheid of Brandpreventie) ook de Arbeidsomstandighedenwetgeving (Arbeidsveiligheid) of de Wet veiligheidsregio's (Rampenbestrijding) de wettelijke grondslag is voor de maatregel. Paragraaf 5.3 geeft uitleg over gelijkwaardigheid in het kader van de Arbeidsomstandighedenwet.

Maatwerk in Bal

Het Besluit activiteiten leefomgeving biedt ruime mogelijkheden voor maatwerk. Hierdoor is het mogelijk om in specifieke gevallen onnodige belemmeringen voor het uitvoeren van activiteiten weg te nemen. Dit biedt een initiatiefnemer bijvoorbeeld kansen voor innovatieve activiteiten. Maatwerk kan in specifieke gevallen ook nodig zijn voor bescherming van de fysieke leefomgeving, bijvoorbeeld als aanvullende maatregelen nodig zijn om significante verontreiniging tegen te gaan of om aan omgevingswaarden te voldoen. Dat mogelijkheid tot maatwerk ruim wordt geboden, betekent niet dat maatwerk breed moet worden toegepast. Uiteraard is maatwerk geen vrijbrief voor het naar eigen inzicht aanpassen van de regels. Zo is maatwerk uitdrukkelijk niet bedoeld om zonder aanleiding af te wijken van de in algemene regels geformuleerde preventieve en technische maatregelen. Maatwerk moet steeds adequaat worden gemotiveerd, en het toepassen van maatwerk is voorzien van rechtsbescherming.

Richtingaanwijzer Bal en PGS-richtlijn

In artikel 3.24 van het Bal is het opslaan in een opslagtank met een inhoud van meer dan 250 l of een tankcontainer met een inhoud van meer dan 250 l of verpakking die als opslagtank wordt gebruikt en die een inhoud heeft van meer dan 250 l van de ADR klassen 3, 4.2, 4.3, 5.1, 5.2, 6.1, 8 en 9, die het aquatisch milieu verontreinigen, alsmede acuut toxische stoffen, categorie 1, 2 of 3, en oliën en vetten of pekel aangewezen als een milieubelastende activiteit.

Voor deze milieubelastende activiteit is op grond van artikel 3.25 van het BAL een omgevingsvergunning milieubelastende activiteit nodig, indien het betreft de opslag van vloeibare gevaarlijke stoffen van de ADR klassen 4.2, 4.3, 5.2, 6.1, 8 VP I en van de gevarenklasse acute toxiciteit, categorie 1, 2 of 3 zoals bedoeld in bijlage I, deel 3, van de CLP-verordening. Uitgezonderd van de vergunningplicht is de opslag van in een ondergrondse opslagtank. Ook is een omgevingsvergunning milieubelastende activiteit nodig, indien het betreft de opslag van vloeibare gevaarlijke stoffen van ADR klasse 3 in een opslagtank of wisselvat met een inhoud van meer dan 150 m3. Indien een omgevingsvergunning milieubelastende activiteit vereist is worden de maatregelen uit deze PGS als voorschrift in de omgevingsvergunning milieubelastende activiteit opgenomen.

In artikel 3.26 van het BAL zijn gevallen benoemd waarbij de opslag aan algemene regels moet voldoen. Dit betreft de opslag in een opslagtank of wisselvat met een inhoud kleiner of gelijk aan 150 m3 van brandbare vloeistoffen van ADR klasse 3. De algemene regels zijn opgenomen in de paragrafen 4.93 en 4.96 van het BAL. In deze regels staat vermeld dat moet worden voldaan aan de PGS 31. Uitzondering is de opslag van brandbare vloeistoffen van ADR klasse 3, die als acuut toxische stoffen, categorie 1, 2 of 3 zijn geclassificeerd. Deze opslag is vergunningplichtig.

In artikel 3.26 van het BAL zijn ook gevallen benoemd waarbij de opslag aan algemene regels moet voldoen, maar waarin niet staat vermeld dat aan de PGS 31 moet worden voldaan. Dit betreft de opslag in een opslagtank of wisselvat met een inhoud kleiner of gelijk aan 150 m3 van vloeistoffen van de ADR klassen 5.1, 8, VP II en III en 9 die het aquatisch milieu verontreinigen, alsmede olien of vetten die niet van ADR klasse 3 zijn of pekel. Deze algemene regels staan vermeld in de paragrafen 4.94, 4.94 en 4.97 van het BAL.

Omgevingsveiligheid/Bal:

Om aan artikel [3.26] van het Bal te voldoen treft degene die de activiteit verricht de volgende maatregelen:

Alle maatregelen waar bijstaat:Omgevingsveiligheid of Brandpreventie

5.2.3Externe veiligheidsafstanden Normatief

Een externe veiligheidsafstand zorgt voor bescherming van gebouwen en locaties waar mensen gedurende een periode verblijven. Het gaat om gebouwen en plekken buiten de begrenzing van de locatie van de activiteit.

Voor het opslaan van brandbare vloeistoffen anders dan diesel in bovengrondse en ondergrondse opslagtanks zijn de veiligheidsafstanden opgenomen in de paragrafen 4.93 en 4.96 van het Besluit activiteiten leefomgeving.

Het bevoegd gezag neemt deze afstanden in acht bij het verlenen van de omgevingsvergunningen en bij het opstellen van omgevingsplannen.

5.2.4Omgevingsplan Normatief

Het omgevingsplan bevat alle regels over de fysieke leefomgeving die de gemeente stelt binnen haar grondgebied.

De gemeente kan bijvoorbeeld regels stellen ten aanzien van bluswatervoorzieningen, bereikbaarheid van hulpdiensten en opstelplaatsen voor de brandweer. Activiteiten met gevaarlijke stoffen kunnen van invloed zijn op deze maatregelen en een PGS-richtlijn kan invulling geven aan die maatregelen.

Het gaat dan om maatregelen die in Hoofdstuk 7 zijn opgenomen met het belang van de omgevingsveiligheid als oogmerk. Deze zijn herkenbaar aan de markeringen Brandpreventie.

5.3Arbeidsveiligheid Normatief

In de Arbeidsomstandighedenwet staan verplichtingen met het oog op de veiligheid en gezondheid van werknemers. Voor bedrijven waar wordt gewerkt met gevaarlijke stoffen, zijn het voorkomen van ongevallen met die stoffen en het beperken van de gevolgen daarvan voor werknemers belangrijke doelen. Een ander belangrijk doel is het voorkomen van acute blootstelling aan gevaarlijke stoffen bij werknemers.

In het Arbeidsomstandighedenbesluit, een verdere uitwerking van de doelvoorschriften in de Arbeidsomstandighedenwet, staan nadere regels waaraan zowel werkgever als werknemer zich moet houden om arbeidsrisico's tegen te gaan. De Arbeidsomstandighedenwet en het Arbeidsomstandighedenbesluit geven in sommige artikelen de minister van SZW de bevoegdheid om nadere regels te stellen. Deze zijn uitgewerkt in de Arbeidsomstandighedenregeling. Deze regeling geeft dus nadere uitleg voor bepaalde onderwerpen uit de Arbeidsomstandighedenwet en het Arbeidsomstandighedenbesluit maar behoort ook tot de reguliere wetgeving. Een bedrijf kan dus te maken hebben met de Arbeidsomstandighedenwet, het Arbeidsomstandighedenbesluit en de Arbeidsomstandighedenregeling.

De overheid geeft via de Arbeidsomstandighedenwet een wettelijk kader met zo min mogelijk regels en administratieve lasten. Werkgevers en werknemers kunnen samen afspraken maken over hoe zij kunnen voldoen aan de voorschriften die de overheid stelt. Deze afspraken kunnen worden vastgelegd in een arbocatalogus. Een arbocatalogus is van kracht voor een bedrijfstak. Deze catalogus beschrijft technieken en manieren, goede praktijken, normen en praktische handleidingen voor veilig en gezond werken.

Daarnaast spelen de PGS-richtlijnen een belangrijke rol bij het bepalen of werkgevers aan hun wettelijke verplichtingen voldoen. De Nederlandse Arbeidsinspectie (NLA) betrekt de PGS-richtlijnen bij het toezicht op de naleving van de wettelijke voorschriften en de handhaving daarvan. De NLA gebruikt de PGS-richtlijnen bij het toezicht op de naleving.

De maatregelen met het oog op arbeidsveiligheid zijn te herkennen aan Arbeidsveiligheid.

De NLA bindt zich in haar toezicht op de onderdelen van de PGS-richtlijn die de NLA in haar zienswijze aanvaardt. Waar de zienswijze van de NLA afwijkt van voorgenomen publicatie, wordt die zienswijze in zijn geheel en in een bijlage opgenomen in de PGS-richtlijn.

Een vanuit arbeidsomstandigheden gezien gelijkwaardige maatregel kan eveneens worden toegepast indien deze voldoet aan de criteria uit Hoofdstuk 8. Eventueel kan de NLA maatregelen uit een PGS-richtlijn via een eis tot naleving verplicht stellen. Deze bevoegdheid staat in artikel 27 van de Arbeidsomstandighedenwet.

De maatregelen met het oog op arbeidsveiligheid zijn te herkennen aan Arbeidsveiligheid.

Gelijkwaardige maatregelen

In Hoofdstuk 8 staan de criteria beschreven voor gelijkwaardige maatregelen vanuit arbeidsomstandigheden gezien.

5.4Brand- en rampenbestrijding Normatief

De veiligheidsregio's hebben de taak om gemeenten te adviseren over branden, rampen en crises. Dit staat in artikel 10 van de Wet veiligheidsregio's (Wvr).

De brandweer is een onderdeel van de veiligheidsregio. De taken van de brandweer staan in artikel 25 van de Wvr. Dit zijn:

  • het voorkomen, beperken en bestrijden van brand;
  • het beperken van brandgevaar;
  • het voorkomen, beperken en bestrijden van ongevallen anders dan bij brand.

Daarnaast dragen de veiligheidsregio's zorg voor:

  • de voorbereiding op de bestrijding van branden, rampen en crises;
  • het organiseren van de rampenbestrijding;
  • het adviseren van andere overheden en organisaties op het gebied van brandpreventie, brandbestrijding en het voorkomen, beperken en bestrijden van ongevallen met gevaarlijke stoffen. Hiertoe hoort ook het adviseren van het bevoegd gezag Omgevingswet over voorschriften voor brand- en rampenbestrijding in omgevingsvergunningen.

Tot slot hebben de veiligheidsregio's een wettelijke taak tot het uitvoeren van inspecties bij Seveso-inrichtingen (artikel 13.17 van het Omgevingsbesluit en artikel 61 van de Wvr) en het opleggen van een bedrijfsbrandweeraanwijzing (artikel 31 van de Wvr).

Bij het uitvoeren van deze taken gebruiken de veiligheidsregio's PGS-richtlijnen. Brand- en rampenbestrijding omvat brandveiligheid, maar ook het ongecontroleerd vrijkomen van gevaarlijke stoffen die een bedreiging vormen voor de omgeving.

Algemene (brand)veiligheidseisen voor bouwwerken zijn geen onderdeel van PGS-richtlijnen maar volgen uit het Besluit bouwwerken leefomgeving (Bbl). De maatregelen die zijn gericht op brandpreventie en brandbestrijding op grond van de Omgevingswet, zijn aangeduid met Brandpreventie.

De maatregelen die zijn gesteld in het belang van de brand- en rampenbestrijding op grond van de Wvr, zijn aangeduid met Rampenbestrijding.

Wet veiligheidsregio's

Om aan de Wet veiligheidsregio's te voldoen moet in elk geval worden voldaan aan de volgende maatregelen:

Alle maatregelen waar bijstaat: Rampenbestrijding

6Doelen Normatief

6.1Inleiding Normatief

In dit hoofdstuk zijn de doelen beschreven die relevant zijn voor het veilig opslaan van overige gevaarlijke vloeistoffen in ondergrondse en bovengrondse tankinstallaties. Met deze doelen is beoogd het risico zo veel mogelijk te beperken.

Bij elk doel staat met welke maatregelen aan het doel kan worden voldaan. Hierbij is het onderwerp van de maatregel vermeld. De volledige maatregel is beschreven in Hoofdstuk 7.

Elk doel is herkenbaar aan een paars kader en heeft een uniek nummer. Bij de maatregelen in Hoofdstuk 7 is steeds vermeld aan welke doelen de maatregel invulling geeft.

6.2Doelen Normatief

7Maatregelen Normatief

7.1Inleiding bij de maatregelen Normatief

Dit hoofdstuk bevat de verschillende preventieve en repressieve maatregelen die invulling geven aan de doelen zoals opgenomen in Hoofdstuk 6. Dit kunnen bouwkundige, (installatie)technische en organisatorische maatregelen zijn. Als deze maatregelen zijn getroffen, wordt in elk geval aan de gestelde doelen voldaan.

Elke maatregel heeft een nummer en een onderwerp. Het nummer en onderwerp komen overeen met de aanduiding van de maatregel bij de doelen in Hoofdstuk 6.

Bij elke maatregel is met de markeringen Omgevingsveiligheid, Brandpreventie, Arbeidsveiligheid of Rampenbestrijding aangegeven wat de wettelijke basis is.

Omgevingsveiligheid Maatregel gericht op omgevingsveiligheid met een grondslag in de Omgevingswet

Brandpreventie Maatregel gericht op brandpreventie en brandbestrijding met een grondslag in de Omgevingswet (adviesrol Veiligheidsregio/brandweer)

Arbeidsveiligheid Maatregel gericht op arbeidsveiligheid met een grondslag in de Arbeidsomstandighedenwet

Rampenbestrijding Maatregel gericht op brand- en rampenbestrijding met een grondslag in de Wet veiligheidsregio's

De maatregelen staan in een blauw kader, tenzij een maatregel vergelijkbaar is met direct geldende eisen uit andere wetgeving, deze zijn herkenbaar aan een oranje kader. Deze maatregelen hebben de letters 'MW' voor het nummer. Onder deze maatregelen staat een referentie naar de wettelijke bepaling bij de desbetreffende maatregel.

Per maatregel is aangegeven voor welke situatie deze van type is. Dit kan zijn op basis van type tank (boven-, ondergrondse of ingeterpte tank), type installatiedeel en /of type stof.

Voor situaties waarin wordt gewerkt met gevaarlijke stoffen geldt, los van de maatregelen zoals beschreven in deze PGS, een aantal verplichtingen uit de arbo-wetgeving (Bijlage E).

Interne veiligheidsafstanden

In de PGS-richtlijnen kunnen minimumafstanden opgenomen zijn, bedoeld om escalatie van een voorzienbaar incident in of nabij een PGS voorziening naar een ander installatieonderdeel, bouwwerken, opslagen en mensen niet zijnde werkenden (domino-effect) te voorkomen of te beperken. Deze minimumafstanden zijn niet hetzelfde als de afstanden die betrekking hebben op de gezondheid en veiligheid van werkenden in het kader van brand- en explosieveiligheid als bepaald in onder meer paragraaf 2a van het Arbeidsomstandighedenbesluit (ATEX). Die afstanden zijn onderdeel van het explosieveiligheidsdocument en zijn bijvoorbeeld afhankelijk van de zonering en mogelijke andere aanwezige stoffen. De arbeidsomstandighedenwetgeving gaat bij de berekening van de afstanden uit van worstcasescenario en -situatie waardoor de interne veiligheidsafstanden groter kunnen zijn dan diegene in de PGS-richtlijn.

7.1.1Specifieke incidentscenario's Normatief

Binnen de scope van de PGS 31 vallen een groot aantal verschillende stoffen (Paragraaf 1.2, Tabel 1, Tabel 2) in diverse type opslaginstallaties (Paragraaf 2.2) bovengronds, ondergronds, ingeterpt, inpandig, uitpanding, etc.). Voor het bepalen van de maatregelen is een gedifferentieerde benadering toegepast waarbij voor alle opslagsituaties een generieke set van maatregelen is opgesteld die van toepassing is op alle type tankinstallaties en alle vloeistoffen vallende onder deze PGS. Dit betreft met name maatregelen over de integriteit van de tank, en generieke eisen en voorzieningen zoals bijvoorbeeld bereikbaarheid en noodplan.

Voor specifieke incidentscenario's is bepaald waar aanvullende maatregelen noodzakelijk zijn op basis van het type stof of type tankinstallatie. Door aan te sluiten bij de basis brandweer inzet die de overheidsbrandweer in specifieke incidentscenario's kan leveren, zie ook Bijlage F, zijn maatregelen bepaald die proportioneel zijn aan het risico en waar aanvullende voorzieningen nodig zijn voor de tankinstallatie.

De specifieke incidentscenario's in de volgende paragraaf kunnen de inzet van de (overheids-)brandweer vereisen.

7.1.1.1Vrijkomen gevaarlijke damp Normatief

Bij het vrijkomen van een product (S18) moet voorkomen worden dat personen en omgeving blootgesteld worden aan het vrijgekomen (acuut) toxische product. Hiervoor moeten de volgende aanvullende maatregelen genomen worden conform M132.

7.1.1.2Overdruk / Hoge temperatuur - Externe brand Normatief

Bij brand in de omgeving van de tank (S7), dient voorkomen te worden dat de opslagtank of ondersteuningsconstructie bezwijkt door een te hoge temperatuur.

Voor opslagtanks is het uitgangspunt dat de opslagtank zélf niet binnen 30 minuten zal bezwijken bij een warmtestralingsbelasing van meer dan 10 kW/m2 (of 3 kW/m2 bij een kunststof tank), aangezien de tank in staat is om een groot deel van de warmtestralingsbelasting af te geven aan het opgeslagen product. Tenzij is aangetoond dat de warmtestralingsbelasting niet langer dan 30 minuten aanhoudt (of 60 minuten bij een dubbelwandige tank), moeten aanvullende maatregelen genomen worden conform M18.

Het uitgangspunt is dat indien een stalen ondersteuningsconstructie wordt aangestraald met een warmtestralingsbelasting van meer dan 10 kW/m², deze binnen 30 minuten zal bezwijken. Voor kunststof ondersteuningsconstructies geldt dit voor een stralingsbelasting van meer dan 3 kW/m². Om te voorkomen dat de ondersteuningsconstructie bezwijkt moeten aanvullende maatregelen genomen worden conform M27.

7.1.1.3Tankbrand Normatief

Wanneer door een statische ontlading of door een brand in de omgeving van de tank een tankbrand scenario (S19) kan ontstaan moeten aanvullende maatregelen genomen worden conform M136.

7.1.1.4Brand in de opvangvoorziening Normatief

Bij een brand in de opvangvoorziening (S19) moet voorkomen worden dat de brand overslaat naar omliggende installatiedelen en objecten (S20) die kunnen leiden tot ontoelaatbare escalatie. Hiervoor moeten maatregelen genomen worden conform M140.

7.1.1.5Brand tijdens manipulatie - laad-/losplaats en pompplaats Normatief

Bij een brand op de laad-/losplaats en op locaties waar verpomping plaatsvindt moet voorkomen worden dat de brand overslaat naar omliggende installatiedelen en objecten die kunnen leiden tot ontoelaatbare escalatie.

Hiervoor moeten de volgende aanvullende maatregelen genomen worden:

  • Pompen buiten de opvangvoorziening (M51).
  • Dubbel seal-seal pompen (M17) of (semi-)stationaire blusvoorziening (M141).
  • Gas- en/of branddetectie (M46).
  • Mobiele blussing door (overheids-)brandweer (M142).

7.2Explosieve atmosferen Normatief

Wanneer de kans bestaat dat er een explosieve atmosfeer ontstaat, dan zijn er twee vormen van direct werkende wetgeving van toepassing. Enerzijds zijn er de verplichtingen voor de werkgever die voortvloeien uit het Arbeidsomstandighedenbesluit. Anderzijds zijn er de verplichtingen voor de fabrikant van explosieveilige apparatuur die voortvloeien uit het Warenwetbesluit explosieveilig materieel 2016.

Hieronder wordt een nadere toelichting gegeven op deze besluiten. De verplichtingen vanuit deze besluiten zijn niet in deze PGS opgenomen.

De Nederlandse Arbeidsinspectie is toezichthouder op de naleving van beide besluiten.

Meer informatie is te vinden in de volgende documenten:

  • Atex 2014/34/EU Guidelines, 3rd edition - May 2020;
  • Niet-bindende praktijkgids met het oog op de tenuitvoerlegging van Richtlijn 1999/92/EG – april 2005;
  • Richtlijn voor uitvoering van productvoorschriften van de EU (de Blauwe Gids) – 2016.
Verplichtingen werkgever

Wanneer er binnen een bedrijf brandbare stoffen (gassen, vloeistoffen en vaste stoffen) aanwezig zijn, dan bestaat het gevaar op explosie. Werknemers moeten worden beschermd tegen dit gevaar.

Het Arbeidsomstandighedenbesluit heeft daartoe verplichtingen opgenomen waar de werkgever invulling aan moet geven. DHet doel van deze verplichtingen is:

  • het ontstaan van explosieve atmosferen zo veel mogelijk te voorkomen;
  • de ontsteking van explosieve atmosferen te vermijden;
  • de schadelijke gevolgen van een explosie te beperken.

De verplichtingen waar de werkgever invulling aan moet geven, worden beschreven in hoofdstuk 3 'Inrichting arbeidsplaatsen', paragraaf 2a; artikel 3.5a t/m 3.5f van het Arbeidsomstandighedenbesluit. Samengevat betreft dit de volgende verplichtingen:

  • het inventariseren en beoordelen van explosierisico's (risico-inventarisatie en -evaluatie);
  • het indelen van gebieden waar explosieve atmosferen kunnen voorkomen in gevarenzones;
  • het nemen van zowel technische als organisatorische maatregelen in gevarenzones;
  • het informeren van medewerkers;
  • het vastleggen van bovenstaande in een explosieveiligheidsdocument.

Met het opnemen van deze verplichtingen in het Arbeidsomstandighedenbesluit is de Europese richtlijn 1999/92/EG in de Nederlandse wetgeving opgenomen.

Informatieve aanwijzingen voor het opstellen van een gevarenzone-indeling staan beschreven in NPR 7910-1:2020+C1:2021 voor gasexplosiegevaar en NPR 7910-2:2020+C1:2021 voor stofexplosiegevaar.

Aanvullende informatie over het opstellen van een explosieveiligheidsdocument en hoe een werkgever moet omgaan met explosieveiligheid, zijn te vinden via het arboportaal..

Explosieveilige apparatuur

De in de voorgaande paragraaf genoemde gevarenzone-indeling kent een indeling naar zones overeenkomstig Tabel 3.

Tabel 3Gevarenzone-indeling

Aanwezigheid van explosieve atmosfeer

Voortdurend of gedurende lange periode

Af en toe

Zelden en gedurende korte periode
Gas (als brandbaar medium)

Zone 0

Zone 1

Zone 2

Stof (als brandbaar medium)

Zone 20

Zone 21

Zone 22

Wanneer er sprake is van een gevarenzone, dan moet de apparatuur die wordt geplaatst binnen deze zone, geschikt zijn overeenkomstig het Warenwetbesluit explosieveilig materieel 2016 volgens het volgende principe:

  • Zone 0/ 20 – categorie 1-apparatuur;
  • Zone 1/ 21 – categorie 1 of categorie 2-apparatuur;
  • Zone 2/ 22 – categorie 1- of categorie 2 of categorie 3-apparatuur.

De fabrikant van de apparatuur geeft aan in zijn EU-conformiteitsverklaring tot welke categorie de desbetreffende apparatuur hoort en wat het beoogde gebruik ervan is. Deze EU-conformiteitsverklaring is een verplichting voor fabrikanten en komt voort uit de Europese productrichtlijn 2014/34/EU. Deze richtlijn heeft betrekking op de technische integriteit en bevat doelvoorschriften voor apparatuur en beveiligingssystemen die worden gebruikt op plaatsen met explosiegevaar.

In Nederland is de productrichtlijn 2014/34/EU geïmplementeerd in het Warenwetbesluit explosieveilig materieel 2016.

Aandachtspunten bij installaties voor de opslag van ADR-Klasse 3 vloeistoffen in ondergrondse of bovengrondse tankinstallaties

Als er ADR-Klasse 3 vloeistoffen/mengsels vrijkomen, kan er zich een explosieve atmosfeer vormen. De installatie zal zich hierdoor geheel of gedeeltelijk in haar eigen gevarenzone bevinden. De gevarenzone zal zich waarschijnlijk uitstrekken tot buiten de installatie.

Het is voor de werkgever van belang om informatie te hebben over de omvang en de klasse van de gevarenzone die door de installatie (of onderdelen daarvan) wordt (worden) gecreëerd. De werkgever moet vervolgens conform het Arbeidsomstandighedenbesluit passende maatregelen nemen ter bescherming van de werknemers. Deze informatie die de werkgever nodig heeft moet worden geleverd door de leverancier van de installatie. De leverancier beschikt over de informatie omtrent temperaturen, drukken en technische specificaties van onderdelen die van belang zijn bij het bepalen van de gevarenzones. De vorm waarin de informatie wordt geleverd (bijvoorbeeld een complete zoneringstekening), moet worden afgestemd tussen de eindgebruiker/werkgever en de leverancier.

Apparaten die onderdeel zijn van de installatie, moeten door de leverancier van de installatie worden geselecteerd op geschiktheid voor toepassing in een gevarenzone.

Wanneer het samenstel op locatie wordt samengebouwd (installatie), dan valt het geheel buiten het toepassingsbereik van de Europese productrichtlijn 2014/34/EU.

Wordt het samenstel geleverd als een kant-en-klaar-product, dan valt dit product wel onder de Europese productrichtlijn 2014/34/EU en moet de fabrikant overeenstemming met deze richtlijn aantonen. De fabrikant moet instructies verstrekken voor het installeren, gebruik, onderhoud, enz. van het samenstel.

Wijzigingen aan bestaande installatie

Indien aan een bestaande installatie wijzigingen worden doorgevoerd, dan zal opnieuw moeten worden vastgesteld in hoeverre de wijzigingen van invloed zijn op het ontstaan van een explosieve atmosfeer. Indien dit het geval is, zullen maatregelen ter voorkoming van ontsteking en bescherming van werknemers opnieuw moeten worden overwogen.

Bij substantiële wijzigingen aan explosieve atmosfeer-gecertificeerde apparatuur zal opnieuw overeenstemming met de 2014/34/EU-richtlijn, volgens de daarvoor geldende procedures, moeten worden vastgesteld. Dit geldt ook wanneer de eindgebruiker wijzigingen aanbrengt. De eindgebruiker wordt in dat geval beschouwd als fabrikant.

Wijzigingen aan een bestaande installatie kunnen bestaan uit:

  • het vervangen van onderdelen (als gevolg van slijtage);
  • reparatie;
  • modificaties.

7.3Basisveiligheid Normatief

7.4Constructie en installatie van de tankinstallatie Normatief

In dit hoofdstuk worden de eisen beschreven die aan de constructie en installatie van opslagtanks en toebehoren worden gesteld.

De constructie-eisen die aan opslagtanks worden gesteld, zijn opgenomen in een aantal beoordelingsrichtlijnen (BRL's) die in overleg met de marktpartijen zijn opgesteld.

De belangrijkste, en eigenlijk allesomvattende BRL die voor dit soort installaties van toepassing is, is BRL-K903/BRL SIKB 7800 voor nieuwe installaties en AS SIKB 6800 voor inspectie.

Opmerking: In BRL-K903/BRL SIKB 7800 wordt aangegeven welke types tanks mogen worden toegepast en welke afzonderlijke BRL’s daarop van toepassing zijn.

7.4.1Inleiding Normatief

Aanvullende maatregelen op basis van type stof

7.4.2Tankontwerp en -constructie Normatief

Overvulbeveiliging
Aanvullende maatregelen op basis van type tank
Aanvullende maatregelen op basis van type stof

7.4.3Fundering en ondersteuning Normatief

Aanvullende maatregelen op basis van type tank
Aanvullende maatregelen op basis van type stof

7.4.4Kathodische bescherming stalen tankinstallatie of delen daarvan Normatief

Aanvullende maatregelen op basis van type tank

Het aanleggen van de kathodische bescherming valt onder het installatiecertificaat op grond van BRL-K903/BRL SIKB 7800.

7.5Terreininrichting Normatief

7.5.1Algemene eisen Normatief

Aanvullende maatregelen op basis van type tank

7.5.2Veiligheidsafstanden, brandwerendheid Normatief

Aanvullende maatregelen op basis van type tank
Aanvullende maatregelen op basis van type stof

Tabel 4Warmtestralingscontouren tankbrand vlakke bodem tanks

Afstand tot tankrand (m)a, b

Oppervlakte (m²)

(m)

3 kW/m2

10kW/m2

15 kW/m2

32 kW/m2

0,79

1

2.5

-

-

-

1,77

1,5

4,3

3,3

-

-

3,14

2

6

4

4

-

4,91

2,5

6,8

4,8

4,8

-

7,07

3

8,5

5,5

5,5

-

9,62

3,5

9,3

6,3

6,3

4,3

12,56

4

10,7

7,5

6,6

4,8

15,90

4,5

11,9

8,2

7,2

5

19,63

5

13,5

8,5

7,5

5,5

Uitgangspunten:

  • Product n-Hexaan
  • Wind snelheid 5m/s
  • Tankrand 0,1 m boven vloeistof
  • Vloeistof temperatuur 9°C
  • Gemiddelde temperatuur 11°C
  • Ontvangende hoogte 1,5 m t.o.v. vloeistofniveau

a deze contour is aanwezig op de top van de tank, zie ook Afbeelding 10 voor een tank met een diameter van 5m.

Afbeelding 10Voorbeeld zijaanzicht tank ( Ø5m)

7.5.3Opvangvoorzieningen bovengrondse tanks Normatief

Afbeelding 11Voorbeeld van een opslagtank met alternatieve opvangvoorziening

Aanvullende maatregelen op basis van type stof

7.5.4Vul-, aftap- en monsterafnamepunten Normatief

Aanvullende maatregelen op basis van type stof

7.6De tankinstallatie in bedrijf Normatief

In dit hoofdstuk zijn de maatregelen opgenomen die gericht zijn op het gebruik van bovengrondse en ondergrondse tankinstallaties. Hieronder wordt onder andere verstaan het vullen van de opslagtank, de opslag in de opslagtank en het afleveren uit de opslagtank van vloeibare gevaarlijke stoffen.

7.6.1Inleiding Normatief

Aanvullende maatregelen op basis van type tank

7.6.2Laden en lossen Normatief

Opmerking: deze paragraaf is opgesteld vanuit het gezichtspunt van de eigenaar van de opslagtank, hierdoor kan de terminologie afwijken van die in het ADR.

Afhankelijk van de opgeslagen gevaarlijke vloeistoffen en de constructiewijze van de opslagtank zijn er verschillende manieren om een opslagtank vanuit een transportmiddel te vullen.

Voor deze paragraaf zijn de deskundigheid van de vervoerder en de geadresseerde van belang.

Als de opstelling van de opslagtank lager is dan het niveau van het transportmiddel, kan het lossen onder vrije val plaatsvinden (bijvoorbeeld bij een ondergrondse opslagtank).

Als de opslagtank op hetzelfde niveau of hoger dan het transportmiddel is geplaatst, kan het transportmiddel worden gelost met een pomp. De constructie van de tankinstallatie en het type pomp zijn afhankelijk van de te verpompen gevaarlijke vloeistoffen. In voorkomende gevallen kan worden gebruikgemaakt van de pomp van het leverende transportmiddel.

Als er geen gebruik wordt gemaakt van een pomp, dan moet het product uit de tank van het transportmiddel worden gedrukt. Bij de constructie van de opslagtank moet hiermee rekening worden gehouden. In voorkomende gevallen kan worden gebruikgemaakt van de pomp of compressor van het leverende transportmiddel. De keuze voor lucht of stikstof of een ander gas is volledig afhankelijk van de gevaarlijke vloeistoffen die moeten worden gedrukt.

Bij het vullen van opslagtanks zal de lucht uit die tanks ontwijken, met (in principe) in die lucht de maximale dampspanning van de opgeslagen stof. Indien deze damp zeer zorgwekkende stoffen bevat, moet voldaan worden aan de regels uit paragraaf 5.4.3 van het Bal. Verder moet worden voldaan aan wat hierover in de omgevingsvergunning of in een maatwerkvoorschrift of maatwerkregel is gesteld. Het bevoegd gezag maakt bij het vaststellen hiervan een beoordeling op basis van de best beschikbare technieken (BBT). Voorgeschreven maatregelen kunnen bestaan uit specifieke maatregelen voor diffuse emissies of het toepassen van nageschakelde technieken. Nageschakelde technieken komen niet vaak voor bij tankopslag in kleinere tanks, zeker niet bij niet-vluchtige en niet-giftige stoffen.

Aanvullende maatregelen op basis van type stof

7.7Wisselvaten Normatief

7.7.1Inleiding Normatief

In deze paragraaf zijn richtlijnen opgesteld voor het veilig gebruik van wisselvaten (zoals IBC’s en tankcontainers) die als tijdelijke opslag worden ingezet.

Een wisselvat is vaak primair bedoeld als transportverpakking en is dus als zodanig omschreven in de vervoerswetgeving (ADR/RID/ADN/IMDG). Constructie en keuringseisen plus geschiktheid voor het product zijn ook in deze wetgeving geregeld. Een IBC of andere verpakking die als verpakking bij een afnemer wordt afgeleverd, moet worden opgeslagen volgens de richtlijnen uit PGS 15.

Een andere vorm van een wisselvat is het gebruik van een tankcontainer of een transporttank. Deze hebben een minimuminhoud van 0,45 m3. De standaard inhoud is 20 m3. Deze containers zijn ook bekend onder de naam ‘iso-containers’. Kleinere tankcontainers/transporttanks zijn ook bekend onder de naam ‘SBC’ (semi-bulkcontainer) en hebben een inhoud van 0,45 m3 tot 3 m3. Al deze containers en tanks zijn transportmiddelen en als zodanig vastgelegd in de vervoerswetgeving. Constructie en keuringseisen zijn daar geregeld.

Als een wisselvat dusdanig aan een installatie is gekoppeld dat er vaste verbindingen zijn gemaakt met het doel het wisselvat niet meer te verplaatsen, dan valt deze onder de werkingssfeer van deze richtlijn. Bij het tijdelijk plaatsen van een wisselvat wegens onderhoud of reparatie van de reguliere opslagtank moeten hiervoor in overleg met het bevoegd gezag tijdelijke maatregelen worden opgesteld.

Aanvullende maatregelen op basis van type stof

7.7.2Gebruik wisselvaten aangesloten op de installatie Normatief

Aanvullende maatregelen op basis van type stof

7.7.3Inspectie, keuring en onderhoud wisselvaten Normatief

Inspectie, keuring en onderhoud van de installatie vallen onder Paragraaf 7.8 van deze richtlijn, de volgende maatregelen zijn uitzonderingen op dat hoofdstuk.

7.8Keuring, controle, onderhoud, registratie en documentatie Normatief

7.8.1Inleiding Normatief

In deze paragraaf zijn de maatregelen opgenomen met betrekking tot de periodieke keuring en controle, het onderhoud en de benodigde registratiedocumentatie hiervan. Hierbij wordt ingegaan op bovengrondse en ondergrondse tankinstallaties, de kathodische bescherming van ondergrondse installatiedelen, lekdetectiesystemen en vloeistofdichte voorzieningen.

7.8.2Installatiecertificaat Normatief

In BRL-K903/BRL SIKB 7800 zijn eisen opgenomen voor het installeren van de tankinstallatie. Dit betreft onder andere eisen voor de:

  • plaatsing van de opslagtanks;
  • aanleg van de leidingen;
  • aanleg van de vulpunten;
  • aanleg van de kathodische bescherming;
  • dampretoursystemen Stage I en Stage II;
  • periodieke- of intredekeuringen conform deelgebied 15 of 16.

Een installatiecertificaat is het bewijs dat de installatie voldoet aan de daarin genoemde keuringseisen.

7.8.3Periodieke keuring tankinstallaties Normatief

7.8.4Controle aardingen en lekdetectiesystemen Normatief

Aanvullende maatregelen op basis van type stof

7.8.5Registratie en documentatie Normatief

7.8.6Het reinigen van de opslagtank Normatief

7.8.7Buiten gebruik stellen opslagtank Normatief

7.9Veiligheids- en beheersmaatregelen Normatief

7.9.1Inleiding Normatief

In deze paragraaf zijn de maatregelen opgenomen over de additionele veiligheidseisen. De eisen zijn geordend naar de primaire veiligheidsgebieden van arbeidsveiligheid (zoals gevaarsaspecten van gevaarlijke vloeistoffen, de indeling van waar de activiteit plaatsvindt en de mechanische beveiliging), brandveiligheid (zoals veiligheidsafstanden en maatregelen die zijn gericht op het voorkomen en beperken van brand- en explosiegevaar) en milieuveiligheid (zoals bij het vrijkomen van gevaarlijke vloeistoffen). Deze maatregelen gelden bovenop de algemene installatie-eisen, gebruikseisen en onderhoudseisen. De maatregelen zijn ook van toepassing op tijdelijke niet-stationaire opslaginstallaties en afleverinstallaties zoals bedoeld in Paragraaf 7.7.

7.9.2Algemene veiligheidsvoorzieningen Normatief

Gezondheidsschade van werknemers door blootstelling aan gevaarlijke stoffen moet worden vermeden. Hiertoe moeten de bepalingen ten aanzien van gevaarlijke stoffen zoals deze zijn vastgelegd in de Arbeidsomstandighedenwet, in acht worden genomen.

Vanuit de Arbeidsomstandighedenwet en het -besluit zijn werkgevers verplicht om een RI&E uit te voeren teneinde te komen tot een veilige werkplek. Hierbij moet de in de Arboregelgeving voorgeschreven arbeidshygiënische strategie in acht worden genomen. Indien blijkt dat naast technische en organisatorische maatregelen ook nog persoonlijke beschermingsmiddelen (PBM) noodzakelijk zijn, dan moeten deze op de werkplek aanwezig zijn. Deze PBM moeten geëigend zijn voor de stoffen waarmee wordt gewerkt. Bron van informatie is hierbij onder andere het Veiligheidsinformatieblad (VIB). Werknemers zijn verplicht gebruik te maken van de voorgeschreven PBM. Steeds zal aan de hand van onder andere de productinformatiebladen en VIB-en moeten worden beoordeeld welke aanvullende PBM moeten worden gedragen.

Overige veiligheidsvoorzieningen die bij het werken met gevaarlijke vloeistoffen/mengsels noodzakelijk zijn, moeten in de nabijheid van de locatie waar de werkzaamheden worden uitgevoerd, voorhanden zijn. Voorbeelden hiervan zijn nooddouches, oogspoelvoorzieningen, blusmiddelen en eerstehulpmiddelen.

De voorgeschreven veiligheidsmaatregelen zijn grotendeels generiek van toepassing op alle categorieën gevaarlijke vloeistoffen. De gevaren die de afzonderlijke gevaarlijke vloeistoffen kunnen opleveren, lopen erg uiteen. Met deze verschillen moet rekening worden gehouden bij de opslag van gevaarlijke vloeistoffen.

Leidingmarkering bij (tijdelijke) opslag moet voldoen aan de Arbowetgeving.

Aanvullende maatregelen op basis van type stof

7.9.3Bereikbaarheid Normatief

7.9.4Maatregelen voor brandveiligheid Normatief

Aanvullende maatregelen op basis van type stof

7.9.5Beheers- en blusvoorzieningen binnen de inrichting Normatief

Het doel van de maatregelen in deze paragraaf is het beschrijven van maatregelen die moeten voorkomen dat er onacceptabele secundaire effecten optreden ten gevolge van blootstelling aan warmtestraling. Ten aanzien van de blootstelling aan warmtestraling bij een kortstondige inzet gedurende incidenten door operator en brandweerpersoneel kan worden gebruikgemaakt van het onderzoek Warmtestralingscontouren van het IFV (Maximum allowable exposure to different heat radiation levels van 25 april 2016).

Aanvullende maatregelen op basis van type stof

Tabel 5Warmtestralingscontouren plasbrand voor enkelwandige tanks(bij maatregelen M146, M147 en M148)

Afstand tot rand plasbrand (m)

Oppervlakte plas (m²)

Ø (m)

3 kW/m2

10 kW/m2

15 kW/m2

32 kW/m2

10

3,6

10,2

7,2

6,2

-

25

5,6

14,2

9,2

8,2

5,2

50

8

20

13

11

6

75

9,8

23,1

15,1

12,1

7,1

100

11,3

26,4

16,4

14,4

8,4

125

12,6

28,7

18,7

15,7

8.7

150

13,8

31,1

20,1

16,1

9,1

170

14,7

32,6

20,6

17,6

9,6

200

16

35

22

18

10

250

17,8

39,1

24,1

20,1

11,1

300

19,5

42,2

26,2

21,2

12,2

Uitgangspunten:

  • Product n-Hexaan
  • Wind snelheid 5m/s
  • Putrand 0,2 m boven plas
  • Hoogte vloeistofplas vanaf maaiveld 0,5 m
  • Vloeistof temperatuur 9°C
  • Gemiddelde temperatuur 11°C
  • Ontvangende hoogte 1,5 m

7.9.6Incidenten en calamiteiten (ongewone voorvallen) Normatief

Een voorbeeld van een ongewoon voorval bij de opslag en aflevering van gevaarlijke vloeistoffen is een morsing bij het vullen. Bij een calamiteit kan worden gedacht aan een brand of aan een fysieke beschadiging van de tankinstallatie die ertoe leidt dat de inhoud vrijkomt.

7.9.7Intern noodplan Normatief

Het intern noodplan is bij Seveso-inrichtingen vormgegeven volgens de Seveso-richtlijn (deels ook beschreven in PGS 6). De in deze paragraaf opgenomen maatregelen zijn daarom niet van toepassing voor Seveso-inrichtingen.

7.9.8Incidenten met gemorste gevaarlijke stoffen Normatief

8Gelijkwaardige maatregelen

Criteria voor het toepassen van gelijkwaardige maatregelen

Een gelijkwaardige maatregel is een alternatief voor een in een PGS-richtlijn beschreven maatregel. Als een bedrijf een alternatief wil toepassen voor een in Hoofdstuk 7 genoemde maatregel, dan is het van belang vooraf de volgende aspecten na te gaan:

  • Mag een alternatieve maatregel worden toegepast?
  • Voldoet het alternatief aan de criteria waaraan het wordt getoetst?
  • Welke formele stappen zijn nodig om een alternatief toe te kunnen passen?

Ook is het van belang alle gegevens goed te documenteren, omdat het bevoegd gezag of de toezichthouder moet kunnen beoordelen of de alternatieve maatregel gelijkwaardig is. Deze aspecten zijn hieronder nader toegelicht.

Mag een alternatieve maatregel worden toegepast?

Dat hangt af van de wettelijke grondslag van de maatregel. Dit is per maatregel aangeduid met:

  • Omgevingsveiligheid (Omgevingsveiligheid);
  • Brandpreventie (Brandpreventie omgevingsveiligheid);
  • Arbeidsveiligheid (Arbeidsveiligheid);
  • Rampenbestrijding (Brand- en rampenbestrijding).
De wettelijke grondslag is A (Arbeidsveiligheid)

Deze maatregel is beschreven vanuit de doelen van de Arbeidsomstandighedenwet. Een andere dan de beschreven maatregel is mogelijk zolang de wetgeving dit toelaat. De mogelijkheid tot het treffen van (alternatieve) gelijkwaardige maatregelen geldt alleen voor de maatregelen die een nadere uitwerking zijn van de doelvoorschriften in de arbeidsomstandighedenwetgeving. Die mogelijkheid is er in elk geval niet voor middelvoorschriften uit de arbeidsomstandighedenwetgeving en verplichtingen uit verordeningen, warenwetbesluiten en productrichtlijnen, zoals:

  • het verbod op het werken met bepaalde stoffen;
  • maatregelen in paragraaf 2a ‘Explosieve atmosferen’ van het Arbobesluit;
  • maatregelen/verplichtingen uit de Verordening persoonlijke beschermingsmiddelen, de Warenwetbesluiten drukapparatuur 2016, explosieveilig materieel 2016, Warenwetbesluit machines, enz.

In de PGS-reeks worden de Arbeidsveiligheid-maatregelen waarvan niet mag worden afgeweken, geplaatst in een oranje blok met oranje tekst (DWW-maatregel).

Gelijkwaardigheid wil zeggen dat de alternatieve maatregel de gezondheid en veiligheid van de werknemers op minimaal hetzelfde niveau beschermt. Zie hiervoor ook onderstaand kader met criteria voor de toetsing van de gelijkwaardigheid. De verantwoordelijkheid voor het onderbouwd aantonen van de gelijkwaardigheid van alternatieve maatregelen ligt bij het bedrijf. Dat vereist een zorgvuldige documentatie. Voorafgaande toestemming is niet nodig. Pas bij toezicht of ongevalsonderzoek wordt er door de Nederlandse Arbeidsinspectie getoetst.

Criteria Arbeidsveiligheid voor het toepassen van gelijkwaardige maatregelen

Bij de toetsing hanteert de Nederlandse Arbeidsinspectie een aantal criteria:

  • Vanuit arbeidsomstandigheden gezien is een alternatieve maatregel gelijkwaardig aan de PGS-maatregel als deze voldoet aan: 1) de stand van de wetenschap en professionele dienstverlening, ook wel de stand der techniek genoemd; 2) een onveranderde trede in de arbeidshygiënische strategie; 3) het uitgangspunt dat organisatorische maatregelen geen alternatief zijn voor technische maatregelen.
  • Een alternatieve maatregel is gelijkwaardig als de gezondheid en veiligheid van de werknemers minimaal op hetzelfde niveau beschermd zijn. Het is aan de werkgever om te bepalen welke maatregelen hij moet treffen om de werknemers te beschermen.
  • Gelijkwaardige maatregelen zijn een nadere uitwerking van de doelvoorschriften in de wetgeving. Voor middelvoorschriften en productrichtlijnen is het gelijkwaardigheidsprincipe niet van kracht. De beoordeling van gelijkwaardigheid van maatregelen ten behoeve van de gezondheid en veiligheid van werknemers is een taak en verantwoordelijkheid die alleen bij de Nederlandse Arbeidsinspectie ligt.
  • De Nederlandse Arbeidsinspectie beoordeelt de gelijkwaardigheid van maatregelen ten behoeve van de gezondheid en veiligheid van werknemers bij inspecties en ongevalsonderzoek in het kader van de naleving van de Arbeidsomstandighedenwet.
De wettelijke grondslag is O (Omgevingsveiligheid) of BO (Brandpreventie omgevingsveiligheid)

Deze maatregel is beschreven vanuit de doelen van de Omgevingswet. Een andere dan de beschreven maatregel is altijd mogelijk, mits deze alternatieve maatregel gelijkwaardig is. Bij de beoordeling geldt als criterium of er met het alternatief hetzelfde resultaat wordt bereikt. Dat resultaat is gekoppeld aan het doel uit deze PGS-richtlijn waarvoor de maatregel is beschreven. Het bedrijf moet de gelijkwaardigheid goed onderbouwd kunnen aantonen. Het bevoegd gezag heeft bij de toetsing een zekere beoordelingsvrijheid.

Wel moet het bedrijf de juiste procedure volgen. Dat betekent dat bij een vergunningplichtige activiteit de gelijkwaardigheid bij het bevoegd gezag vooraf moet worden aangetoond. Het resultaat van de beoordeling wordt vastgelegd in een beschikking. Bij een niet-vergunningplichtige activiteit moet het gebruiken van een gelijkwaardig alternatief vier weken vooraf worden gemeld bij het bevoegd gezag. Er volgt geen beoordeling vooraf, die komt pas bij het toezicht aan de orde. Het bedrijf moet op elk moment de gelijkwaardigheid goed onderbouwd kunnen aantonen met documentatie.

De wettelijke grondslag is zowel Arbeidsveiligheid als Omgevingsveiligheid/Brandpreventie omgevingsveiligheid

Als de wettelijke grondslag voor een maatregel zowel Arbeidsveiligheid als Omgevingsveiligheid/ Brandpreventie is, dan gelden alle genoemde criteria en formele eisen. Elk bevoegd gezag beoordeelt alleen op grond van de doelen die voor zijn wetgevingsgebied gelden.

Het documenteren van de gelijkwaardigheid van een alternatieve maatregel Het goed onderbouwen en documenteren van de gelijkwaardigheid van een alternatieve maatregel is van belang. De wijze waarop een bedrijf dat kan doen, is afhankelijk van de specifieke omstandigheden en de aard van de maatregel. Aandachtspunten zijn in elk geval de volgende vragen:

  • Voor welke maatregel uit deze PGS is de voorgestelde maatregel een alternatief?
  • Op welke scenario’s en doelen heeft de alternatieve maatregel betrekking?
  • Kan worden aangetoond dat de alternatieve maatregel in dezelfde mate de doelen uit deze PGS- richtlijn bereikt en het optreden van scenario’s voorkomt of beperkt?
  • Wat is de mogelijke samenhang en het effect daarvan tussen de alternatieve maatregel en andere maatregelen uit deze PGS-richtlijn?
  • Is er een zorgvuldige onderbouwing dat aan de criteria voor de arbeidsveiligheid (zie kader) is voldaan?
  • ijn alle onderzoeksrapporten, bevindingen, installatiegegevens, enz. die betrekking hebben op de gelijkwaardige alternatieve maatregel, goed gedocumenteerd?

Bijlage AAfkortingen en begrippen Normatief

Deze bijlage bevat een lijst met afkortingen en begrippen die in deze PGS-richtlijn voorkomen. Deze PGS-richtlijn sluit zo veel mogelijk aan bij de begrippen uit het Besluit activiteiten leefomgeving en andere relevante wetten en regels. In de praktijk kunnen ook andere termen voorkomen. Daarom is in deze bijlage bij een aantal begrippen ook een alternatieve omschrijving gegeven, zodat duidelijk is wat met een bepaald begrip is bedoeld.

Tabel 6Afkortingen en begrippen

Bekijk deze tabel in een popup venster

Begrip of afkorting

Betekenis

Alternatieve omschrijving

ADR

Europese overeenkomst voor het internationale vervoer van gevaarlijke goederen over de weg

Afsluiter

Onderdeel van een installatie of leiding om de doorstroming te regelen De afsluiter regelt het helemaal of gedeeltelijk openen of sluiten van een doorstroomopening. Er zijn handbediende en op afstand gestuurde afsluiters. Er zijn ook afsluiters die dienen als noodstopvoorziening.

Afzender (ADR)

De onderneming die voor zichzelf of voor derden gevaarlijke goederen verzendt. Indien het vervoer plaatsvindt op grond van een vervoersovereenkomst, dan geldt als afzender de afzender volgens deze overeenkomst.

Afzender (ADR)

Zie artikel 3 van de Arbeidsomstandighedenwet en artikel 4.4 van het Arbeidsomstandighedenbesluit

Arbeidshygiënische strategieZie artikel 3 van de Arbeidsomstandighedenwet en artikel 4.4 van het Arbeidsomstandighedenbesluit

AS SIKB

Accreditatie Schema Stichting Infrastructuur Kwaliteitsborging Bodembeheer.

ATEX

ATmosphères EXplosibles

Het begrip ATEX wordt gebruikt als korte naam voor twee Europese richtlijnen die gaan over explosiegevaar.

Bal

Besluit activiteiten leefomgeving

Bbl

Besluit bouwwerken leefomgeving

BBT

BBT staat voor beste beschikbare technieken.

Dit zijn de meest doeltreffende methoden die technisch en economisch haalbaar zijn om emissies en andere nadelige gevolgen voor het milieu van een bedrijf te voorkomen of te beperken.

Bedrijfsbrandweer

Een bedrijfsbrandweer volgens de aanwijzingsbeschikking artikel 31 van de Wet veiligheidsregio's, dan wel een bedrijfsbrandweer die is vastgesteld op basis van een goedgekeurd bedrijfsbrandweerrapport met daarin de informatie zoals gesteld onder artikel 7.2 lid 1 van het Besluit veiligheidsregio's.

Toelichting: Het merendeel van de bedrijven dat gebruikmaakt van een brandbestrijdingssysteem waarin de bedrijfsbrandweer een rol speelt, betreft bedrijven met een aanwijzingsbeschikking volgens artikel 31 Wvr. De veiligheidsregio is hierbij toezichthouder. In het enkele geval dat een bedrijfsbrandweer niet is aangewezen, is het wel van belang dat eenzelfde benadering wordt gekozen om de kwaliteit van een bedrijfsbrandweer te borgen. Dit wordt bereikt door het kwaliteitsniveau vast te leggen in de omgevingsvergunning, waarbij van dezelfde werkwijzer wordt gebruikgemaakt. Veiligheidsregio's gebruiken voor het aanwijzen van een bedrijfsbrandweer de Werkwijzer bedrijfsbrandweren van het Landelijk expertisecentrum voor brandweer en de Seveso-richtlijn. Het bevoegd gezag zal aan de betrokken veiligheidsregio advies behoren te vragen om het bedrijfsbrandweerrapport te beoordelen. De veiligheidsregio behoort te worden betrokken bij het toezicht op de omgevingsvergunning betreffende dit onderwerp

Begrenzing van de locatie waar de activiteit wordt verricht

Dit begrip komt uit het Besluit activiteiten leefomgeving. Binnen de PGS is dit in de meeste gevallen de erfgrens van het terrein van het bedrijf. Maar kan ook beperkt zijn tot de grens van de plaats op het bedrijfsterrein waar de gevaarlijke stoffen aanwezig zijn.

Beheersmaatregel

Acties, programma’s of procedures van organisatorische en administratieve aard met het doel de nodige handelingen te verrichten ter bescherming van veiligheid en milieu. Ook wel ‘maatregel’ genoemd.

Beoordelingsrichtlijn (BRL)

De in het College van Deskundigen gemaakte afspraken over een onderwerp van certificatie.

Bevoegd gezag

Bestuursorgaan dat bevoegd is om toezicht te houden, een vergunning te verlenen of een ander besluit te nemen.

Meestal is dit de gemeente of provincie.

Bkl

Besluit kwaliteit leefomgeving

BOb

Bestuurlijk Omgevingsberaad Vergunningverlening, Toezicht en Handhaving

Bouwwerk (Modelbouwverordening)

Elke constructie van enige omvang van hout, steen, metaal of ander materiaal die op de plaats van bestemming hetzij direct of indirect met de grond is verbonden, hetzij direct of indirect steun vindt in of op de grond, bedoeld om ter plaatse te functioneren.

Toelichting: Hoewel de Woningwet geen definitie geeft van het begrip ‘bouwwerk’, wordt in de jurisprudentie aangesloten bij de definitie die de Modelbouwverordening geeft.

Brandbare chemische vloeistof, oftewel ontvlambare vloeistof (ADR)

Een vloeistof die, in verpakte vorm, volgens het ADR het etiket modelnr. 3 draagt.

Brandbare chemische vloeistof, oftewel ontvlambare vloeistof (CLP)

Een vloeistof die, in verpakte vorm, volgens de Europese CLP-verordening het pictogram GHS02 draagt.

Brandbare vloeistof, oftewel ontvlambare vloeistof (indeling)

  • Verpakkingsgroep I (ADR): vlampunt <23˚C en beginkookpunt ≤35˚C.
  • Verpakkingsgroep II (ADR): vlampunt <23˚C en beginkookpunt >35˚C.
  • Verpakkingsgroep III (ADR): vlampunt 23 ˚C tot 60 ˚C. Hierbij geldt dat vloeistoffen met een vlampunt 35 ˚C tot 60 ˚C niet in ADR-klasse 3 hoeven te worden ingedeeld, indien test L.2 van de UN RDTG, Manual of Tests and Criteria, deel III, paragraaf 32, ter bepaling van het vermogen om een brand te onderhouden, een negatief resultaat heeft opgeleverd.
Brandblusmiddel

Brandblusser of brandslanghaspel

Brandblusser

Blustoestel Brandblustoestel Poederblusser Blusser Handblusser

Brandcompartiment (Bbl)

Brandcompartiment zoals bedoeld in het Bbl: gedeelte binnen één of meer gebouwen bestemd als maximaal uitbreidingsgebied van brand.

Brandwerendheid

Brandwerendheid gaat over wanden of deuren of andere delen van een constructie. Het geeft aan hoe lang een deel van een constructie een brand kan tegenhouden. De brandwerendheid wordt uitgedrukt in aantal minuten. NEN 6069 beschrijft hoe de brandwerendheid wordt bepaald.

BRL

BeoordelingsRichtlijn

Brzo 2015

Besluit risico's zware ongevallen 2015

Buitenlucht

Plaats in de open lucht met natuurlijke ventilatie

Zonder mechanische hulpmiddelen is de luchtsnelheid op die plaats meestal hoger dan 2 m/s en vrijwel nooit lager dan 0,5 m/s. Op die plaats zijn geen hinderende obstakels aanwezig.

Een situatie met één wand en een dak geldt als buitenlucht.

Buitenluchtsituatie

CBI

Conformiteitsbeoordelingsinstantie

CBI's zijn instellingen die zijn aangewezen om conformiteitsbeoordelingen uit te voeren. Conformiteitsbeoordeling is een instrument om ervoor te zorgen dat arbeidsmiddelen bij naleving van de instructies veilig en gezond kunnen worden gebruikt. De meest actuele lijst met CBI’s staat op de website van de Nederlandse Arbeidsinspectie.

CLP

Classification, Labelling and Packaging

CLP wordt vaak gebruikt als afkorting van de CLP-verordening. Dat is de Europese verordening over de indeling, etikettering en verpakking van stoffen en mengsels.

CMR

Carcinogene (kankerverwekkende), mutagene en reprotoxische stoffen.

Toelichting: Bijlage VI van verordening 1272/2008 bevat de geharmoniseerde indeling van CMR-stoffen. Dat wil zeggen dat deze indeling op Europees niveau is vastgesteld en verplicht behoort te worden gebruikt.

Daarnaast gelden in Nederland voor arbeidsomstandigheden ook de SZW-lijsten, die zijn opgesteld door het ministerie van Sociale Zaken en Werkgelegenheid. Het gaat hier om aanvullend beleid. Het betreft de volgende lijsten:

  1. SZW-lijst van kankerverwekkende stoffen en processen;
  2. SZW-lijst van mutagene stoffen;
  3. Niet-limitatieve lijst van voor de voortplanting giftige stoffen.

Deze lijst wordt elke zes maanden geactualiseerd en is ook te vinden op het Arboportaal van het ministerie van Sociale Zaken en Werkgelegenheid: www.arboportaal.nl. Zoek op ‘SZW-lijst van kankerverwekkende stoffen en processen’ voor de laatste versie.

Conformiteitsverklaring

Verklaring van een fabrikant waarin staat dat het apparaat of de installatie is gemaakt volgens code uit het ontwerp Een onafhankelijke partij (Nobo) heeft toezicht uitgevoerd op de productie.

Dampretoursysteem

Systeem bedoeld om dampen die anders in de atmosfeer zouden vrijkomen ten gevolge van verdringingsverliezen, af te vangen en zonder verwerking terug te voeren naar de tank van waaruit wordt gepompt.

Degene die de activiteit verricht

Term afkomstig uit het Besluit activiteiten leefomgeving

Beheerder

Exploitant

Operator

Domino-effect

Een effect waarbij het falen van een gevarenbron leidt tot het falen van een andere gevarenbron en waarbij de (directe) gevolgen van het falen van de eerste gevarenbron kleiner zijn dan de gevolgen van het falen van het vervolgongeval.

Druk

De druk gerelateerd aan de atmosferische druk, waarbij de overdruk met een positieve waarde en een vacuüm of onderdruk met een negatieve waarde wordt aangeduid.

Drukloze opslag

De opslag wordt als drukloos beschouwd indien de absolute druk boven de vloeistof beneden 106 kPa (1,06 bar) ligt.

EN

Europese Norm

Een Europese norm is geldig voor alle Europese lidstaten. Voor de Nederlandse markt dragen Europese normen de codering NEN-EN. In Duitsland is dat DIN-EN. Er zijn drie organisaties die Europese normen vaststellen:

  • Het Europees Comité voor Normalisatie (CEN) gaat over alle sectoren behalve elektrotechnologie en telecommunicatie.
  • Het Europees Comité voor Elektrotechnische Normalisatie (CENELEC) gaat over elektrotechniek.
  • Het Europees Normalisatie-instituut voor de Telecommunicatie (ETSI) gaat over telecommunicatie.

EOOB

Elektronische Onafhankelijke Overvulbeveiliging

ERV

Emergency Relief Valve

Explosieve atmosfeer

Mengsel van lucht en brandbare stoffen in de vorm van gassen, dampen, nevels of stof, onder atmosferische omstandigheden waarin de verbranding zich na ontsteking uitbreidt tot het gehele niet-verbrande mengsel.

Fundering

Ondergrond waarop een opslagtank rust.

Gas (ADR)s

Een stof die bij 50 °C een dampdruk bezit >300 kPa (3 bar) of die bij 20 °C en een standaarddruk van 101,3 kPa volledig gasvormig is.

Geadresseerde (ADR)

De geadresseerde volgens de vervoersovereenkomst. Indien de geadresseerde volgens de bepalingen van de vervoersovereenkomst een derde aanwijst, dan geldt deze derde als geadresseerde in de zin van het ADR. Indien het vervoer plaatsvindt zonder vervoersovereenkomst, dan is de geadresseerde de onderneming die de gevaarlijke goederen bij aankomst in ontvangst neemt.

Gebouw (Woningwet)

Elk bouwwerk dat een voor mensen toegankelijke overdekte, geheel of gedeeltelijk, met wanden omsloten ruimte vormt.

Gesloten belading

Belading van een transportmiddel waarbij de damp wordt afgevoerd via een dampretour of via een dampverwerkingssysteem. De dampleidingen en aansluitingen voor zowel damp als product zijn dampdicht.

Gevaar

Chemische of fysische toestand die schade kan toebrengen aan mensen, goederen en/of het milieu.

Gevaarlijke (vloei)stof (ADR)

Een (vloei)stof of een mengsel is gevaarlijk wanneer deze volgens de criteria van hoofdstuk 2 van het ADR is ingedeeld voor fysische gevaren, gezondheidsgevaren of milieugevaren.

Gevaarlijke (vloei)stof (CLP)

Een (vloei)stof of een mengsel is gevaarlijk wanneer deze volgens de criteria van de CLP (beschreven in bijlage 1 van de CLP-verordening) is ingedeeld voor fysische gevaren, gezondheidsgevaren of milieugevaren.

Gevarenzone-indeling

Indeling van gevaarlijke gebieden in zones, afhankelijk van de waarschijnlijkheid van het aanwezig zijn van een explosieve atmosfeer, volgens het Arbeidsomstandighedenbesluit

GHS

Globally Harmonised System of Classification and Labelling of Chemicals.

HAZOP

Hazard and Operability

De HAZOP-methode is een standaard methode voor het identificeren en evalueren van procesafwijkingen en het identificeren van gevaren en ongewenste situaties.

Storingsanalyse

Hogedrempelinrichting

Seveso-inrichting waar een gevaarlijke stof in een grotere of gelijke hoeveelheid aanwezig is dan/als de genoemde waardes in de Seveso-richtlijn 2012/18/EU, zie Bal.

Hulpverleningsdiensten

Politie, ambulance, brandweer en andere organisaties van de overheid die hulp verlenen.

Hulpdiensten

H-Zinnen

Zinnen die de aard van het gevaar aanduiden.

IBC

Intermediate Bulk Container. Een stijve of flexibele verpakking die in paragraaf 6.5 van het ADR is genoemd.

IEC

International Electrotechnical Commission Internationale commissie voor het ontwikkelen en publiceren van normen voor elektrische componenten en apparatuur.

IMDG-code

International Maritime Dangerous Goods-code

Internationale code voor het vervoer van gevaarlijke stoffen over zee.

In afwezigheid van personeel

Term afkomstig uit het Besluit activiteiten leefomgeving

Onbemand

Zonder direct toezicht

Zonder aanwezigheid van personeel

Inpandige opslagvoorziening

In een (ander) bouwwerk gesitueerde opslagvoorziening.

Inspectieafdeling van de gebruiker (IVG)

Een organisatorische eenheid die door de gebruiker van drukapparatuur is belast met het verrichten van inspecties.

Installatie

Vaste technische eenheid waarbinnen een of meer activiteiten plaatsvinden, en alle andere daar rechtstreeks mee samenhangende activiteiten die technisch verband houden met de binnen die eenheid verrichte activiteiten.

Toelichting: opvangvoorzieningen, kantoren, fabrieken, overslagplaatsen, enz, zijn aparte installaties

Intern noodplan

Een intern noodplan beschrijft maatregelen om bij incidenten en calamiteiten passend te reageren met als doel ongewenste gebeurtenissen en schadelijke gevolgen daarvan te voorkomen of te beperken.

Het gaat om organisatorische en technische maatregelen binnen het bedrijf.

Noodplan Calamiteitenplan

Interne veiligheidsafstand

Een interne veiligheidsafstand is een minimumafstand bedoeld om escalatie van een voorzienbaar incident in of nabij een PGS voorziening naar een installatieonderdeel, bouwwerken, opslagen en mensen niet zijnde werkenden (domino-effect) te voorkomen of te beperken. Deze interne veiligheidsafstand heeft geen relatie met afstanden in verband met explosieveiligheid als bedoeld in het Arbeidsomstandighedenbesluit en is niet bedoeld om gebouwen en plekken te beschermen waar mensen werkzaam zijn.

IPO

Interprovinciaal overleg

ISO

International Organization for Standardization

Internationale Organisatie voor Standaardisatie ISO stelt normen vast. Het is een samenwerkingsverband van nationale standaardisatieorganisaties in een groot aantal landen.

Ingeterpte tank

Opslagtank die boven het maaiveld ligt en geheel bedekt is met grond, zand of aarde. Aansluitingen en appendages (bijvoorbeeld een ontluchting) kunnen wel boven de terp uitsteken.

Installatiecertificaat

Verklaring van de gecertificeerde tankinstallateur dat het ontwerp, de geleverde tankinstallatie en/of nazorg voldoen aan de richtlijn (zoals BRL-K903/BRL SIKB 7800).

Kritische temperatuur

De laagste temperatuur waarbij polymerisatie kan optreden van een stof in de tank.

Toelichting: SAPT (ADR) - self-accelerating polymerization temperature De SAPT wordt vastgesteld overeenkomstig de beproevingsprocedures die is ingesteld voor de SADT van zelfontledende stoffen overeenkomstig het Handboek beproevingen en criteria, deel II, hoofdstuk 28

SAPT

KvI

Keuring voor Ingebruikneming

LEL

Lower explosive limit

Concentratie van brandbaar gas of brandbare damp in de lucht beneden welke de atmosfeer niet explosief is LEL is de afkorting van de Engelse term Lower Explosive Limit.

Onderste explosiegrens

Losslang

Slang waarmee opslagtanks vanuit een transportmiddel met brandstof worden gevuld

Vulslang

Maatregel

Zie beheersmaatregel.

Mengsel

Een oplossing bestaande uit twee of meer stoffen.

Milieubelastende activiteit

In de Omgevingswet omschreven als een activiteit die nadelige gevolgen voor het milieu kan hebben.

Het Besluit activiteiten leefomgeving wijst milieubelastende activiteiten aan. De activiteiten met gevaarlijke stoffen uit deze PGS zijn aangewezen als milieubelastende activiteit.

MKB

Midden- en kleinbedrijf Nederland

MOOB

Mechanische Onafhankelijke Overvulbeveiliging

Morsbak/ vulpuntmorsbak

Een opvangvoorziening rondom het vulpunt.

NEN

NEN staat voor Nederlandse norm.

NEN staat ook voor Stichting Koninklijk Nederlands Normalisatie instituut. Dat instituut geeft NEN-normen uit.

NEN-EN

Europese norm (EN) die door NEN is aanvaard en uitgegeven.

NEN-EN-IEC

Door IEC vastgestelde internationale norm

De norm is als Europese norm aanvaard. De norm is ook door NEN aanvaard en uitgegeven.

NEN-EN-ISO

Door ISO vastgestelde internationale norm

De norm is als Europese norm aanvaard. De norm is ook door NEN aanvaard en uitgegeven.

NEN-ISO

Door ISO vastgestelde internationale norm

De norm is ook door NEN aanvaard en uitgegeven.

Niet-brandonderhoudende stoffen

Stoffen die door hun fysisch-chemische samenstelling en/of door de wijze van verpakken en/of door het treffen van brand mitigerende maatregelen niet bij een brand betrokken kunnen raken.

Toelichting: Voor nadere informatie wordt verwezen naar de notitie van RIVM Brandbare vaste stoffen, onbrandbare stoffen en niet brandonderhoudende stoffen in het kader van de richtlijn PGS 15

Niet-brandonderhoudende vloeistoffen

Veel watergedragen mengsels voldoen aan de definitie van niet-brandonderhoudende vloeistoffen. Watergedragen mengsels met een vlampunt >35 ˚C en een watergehalte van ten minste 50 % worden beschouwd als niet-brandonderhoudende vloeistoffen.

NL-Conformiteitsbeoordelingsinstantie (NL-CBI)

Een door de minister van Sociale Zaken en Werkgelegenheid aangewezen instelling, die (her)keuringswerkzaamheden en/of beoordelingen mag uitvoeren in het kader van het Warenwetbesluit drukapparatuur 2016.

Voorheen: Aangewezen keuringsinstelling (AKI)

NL-Aangewezen keuringsdienst van gebruikers (NL-KvG)

Een krachtens artikel 1 van het Warenwetbesluit drukapparatuur 2016 aangewezen keuringsdienst.

NLA

Nederlandse Arbeidsinspectie

NOBO

Notified Body Een keuringsinstituut of testinstituut dat door de overheid is aangewezen Het instituut test producten en kijkt of deze aan de daarvoor geldende richtlijnen voldoen.

Noodstopvoorziening

Voorziening die een apparaat, voertuig of installatie uitschakelt of stilzet of in een veilige toestand brengt Deze is bedoeld om bij een incident of calamiteit verdere escalatie te voorkomen.

Noodstop

NPR

Nederlandse Praktijkrichtlijn

NEN geeft NPR-publicaties uit. Een NPR is een informatieve praktische uitwerking van de bepalingen in een norm. Bijvoorbeeld toelichtingen op normen, constructieve mogelijkheden, werkmethoden en fabricagegegevens.

NTA

Nederlandse Technische Afspraak

NEN geeft NTA-publicaties uit. Een NTA is een openbare afspraak tussen twee of meer belanghebbende partijen. Er is geen openbare commentaarronde en het is niet nodig dat er tussen partijen overeenstemming bestaat. Een NTA kan snel tot stand komen.

NVWA

Nederlandse Voedsel- en Warenautoriteit De NVWA bewaakt de veiligheid van voedsel en consumentenproducten, de gezondheid van dieren en planten, het dierenwelzijn en handhaaft de natuurwetgeving.

Onbrandbaar

Bijvoorbeeld onbrandbaar bouwmateriaal of onbrandbare stoffen, materialen of producten

Het gaat bij onbrandbare bouwmaterialen om onbrandbaarheid volgens NEN 6064.

Ondergrondse opslagtank

Opslagtank die onder het maaiveld ligt en geheel of gedeeltelijk bedekt is met grond, zand of aarde. Aansluitingen en appendages (bijvoorbeeld een ontluchting) kunnen wel boven het maaiveld liggen.

Ontvlambare vloeistof (CLP)

Is gelijk aan brandbare vloeistof.

Opslag

In deze PGS wordt onder ‘opslag’ verstaan het bewaren van gevaarlijke vloeistoffen en/of CMR-vloeistoffen in een daartoe bestemde voorziening.

Opslagtank

Term afkomstig uit het Besluit activiteiten leefomgeving

Opslagreservoir

Reservoir

Tank

Opslagtemperatuur

De maximumtemperatuur die in de opgeslagen gevaarlijke vloeistof kan voorkomen tijdens de normale bedrijfsvoering.

Opvangbak

Vloeistofdichte voorziening voor de opvang van vrijkomende (vloei)stoffen ter voorkoming van uitbreiding van de brand en milieuvervuiling waarvan de bodembeschermende werking door gericht toezicht en doelmatig ledigen wordt gewaarborgd. De opvangbak moet zodanig zijn uitgevoerd dat deze bestand is tegen de inwerking van vloeistoffen die erboven worden opgeslagen.

Opvangvoorziening

Voorziening voor de opvang van vrijkomende gevaarlijke (vloei)stoffen ter voorkoming van uitbreiding van de brand en milieuvervuiling waarvan de bodembeschermende werking door gericht toezicht en doelmatig ledigen wordt gewaarborgd.

De opvangvoorziening moet zodanig zijn uitgevoerd dat deze bestand is tegen de inwerking van gevaarlijke vloeistoffen die erboven worden opgeslagen.

Opvangbak

Lekbak

Passieve brandbescherming

Passieve brandbescherming is het samenstel van producten die door hun brandgedrag bijdragen aan bescherming tegen brandvoortplanting in een gebouw. Passieve maatregelen zijn vooral gericht op het binnen de perken houden van een volledig ontwikkelde brand en bewijzen hun dienst nadat een ‘flashover’ is opgetreden. Ze zorgen ervoor dat de schade beperkt blijft tot één compartiment gedurende een bepaalde tijd. Daarom worden ze ‘passieve maatregelen’ genoemd: Deze maatregelen treden niet actief op.

PBV

Plan Bodembeschermende Voorzieningen.

PED

Pressure Equipment Directive

Richtlijn 2014/68/EU van het Europees Parlement en de Raad van 15 mei 2014 betreffende de harmonisatie van de wetgevingen van de lidstaten inzake het op de markt aanbieden van drukapparatuur.

De PED-richtlijn beschrijft “essentiële veiligheidseisen” voor drukapparatuur. Het gaat om algemene veiligheid en bescherming tegen zowel persoonlijk letsel als materiële schade.

Onder de PED-richtlijn vallen alle producten en installaties met een druk die hoger is dan 50 kPa. De richtlijn is in Nederland geïmplementeerd in het Wbda 2016.

Richtlijn Drukapparatuur

Procesinstallatie

In een procesinstallatie vinden processen plaats die leiden tot een verandering van de chemische samenstelling of fysische eigenschappen van de stoffen. Een procesinstallatie begint na de afsluiter die de toegang tot een procesinstallatie vormt, of vlak voor een doseerinstallatie die uitmondt in een procesinstallatie.

PRI&E

Processchema Risico-Inventarisatie & -Evaluatie voor tankinstallaties voor gevaarlijke vloeistoffen en dampen, ondergronds en bovengronds. De PRI&E is als bijlage XIX van BRL-K903/BRL SIKB 7800 opgenomen.

REACH

Registratie, Evaluatie, Autorisatie en restrictie van Chemische Stoffen.

REACH is een Europese verordening over de productie van en handel in chemische stoffen. Deze verordening geldt voor alle landen van de Europese Unie. REACH legt de ondernemingen die chemische stoffen produceren, importeren en gebruiken de verplichting op informatie te verzamelen over de eigenschappen van de desbetreffende stoffen, de aan hun gebruik verbonden risico's te beoordelen en de nodige maatregelen te nemen om de eventuele door hen geconstateerde risico's te beheren.

RID

Regulations concerning the International Carriage of Dangerous Goods by Rail

Het is het Europese verdrag over het vervoer van gevaarlijke stoffen over het spoor

RI&E

Risico-Inventarisatie & -Evaluatie.

Risico

De mate van economische en personele schade gemeten naar de kans op en de grootte van deze schade.

RVS

Roestvast Staal

Scheurnaad

Doelbewust aangebrachte zwakke verbinding tussen tankwand en tankdak, bedoeld om in het geval van brand of explosie als eerste te bezwijken.

Seveso-inrichting

Een of meer Seveso-installaties op een locatie die volledig wordt beheerd door diegene die de Seveso-inrichting exploiteert, met inbegrip van de gemeenschappelijke of bijbehorende infrastructuur of activiteiten, zie Bal

Seveso-installatie

Technische eenheid waarin een gevaarlijke stof als bedoeld in artikel 3, lid 10, van de Seveso-richtlijn wordt gemaakt, gebruikt, verwerkt of opgeslagen, met inbegrip van de uitrusting, leidingen, machines, gereedschappen, private spoorwegemplacementen, laadkades, aanlegsteigers, pieren, depots en andere constructies die nodig zijn voor de werking daarvan, zie Bal

SSVV

Opleidingengids/Stichting Samenwerken Voor Veiligheid.

Stofgroep

Gevarenclassificatie van producten binnen het Warenwetbesluit drukapparatuur 2016

SWIFT

Structured What If Technique

Methode voor het uitvoeren van een risicoanalyse

Tankcontainer

Een container met reservoir en uitrustingdelen volgens paragraaf 6.8 van het ADR.

Tankinstallatie

Een systeem bestaand uit diverse componenten om een vloeistof en damp op te slaan en te behandelen in een proces dat meer is dan alleen een verpakking volgens PGS 15. Het doel is dus niet alleen opslag maar ook het gebruik van de tankinstallatie waarbij deze veilig en veelvuldig kan worden gevuld en waaruit kan worden afgeleverd.

Tankinstallateur/installateur (gecertificeerde tankinstallateur)

De partij die ervoor verantwoordelijk is dat processen bij voortduring voldoen aan de eisen waarop de certificatie is gebaseerd. In deze richtlijn is dat de installerende partij en mogelijk de partij die het ontwerp en de nazorg levert. De installateur in dienst van deze partij is zelf ook gecertificeerd. Een gecertificeerde tankinstallateur is gecertificeerd volgens BRL-K903/BRL SIKB 7800.

Tankput

Een terreingedeelte rondom een opslagtank dat voorziet in product- en/of (blus)wateropvang door verdiepte aanleg of een rondom gesloten omwalling (putdijk).

opvangvoorziening

Ten hoogste

Term uit het Besluit activiteiten leefomgeving

Maximaal

Ten minste

Term uit het Besluit activiteiten leefomgeving

Minstens Minimaal

Terugslagklep

Klep in een installatie die ervoor zorgt dat gassen of vloeistoffen niet kunnen terugstromen

Terugslag-voorziening

Transportmiddel

Modaliteit waarmee de gevaarlijke vloeistoffen van en naar de tankinstallatie worden vervoerd, zoals tankwagens, schepen, reservoirwagens, spoor ketelwagenVervoermiddel

Transporttank

Een multimodale tank volgens paragraaf 6.7 van het ADR.

Toelichting: In de regelgeving van het ADR en in de IMDG-code wordt zowel het begrip ‘tankcontainer’ als ‘transporttank’ gebruikt. In de toekomst zal uitsluitend nog het begrip ‘transporttank’ worden gebruikt.

Transportverpakking (ADR)

Verpakking die voldoet aan de algemene voorschriften van hoofdstuk 4.1 van het ADR en de specifieke ADR-verpakkingsinstructies.

Tijdelijke opslag

Opslag gedurende een aaneengesloten periode van minder dan zes maanden.

Uitpandige opslagvoorziening

Een niet in een bouwwerk gesitueerde opslagvoorziening.

Toelichting: Een uitpandige opslagvoorziening kan wel aan een of meer zijden grenzen aan een bouwwerk.

UPD

Uitgangspuntendocument

Het uitgangspuntendocument van een brandbeveiligingsinstallatie bevat alle bouwkundige, organisatorische en installatietechnische eisen voor de te beveiligen ruimten en locaties.

Vaste aansluiting

Een gefixeerd punt waar het leverende transportmiddel zijn losslang op aansluit.

Veiligheidsafstand

De afstand die vereist is tussen de opslagplaats en omringende objecten.

Veiligheidsstudie

Gestructureerde analyse van de veiligheidsrisico'[s.

Voorbeelden van veiligheidsstudies zijn: HAZOP, What-If, BowTie, LOPA.

Verpakking

Een verpakking die is toegelaten voor het vervoer van gevaarlijke stoffen, inclusief grote verpakking en IBC.

Verpakkingsgroep

Een groep waarin bepaalde stoffen op grond van hun gevaar tijdens het vervoer volgens het ADR zijn ingedeeld voor verpakkingsdoeleinden:

  • Verpakkingsgroep I: zeer gevaarlijke stoffen;
  • Verpakkingsgroep II: gevaarlijke stoffen;
  • Verpakkingsgroep III: minder gevaarlijke stoffen.

VG

Vervoerder (ADR)

De onderneming die het vervoer met of zonder vervoersovereenkomst uitvoert.

VIB

Veiligheidsinformatieblad

Een veiligheidsinformatieblad is een gestructureerd document met informatie over de risico's van een gevaarlijke stof of preparaat en aanbevelingen voor het veilig gebruik ervan. Het bevat alle eigenschappen van het product: van de gevaren en de chemische samenstelling tot informatie over beschermingsmiddelen, veilig gebruik, transport en afvoer.

MSDS

SDS

Safety data sheet

Vlampunt

Laagste vloeistoftemperatuur waarbij onder zekere genormaliseerde omstandigheden uit een vloeistof dampen in een zodanige hoeveelheid worden afgegeven dat een brandbaar gasmengsel van damp en lucht kan worden gevormd Deze temperatuur wordt onder standaard beproevingscondities bepaald.

Vloeibare brandstof (PGS28, PGS30)

Lichte olie, halfzware olie of gasolie als bedoeld in de artikelen 26 en 28 van de Wet op de Accijns.

Vloeistof (ADR)

Een stof die bij 50 °C een dampdruk heeft ≤300 kPa (3 bar) of die bij 20 °C een druk van 101,3 kPa niet volledig gasvormig is, en die:

  1. bij een druk van 101,3 kPa een smeltpunt of beginsmeltpunt heeft van ≤20 °C; of
  2. volgens de beproevingsmethode ASTM D4359-90 vloeibaar is; of
  3. volgens de criteria van de in 2.3.4 van het ADR beschreven beproevingsmethode voor de bepaling van het vloeigedrag (penetrometermethode) niet dikvloeibaar is.

Vloeistofdichte voorziening (vloer of verharding)

Effectgerichte voorziening die waarborgt dat, onder voorwaarde van doelmatig onderhoud en adequate inspectie, geen vloeistof aan de niet met vloeistof belaste zijde van die voorziening kan komen.

VNG

Vereniging Nederlandse Gemeenten

VNO-NCW

Vereniging VNO-NCW is een organisatie van werkgevers. VNO-NCW is ontstaan uit een fusie van het Verbond van Nederlandse Ondernemingen (VNO) en het Nederlands Christelijk Werkgeversverbond (NCW).

Voldoet aan / Volgens / Zoals dat staat in

Overeenkomstig

Volume

Het inwendige volume van een ruimte exclusief de inhoud van tubelures en mangathals.

Voorziening

Technische uitrusting (‘equipment’) bedoeld om:

  • te voldoen aan de operationele doelstellingen;
  • de veiligheid en de milieubescherming te verbeteren en te garanderen.

VTH

Vergunningverlening, Toezicht en Handhaving

Vulpunt

Onderdeel van een installatie met een opslagtank. Het vullen van de opslagtank gebeurt via het vulpunt.

Vuller (ADR)

De onderneming die gevaarlijke goederen laadt in een tank (tankwagen, afneembare tank, transporttank of tankcontainer), in een batterijwagen of MEGC en/of los gestort in een voertuig, grote container of kleine container.

VvI

Verklaring van Ingebruikneming

Warmtestraling

Stralingsbelasting

Warmtestralings-belasting

Warmtebelasting

Wbda 2016

Warenwetbesluit drukapparatuur 2016

Wbdbo

Weerstand tegen branddoorslag en brandoverslag

Wbdbo gaat over een gebouw of scheidingsconstructie.

Wbdbo is een eis voor de tijd die het gebouw of de scheidingsconstructie weerstand kan bieden tegen het doorslaan of overslaan van een brand. Dit kan gaan om van binnen naar buiten, en om van buiten naar binnen. De brandwerendheid van scheidingsconstructies bepaalt de weerstand tegen branddoorslag. De wbdbo kan worden bereikt met brandwerende constructies of met afstanden, of met een combinatie daarvan. Bij brandoverslag moet een berekening volgens NEN 6068 worden uitgevoerd.

Werkvolume

Het werkvolume wordt bepaald door het niveau waarbij de hoogniveau-alarmering wordt geactiveerd.

Wisselvat

Een vat dat doordat het vastgekoppeld wordt aan een installatie ingezet wordt als tijdelijke opslagtank.

IBC, tankcontainer, ISO-tainer

Wvr

Wet veiligheidsregio's

Zelfontbrandingstemperatuur

De zelfontbrandingstemperatuur is de laagste temperatuur waarbij, bij een druk van 1 atm en een gemiddeld zuurstofgehalte in de lucht, een stof spontaan ontbrandt en blijft branden.

Bijlage BNormen en bronnen

B.1Normatieve documenten en normen Normatief

Deze bijlage bevat normen en andere documenten die zijn genoemd in de maatregelen. Voor zover een norm (zoals NEN of ISO) of een ander normdocument of een andere specificatie waarnaar in een voorschrift in deze richtlijn wordt verwezen, betrekking heeft op de uitvoering van constructies, toestellen en apparaten, wordt bedoeld de publicatie inclusief wijzigings- of correctiebladen zoals die op het moment van de publicatie van deze richtlijn luidde.

Tabel 7Normatieve documenten en normen

Bekijk deze tabel in een popup venster

Norm met versie

Titel

API 2000:2014

Venting Atmospheric and Low-pressure Storage Tanks

API RP 2218:2013

Fireproofing Practices in Petroleum & Petrochemical Processing Plants

API 2510:2020

Design and Construction of LPG Installations

API 2510A:2015

Fire-Protection Considerations for the Design and Operation of Liquefied Petroleum Gas (LPG) Storage Facilities

AS SIKB 6800:2018

Controle en keuring tank(opslag)installaties

AS SIKB 6801:2018

Kathodische bescherming

AS SIKB 6803:2018

Aarding en Potentiaalvereffening. Controle aarding en potentiaalvereffening van ondergrondse tanks en/of ondergronds leidingwerk behorende bij onder- of bovengrondse tanks

AS SIKB 6810:2012

Herkeuring tank(opslag)installaties. Controle op water en bezinksel en elektrische geleidbaarheid en zuurgraad beoordelen

AS SIKB 6811:2018

Keuring tank(opslag)installaties. Keuring van ondergrondse tanks en/of ondergronds leidingwerk behorende bij onder- of bovengrondse tanks; uitvoeren bodemweerstandsmeting

ASTM D4359-90:2019

Standard Test Method for Determining Whether a Material Is a Liquid or a Solid

BRL-K903/BRL SIKB 7800

Regeling Erkenning Installateurs Tanks en leidingen (REIT) Opmerking: De BRL-K903 is per 1 juli 2021 omgezet naar de BRL SIKB 7800.

BRL-K904:2016

Beoordelingsrichtlijn voor het Kiwa procescertificaat voor Tanksaneringen

BRL-K905:2016

Beoordelingsrichtlijn voor het Kiwa procescertificaat voor Tankreiniging

BRL-K916:2018

Beoordelingsrichtlijn voor het Kiwa procescertificaat voor Anti-hevelbeveiliging voor tankinstallaties

EEMUA 159: 5th Edition - 2017

Above ground flat bottomed storage tanks - a guide to inspection, maintenance and repair

ISA 92.00.04: 2014

Performance Requirements for Open Path Toxic Gas Detectors

NEN 1414-1:2019

Symbolen voor veiligheidsvoorzieningen op tekeningen en plattegronden – Deel 1: Ontruimingsplattegronden en bereikbaarheidskaarten

NEN 2535: 2017

Brandveiligheid van gebouwen - Brandmeldinstallaties - Systeem- en kwaliteitseisen en projectierichtlijnen

NEN 3011:2021

Veiligheidskleuren en -tekens in de werkomgeving en in de openbare ruimte

NEN 5740:2009

Bodem ¬– Landbodem – Strategie voor het uitvoeren van verkennend bodemonderzoek – Onderzoek naar de milieuhygiënische kwaliteit van bodem en grond

NEN 6064:1991

Bepaling van de onbrandbaarheid van bouwmaterialen

NEN 6068:2020

Bepaling van de weerstand tegen branddoorslag en brandoverslag tussen ruimten

NEN 6069:2017

Beproeving en klassering van de brandwerendheid van bouwdelen en bouwproducten

NEN 6090:2017

Bepaling van de vuurbelasting

NEN-EN 1568 reeks: 2018

Blusmiddelen - Schuimconcentraten

NEN-EN 12285-1:2018

Fabrieksmatig vervaardigde stalen tanks - Deel 1: Horizontale cilindrische enkelwandige en dubbelwandige tanks voor de ondergrondse opslag van brandbare en niet-brandbare watervervuilende vloeistoffen

NEN-EN 13381-8: 2013

Beproevingsmethoden voor de bepaling van de bijdrage aan de brandwerendheid van constructie-onderdelen - Deel 8: Reagerende bescherming aangebracht op stalen constructiedelen

NEN-EN 13381-8: 2015

Beproevingsmethoden voor de bepaling van de bijdrage aan brandwerendheid van constructiedelen - Deel 9: Bescherming voor stalen liggers met openingen in het lijf

NEN-EN-IEC 60079-29-1: 2017

Explosieve atmosferen - Deel 29-1: Gasdetectoren - Prestatie-eisen voor detectoren van brandbare gassen

NEN-EN-IEC 60079-29-4: 2010

Explosieve atmosferen - Deel 29-4: Gasdetectoren - Prestatie-eisen van detectoren die gebruik maken van een optische weg voor de detectie van brandbare gassen

NEN-EN-IEC 61508:2010

Functionele veiligheid van elektrische/elektronische/programmeerbare elektronische systemen verbandhoudend met veiligheid

NEN-EN-IEC 61511:2017

Functionele veiligheid – Veiligheidssystemen voor de procesindustrie

NEN-EN-ISO 7010:2020

Grafische symbolen - Veiligheidskleuren en -tekens - Geregistreerde veiligheidstekens

NEN-EN-ISO 14001:2015

Milieumanagementsystemen – Eisen met richtlijnen voor gebruik

NEN-EN-ISO 16852:2016

Vlamdovers – Prestatie-eisen, beproevingsmethoden en begrenzingen bij gebruik

NEN-EN-ISO 20560-1:2020

Veiligheidsinformatie voor de inhoud van pijpleidingen en tanks - Deel 1: Pijpleidingen

NEN-EN-ISO 28300:2008

Aardolie-, petrochemie- en aardgasindustrie – Ontluchting van atmosferische en lagedruk opslagtanks

NEN-ISO 20560-2:2023

PM

NEN-ISO 45001:2018

Managementsystemen voor gezond en veilig werken – Eisen met richtlijnen voor gebruik

NFPA 11:2021

Standard for Low-Medium and High-Expansion Foam

NFPA 15:2022

Standard for Water Spray Fixed Systems for Fire Protection

NFPA 704: 2022

Standard System for the Identification of the Hazards of Materials for Emergency Response

NORSOK M-501: edition 6 2012

Surface preparation and protective coating

NPR 7910-1:2020+C1:2021

Gevarenzone-indeling met betrekking tot explosiegevaar – Deel 1: Gasexplosiegevaar, gebaseerd op NEN EN IEC 60079-10-1:2009

NPR 7910-2:2020+C1:2021

Gevarenzone-indeling met betrekking tot explosiegevaar – Deel 2: Stofexplosiegevaar, gebaseerd op NEN EN IEC 60079-10-2:2009

NPR-CLC-IEC/TR 60079-32 1:2015

Explosieve atmosferen – Deel 32-1: Richtlijnen voor elektrostatische risico's

NTA 8620:2016

Specificatie van een veiligheidsmanagement-systeem voor risico's van zware ongevallen

UL 1709:2017

Rapid Rise Fire Tests of Protection Materials for Structural Steel

B.2Informatieve documenten en bronnen

Bekijk deze tabel in een popup venster

Nummer

Titel

Vindplaats

[ 1 ]

Arbeidsomstandighedenwet

wetten.overheid.nl

[ 2 ]

Arbeidsomstandighedenbesluit

wetten.overheid.nl

[ 3 ]

Arbeidsomstandighedenregeling

wetten.overheid.nl

[ 4 ]

Warenwetbesluit drukapparatuur 2016

wetten.overheid.nl

[ 5 ]

Warenwetregeling drukapparatuur 2016

wetten.overheid.nl

[ 6 ]

Warenwetbesluit drukvaten van eenvoudige vorm 2016

wetten.overheid.nl

[ 7 ]

Warenwetbesluit explosieveilig materieel 2016

wetten.overheid.nl

[ 8 ]

Warenwetbesluit machines

wetten.overheid.nl

[ 9 ]

Wet veiligheidsregio's

wetten.overheid.nl

[ 10 ]

Besluit veiligheidsregio's

wetten.overheid.nl

[ 11 ]

Omgevingswet

overheid.nl

[ 12 ]

Omgevingsbesluit

overheid.nl

[ 13 ]

Besluit activiteiten leefomgeving

overheid.nl

[ 14 ]

Besluit bouwwerken leefomgeving

overheid.nl

[ 15 ]

Besluit kwaliteit leefomgeving

overheid.nl

[ 16 ]

Wet vervoer gevaarlijke stoffen

wetten.overheid.nl

[ 17 ]

Regeling vervoer over land van gevaarlijke stoffen

wetten.overheid.nl

[ 18 ]

Handreiking Generieke Risicobenadering PGS Nieuwe stijl, Publicatiereeks Gevaarlijke Stoffen, versie 1.1 (maart 2017)

Publicatiereeks Gevaarlijke Stoffen

[ 19 ]

Handreiking bluswatervoorziening en bereikbaarheid 2019, Brandweer Nederland, januari 2020

Brandweer Nederland

[ 20 ]

Vastopgestelde Brandbeheersings- en Brandblussystemen (VBB-systemen) – Handreiking voor het opstellen van een Uitgangspunten Document (UPD), Publicatiereeks Gevaarlijke Stoffen: UPD 2017 – versie 1.0 (juni 2017)

Publicatiereeks Gevaarlijke Stoffen

[ 21 ]

PGS 14: Vastopgestelde Brandbeheersings- en Brandblussystemen – Handreiking bij de toepassing van opslag van gevaarlijke stoffen volgens PGS 15, Publicatiereeks Gevaarlijke Stoffen 14 – versie 1.0 (oktober 2017)

Publicatiereeks Gevaarlijke Stoffen

[ 22 ]

PGS 15: Opslag van verpakte gevaarlijke stoffen, Publicatiereeks Gevaarlijke Stoffen, PGS 15:2016 –versie 1.0 (september 2016)

Publicatiereeks Gevaarlijke Stoffen

[ 24 ]

Verordening persoonlijke beschermingsmiddelen Verordening (EU) 2016/425 van het Europees Parlement en de Raad van 9 maart 2016 betreffende persoonlijke beschermingsmiddelen

Europese Unie

[ 25 ]

Brandbare vaste stoffen, onbrandbare stoffen en niet-brandonderhoudende stoffen in het kader van de richtlijn PGS 15 van 21 maart 2015

Publicatiereeks Gevaarlijke Stoffen

[ 26 ]

Maximum allowable exposure to different heat radiation levels, IFV, 25 april 2016

Nederlands Instituut Publieke Veiligheid

[27]

Standaardbepakking voor brandweervoertuigen, versie 6.2, 11 februari 2019

Nederlands Instituut Publieke Veiligheid

[28]

Grootschalig brandweeroptreden, versie 2.0

Brandweer Nederland

Bijlage CRelevante wet- en regelgeving

C.1Inleiding

Een groot deel van de regels voor gevaarlijke stoffen staat in nationale wetgeving, al dan niet gebaseerd op Europese richtlijnen, of volgt rechtstreeks uit Europese verordeningen.

Op de website van de Rijksoverheid staat de meest actuele versie van de nationale wet- en regelgeving. Op de website van de Europese Unie staat de meest actuele versie van Europese regelgeving.

C.2Omgevingswet

De Omgevingswet bevat regels voor ruimte, wonen, infrastructuur, milieu, natuur en water en regelt daarmee het benutten en beschermen van de leefomgeving. Onder de Omgevingswet hangen vier algemene maatregelen van bestuur en een ministeriële regeling met de regels voor het praktisch uitvoeren van de wet. De algemene maatregelen van bestuur zijn het Besluit activiteiten leefomgeving (Bal), het Besluit kwaliteit leefomgeving (Bkl), het Besluit bouwwerken leefomgeving (Bbl) en het Omgevingsbesluit. De ministeriële regeling is de Omgevingsregeling.

Algemene informatie over de Omgevingswet staat op het informatiepunt Leefomgeving. Daar staat ook meer informatie over de vier besluiten.

Omgevingsbesluit

Het Omgevingsbesluit richt zich tot burgers, bedrijven en de overheid. Het Omgevingsbesluit regelt in aanvulling op de Omgevingswet onder meer welk bestuursorgaan het bevoegd gezag is om een omgevingsvergunning te verlenen en welke procedures gelden. Ook regelt dit besluit wat de betrokkenheid is van andere bestuursorganen, adviesorganen en adviseurs bij de besluitvorming, en een aantal op zichzelf staande onderwerpen, zoals de milieueffectrapportage.

Besluit activiteiten leefomgeving

In het Besluit activiteiten leefomgeving (Bal) staan, samen met het Besluit bouwwerken leefomgeving, de algemene regels waaraan burgers en bedrijven zich moeten houden als ze bepaalde activiteiten uitvoeren in de fysieke leefomgeving. Ook bepaalt het besluit voor welke activiteiten een omgevingsvergunning nodig is. Dit besluit bevat regels om het milieu, de waterstaatwerken, de wegen en spoorwegen, de zwemmers en het cultureel erfgoed te beschermen. Het Bal verwijst voor verschillende activiteiten naar de PGS-richtlijnen.

Besluit bouwwerken leefomgeving

In het Besluit bouwwerken leefomgeving (Bbl) staan regels waaraan burgers en bedrijven zich moeten houden als ze bepaalde activiteiten uitvoeren in de fysieke leefomgeving. Daaronder vallen bouwen, verbouwen, gebruiken, in stand houden en slopen van bouwwerken. Het gaat om regels over veiligheid, gezondheid, duurzaamheid en bruikbaarheid.

Een belangrijke doelstelling van het Bbl is het kunnen beheersen van een brand zodat mensen veilig kunnen vluchten en de brand zich niet uitbreidt naar andere gebouwen. Nieuwe gebouwen moeten zijn ingedeeld in brandcompartimenten.

In het Bbl staan regels voor de aanwezigheid en beschikbaarheid van voorzieningen voor incidentbestrijding, zoals bluswatervoorzieningen op eigen terrein, de bereikbaarheid van bouwwerken voor hulpdiensten en de beschikbaarheid van opstelplaatsen voor brandweervoertuigen.

Besluit kwaliteit leefomgeving

In het Besluit kwaliteit leefomgeving (Bkl) staan de inhoudelijke normen voor gemeenten, provincies, waterschappen en het Rijk met het oog op het realiseren van de nationale doelstellingen en het voldoen aan internationale verplichtingen.

In het Bkl staan instructieregels voor het omgevingsplan over bijvoorbeeld rampenbestrijding en externe veiligheid. Voor veel voorkomende en meer uniforme activiteiten bevat het Bkl vaste risicoafstanden. Ook staan in het Bkl beoordelingsregels voor omgevingsvergunningen met als doel de bescherming van de fysieke leefomgeving tegen externe veiligheidsrisico’s.

Omgevingsregeling

In de Omgevingsregeling zijn onder andere de gegevens en bescheiden benoemd die bij een aanvraag om een omgevingsvergunning moeten worden verstrekt, zijn technische uitvoeringsvoorschriften gegeven voor milieubelastende activiteiten en zijn de rekenmethoden aangegeven die moeten worden toegepast bij het berekenen van het plaatsgebonden risico en de afstanden van de aandachtsgebieden. Ook zijn in de Omgevingsregeling de versies aangegeven van de normdocumenten waarnaar in de besluiten en in de Omgevingsregeling wordt verwezen.

Seveso

De Seveso III-richtlijn (2012/18/EG) is op grond van de Omgevingswet, de Arbeidsomstandighedenwet en de Wet veiligheidsregio’s voor een groot deel geïmplementeerd in het Besluit activiteiten leefomgeving. Paragraaf 4.2 van dat besluit bevat eisen voor bedrijven die werken met grote hoeveelheden gevaarlijke stoffen (voorheen Brzo-bedrijven). Deze eisen hebben zowel betrekking op de technische kant van veiligheid, als op aspecten voor de bedrijfsvoering, zoals veiligheidsbeleid, procedures en communicatie.

C.3Chemische stoffen

CLP

CLP is een Europese verordening (1272/2008/EG) over de indeling en etikettering van chemische stoffen. CLP staat voor Classification, Labelling and Packaging (indeling, etikettering en verpakking). Om veilig om te gaan met chemische stoffen moeten deze worden voorzien van etiketten volgens een gestandaardiseerd systeem. Op deze etiketten staat naast de werking ook welke beschermmaatregelen nodig zijn.

Meer informatie staat op de website Chemische stoffen goed geregeld!

REACH

REACH is een Europese verordening (EC 1907/2006) over de productie van en handel in chemische stoffen. Reach staat voor Registratie, Evaluatie, Autorisatie en restrictie van CHemische stoffen. De leverancier moet zorgen voor een veiligheidsinformatieblad bij elke chemische stof. De eindgebruiker moet zich houden aan de maatregelen in dit veiligheidsinformatieblad.

Meer informatie staat op de website Chemische stoffen goed geregeld!

C.4Arbeidsomstandighedenwetgeving

Arbeidsomstandighedenwet

In de Arbeidsomstandighedenwet (Arbowet) staan de rechten en plichten voor zowel werkgever als werknemer op het gebied van arbeidsomstandigheden. De Arbowet bevat met name doelvoorschriften. Het Arbeidsomstandighedenbesluit geeft een uitwerking van de Arbowet. De Arbeidsomstandighedenregeling geeft op haar beurt een uitwerking van regels in het Arbeidsomstandighedenbesluit.

Meer informatie staat op het Arboportaal.

Arbeidsomstandighedenbesluit

In het Arbeidsomstandighedenbesluit staan regels over bijvoorbeeld arbozorg, organisatie van het werk, inrichting van arbeidsplaatsen, gevaarlijke stoffen en persoonlijke beschermingsmiddelen.

Arbeidsomstandighedenregeling

In de Arbeidsomstandighedenregeling (Arboregeling) staan bijvoorbeeld regels over de taken van de arbodienst en nadere eisen voor onder andere veiligheid van tankschepen en gevaarlijke stoffen, beeldschermarbeid, arbeid onder overdruk, arbeidsmiddelen, veiligheids- en gezondheidssignalering.

Verordening persoonlijk beschermingsmiddelen

Deze Europese verordening bevat eisen voor het ontwerp en de productie van persoonlijke beschermingsmiddelen (2016/425). Het doel van de verordening is om de gezondheid en de veiligheid van gebruikers te waarborgen. De verordening maakt het ook mogelijk dat beschermingsmiddelen binnen de hele Europese Unie worden verkocht en gebruikt.

C.5Warenwet

Warenwet

De Warenwet bevat regels met het oog op productveiligheid om de gezondheid en veiligheid van de gebruiker te beschermen. Dit kan een werknemer of een consument zijn. In de onderliggende Warenwetbesluiten staan regels voor de fabrikant, leverancier en andere marktpartijen. Die regels zorgen ervoor dat een product voldoet aan gezondheids- en veiligheidseisen uit Europese richtlijnen.

Warenwetbesluit drukapparatuur 2016

In het Warenwetbesluit drukapparatuur 2016 (Wbda2016) staan eisen voor drukapparatuur. In het Wbda 2016 is de Europese richtlijn voor drukapparatuur (2014/68/EU) geïmplementeerd. In de Warenwetregeling drukapparatuur 2016 staat onder andere wanneer keuring moet plaatsvinden.

Warenwetbesluit drukvaten van eenvoudige vorm

In het Warenwetbesluit drukvaten van eenvoudige vorm staan regels over het op de markt brengen van drukvaten van eenvoudige vorm. In dit besluit is de Europese richtlijn (2014/29/EU) voor drukvaten van eenvoudige vorm geïmplementeerd.

Warenwetbesluit machines

In het Warenwetbesluit machines staan regels over machines, waaronder veiligheid, keuring en certificering. In de Warenwetregeling machines staan nadere eisen.

C.6Wet veiligheidsregio's

Wet veiligheidsregio’s

De Wet veiligheidsregio’s heeft als doel een efficiënte en kwalitatief hoogwaardige organisatie te bereiken van de brandweerzorg, geneeskundige hulpverlening en crisisbeheersing. Dit gebeurt onder één regionale bestuurlijke regie. Op grond van deze wet kan het bestuur van een veiligheidsregio bepalen dat een bedrijf een bedrijfsbrandweer moet hebben.

Meer informatie staat op de website van het ministerie van Justitie en Veiligheid.

Besluit veiligheidsregio's

In het Besluit veiligheidsregio’s staat een beschrijving van de procedure die het bestuur van de veiligheidsregio moet volgen om te bepalen of een bedrijf een bedrijfsbrandweer moet hebben. Ook is in dit besluit geregeld welke eisen aan een bedrijfsbrandweeraanwijzing kunnen worden verbonden.

C.7Vervoer

Het vervoer van gevaarlijke stoffen valt onder diverse internationale verdragen, overeenkomsten en richtlijnen. De internationale regels zijn onder andere geïmplementeerd in de Wet vervoer gevaarlijke stoffen.

Wet vervoer gevaarlijke stoffen en de ADR

De regels die gelden voor het vervoer van gevaarlijke stoffen staan in de Wet vervoer gevaarlijke stoffen. Het gaat onder meer om regels over:

  • vervoermiddelen (zoals tankwagens, schepen, reservoirwagens);
  • chauffeurs (opleiding en training);
  • vervoersdocumenten;
  • verpakkingen en etikettering;
  • laden en lossen.

Voor de activiteiten in de PGS-richtlijnen zijn de regels voor vervoer van gevaarlijke stoffen over de weg het meest relevant. De Regeling vervoer over land van gevaarlijke stoffen bevat specifieke voorschriften voor het vervoer van gevaarlijke stoffen over de weg. Als bijlage bij deze regeling zijn de internationale regels voor het vervoer van gevaarlijke stoffen opgenomen, afkomstig uit de ADR.

De ADR is een Europese overeenkomst voor het internationale vervoer van gevaarlijke goederen over de weg. De Europese Richtlijn 94/55/EG schrijft voor dat de lidstaten de ADR in eigen wetgeving implementeren.

De ADR stelt niet alleen regels voor het vervoer over de weg, maar ook voor het laden en lossen van gevaarlijke goederen.

Meer informatie staat op de website van de Rijksoverheid. Daar staat ook informatie over de ADR.

Bijlage DArbeidsomstandighedenwetgeving

De Arbeidsomstandighedenwet (Arbowet) bevat rechten en plichten voor werkgevers en werknemers op het gebied van arbeidsomstandigheden. De Arbowet bevat met name doelvoorschriften. Het Arbeidsomstandighedenbesluit geeft een uitwerking van de Arbowet. De Arbeidsomstandighedenregeling geeft weer een uitwerking van regels in het Arbeidsomstandighedenbesluit. In de Verordening persoonlijke beschermingsmiddelen staan eisen voor persoonlijke beschermingsmiddelen.

Meer informatie staat op het Arboportaal.

Risico-inventarisatie en evaluatie (RI&E)

Elk bedrijf met personeel moet (laten) onderzoeken of het werk gevaar kan opleveren of schade kan veroorzaken aan de gezondheid van de werknemers. Dit onderzoek heet een RI&E. Dit staat in artikel 5 van de Arbeidsomstandighedenwet. De RI&E moet schriftelijk worden vastgelegd. Hoofdstuk 4 van het Arbeidsomstandighedenbesluit bevat aanvullende verplichtingen voor de RI&E voor gevaarlijke stoffen.

Aanvullende Risico-inventarisatie en -evaluatie-regeling (ARIE-regeling)

Bedrijven waar een bepaalde hoeveelheid gevaarlijke stoffen in installaties aanwezig is of kan worden gevormd (ongeacht beoogde handelingen), moeten een ARIE uitvoeren. De ARIE is gericht op het voorkomen van zware ongevallen. Een bedrijf moet op basis van de ARIE maatregelen treffen. De ARIE-regeling staat in het Arbeidsomstandighedenbesluit.

Voorkomen van blootstelling aan gevaarlijke stoffen

In de Arbeidsomstandighedenwet- en regelgeving is meer informatie te vinden over het voorkomen van blootstelling aan gevaarlijke stoffen bij werknemers. Dit is de minimalisatieplicht van de werkgever. Voor het nemen van beschermende maatregelen geldt een vastgestelde volgorde, de arbeidshygiënische strategie. Deze strategie beschrijft dat maatregelen op het niveau van de bron als eerste overwogen moeten worden, daarna collectieve maatregelen en pas als laatste individuele maatregelen als persoonlijke beschermingsmiddelen.

Meer informatie staat op het Arboportaal.

Intern noodplan

Een intern noodplan is een draaiboek waarin systematisch staat aangegeven wat de organisatie moet doen bij een incident of calamiteit. Een goed voorbereide hulpverlening draagt bij aan het zo veel mogelijk beperken van de gevolgen ervan voor mensen en omgeving. Elke werkgever van een bedrijf met bepaalde hoeveelheden gevaarlijke stoffen moet zorgen dat er een intern noodplan is. Dat staat in artikel 2.5c van het Arbeidsomstandighedenbesluit. In artikel 2.4 van het Arbeidsomstandighedenbesluitstaan de grenzen voor de hoeveelheden gevaarlijke stoffen. Boven die grenzen vallen bedrijven onder de ARIE-regeling en is een intern noodplan verplicht.

Een intern noodplan bevat in elk geval de onderwerpen die staan in bijlage II van de Arbeidsomstandighedenregeling.

Meer informatie over interne noodplannen staat op het Arboportaal.

Borden en veiligheidssymbolen

De werkgever is verplicht veiligheidssignalering te gebruiken op plaatsen en bij installaties die gevaar voor de gezondheid of de veiligheid kunnen opleveren. Artikel 8.2 van de Arbeidsomstandighedenregeling schrijft voor waar veiligheidssignalering verplicht is. De eisen voor borden en pictogrammen staan in de artikelen 8.9, 8.10 en 8.11 van de Arbeidsomstandighedenregeling. Hier staan onder andere eisen over de uitvoering, de begrijpelijkheid en de plaatsing van borden. Veiligheidsborden moeten in één oogopslag duidelijk maken welk gevaar dreigt, wat verboden is of juist verplicht. In bijlage XVIII van de Arbeidsomstandighedenregeling staat welke borden in welke situatie moeten worden gebruikt.

Om misverstanden te voorkomen gelden er normen voor het ontwerp, het beeld (symbool), de tekst en het kleurgebruik. In Nederland beschrijft NEN 3011 welke veiligheidstekens in welke situatie in de werkomgeving en in de openbare ruimte moeten worden gebruikt. Voor de meeste veiligheidstekens wordt verwezen naar NEN-EN-ISO 7010 waarvan het actuele totaaloverzicht is te zien op Online Browsing Platform (OBP) (iso.org).

Artikel 8.12, 8.13 en 8.14 van de Arbeidsomstandighedenregeling beschrijft de eisen voor veiligheidssignalering op leidingen en tanks.

De wetgever schrijft voor gevaarlijke stoffen voor dat bij opslag en in leidingen en tanks de GHS-pictogrammen aangeduid dienen te worden. Dit mag ook door de ISO-waarschuwingssymbolen worden vervangen of aangevuld. In de CLP-verordening staan de GHS-pictogrammen voor de aanduiding van statische gevaarseigenschappen van chemische stoffen. Deze verordening is beoogd voor etikettering en verpakking en voorziet niet in alle risico’s met stoffen in een proces, en daarom niet volledig aan het doel van de Arbeidsomstandighedenregeling.

In NEN-EN-ISO 20560-1 en -2 is de veiligheidssignalering van leidingen en tanks uitgewerkt. NEN-ISO 20560-2 beschrijft voor opslagtanks de veiligheidsinformatie (symbolen/pictogrammen, tekstinformatie, NFPA-diamant en UN-nummer).

Bijlage EArbobijlage - wettelijke verplichtingen

Voor situaties waarin wordt gewerkt met gevaarlijke stoffen geldt, los van de maatregelen zoals beschreven in deze PGS, een aantal verplichtingen uit de arbo-wetgeving. Bij opslag van gevaarlijke vloeistoffen in atmosferische tanks kan sprake zijn van zulke situaties bij bijvoorbeeld:

  • Monstername
  • Aftappen product
  • Laden en lossen
  • (Tussentijds) toevoegen (grond)stoffen
  • Niveaumeting
  • Handelingen bij lekkage, calamiteiten

Hieronder volgt een overzicht van relevante artikelen uit de arbo-wetgeving.

Met de Zelfinspectie van Nederlandse Arbeidsinspectie kan worden bepaald of in een specifieke situatie wordt voldaan aan de arbowetgeving. De Zelfinspectie ‘Werken met gevaarlijke stoffen’ helpt om de risico’s voor het werken met gevaarlijke stoffen te inventariseren, te beoordelen, de maatregelen daarop af te stemmen en de aanpak te borgen in de organisatie. Daarnaast is voor bepaalde branches een arbocatalogus beschikbaar.

Relevante artikelen uit de arbo-wetgeving

Tabel 8Relevante artikelen - Arbowet

Artikel

Onderwerp

3

Arbobeleid

5

Inventarisatie en evaluatie van risico's

8

Voorlichting en onderricht

18

Arbeidsgezondheidskundig onderzoek

Tabel 9Relevante artikelen - Arbobesluit

Bekijk deze tabel in een popup venster

Artikel

Onderwerp

Hoofdstuk 3. Inrichting arbeidsplaatsen

§ 2a. Explosieve atmosferen

3.5c

Nadere voorschriften risico-inventarisatie en -evaluatie; explosieveiligheidsdocument

3.5d

Algemene preventieve maatregelen

3.5e

Maatregelen in gevarenzones

3.5f

Bijzondere maatregelen

§ 2b. Voor de gezondheid schadelijke atmosferen

3.5g

Gevaar voor verstikking, bedwelming, vergiftiging, brand of explosie

Hoofdstuk 4. Gevaarlijke stoffen en biologische agentia

Afdeling 1. Gevaarlijke stoffen

(1.46)

(Toepasselijkheid hoofdstuk 4)

4.1b

Zorgplicht

4.1c

Beperken van blootstelling; algemene preventieve maatregelen

4.1d

Beperking van blootstelling; werkpleketikettering

4.2

RI&E

4.4

Arbeidshygiënische strategie

4.6

Voorkomen van ongewilde gebeurtenissen

4.7

Maatregelen bij ongewilde gebeurtenissen

4.10a

Onderzoek

4.10c

Dossier en registratie

4.10d

Voorlichting & onderricht

Afdeling 2. Aanvullende voorschriften kankerverwekkende of mutagene stoffen en kankerverwekkende processen

4.13

Nadere voorschriften risico-inventarisatie en -evaluatie

4.15

Lijst van werknemers

4.16

Grenswaarden

4.17

Voorkomen van blootstelling; vervangen

4.18

Voorkomen of beperken van blootstelling

4.19

Beperken van blootstelling

4.20

Hygiënische beschermingsmaatregelen

Afhankelijk van de aanwezige hoeveelheden gevaarlijke stoffen is bovendien voor bepaalde bedrijven het Besluit risico’s zware ongevallen 2015 (Brzo 2015) of de in het Arbobesluit opgenomen Aanvullende voorschriften risico-inventarisatie en -evaluatie (ARIE-regeling) van toepassing.

Bijlage FPGS en beschikbaarheid van brandweervoorzieningen

In de Wet milieubeheer is het uitgangspunt dat “de vervuiler betaalt” stevig verankerd. Zo is een bedrijf primair ook zelf verantwoordelijk om maatregelen te treffen om onvoorziene voorvallen te voorkomen en/of de effecten ervan te beperken. Dit geldt ook voor de opslag van gevaarlijke stoffen. Dit uitgangspunt wordt geborgd in de omgevingsvergunning (milieu) of via het Bal middels de aanwijzing van de desbetreffende PGS. Bij grote bedrijven/scenario’s (BRZO/Arie) kan dit zelfs leiden tot een bedrijfsbrandweeraanwijzing. Ook als een bedrijf alles doet wat vanuit een PGS-richtlijn, verzekering, eigen bedrijfsfilosofie e.d. gewenst is aan maatregelen, zal er nog altijd een zeker restrisico overblijven. Hierbij heeft de overheidsbrandweer een rol.

De overheid heeft een verantwoordelijkheid om op te treden bij brand en rampen, ook bij bedrijven.Hiervoor is de overheidsbrandweer uitgerust met diverse middelen (in de vorm van materieel / materiaal en manschappen) en heeft de gemeente de zorg voor openbare bluswatervoorziening.

Daarnaast zijn de mogelijkheden van deze middelen niet onbeperkt en dient er nadrukkelijk rekening gehouden te worden met de tijdsspanne waarbinnen deze middelen ‘inzet gereed’ zijn. Hierbij geldt landelijk een basisniveau. Afhankelijk van het risicoprofiel van een gemeente kunnen meer middelen aanwezig zijn. Bij het gebruik van deze extra middelen moeten altijd zorgvuldig afspraken gemaakt worden (maatwerk).

Opmerking: Er bestaat een risico dat door bezuinigingen of hernieuwde inzichten de middelen komen te vervallen of worden verplaatst. Hierdoor kan het voorkomen dat de gemaakte afspraken over de inzet van materieel komen te vervallen.

Middels deze notitie wordt inzicht gegeven in de (on-)mogelijkheden van het gebruik van bijstand door de overheidsbrandweer. Ondanks dat de overheidsbrandweer in veel gevallen adequaat kan ingrijpen dient vermeld te worden dat zij een inspanningsverplichting hebben en geen resultaatverplichting. De inzet van de overheidsbrandweer is primair gericht op bescherming van mensen en de omgeving en niet op het beschermen van installaties en de bedrijfscontinuïteit. Het bedrijfsleven dient zélf zorg te dragen voor de benodigde maatregelen en/of middelen om escalatie te voorkomen. Zeker in die gevallen waarbij de capaciteit en mogelijkheden van de overheidsbrandweer worden overschreden.

F.1Wettelijk kader

Het wettelijk kader voor de taken van de brandweer ligt vast in de Wet veiligheidsregio’s. Het bijbehorende Besluit veiligheidsregio’s beschrijft de eisen die gesteld worden aan de organisatie, opkomsttijden, materieel en uitrusting. Voor industriefuncties is een prestatie-eis gesteld voor de opkomsttijd (opkomsttijd = de aankomsttijd van het eerste voertuig na alarmering) van de eerste basisbrandweereenheid. Deze is vastgesteld op 10 minuten. Veiligheidsregio’s mogen hiervan afwijken, maar nooit hoger vaststellen dan een opkomsttijd van 18 minuten.

De benoemde basisbrandweereenheid bestaat uit één tankautospuit conform het branchevoorschrift Standaardbepakking voor brandweervoertuigen. Specialistische voertuigen, welke benodigd zijn om een industriële brand te blussen, worden in de Veiligheidsregio gepositioneerd overeenkomstig hun dekkings- en specialismenspreidingsplan en hebben normaliter een opkomsttijd van maximaal 60 minuten.

F.2Uitgangspunten overheidsbrandweer

Voor het bepalen van de benodigde voorzieningen en het vaststellen van de maatregelen in deze PGS-richtlijn zijn de onderstaande randvoorwaarden van een inzet van de overheidsbrandweer als uitgangspunt genomen.

Algemeen:
  • een straatwaterkanon heeft een capaciteit van 1.500 l/min;
  • de (openbare-) bluswatervoorziening dient een capaciteit te hebben van minimaal 1.500 l/min;
  • de afstand tot de openbare bluswatervoorziening dient max. 100 m te bedragen;
  • de overheidsbrandweer heeft (minimaal) 1.000 liter schuimvormend middel (SVM) beschikbaar;
  • specialistische (schuimblus-) voertuigen hebben een opkomsttijd van < 60 minuten;
  • dee overheidsbrandweer heeft over het algemeen geen tussenmengers en schuimstraalpijpen beschikbaar.
Koeling:
  • één opslagtank van max. 50 m3 kan gekoeld worden;
  • een object < 150 m2 kan gekoeld worden;
  • mobiele koeling vindt plaats met een application rate van 10 l/min/m2;
  • koeling vindt over het algemeen plaats met een straatwaterkanon;

In de volgende situaties is er geen (koel-)voorziening* noodzakelijk:

  • bij een gezamenlijk opgesteld volume -per brandcompartiment- van < 10 m3;
  • bij een warmtestraling op de tank van < 10 kW/m2;
  • bij een warmtestraling van > 10 kW/m2 en < 32 kW/m2, gedurende < 30 minuten op een enkelwandige tank;
  • bij een warmtestraling van > 10 kW/m2 en < 32 kW/m2, gedurende < 60 minuten op een dubbelwandige tank.

In de volgende situaties is er een (koel-)voorziening* noodzakelijk:

  • bij een warmtestraling van > 32 kW/m2, op een tank > 10 m3;
  • op een tank > 50 m3;
  • wanneer er meer dan één tank wordt aangestraald, met een gezamenlijk opgesteld volume > 10 m3.

* In plaats van een koelvoorziening kan ook een andere voorziening gelezen worden (Brandwerende scheidingsconstructie, fireproofing coating, afstand).

Tankbrand:
  • een tank van 150 m3 heeft over het algemeen een brandendtankoppervlak < 20 m2;
  • één tankbrand kan -indien bereikbaar- bestreden worden door de overheidsbrandweer;
  • tankbranden dienen bestreden te worden door de toevoeging van schuimvormend middel (SVM);
  • mobiele blussing vindt plaats met een application rate van (minimaal) 6,5 l/min/m2;

In de volgende situaties is er geen blusvoorziening noodzakelijk voor het bestrijden van een tankbrand:

  • bij toepassing van inertisering;
  • wanneer er geen escalatie mogelijk is;
Plasbrand (tankputbrand):
  • de overheidsbrandweer heeft voldoende SVM om een plasbrand te bestrijden < 170 m2;
  • mobiele blussing vindt plaats met een application rate van (minimaal) 6,5 l/min/m2.

In de volgende situaties is er geen stationaire blusvoorziening noodzakelijk voor het bestrijden van een tankputbrand:

  • bij een gezamenlijk opgesteld volume -per brandcompartiment- van < 10 m3;
  • bij een tankput (uitpandig) < 170 m2;
  • bij een tankput (uitpandig) < 300 m2, indien er voldoende middelen beschikbaar zijn om deze brand adequaat te kunnen bestrijden (SVM, tussenmenger, schuimstraalpijp)

In de volgende situaties zijn er aanvullende** voorzieningen noodzakelijk voor het bestrijden van een tankputbrand:

  • wanneer bij een plasbrand van < 300 m2 de openbare bluswatervoorziening een capaciteit van < 1.950 l/min levert.

** In deze situaties heeft de overheidsbrandweer te weinig materiaal / materieel om tot een adequate inzet te komen.

Binnenbrand:

Er wordt onderscheid gemaakt tussen inpandige en uitpandige tankopslag. Onder inpandige tankopslag worden alle tankopslagen verstaan die in een (ander) bouwwerk zijn gesitueerd. Een uitpandige tankopslag is een niet in een bouwwerk gesitueerde tankopslag. Een overkapping of een hekwerk worden niet als inpandig beschouwd. Voor inpandige opslag gelden ook altijd de regels van het Bbl.

Het opstellen van één of meerdere opslagtanks die ADR-Klasse 3 vloeistoffen bevatten en die in een (ander) bouwwerk zijn gelegen, kan de bestrijdbaarheid dan wel de beheersing van een brand bemoeilijken wanneer deze tanks bij de brand betrokken raken. Het spreekt voor zich dat de bestrijding dan wel beheersing van een brand in dergelijke situaties van veel factoren afhankelijk is, zoals het aantal tanks, het volume van de tanks, het materiaal waarvan de tanks zijn vervaardigd, het gebouw waarin de tanks staan opgesteld, de bouwkundige staat van dit gebouw, compartimentering van het gebouw, of het al dan niet uitvoeren van reguliere werkzaamheden met een reëel risico op het ontstaan van brand (brandgevaarlijke activiteiten) in de ruimte waarin ook de tanks staan opgesteld. Een brandweerinzet is in deze gevallen altijd maatwerk.

Tot een opgesteld volume van 10 m3 per brandcompartiment zijn geen aanvullende maatregelen verplicht gesteld, het uitgangspunt is dat dit compartiment dan uitbrand. Een 60 minuten brandwerende scheiding wordt voldoende geacht om de vloeistof op te laten branden (ondanks dat er stoffen bij zijn welke een langere brandduur hebben en waarbij de 'standaard brandkromme' niet geheel toereikend zal zijn).

  • bestrijding vindt plaats overeenkomstig de ‘basisprincipes voor brandbestrijding’;
  • inzetdiepte < 25m;
  • altijd in overeenstemming met de lokale brandweer.
Afdekken toxische plas:
  • de overheidsbrandweer heeft voldoende SVM om een toxische plas af te dekken < 300 m2;
  • mobiel afdekken vindt plaats met een application rate van (minimaal) 1 l/min/m2, gedurende 20 minuten.

In de volgende situaties is er geen stationaire voorziening noodzakelijk voor het afdekken van een toxische plas:

  • bij een tankput < 300 m2 .

In de volgende situaties zijn er aanvullende voorziening noodzakelijk voor het afdekken van een toxische plas:

  • Bij acuut toxische stoffen die vallen onder stofgroep H330 en H331.

F.3Uitgangspunten bluswatervoorziening

De pompcapaciteit van een standaard brandweervoertuig (tankautospuit) is geschikt om een capaciteit van 2.000 l/min te behalen. Echter, door de beperkte inhoud van de eigen watervoorraad (tank) dient dit voertuig gevoed te worden door een bluswatervoorziening. Zonder adequate bluswatervoorziening is een tankauto binnen enkele minuten leeg en zodoende niet meer inzetbaar. Standaard is de maximale capaciteit van de openbare bluswatervoorziening beperkt tot 1.000 l/min.

Opmerking: De uitgangspunten voor een (openbare) bluswatervoorziening worden bepaald middels de landelijke handreiking bluswatervoorziening en bereikbaarheid. Op basis van deze handreiking stellen Veiligheidsregio’s hun eigen bluswaterbeleid vast. In woonwijken kan de capaciteit minder zijn dan 1.000 l/min en op industrieterreinen is dit vaak meer (normaliter 1.500 l/min).

Daarnaast speelt de afstand tot een bluswatervoorziening een rol. Hoe groter de afstand, hoe langer het duurt voordat de tankautospuit kan worden aangesloten op de bluswatervoorziening. Ook zit er een beperking in de op de tankautospuit aanwezige slanglengtes. Het uitgangspunt is dat een voertuig ‘tweevoudig’ gevoed dient te worden. Uitgaande van de standaard bepakking van een tankautospuit, kan een maximale afstand van 100 meter worden overbrugd. Conform de handreiking ‘Bluswatervoorziening en bereikbaarheid’ is het mogelijk om deze afstand te overbruggen binnen 6 minuten.

Voor grotere bluswaterhoeveelheden is een ‘Peloton Grootschalige Watervoorziening’ noodzakelijk, conform de publicatie “Grootschalig Brandweeroptreden, versie 2.0”. Dit peloton kan over een afstand van 1.500 m een bluswatercapaciteit verpompen van 8.000 l/min. Dit peloton wordt opgeroepen op het moment dat de eerste brandweereenheid dit nodig acht. Dit is dus veelal niet direct vanaf het begin van een brand, maar pas als de eerste eenheid vaststelt dat grootschalige watervoorziening noodzakelijk is. Bijvoorbeeld als een opslag met gevaarlijke stoffen (tank of opslagruimte) wordt aangestraald en dit mogelijk tot escalatie van het oorspronkelijke incident leidt.

Afhankelijk van de tijdsspanne tussen brandmelding en alarmeren/uitrukken/aanrijden/opbouwen van het grootschalige watertransport kan op basis van ervaring ervan uitgegaan worden dat een Peloton Grootschalige Watervoorziening pas na 30 tot 60 minuten inzetbaar is.

F.4Landelijke visie inzet koeling

Brandweer Nederland hanteert voor het mobiel koelen van aangestraalde objecten een ‘application rate’ van 10 l/min/m2.

Bij de inzet van mobiele middelen ten behoeve van de koeling gaat de voorkeur uit naar het inzetten van een straatwaterkanon ten opzichte van handstralen. Voornamelijk omdat door de grotere worplengte een veiligere afstand kan worden gecreëerd voor het ingezette personeel.

Doordat de standaard bepakking van een tankautospuit ‘slechts’ één straatwaterkanon voorschrijft kan ook slechts vanuit één zijde de koeling worden ingezet. Een object welke vanuit meerdere zijden wordt aangestraald, bijvoorbeeld in geval van een plasbrand, kan zodoende niet effectief gekoeld worden.

Een straatwaterkanon heeft in basis een groter bereik dan handstralen, maar ook een straatwaterkanon heeft zijn beperkingen. In deze notitie is ervan uitgegaan dat het koelen van objecten plaats kan vinden, maar dat er wel rekening gehouden dient te worden met de maximale afstand tot het object en de hoogte van het te koelen object.

Bij het koelen van objecten ín een gebouw geldt het uitgangspunt dat de koeling van buitenaf moet plaatsvinden. In de meeste gevallen zal deze mobiele koeling niet effectief zijn, doordat het water niet aan de verhitte zijde van het object kan komen. In de uitzonderlijke gevallen waar dit wel mogelijk is betreft het maatwerk, waarbij toestemming gevraagd dient te worden aan de lokale brandweer.

F.5Landelijke visie gebruik schuimvormend middel (SVM)

De landelijke visie Incidentbestrijding Gevaarlijke Stoffen (IBGS) gaat uit van een minimaal niveau voor schuiminzetten. Dit is gesteld op het binnen 60 minuten afdekken van een , niet-brandende, plas van een toxische vloeistof met een oppervlakte van maximaal 1.500 m2. Om deze plas van een toxische vloeistof te kunnen afdekken is, conform de ‘meerjarenvisie IBGS’, een hoeveelheid SVM noodzakelijk van 1.000 liter.

Opmerking: Voor het afdekken van een plas van een toxische vloeistof worden verschillende uitgangspunten gehanteerd. Het uitgangspunt is een ‘application rate’ van 1 l/min/m2 gedurende 20 minuten en een bijmengpercentage van 3%, maar er zijn ook Veiligheidsregio’s die rekenen met 0,65 l/min/m2 gedurende 30 minuten.

Indien van de overheidsbrandweer verwacht wordt dat zij een inspanning dienen te leveren om een brandende plas te blussen (bijvoorbeeld bij een tankputbrand), dan is het mogelijk om met de voorgenoemde hoeveelheid SVM een plas van ongeveer 170 m2 te bestrijden. Dit betreft enkel uitpandige situaties.

Opmerking: Uitgangspunt voor de bestrijding van plasbranden is een ‘application rate’ van minimaal 6,5 l/min/m2, gedurende 30 minuten en een bijmengpercentage van 3%. Voor een aantal stoffen is een hogere application rate noodzakelijk, dit wordt bepaald door de producent van het SVM. Ook dient bij sommige SVM-soorten een hoger bijmengpercentage (6%) te worden gehanteerd.

Bij scenario’s met grotere plasbranden heeft de overheidsbrandweer, conform de landelijke visie, te weinig SVM voor handen. Indien het bedrijf zorgdraagt voor de noodzakelijke hoeveelheid SVM en de benodigde equipment om dit schuim op te brengen (o.a. een tussenmenger en schuimstraalpijp), dan bestaat er de mogelijkheid voor de overheidsbrandweer om een plasbrand tot 300 m2 te bestrijden. Dit betreft maatwerk, waarbij toestemming gevraagd dient te worden aan de lokale brandweer

F.6Basisprincipes van (inpandige-) brandbestrijding

Voor inpandige opslagen is het met de huidige filosofie voor brandbestrijding niet vanzelfsprekend dat de overheidsbrandweer een ‘binnenaanval’ zal inzetten. Tijdens de verkenning worden drie vragen gesteld om te bepalen welke inzettactiek het beste gebruikt kan worden:

  1. Is de plaats van de brand bekend?
  2. Is de brand van buitenaf direct bereikbaar?
  3. Hebben we voldoende koelend vermogen beschikbaar?

Slechts wanneer op alle bovenstaande vragen ‘ja’ kan worden beantwoord, zal de brandweer een bluspoging ondernemen. Bij opslagen met gevaarlijke stoffen betreft het in eerste instantie dan de ‘offensieve buiteninzet’, conform het ‘Kwadrantenmodel voor gebouwbrandbestrijding’. De brand zal in dit geval vanuit buiten worden bestreden.

Wanneer de brand niet van buitenaf kan worden bestreden moet een afweging gemaakt worden in hoeverre een incident al of niet tot escalatie kan leiden en of aanvullende maatregelen (zoals bijvoorbeeld een blussysteem) noodzakelijk zijn.

Bijlage GSchematische weergave configuratie overvulbeveiliging

Afbeelding 12Schematische weergave behorend bij M14

Afbeelding 13Schematische weergave behorend bijM22

Afbeelding 14Schematische weergave (alternatief) behorend bij M22

Afbeelding 15Schematische weergave behorend bij M23

Bijlage HWarmte-isolerende bekleding of coating

Een warmte-isolerende bekleding of coating biedt bescherming tegen warmtestraling. Normatieve kaders voor het toepassen van een warmte-isolerende bekleding of coating zijn:

  • API RP 2218: Fireproofing Practices in Petroleum & Petrochemical Processing Plants;
  • API 2510: Design and Construction of LPG Installations;
  • API 2510A: Fire-Protection Considerations for the Design and Operation of Liquefied Petroleum Gas (LPG) Storage Facilities;
  • UL 1709 – UL Standard for Rapid Rise Fire Tests of Protection Materials for Structural Steel. Dit document geeft informatie over de testen die moeten worden uitgevoerd door de producent om aan te tonen dat de warmte-isolerende bekleding of coating geschikt is en hoe lang die bestand is tegen de effecten van de brand.

Er zijn twee warmte-isolerende bekleding of coatings die potentieel geschikt zijn voor toepassing bij koolwaterstofplasbranden, te weten cementachtige coatings en epoxy coatings.

Bij het voorbewerken van het oppervlak waarop een warmte-isolerende bekleding of coating moet worden aangebracht en de condities waaronder meerdere lagen warmte-isolerende bekleding of coatings moeten worden aangebracht, moet de nodige zorgvuldigheid in acht worden genomen. Dit proces is beschreven in de instructie van de producent van de coatings.

De wijze van opbrengen, laagdikte, enz. moet door de producent/leverancier met relevante aangemerkte parameters samen met foto’s in een logboek worden vastgelegd. In dit logboek moeten ook de inspectie, testen en onderhoudsgegevens van de warmte-isolerende bekleding of coating worden genoteerd, samen met de kwalificaties van de personen die deze werkzaamheden hebben uitgevoerd. Een ‘guidance’ voor inspectie, testen en onderhoud is opgenomen in: NORSOK Standard M-501: Surface preparation and protective coating. Deze informatie moet beschikbaar zijn. Door het niet goed opvolgen van de instructies van de producent ontstaat voortijdige veroudering van de warmte-isolerende bekleding of coating, waardoor de warmte-isolerende bekleding of coating mogelijk niet de bescherming biedt waar in het scenario vanuit is gegaan. Nadat de warmte-isolerende bekleding of coating is aangebracht, moet de coating periodiek worden geïnspecteerd en onderhouden. De technische levensduur van de warmte-isolerende bekleding of coating is afhankelijk van het product. Er zijn op dit moment producten beschikbaar die zowel corrosiewerend als brandbeschermend zijn en waarvan de goede werking voor 20 tot 25 jaar is gegarandeerd.

Bijlage IKeuringstermijnen voor tanks Normatief

De algemene maximale herkeuringstermijn voor een tank bedraagt tien jaar tot de volgende periodieke inspectie. Deze algemene keuringstermijn is gebaseerd op een ontwerplevensduur van twintig jaar van de veel toegepaste kunststof tanks. Bij de ontwerplevensduur van kunststof tanks wordt rekening gehouden met de mechanische en chemische belasting van het tankmateriaal. Voor stalen tanks geldt deze algemene keuringstermijn van tien jaar ook vanwege de mogelijke corrosieve inwendige aantasting door gevaarlijke vloeistoffen. Onder bepaalde omstandigheden zijn er langere keuringstermijnen mogelijk waarbij de tankinstallatie veilig in bedrijf kan worden gehouden. Deze omstandigheden zijn uitgewerkt per type tankinstallatie, materiaal en opgeslagen stof. Indien deze omstandigheden kunnen worden aangetoond, kan er een langere keuringstermijn worden gehanteerd.

Tabel 10Keuringstermijnen voor tanks

Bekijk deze tabel in een popup venster

Materiaal tank

Opgeslagen stof

Inwendige periodieke keuring

Toelichting / voorbeeld stoffen

Staal enkelwandig, inwendig onbehandeld, boven- en ondergronds

Alle gevaarlijke vloeistoffen, mits de bestendigheid van het materiaal is bevestigd door tabel 2 van Annex B van NEN-EN 12285-1

10 jaar*

Inwendige corrosiesnelheid is hiervoor bepalend. Uitgangspunt is een uniforme corrosiesnelheid van minder of gelijk dan 0,1 mm per jaar. Hierdoor is de maximale afname van de inwendige tankwand 1 mm. Indien er bij het tankontwerp een aanvullende corrosietoeslag is toegepast (t.o.v. de genormeerde wanddikte), dan kan de Inwendige periodieke keuringstermijn worden verlengd naar 15 jaar.

Staal dubbelwandig, inwendig onbehandeld, boven- en ondergronds

Alle gevaarlijke vloeistoffen mits de bestendigheid van het materiaal is bevestigd door tabel 2 van Annex B van NEN-EN 12285-1

10 jaar*

Inwendige corrosiesnelheid is hiervoor bepalend. Uitgangspunt is een uniforme corrosiesnelheid van minder of gelijk dan 0,1 mm per jaar. Hierdoor is de maximale afname van de inwendige tankwand 1 mm. Indien er bij het tankontwerp een aanvullende corrosietoeslag is toegepast (t.o.v. de genormeerde wanddikte), dan kan de Inwendige periodieke keuringstermijn worden verlengd naar 15 jaar.

Staal enkelwandig, inwendig onbehandeld boven- en ondergronds

Aardoliedestillaten zoals beschreven in het Bal, vloeistoffen ADR-klasse 8, polyesterharsen en gevaarlijke vloeistoffen die niet leiden tot inwendige corrosie

15 jaar*

Uitgangspunt is dat deze gevaarlijke vloeistoffen niet leiden tot inwendige corrosie. De inwendige keuringstermijn van maximaal 15 jaar is mogelijk indien de tank over voldoende corrosietoeslag beschikt in combinatie met bewezen corrosiegedrag van de opgeslagen stof. Indien er bij het tankontwerp een aanvullende corrosietoeslag is toegepast (t.o.v. de genormeerde wanddikte), dan kan de Inwendige periodieke keuringstermijn worden verlengd naar 20 jaar

Staal enkel- en dubbelwandig, volledig inwendig gecoat, boven- en ondergronds

Alle

Maximaal 20 jaar. Voorwaarde is dat de coating wordt aangebracht: − onder een productcertificaat afgeven volgens NEN-EN 45011 of de opvolger NEN-EN-ISO/IEC 17065); − onder toezicht en onder garantieverklaring van de verffabrikant.

De geldigheid van het productcertificaat of de verklaring is maximaal 20 jaar en mag niet langer zijn dan de technische levensduur van de coating.

Uitgangspunt is dat deze gevaarlijke vloeistoffen in combinatie met aangebrachte coating niet leiden tot inwendige corrosie. Hierbij moet rekening worden gehouden dat als de coating faalt, de tank niet voor de volgende inwendige keuring faalt als gevolg van inwerking van het opgeslagen product op het staal.

RVS, boven- en ondergronds

Alle gevaarlijke vloeistoffen, mits de bestendigheid van het materiaal bevestigd is door tabel 2 van DIN6601

15 jaar*

Uitgangspunt is dat deze gevaarlijke vloeistoffen in combinatie met het toegepaste materiaal niet leiden tot inwendige corrosie. Indien er aantoonbaar geen omstandigheden optreden waarin putcorrosie van RVS kan optreden, dan kan deze termijn worden verlengd naar 20 jaar.

Kunststof thermoplastisch (gelast en rotatiegegoten)

Alle stoffen genoemd in de DIBT-lijst:: Tabellen in paragraaf 1.1 t/m 1.5 met A2 < 1,4 en niet gekenmerkt met WP-stoffen 40-1.1, 40-1.2, 40-1.3, 40-1.4, 40-1.5

10 jaar

Inwendige inspectie voorgeschreven, tenzij aan de hand van laboratoriumonderzoek van een testplaat uit de tank (monster) kan worden aangetoond dat de tank geschikt is voor een inzet van 10 jaar. Geldt alleen voor de eerste periodieke keuring (tank 10 jaar oud

Kunststof thermoplastisch (gelast en rotatiegegoten

Alle stoffen genoemd in de DIBT-lijst: Tabellen in paragraaf 1.1 t.m 1.5 met A2 a > = 1.4 en WP-stoffen 40-1.1, 40-1.2, 40-1.3, 40-1.4, 40-1.5

Maximaal 5 jaar Altijd inwendige inspectie en een analyse van een materiaalmonster van de tank

  • PE-tanks Waterstofperoxide H2O2 ≤ 70 %;
  • PP-tanks;
  • PVC-U azijnzuur CH3COOH ≤ 50 % en T = 60 ˚C.

De opgeslagen stoffen hebben een zeer negatieve invloed op de integriteit van het tanklichaam. De ontwerplevensduur is korter dan de normale 20 jaar. Hierdoor zijn meer frequente inspecties nodig.

Kunststof thermoharder

DIBT-lijst stoffen en niet gekenmerkt met WP-DIBT 40-2.1.1, 40-2-1.2

Inwendig 10 jaar, tenzij uitwendige inspectie acceptabel en inwendig van buitenaf bij een laag vloeistofniveau, dan 15 jaar

Kunststof thermoharder

DIBT-lijst stoffen en gekenmerkt met WP-DIBT 40-2.1.1, 40-2-1.2

Maximaal 5 jaar

De opgeslagen stoffen hebben een zeer negatieve invloed op de integriteit van het tanklichaam. De ontwerplevensduur is korter dan de normale 20 jaar. Hierdoor zijn meer frequente inspecties nodig.

Kunststof thermoharder

DIBT-lijst stoffen 40-2-1.3

10 jaar inwendig

Kunststof thermoharder

DIBT-lijst stoffen en gekenmerkt met WP-DIBT 40-2.1.3

5 jaar, altijd inwendig

Betreft uitzonderingsstoffen

Kunststof thermoharder + thermoplastische lining

DIBT 40-3.2, 40-3.4 met uitzondering van WP-stoffen en diffunderende stoffen

10 jaar, altijd inwendig

Kunststof thermoharder + thermoplastische lining

DIBT 40-3.2, 40-3.4 de WP-stoffen en diffunderende stoffen

5 jaar, altijd inwendig

IBC’s toegepast zoals bedoeld in 7.7 van PGS 31

Moeten voldoen aan de wet- en regelgeving voor IBC’s zoals beschreven in het ADR en de desbetreffende ministeriële regeling

Veel voorkomende keuringstermijnen zijn 2,5 en 5 jaar. Afhankelijk van het in de IBC te vervoeren product en toegepaste materiaal kunnen andere termijnen gelden.

Alle overige materialen

Alle overige stoffen

Voor de overige materialen en stoffen moeten aanvullende vergunningvoorschriften worden opgesteld

Onder bepaalde omstandigheden zijn er langere keuringstermijnen mogelijk waarbij de tankinstallatie veilig in bedrijf wordt gehouden. Deze omstandigheden moeten zijn uitgewerkt per type tankinstallatie, materiaal en opgeslagen stof

*Deze keuringstermijnen kunnen worden verlengd tot een maximum van 20 jaar, indien men deze omstandigheden kan aantonen. De omstandigheden die kunnen leiden tot een keuringstermijn van maximale 20 jaar zijn:

  • toepassen van een corrosietoeslag in het tankontwerp (t.o.v. de genormeerde wanddikte) waarbij rekening wordt gehouden met mogelijk optredende corrosiesnelheden en hierop een veiligheidsfactor van ten minste 1.5 op wordt toegepast. Ook moet indien nodig rekening worden gehouden met microbiologische beïnvloede corrosie (MIC);
  • de opslagomstandigheden moeten worden beheerst door bijvoorbeeld controles op vrij water met zuurgraad/elektrische geleidbaarheid en tevens MIC, voorkomen van putcorrosie bij RVS tanks;
  • de toegepaste corrosietoeslagen (t.o.v. de genormeerde wanddikte), de genomen uitgangspunten en te nemen beheersmaatregelen moeten worden opgenomen in het installatieboek. Op het installatiecertificaat moet worden vermeld dat vastgestelde keuringstermijn alleen geldt als blijvend aan de gestelde voorwaarden is voldaan.

Opslagtanks moeten bij een inwendige keuring altijd inwendig worden beoordeeld. Voor ondergrondse tankinstallaties/opslagtanks in grondwaterbeschermingsgebieden is een herclassificatietermijn van 10 jaar altijd van toepassing.

Op het installatiecertificaat moet een volgend jaartal van inwendige keuring worden genoteerd, dit is gebaseerd op de termijn van inwendige keuring.

Abminderungsfactor = relatieve verkorting van de ontwerplevensduur ten opzichte van de belasting van een tank met water.

Wanneer het gebruik van de installatie door de opgeslagen producten in relatie met de toepassing of de technische staat daartoe aanleiding geeft, moet een kortere keuringstermijn worden afgegeven.

Verkorte keuringstermijnen moeten ook worden afgeven wanneer de ontwerplevensduur van de installatie wordt overschreden. Specifiek geldt dit voor kunststof tanks wanneer deze zijn ontworpen voor een levensduur van twintig jaar. Deze ontwerplevensduur is gebaseerd op ongunstige belastingcondities en inwerking van de opgeslagen gevaarlijke vloeistof. Een langere gebruiksduur dan de ontwerplevensduur is aanvaardbaar omdat de belasting van de tank in de praktijk gemiddeld lager is dan die in de ontwerpuitgangspunten wordt gehanteerd. Door inspectie kan worden aangetoond dat de tank nog geschikt is voor opslag. Zodra de tank de theoretische ontwerplevensduur heeft overschreden, moet een kortere herkeuringstermijn worden afgegeven.

Kunststof opslagtanks voor stoffen die staan op de lijst van het Deutches Institut für Bautechnik, de DIBT-lijst, krijgen na de eerste periodieke keuring een volgende keuringstermijn. Deze wordt bepaald aan de hand van de opgetreden degradatie van de tank.

Stalen en in mindere mate roestvaststalen tanks zijn onderhevig aan corrosie. Uitgangspunt is dat de corrosiesnelheid voor niet-aantastende gevaarlijke vloeistoffen kleiner is dat 0,1 mm per jaar. Hierdoor is na een periode van tien jaar 1 mm staal minder beschikbaar voor de constructieve sterkte van de tank.

Voor stalen tanks kan een goedwerkende inwendige coating de corrosieve aantasting voorkomen. Wanneer een effectieve coating is aangebracht, kan er een langere inwendige keuringstermijn worden vastgesteld.

Bij RVS-tanks functioneert een goedwerkende passieve laag van chroomoxiden als barrière tegen corrosieve aantasting. De keuringstermijn voor deze tanks kan daarom langer zijn dan voor stalen tanks onder voorwaarde dat er geen putcorrosie optreedt.

Bijlage JP&ID PGS 31-tankinstallatie

Afbeelding 16 is een weergave van een Piping and instrumentation diagram, een overzichtstekening van leidingwerk en instrumenten in een procesinstallatie van een ‘standaard’ PGS 31-tankinstallatie.

Afbeelding 16Piping and instrumentation diagram

Bijlage KVerschillen met de vorige versie

K.1Inleiding

Deze PGS-richtlijn komt voor het grootste deel inhoudelijk overeen met de vorige versie van deze publicatie.

Een aantal maatregelen is niet meer opgenomen. Reden daarvoor is dat deze maatregelen niet voortvloeien uit de risicoanalyse of al in andere wetgeving zijn opgenomen.

Een aantal maatregelen is inhoudelijk gewijzigd. Dit is gebeurd op basis van de risicoanalyse of nieuwe inzichten. De volgende paragraaf beschrijft op hoofdlijnen de belangrijkste verschillen. Voor bestaande situaties die nog niet aan deze maatregelen voldoen, gelden implementatietermijnen. Deze termijnen staan in Bijlage M.

K.2Belangrijkste inhoudelijke wijzigingen

K.2.1Gewijzigde maatregelen

Bekijk deze tabel in een popup venster

PGS 31:2022

PGS 31:2021 VERSIE 1.0

Wijziging

M2

vs 2.3.2

Nu van toepassing op alle tank typicals

M4

vs 6.4.8

Toegevoegd "of een veiligheidsstudie" en "en er een aanvalsplan aanwezig is. "

M5

vs 2.3.9

Eerste zin maatregel verwijderd "Verwarmde (ontvlambare) vloeistoffen/mengsels mogen niet in ondergrondse tanks worden opgeslagen".

Verwijderd "In geval de opgeslagen stof op of boven zijn vlampunt wordt verwarmd, moet de desbetreffende stof worden beschouwd als een ADR 3 verpakkingsgroep I-product. Dienovereenkomstig moeten (veiligheids)maatregelen worden getroffen"

M9

vs 2.2.1

Nu van toepassing op alle tank typicals

M11

vs 2.2.4

Nu van toepassing op alle tank typicals

M12

vs 2.2.19, vs 2.3.6, vs 2.3.7, vs 2.220

Maatregelen samengevoegd

M14

vs 2.2.7 t/m 2.2.13, vs 2.2.21

Nieuwe set van maatregelen uitgaande van basis voor alle tanks en aanvullende eisen o.b.v. type stof of tank

M15

vs 2.2.7 t/m 2.2.13, vs 2.2.21

Nieuwe set van maatregelen uitgaande van basis voor alle tanks en aanvullende eisen o.b.v. type stof of tank

M16

vs 2.2.6

Nu ook van toepassing op ingeterpte tank

M19

vs 2.2.18

Maatregel aangepast naar aanleiding van nieuwe opzet brandscenario's

M21

vs 2.2.34, vs 2.2.39

Laatste item opsomming vs 2.2.34 verwijdert, was dubbel metM48

vs 2.234 en vs 2.2.39 samengevoegd

M22

vs 2.2.7 t/m 2.2.13, vs 2.2.21

Nieuwe set van maatregelen uitgaande van basis voor alle tanks en aanvullende eisen o.b.v. type stof of tank

M23

vs 2.2.7 t/m 2.2.13, vs 2.2.21

Nieuwe set van maatregelen uitgaande van basis voor alle tanks en aanvullende eisen o.b.v. type stof of tank

M27

vs 2.2.17

Maatregel aangepast naar aanleiding van nieuwe opzet brandscenario's

M38

vs 6.4.1

Onderlinge afstanden opslagtanks

M48

vs 2.2.37 en 2.2.41

vs 2.2.37 en 2.2.41 waren gelijk. Nu opgenomen als maatregel m.b.t. opvangvoorziening en een maatregel m.b.t. leidingdoorvoeringen

M49

vs 2.2.37 en 2.2.41

vs 2.2.37 en 2.2.41 waren gelijk. Nu opgenomen als maatregel m.b.t. opvangvoorziening en een maatregel m.b.t. leidingdoorvoeringen

M52

vs 2.3.15 en vs 3.2.4

Maatregelen samengevoegd

M53

vs 2.3.14

Nu van toepassing op alle tank typicals en vloeistoffen

M55

vs 2.2.35 en vs 2.3.13

Betreft nu alleen locatie vulpunt rest was dubbel met andere voorschriften. Samengevoegd met vs 2.3.13 zodat alle tank typicals gelijk zijn

M63

vs 3.2.5

Generieker geformuleerd zodat het alle transportmiddelen omvat

M65

vs 3.2.7

Generieker geformuleerd zodat het alle transportmiddelen omvat

M66

vs 3.2.13

Generieker geformuleerd zodat het alle transportmiddelen omvat

M68

vs 3.2.16

Generieker geformuleerd zodat het alle transportmiddelen omvat

M69

vs 3.2.17

Generieker geformuleerd zodat het alle transportmiddelen omvat

M70

vs 3.2.18

Toegevoegd "Bij het laden van een transportmiddel wordt de maximumvullingsgraad vooraf vastgesteld afhankelijk van de te verladen stof. Afhankelijk van de grootte van het transportmiddel, wordt hiermee de maximaal te verladen hoeveelheid bepaald."

M72

vs 3.2.19

1. Toegevoegd "Het vloeistofniveau in het transportmiddel wordt tijdens het vullen bewaakt teneinde de maximumvullingsgraad, zoals vastgelegd in het ADR, niet te overschrijden.

2. Voor het laden of lossen van acuut toxische stoffen (H300, H310, H330, H311) moet de beladingssituatie zodanig zijn dat bij lekkage geen contact kan plaatsvinden (er geen vloeistof via inademing, oraal of huidcontact opgenomen kan worden). Dit kan bijvoorbeeld worden bereikt door het toezicht op de belading in een afgesloten ruimte uit te voeren (visueel toezicht mogelijk of met camera)."

M77

vs 3.2.11

Generieker geformuleerd zodat het alle transportmiddelen omvat

M82

vs 4.1.1

Maximale termijn gewijzigd van 6 naar 12 maanden.

Toegevoegd verwijzing naar maatregelen van stationaire tanks die ook van toepassing zijn op wisselvaten

M83

vs 4.2.5 en 4.3.3

Nu alleen van toepassing op (acuut) toxische vloeistoffen of ADR-Klasse 3 VG II stoffen

M90

vs 4.2.2 en vs 4.3.1

Gewijzigd in een verbod op vullen van een aangesloten wisselvat

M93

vs 4.2.1 en 4.3.2

Capaciteit aangepast van 110% naar 100%.

Verwijderd "doch (als dat méér is) ten minste 10 % van de totale inhoud van alle verpakkingen samen." Verwijderd "De opgeslagen gevaarlijke vloeistoffen mogen de integriteit van de opslagvoorziening niet aantasten. De gevaarlijke vloeistoffen mogen niet heftig met elkaar reageren en er mogen geen schadelijke reactieproducten ontstaan." aangezien dit reeds in andere maatregelen geregeld is.

M97

vs 4.4.1 en 4.4.2

Gewijzigd in "Als de keuringsdatum is verlopen wordt het wisselvat afgekoppeld en afgevoerd naar de leverancier of een andere bevoegde ontvanger."

M100

vs 2.3.10, 2.3.11 en vs 5.2.1

Maatregelen samengevoegd

M123

vs 6.2.2

Nu van toepassing op (acuut) toxische, CMR en ADR-klasse 3 vloeistoffen.

M126

vs 6.3.3

Sleutelkluis gewijzigd in toegang tot de locatie.

M128

vs 6.4.4

Nu van toepassing op op laad- en losplaatsen, bij monsternamepunten en wanneer onderhoud wordt verricht

M146

vs 6.5.1

Verwijderd "Voor dubbelwandige opslagtanks met een inhoud per tank van maximaal 50 m3 geldt een afstand van minimaal 10 m, voor grotere opslagtanks geldt 15 m."

M148

vs 6.5.3

Maatregel aangepast naar aanleiding van nieuwe opzet brandscenario's

M153

vs 6.7.3

Laatste bullet gewijzigd in "actuele tankstandenlijst hoeveelheid opgeslagen stof"

Toegevoegd "Dit voorschrift is niet van toepassing op Brzo-inrichtingen. De eisen aan een noodplan en het voor handen hebben van een stoffenlijst is daarvoor geregeld in het Brzo 2015"

K.2.2Nieuwe maatregelen

Bekijk deze tabel in een popup venster

PGS 31:2022

Onderwerp

M7

ADR-klasse 4.1 - toepassing eisen ADR-klasse 3

M8

ADR-klasse 4.1 – technische maatregelen verkeerde oplijning

M17

‘Dubbel-seal’ of ‘sealless’ pompen

M18

Voorkomen warmtestralingsbelasting – opslagtanks

M24

ADR-klasse 4.1 - temperatuurbewaking

M28

Voorziening voor opvang zettingen

M45

Gas- of lekdetectie opvangvoorziening

M46

Stationair detectiesysteem

M47

Normering gas-, branddetectie en brandmeldsysteem

M50

ADR-klasse 3 vloeistoffen - maximaal opgesteld volume

M51

Pompen buiten de opvangvoorziening

M57

Productafsluiters blindflenzen/afsluitdoppen

M59

Reactiviteit stoffen

M60

Procedure activiteiten boven tanks

M71

Visuele controle na aanvang verlading

M73

Operationele beheersing – Noodstopvoorziening laden/lossen

M74

Voorzieningen vallen van hoogte

M76

Beperken snelheid

M78

Voorkomen overvullen (ADR-Klasse 3, H330 en H331) bij beladen transportmiddel

M79

Overvulbeveiliging op basis van een veiligheidsstudie

M80

ADR-Klasse 3 VG I en II en acuut toxisch – lekvrije koppeling

M81

ADR-Klasse 3 VGI en VGII en acuut toxisch – gesloten belading

M84

Maatregelen opstelplaats

M85

Afstandsregels wisselvaten

M86

Geschiktheid aansluiting

M87

Controle op lekkage

M88

Loskoppelen wisselvat

M89

Ademventiel

M91

Verwarmde vloeistoffen/mengsels -wisselvat

M94

Scheiding op ADR-klasse

M95

Voorkomen externe aanstraling wisselvaten

M96

Visuele controle voor ingebruikname

M98

Lektest

M99

Bereikbaarheid wisselvat

M101

Keuringen in eigen beheer

M130

(Semi-)Stationaire koeling

M131

Mobiele koeling

M132

Maatregelen plas van een (acuut) toxische vloeistof

M133

(Semi-)stationaire voorziening in de opvangvoorziening, voor een plas van een toxische vloeistof

M134

Mobiel afdekken - bedrijfsbrandweer

M135

(Semi-)mobiel afdekken - overheidsbrandweer

M136

Maatregelen tankbrand

M137

Inertisering

M138

Mobiele blussing - bedrijfsbrandweer

M139

Mobiele blussing - overheidsbrandweer

M140

Maatregelen brand in de opvangvoorziening

M141

(Semi-) stationaire blusvoorziening - ADR-klasse 3 of verwarmd boven het vlampunt

M142

(Semi-)mobiele blussing

M143

(Semi-) mobiele blussing - 170-300 m²

M144

Veiligheidsstudie/UPD (semi-)stationaire voorzieningen

M145

Goedkeuring en beoordeling UPD

M155

Aanvalsplan

K.2.3Vervallen maatregelen

Bekijk deze tabel in een popup venster

PGS 31:2021 VERSIE 1.0

Reden voor vervallen

vs. 2.2.2

Tekst maatregel verplaats naar H2

vs 2.2.3

Tekst maatregel verplaats naar toepassingsgebied

vs 2.2.26

Bodem is geen onderdeel meer van PGS richtlijnen.

vs 2.2.29

Maatregel is overbodig.

Vs 2.2.33

Bodem is geen onderdeel meer van PGS richtlijnen.

vs 2.2.36

Maatregel is nu onderdeel van M29

vs 2.2.38

Maatregel vervallen naar aanleiding van nieuwe opzet brandscenario's

vs 2.2.40

Maatregel is nu onderdeel van M29

vs 2.2.42

Maatregel vervallen naar aanleiding van nieuwe opzet brandscenario's

vs 2.2.43

Maatregel vervallen naar aanleiding van nieuwe opzet brandscenario's

vs 2.2.44

Maatregel vervallen naar aanleiding van nieuwe opzet brandscenario's

vs 2.2.45

Maatregel vervallen naar aanleiding van nieuwe opzet brandscenario's

vs 2.2.46

Maatregel vervallen naar aanleiding van nieuwe opzet brandscenario's

vs 2.2.47

Maatregel vervallen naar aanleiding van nieuwe opzet brandscenario's

vs 2.2.48

Maatregel vervallen naar aanleiding van nieuwe opzet brandscenario's

vs 2.2.49

Maatregel vervallen naar aanleiding van nieuwe opzet brandscenario's

vs 2.2.50

Maatregel vervallen naar aanleiding van nieuwe opzet brandscenario's

vs 2.2.51

Maatregel vervallen naar aanleiding van nieuwe opzet brandscenario's

vs 2.2.52

Maatregel vervallen naar aanleiding van nieuwe opzet brandscenario's

vs 2.2.53

Maatregel vervallen naar aanleiding van nieuwe opzet brandscenario's

vs 2.3.1

Vervallen, eisen voor installatiecertificaat Boven- en ondergrondse tank samengevoegd

vs 2.3.3

Vervallen, is al beschreven in M9

vs 2.3.16

Vervallen

vs 2.3.17

Vervallen

vs 3.1.1

Vervallen nu algemeen maatregel MW1 van toepassing voor alle PGS'en over basisveiligheid

vs 3.1.2

Vervallen nu algemeen maatregel MW1 van toepassing voor alle PGS'en over basisveiligheid

vs. 3.2.2

Vervallen, is al beschreven in M41

vs 3.2.15

Vervallen, al geregeld in andere maatregelen

vs 3.2.20 t/m 3.2.34

Vervallen, al geregeld in ADR of in andere maatregelen die nu generiek zijn voor laden en lossen in plaats van aparte maatregelen voor laden en aparte maatregelen voor lossen

vs 4.2.3 en 4.3.4

Vervallen reeds geregeld in andere regelgeving en/of maatregelen

vs 4.2.4

Vervallen is onderdeel van M82

vs 5.3.2

Bodem is geen onderdeel meer van PGS richtlijnen.

vs 5.5.1

Bodem is geen onderdeel meer van PGS richtlijnen.

vs 5.5.2

Bodem is geen onderdeel meer van PGS richtlijnen.

vs 5.5.3

Bodem is geen onderdeel meer van PGS richtlijnen.

vs 6.4.1

Maatregel vervallen naar aanleiding van nieuwe opzet brandscenario's

vs 6.4.2

Maatregel vervallen naar aanleiding van nieuwe opzet brandscenario's

vs 6.4.3

Maatregel vervallen naar aanleiding van nieuwe opzet brandscenario's

vs 6.4.9

Vervallen, is al geregeld in M58 (vs 2.2.5)

vs 6.4.10

Vervallen is al geregeld in M4 (vs 6.4.8)

vs 6.5.5

Maatregel vervallen naar aanleiding van nieuwe opzet brandscenario's

vs 6.5.6

Maatregel vervallen naar aanleiding van nieuwe opzet brandscenario's

vs 6.5.7

Maatregel vervallen naar aanleiding van nieuwe opzet brandscenario's

vs 6.5.8

Maatregel vervallen naar aanleiding van nieuwe opzet brandscenario's

Bijlage LImplementatietermijnen in bestaande situaties Normatief

Inleiding

Deze bijlage bevat implementatietermijnen voor bestaande situaties. Het Bestuurlijk Omgevingsberaad VTH (BOb) heeft deze termijnen vastgesteld.

Deze PGS-richtlijn beschrijft de stand van de techniek. Het kan dus voorkomen dat een nieuwe versie van een PGS-richtlijn nieuwe of aangescherpte maatregelen bevat. Deze maatregelen moeten worden getroffen door degene die de activiteit verricht. Het kan voor bestaande situaties onredelijk zijn om te eisen dat deze nieuwe maatregelen onmiddellijk worden getroffen. Daarom bevat deze PGS-richtlijn voor bestaande situaties een implementatietermijn.

Is er voor de activiteit uit deze PGS-richtlijn een omgevingsvergunning? Dan bepaalt het bevoegd gezag vanaf welk moment de maatregelen worden overgenomen in de vergunning. Het bevoegd gezag kan de implementatietermijn in deze PGS-richtlijn gebruiken als richtsnoer.

Voor maatregelen voor de veiligheid van werknemers is het aan de werkgever om te bepalen welke maatregelen hij moet treffen om de werknemers te beschermen volgens de stand van de wetenschap en techniek. Het toezicht op de naleving en juiste invulling van de doelvoorschriften in de Arbeidsomstandighedenwetgeving voor de veiligheid van werknemers is een taak en verantwoordelijkheid van de Nederlandse Arbeidsinspectie. De Nederlandse Arbeidsinspectie gebruikt daarbij de implementatietermijnen uit deze PGS-richtlijn als richtlijn

Voor nieuwe en gewijzigde maatregelen is een lijst van standaardimplementatietermijnen, Tabel 11, opgesteld gerelateerd aan het veiligheidsurgentieniveau en aan de aard (van de wijziging) van de maatregel.

Tabel 11Standaardimplementatietermijnen

Aard van de maatregel

Veiligheidsurgentie-niveau

den door PGS-team vast te stellen)

Operationeel/organisatorisch

Dit zijn bijvoorbeeld administratieve veranderingen of aanpassingen in procedures en werkwijzen. Denk bijvoorbeeld aan het bijhouden van voorraadlijsten en noodplannen.

normaal

6 maanden – 1 jaar

hoog

0 – 3 maanden

Onderhoud

Hieronder vallen procedures en termijnen van onderhoud.

0 – 3 maanden

Randapparatuur

Het gaat hier om wijzigingen aan of toevoegingen van apparatuur/installatieonderdelen die niet nodig is/zijn voor het primaire proces, maar bijvoorbeeld meetapparatuur of een blussysteem.

normaal

0 – 1 jaar

hoog

0 – 3 maanden

(Proces)installatie

Het gaat hier om wijzigingen aan de installatie zelf of een onderdeel daarvan. Hierbij moet bijvoorbeeld rekening worden gehouden met de reguliere onderhoudstops.

normaal

2 – 5 jaar

hoog

0 – 2 jaar

Bouwkundig

Bouwkundige aanpassingen kunnen heel ingrijpend zijn, maar zijn soms ook heel eenvoudig. Voorbeelden zijn het plaatsen van een brandmuur of compartimentering. Per geval moet goed worden beoordeeld wat de consequentie daarvan is.

normaal

2 – 5 jaar

hoog

0 – 2 jaar

Het team past bovenstaande indeling toe op de wijzigingen/nieuwe maatregelen en kent deze de genoemde implementatietermijn toe of een termijn binnen het bereik van de genoemde termijnen. Mocht het team vinden dat een maatregel een afwijkende implementatietermijn nodig heeft, dan kan het de Programmaraad een beargumenteerd voorstel voorleggen.

Implementatietermijnen door het BOb vastgesteld

De implementatietermijnen zijn richtinggevend en moeten per individueel geval worden afgestemd op de tijd die nodig is om een maatregel te treffen, (bouw)vergund te krijgen en te financieren. Zo zal een hoge urgentie voor het verbeteren van de veiligheid en/of een hoge veiligheidswinst vragen om een kortere implementatietermijn.

Omdat sommige voorschriften meerdere maatregelen bevatten is een implementatietermijn opgenomen die een langere periode beslaat en gesplitst kan worden in een korte termijn om bijvoorbeeld operationeel/organisatorisch maatregelen te treffen en een langere termijn om bijvoorbeeld de bouwkundige maatregelen te treffen.

Tabel 12Implementatietermijnen gewijzigde en nieuwe maatregelen

Bekijk deze tabel in een popup venster

Wijzigingen ten opzichte van PGS 31:2021 VERSIE 1.0

Maatregel-nummer

Onderwerp

Wijziging

Maatregel-nummer in vorige PGS

Kernpunt uit maatregel vorige PGS dat wordt aangepast

Aard aanpassing

Termijn

M2

(Ontwerp)levensduur tankinstallatie

Nu van toepassing op alle tank typicals

vs 2.3.2

Breder van toepassing

(proces)installatie

5 jaar

M4

Ondergrondse opslag ADR-klasse 3, VG I

Toegevoegd "of een veiligheidsstudie" en "en er een aanvalssplan aanwezig is."

vs 6.4.8

Aanvalsplan moet opgesteld worden en eventueel veiligheidsstudie

Operationeel/organisatorisch

1 jaar

M5

Verwarmde (ADR-Klasse 3) vloeistoffen/mengsels

Eerste en laatste zin verwijderd

vs 2.3.9

n.v.t.

n.v.t.

n.v.t.

M7

ADR-klasse 4.1 - toepassing eisen ADR-klasse 3

Nieuwe maatregel

n.v.t.

n.v.t.

(proces)installatie - hoog

2 jaar

M8

ADR-klasse 4.1 – technische maatregelen verkeerde oplijning

Nieuwe maatregel

n.v.t.

n.v.t.

Bouwkundig - hoog

2 jaar

M9

Algemene constructie-eisen - algemeen

Nu van toepassing op alle tank typicals

vs 2.2.1

n.v.t.

(proces)installatie

5 jaar

M11

Installatiecertificaat

Nu van toepassing op alle tank typicals

vs 2.2.4

n.v.t.

Operationeel/organisatorisch

1 jaar

M12

Dubbelwandige opslagtank - lekdetectiesysteem

Maatregelen samengevoegd

vs 2.2.19, vs 2.3.6, vs 2.3.7, vs 2.220

n.v.t.

n.v.t.

n.v.t.

M14, M15, M22, M23

Overvulbeveiliging

Nieuwe set van maatregelen uitgaande van basis voor alle tanks en aanvullende eisen o.b.v. type stof of tank

vs 2.2.7 t/m 2.2.13, vs 2.2.21

Geen inhoudelijke wijziging

n.v.t.

n.v.t.

M16

Antihevelbeveiliging - bovengrondse of ingeterpte opslag

Nu ook van toepassing op ingeterpte tank

vs 2.2.6

n.v.t.

Randapparatuur

2 jaar

M17

‘Dubbel-seal’ of ‘sealless’ pompen

Nieuwe maatregel

n.v.t.

n.v.t.

(proces)installatie

5 jaar

M18

Voorkomen warmtestralingsbelasting – opslagtanks

Nieuwe maatregel

n.v.t.

n.v.t.

(proces)installatie

5 jaar

M19

Fireproofing coating

Maatregel aangepast naar aanleiding van nieuwe opzet brandscenario's

vs 2.2.18

Nieuwe structuur brandscenario's

(proces)installatie

5 jaar

M21

ADR-Klasse 3 vloeistoffen - aanvullende eisen tankinstallatie

Laatste item opsomming vs 2.2.34 verwijdert, was dubbel metM48 vs 2.234 en vs 2.2.39 samengevoegd

vs 2.2.34, vs 2.2.39

Geen inhoudelijke wijziging

n.v.t.

n.v.t.

M24

ADR-klasse 4.1 - temperatuurbewaking

Nieuwe maatregel

n.v.t.

n.v.t.

Randapparatuur

2 jaar

M27

Voorkomen warmtestralingsbelasting - bescherming draagconstructie

Maatregel aangepast naar aanleiding van nieuwe opzet brandscenario's

vs 2.2.17

Nieuwe structuur brandscenario's

(proces)installatie

5 jaar

M28

Voorziening voor opvang zettingen

Nieuwe maatregel

n.v.t.

n.v.t.

Bouwkundig

5 jaar

M38

Onderlinge afstanden opslagtanks

Maatregel aangepast naar aanleiding van nieuwe opzet brandscenario's

vs 6.4.1

Nieuwe structuur brandscenario's

(proces)installatie

5 jaar

Of

Bij vervanging, vernieuwing, of herkeuring met een maximale termijn van 15 jaar

M45

Gas- of lekdetectie opvangvoorziening

Nieuwe maatregel

n.v.t.

n.v.t.

Randapparatuur

2 jaar

M46

Stationair detectiesysteem

Nieuwe maatregel

n.v.t.

n.v.t.

Randapparatuur

2 jaar

M47

Normering gas-, branddetectie en brandmeldsysteem

Nieuwe maatregel

n.v.t.

n.v.t.

Randapparatuur

2 jaar

M48 en M49

ADR-Klasse 3 vloeistoffen - opvangvoorzieningen

vs 2.2.37 en 2.2.41 waren gelijk. Nu opgenomen als maatregel m.b.t. opvangvoorziening en een maatregel m.b.t. leidingdoorvoeringen

vs 2.2.37 en 2.2.41

Geen inhoudelijke wijziging

n.v.t.

n.v.t.

M50

ADR-klasse 3 vloeistoffen - maximaal opgesteld volume

Nieuwe maatregel

n.v.t.

n.v.t.

(proces)installatie/bouwkundig

5 jaar

M51

Pompen buiten de opvangvoorziening

Nieuwe maatregel

n.v.t.

n.v.t.

(proces)installatie

5jaar

M52

Vul-, aftappunt - indicatie tank en type product, procedure vullen en legen

Maatregelen samengevoegd

vs 2.3.15 en vs 3.2.4

Geen inhoudelijke wijziging

n.v.t.

n.v.t.

M53

Vul-, aftap- en monsterafnamepunten - vulpuntmorsbak

Nu van toepassing op alle tank typicals

vs 2.3.14

n.v.t.

Operationeel/organisatorisch

1 jaar

M55

ADR-Klasse 3 vloeistoffen - locatie vulpunt

Betreft nu alleen locatie vulpunt rest was dubbel met andere voorschriften. Samengevoegd met vs 2.3.13 zodat alle tank typicals gelijk zijn

vs 2.2.35 en vs 2.3.13

Geen inhoudelijke wijziging

n.v.t.

n.v.t.

M57

Productafsluiters blindflenzen/afsluitdoppen

Nieuwe maatregel

n.v.t.

n.v.t.

Operationeel/organisatorisch

1 jaar

M59

Reactiviteit stoffen

Nieuwe maatregel

n.v.t.

n.v.t.

Operationeel/organisatorisch

1 jaar

M60

Procedure activiteiten boven tanks

Nieuwe maatregel

n.v.t.

n.v.t.

Operationeel/organisatorisch

1 jaar

M63

Laden/lossen - volgens laad-/losprocedure

Generieker geformuleerd zodat het alle transportmiddelen omvat

vs 3.2.5

Procedurele wijziging

Operationeel/organisatorisch

1 jaar

M65

Laden/Lossen – laad-/losplaats, wegrijbeveiliging

Generieker geformuleerd zodat het alle transportmiddelen omvat

vs 3.2.7

Procedurele wijziging

Operationeel/organisatorisch

1 jaar

M66

Laden / lossen - monstername

Generieker geformuleerd zodat het alle transportmiddelen omvat

vs 3.2.13

Procedurele wijziging

Operationeel/organisatorisch

1 jaar

M68

Laden/lossen - controle op overdruk transportmiddel voor openen afsluiters

Generieker geformuleerd zodat het alle transportmiddelen omvat

vs 3.2.16

Procedurele wijziging

Operationeel/organisatorisch

1 jaar

M69

Laden / lossen - toestemming starten verlading

Generieker geformuleerd zodat het alle transportmiddelen omvat

vs 3.2.17

Procedurele wijziging

Operationeel/organisatorisch

1 jaar

M70

Laden / lossen - maximale vulgraad

Toegevoegd "Bij het laden van een transportmiddel wordt de maximumvullingsgraad vooraf vastgesteld afhankelijk van de te verladen stof. Afhankelijk van de grootte van het transportmiddel, wordt hiermee de maximaal te verladen hoeveelheid bepaald."

vs 3.2.18

Verdere specificering hoe de maximale vulgraad bepaald moet worden.

Operationeel/organisatorisch

1 jaar

M71

Visuele controle na aanvang verlading

Nieuwe maatregel

n.v.t.

n.v.t.

Operationeel/organisatorisch

1 jaar

M72

Laden / lossen - toezicht

  1. Toegevoegd "Het vloeistofniveau in het transportmiddel wordt tijdens het vullen bewaakt teneinde de maximumvullingsgraad, zoals vastgelegd in het ADR, niet te overschrijden.
  2. Voor het laden of lossen van acuut toxische stoffen (H300, H310, H330, H311) moet de beladingssituatie zodanig zijn dat bij lekkage geen contact kan plaatsvinden (er geen vloeistof via inademing, oraal of huidcontact opgenomen kan worden). Dit kan bijvoorbeeld worden bereikt door het toezicht op de belading in een afgesloten ruimte uit te voeren (visueel toezicht mogelijk of met camera)."

vs 3.2.19

Verdere specificering hoe niveau moet worden gemonitored en hoe dit plaats dient te vinden voor acuut toxische stoffen

  1. Operationeel/organisatorisch
  2. Randapparatuur - hoog
  1. 1 jaar
  2. 3 maanden
M73

Operationele beheersing – Noodstopvoorziening laden/lossen

Nieuwe maatregel

n.v.t.

n.v.t.

Randapparatuur

2 jaar

M74

Voorzieningen vallen van hoogte

Nieuwe maatregel

n.v.t.

n.v.t.

Randapparatuur

2 jaar

M76

Beperken snelheid

Nieuwe maatregel

n.v.t.

n.v.t.

Operationeel/organisatorisch

1 jaar

M77

Laden / Lossen ADR-Klasse 3 vloeistoffen - voorkomen splashvulling en overige operationele beheersing

Generieker geformuleerd zodat het alle transportmiddelen omvat

vs 3.2.11

Procedurele wijziging

Operationeel/organisatorisch

1 jaar

M78

Voorkomen overvullen (ADR-Klasse 3, H330 en H331) bij beladen transportmiddel

Nieuwe maatregel

n.v.t.

n.v.t.

(proces)installatie

5 jaar

M79

Overvulbeveiliging op basis van een veiligheidsstudie

Nieuwe maatregel

n.v.t.

n.v.t.

Operationeel/organisatorisch

1 jaar

M80

ADR-Klasse 3 VG I en II en acuut toxisch – lektest voor laden/lossen

Nieuwe maatregel

n.v.t.

n.v.t.

Operationeel/organisatorisch

1 jaar

M81

ADR-Klasse 3 VGI en VGII en acuut toxisch – gesloten belading

Nieuwe maatregel

n.v.t.

n.v.t.

Randapparatuur

2 jaar

M82

Maximale inhoud en termijn gebruik wisselvat

Maximale inhoud toegevoegd en termijn gewijzigd van 6 naar 12 maanden.

Toegevoegd verwijzing naar maatregelen van stationaire tanks die ook van toepassing zijn op wisselvaten

vs 4.1.1

Maximale inhoud wisselvaten

Operationeel/organisatorisch

1 jaar

M83

PRIE Wisselvat

Nu alleen van toepassing op (acuut) toxische vloeistoffen of ADR-Klasse 3 VG II stoffen

vs 4.2.5/4.3.3

Versoepeling

n.v.t.

n.v.t.

M84

Maatregelen opstelplaats

Nieuwe maatregel

n.v.t.

n.v.t.

Bouwkundig

5 jaar

M85

Afstandsregels wisselvaten

Nieuwe maatregel

n.v.t.

n.v.t.

Operationeel/organisatorisch

1 jaar

M86

Geschiktheid aansluiting

Nieuwe maatregel

n.v.t.

n.v.t.

Operationeel/organisatorisch

1 jaar

M87

Controle op lekkage

Nieuwe maatregel

n.v.t.

n.v.t.

Operationeel/organisatorisch

1 jaar

M88

Loskoppelen wisselvat

Nieuwe maatregel

n.v.t.

n.v.t.

Operationeel/organisatorisch

1 jaar

M89

Ademventiel

Nieuwe maatregel

n.v.t.

n.v.t.

Randapparatuur

2 jaar

M90

Verbod op vullen aangesloten wisselvat

Gewijzigd in een verbod op vullen van een aangesloten wisselvat

vs 4.2.2 en vs 4.3.1

n.v.t.

Operationeel/organisatorisch

1 jaar

M91

Verwarmde (ADR-Klasse 3) vloeistoffen/mengsels -wisselvat

Nieuwe maatregel

n.v.t.

n.v.t.

Randapparatuur

2 jaar

M92

Materiaal van het wisselvat

Nieuwe maatregel

n.v.t.

n.v.t.

Operationeel/organisatorisch

1 jaar

M93

Opvangvoorziening wisselvat

Capaciteit aangepast van 110% naar 100%.

Verwijderd "doch (als dat méér is) ten minste 10 % van de totale inhoud van alle verpakkingen samen." Verwijderd "De opgeslagen gevaarlijke vloeistoffen mogen de integriteit van de opslagvoorziening niet aantasten. De gevaarlijke vloeistoffen mogen niet heftig met elkaar reageren en er mogen geen schadelijke reactieproducten ontstaan." aangezien dit reeds in andere maatregelen geregeld is.

vs 4.2.1 en 4.3.2

Capaciteit aangepast van 110% naar 100%.

Versoepeling

n.v.t.

M94

Scheiding op ADR-klasse

Nieuwe maatregel

n.v.t.

n.v.t.

Operationeel/organisatorisch

1 jaar

M95

Voorkomen externe aanstraling wisselvaten

Nieuwe maatregel

n.v.t.

n.v.t.

Operationeel/organisatorisch

1 jaar

M96

Visuele controle voor ingebruikname

Nieuwe maatregel

n.v.t.

n.v.t.

Operationeel/organisatorisch

1 jaar

M98

Lektest

Nieuwe maatregel

n.v.t.

n.v.t.

Operationeel/organisatorisch

1 jaar

M99

Bereikbaarheid wisselvat

Nieuwe maatregel

n.v.t.

n.v.t.

Operationeel/organisatorisch

1 jaar

M100

Installatiecertificaat - opname in installatieboek binnen 2 maanden

Maatregelen samengevoegd

vs 2.3.10, 2.3.11 en vs 5.2.1

Geen inhoudelijke wijziging

n.v.t.

n.v.t.

M101

Keuringen in eigen beheer

Nieuwe maatregel

n.v.t.

n.v.t.

Operationeel/organisatorisch

1 jaar

M123

Voorzieningen voor vaststellen windrichting

Nu van toepassing op (acuut) toxische, CMR en ADR-klasse 3 vloeistoffen.

vs 6.2.2

Van toepassing voor meer stoffen

Operationeel/organisatorisch

1 jaar

M126

Toegang tot de locatie

Sleutelkluis gewijzigd in toegang tot de locatie.

vs 6.3.3

Moet opgenomen worden in aanvalsplan

Operationeel/organisatorisch

1 jaar

M128

Draagbare blusmiddelen

Nu van toepassing op op laad- en losplaatsen, bij monsternamepunten en wanneer onderhoud wordt verricht

vs 6.4.4

Wijziging aantal en locatie

Operationeel/organisatorisch

1 jaar

M130

(Semi-)Stationaire koeling

Nieuwe maatregel

n.v.t.

n.v.t.

Randapparatuur

2 jaar

M131

Mobiele koeling

Nieuwe maatregel

n.v.t.

n.v.t.

Randapparatuur

2 jaar

M132

Maatregelen plas van een (acuut) toxische vloeistof

Nieuwe maatregel

n.v.t.

n.v.t.

Randapparatuur

2 jaar

M133

(Semi-)stationaire voorziening in de opvangvoorziening, voor een plas van een toxische vloeistof

Nieuwe maatregel

n.v.t.

n.v.t.

Randapparatuur

2 jaar

M134

Mobiel afdekken - bedrijfsbrandweer

Nieuwe maatregel

n.v.t.

n.v.t.

Randapparatuur

2 jaar

M135

(Semi-)mobiel afdekken - overheidsbrandweer

Nieuwe maatregel

n.v.t.

n.v.t.

Randapparatuur

2 jaar

M136

Maatregelen tankbrand

Nieuwe maatregel

n.v.t.

n.v.t.

Randapparatuur

2 jaar

M137

Inertisering

Nieuwe maatregel

n.v.t.

n.v.t.

(proces)installatie

5 jaar

Of

Bij vervanging, vernieuwing, of herkeuring met een maximale termijn van 15 jaar

M138

Mobiele blussing - bedrijfsbrandweer

Nieuwe maatregel

n.v.t.

n.v.t.

Operationeel/organisatorisch

1 jaar

M139

Mobiele blussing - overheidsbrandweer

Nieuwe maatregel

n.v.t.

n.v.t.

Operationeel/organisatorisch

1 jaar

M140

Maatregelen brand in de opvangvoorziening

Nieuwe maatregel

n.v.t.

n.v.t.

Randapparatuur

2 jaar

M141

(Semi-) stationaire blusvoorziening - ADR-klasse 3 of verwarmd boven het vlampunt

Nieuwe maatregel

n.v.t.

n.v.t.

Randapparatuur

2 jaar

M142

(Semi-)mobiele blussing

Nieuwe maatregel

n.v.t.

n.v.t.

Randapparatuur

2 jaar

M143

(Semi-) mobiele blussing - 170-300 m²

Nieuwe maatregel

n.v.t.

n.v.t.

Randapparatuur

2 jaar

M144

Veiligheidsstudie/UPD (semi-)stationaire voorzieningen

Nieuwe maatregel

n.v.t.

n.v.t.

Randapparatuur

2 jaar

M145

Goedkeuring en beoordeling UPD

Nieuwe maatregel

n.v.t.

n.v.t.

Randapparatuur

2 jaar

M146

ADR-Klasse 3 vloeistoffen - Objecten in de nabijheid van de opvangvoorziening

Verwijderd "Voor dubbelwandige opslagtanks met een inhoud per tank van maximaal 50 m3 geldt een afstand van minimaal 10 m, voor grotere opslagtanks geldt 15 m."

vs 6.5.1

Versoepeling

n.v.t.

n.v.t.

M148

Enkelwandige tanks - afwijking van M151 en M152

Maatregel aangepast naar aanleiding van nieuwe opzet brandscenario's

vs 6.5.3

Nieuwe structuur brandscenario's

Randapparatuur

2 jaar

M153

Intern noodplan - overzicht gevaarlijke stoffen

Laatste bullet gewijzigd in "actuele tankstandenlijsthoeveelheid opgeslagen stof" Toegevoegd "Dit voorschrift is niet van toepassing op Brzo-inrichtingen. De eisen aan een noodplan en het voor handen hebben van een stoffenlijst is daarvoor geregeld in het Brzo 2015"

vs 6.7.3

Wijziging wijze van registreren aanwezige stoffen

Operationeel/organisatorisch

1 jaar

M155

Aanvalsplan

Nieuwe maatregel

n.v.t.

n.v.t.

Operationeel/organisatorisch

1 jaar

Bijlage MSamenstelling PGS 31-team

Naam

Organisatie

Rol

Ruud Peeters

Omgevingsdienst Haaglanden

Voorzitter PGS-team

Chuchu Yu

NVZ

Lid namens bedrijfsleven (VNO-NCW/MKB-Nederland)

Jan van Dixhoorn

Dow Benelux

Lid namens bedrijfsleven (VNO-NCW/MKB-Nederland)

Lieke Bosua

Paltrock HSE

Lid namens bedrijfsleven (VNO-NCW/MKB-Nederland)

Jörgen van Trijp

Brandweer mwb

Lid namens (Brandweer Nederland / Veiligheidsregio's)

René de Bie

Brandweer mwb

Lid namens (Brandweer Nederland / Veiligheidsregio's)

Rudy Bos

OMWB

Lid namens (toezicht/handhaving)

Foppe de Jong

DCMR

Lid namens (vergunningverlening)

Dorine Couwenberg

NLA

Lid namens (Nederlandse Arbeidsinspectie)

Mitchel Karam

Infomil

Waarnemer namens helpdesk InfoMil

Erik van der Heijden

Van der Heijden Milieu- en Installatietechniek

Deskundige namens (VNO-NCW/MKB-Nederland)

Alwin van Aggelen

A-RisC

Facilitator risicobenadering en tekstschrijver

Paula Bohlander / Dina Rezvanova

NEN

Projectleider