25Afleverinstallaties van compressed natural gas (CNG) voor voertuigen, vaartuigen en werktuigen

Richtlijn voor de veilige toepassing van installaties voor het afleveren van aardgas en biogas aan voertuigen, vaartuigen en werktuigen

PGS 25:2022 versie 1.1 (april 2026)

Let op: dit is een ongecontroleerde versie. De PGS-beheerorganisatie is niet verantwoordelijk voor volledigheid en juistheid van deze versie. De versie die beschikbaar is op de website publicatiereeksgevaarlijkestoffen.nl is de enige geautoriseerde versie.

25Afleverinstallaties van compressed natural gas (CNG) voor voertuigen, vaartuigen en werktuigen

Richtlijn voor de veilige toepassing van installaties voor het afleveren van aardgas en biogas aan voertuigen, vaartuigen en werktuigen

DefinitiefBOb vastgesteld

Versie

Deze PGS 25:2022 versie 1.1 (april 2026) is inhoudelijk gelijk aan de door het Bestuurlijk Omgevingsberaad vastgestelde PGS 25:2022 versie 1.0 (maart 2023). Met de introductie van het interactieve risicodiagram zijn een aantal koppelingen in de scenario’s, doelen en maatregelen hersteld. In deze PGS is het risicodiagram niet beschikbaar.

Een PGS-richtlijn

Een PGS-richtlijn is een document over de veilige opslag en de bijbehorende activiteiten met gevaarlijke stoffen. In de PGS richtlijn staan de belangrijkste risico's van deze activiteiten voor de veiligheid van werknemers, de veiligheid van de omgeving en de brandveiligheid. Ook staan in een PGS-richtlijn de mogelijke gevolgen van deze risico's voor het bestrijden van een ramp. Om de risico's te beheersen en de negatieve effecten voor mens en milieu te beperken zijn doelen geformuleerd. Aan deze doelen zijn maatregelen gekoppeld. Met deze maatregelen kan aan de doelen worden voldaan. Naast de in deze PGS-richtlijn genoemde maatregelen is het mogelijk om gelijkwaardige maatregelen te treffen voor zover de wetgeving dit toelaat.

Meer informatie over de PGS-organisatie is te vinden op: publicatiereeksgevaarlijkestoffen.nl. Daar staan ook de actuele publicaties.

PGS Nieuwe Stijl - risicobenadering als basis

In 2015 is gestart met een nieuwe opzet van de PGS-richtlijnen: de PGS Nieuwe Stijl. Een PGS Nieuwe Stijl betekent dat de maatregelen tot stand zijn gekomen met een risicobenadering. Dit houdt in dat is geanalyseerd welke risico's er zijn bij activiteiten met de gevaarlijke stof. De situaties waarbij het mis kan gaan en die leiden tot ongewenste, gevaarlijke gevolgen, zijn beschreven in scenario´s. Voor deze scenario's zijn doelen geformuleerd gericht op het beheersen van de risico's. Met maatregelen kan een bedrijf aan een doel voldoen.

De PGS Nieuwe Stijl kent de volgende hoofdelementen:

  • de wettelijke kaders;
  • de risicobenadering met de scenario's;
  • de doelen;
  • maatregelen om aan de doelen te voldoen.
Onderwerpen en doelstellingen PGS-richtlijn

Een PGS-richtlijn geeft invulling aan:

  • Omgevingsveiligheid Omgevingsveiligheid of Brandbestrijding Omgevingsveiligheid Brandpreventie)
  • ArbeidsveiligheidArbeidsveiligheid;
  • Brandbestrijding en Rampenbestrijding Rampenbestrijding.

Voor deze onderwerpen zijn de doelstellingen:

Omgevingsveiligheid

Het voorkomen van ongewone voorvallen en het beperken van de gevolgen daarvan voor de omgeving met het oog op het waarborgen van de veiligheid voor de omgeving.

Arbeidsveiligheid

Het voorkomen van ongevallen met gevaarlijke stoffen en het beperken van de gevolgen daarvan en het voorkomen van blootstelling van werknemers aan gevaarlijke stoffen.

Brand- en rampenbestrijding

Het beperken van de gevolgen van een brand of ramp en het borgen van een doelmatige rampenbestrijding.

Organisatie bij het tot stand komen van deze PGS-richtlijn

Deze PGS-richtlijn is opgesteld door een team van vertegenwoordigers van het bedrijfsleven en de overheid. In Bijlage G staan de gegevens van de leden van het team dat deze PGS-richtlijn heeft opgesteld.

Het PGS-team is onderdeel van de PGS-beheerorganisatie. Daaronder vallen alle PGS-teams, het PGS-programmabureau en de PGS-adviescommissie. De PGS-stuurgroep stuurt de PGS-beheerorganisatie aan. In de PGS-stuurgroep zijn vertegenwoordigd: IPO, VNG, Brandweer Nederland, Nederlandse Arbeidsinspectie, VNO-NCW en MKB-Nederland.

Het Bestuurlijk Omgevingsberaad vergunningverlening, toezicht en handhaving (BOb) heeft deze richtlijn vastgesteld. Het BOb is de opdrachtgever van de PGS-beheerorganisatie.

Status van PGS-richtlijnen

De partijen van het BOb hebben afgesproken om op de volgende manier om te gaan met de PGS-richtlijnen.

  • Het ministerie van Infrastructuur en Waterstaat bepaalt in overleg met het ministerie van Binnenlandse Zaken en Koninkrijksrelaties in het Besluit activiteiten leefomgeving (Bal) dat moet worden voldaan aan een PGS-richtlijn, voor zover gericht op het waarborgen van de veiligheid voor de omgeving. Dit zijn direct werkende regels.
  • Het ministerie van Infrastructuur en Waterstaat wijst deze PGS-richtlijnen in het Besluit kwaliteit leefomgeving (Bkl) aan als informatiedocumenten over de beste beschikbare technieken (BBT). Dit betekent dat het bevoegd gezag verplicht is om bij het verlenen van een omgevingsvergunning voor een milieubelastende activiteit de PGS-richtlijnen toe te passen bij het bepalen van BBT.
  • Omdat de PGS-richtlijnen de stand der wetenschap en professionele diensverlening beschrijven, vormen zij voor de Nederlandse Arbeidsinspectie een goed uitgangspunt voor toezicht en handhaving.
  • De veiligheidsregio's gebruiken de PGS-richtlijnen als richtlijn bij het adviseren over brandveiligheid in omgevingsvergunningen en bij het voorbereiden van de brand- en rampenbestrijding.
  • De toezichthouders van het bevoegd gezag, Nederlandse Arbeidsinspectie en de veiligheidsregio's, beschouwen de PGS-richtlijnen als een belangrijk referentiekader bij het toezicht op de naleving van wettelijke verplichtingen zoals de Seveso-richtlijn.

Deze PGS-richtlijn is door de PGS-stuurgroep goedgekeurd voor vaststelling door het BOb op: 6 december 2022

Waarna het BOb deze PGS-richtlijn heeft vastgesteld op: 29 maart 2023.

De voorzitter van de PGS-stuurgroep,

P. Heij 

Leeswijzer

Indeling PGS-richtlijn

De PGS-richtlijn heeft hoofdstukken en een aantal bijlagen. Bij elk hoofdstuk en bij elke bijlage staat of de inhoud normatief is. Als er niets bij staat, betekent het dat de tekst informatief is. Alleen de normatieve delen zijn bindend en gelden als eis of voorschrift. Met het voldoen aan de maatregelen in deze PGS-richtlijn wordt voldaan aan de in deze PGS-richtlijn opgenomen doelen.

Inleidende onderwerpen

De eerste vier hoofdstukken bevatten informatie over de (activiteiten met) compressed natural gas (CNG), het toepassingsbereik en de risicobenadering met de scenario's. Alleen Paragraaf 1.2 met het toepassingsbereik van deze PGS-richtlijn, is normatief.

  • Hoofdstuk 1 bevat een algemene inleiding op deze PGS-richtlijn.
  • Paragraaf 1.2 beschrijft de reikwijdte en het toepassingsbereik. Dit is normatief.
  • Hoofdstuk 2 bevat algemene informatie over aardgas en de aardgasinstallatie.
  • Hoofdstuk 3 beschrijft het basisveiligheidsniveau en geeft algemene informatie over de risicobenadering.
  • Hoofdstuk 4 bevat een beschrijving van de scenario's. Bij elk scenario is aangegeven met welke doelen het scenario voorkomen of beperkt kan worden en welke maatregelen daarvoor nodig zijn.
Doelen en maatregelen

Hoofdstukken 5 t.m. 7 zijn normatief. Daarin staan het wettelijk kader, de doelen en maatregelen om hoog- en middelhoog-risicoscenario’s te voorkomen en beperken.

  • Hoofdstuk 5 bevat een richtingaanwijzer wet- en regelgeving. Deze richtingaanwijzer maakt duidelijk op grond van welke wetgeving aan welke maatregelen in deze PGS-richtlijn moet worden voldaan.
  • Hoofdstuk 6 beschrijft de doelen en geeft aan welke maatregelen invulling geven aan het doel en voor welke scenario's ze bedoeld zijn.
  • Hoofdstuk 7 bevat alle maatregelen. Daarnaast staat bij elke maatregel voor welk scenario de maatregel relevant is en aan welke doelen de maatregel invulling geeft. In Paragraaf 7.1staat de leeswijzer voor de maatregelen.
Informatie bij implementatie

De overige hoofdstukken zijn informatief. Deze hoofdstukken geven extra informatie over het onderwerp van deze PGS-richtlijn. Het gaat om informatie die niet in de normatieve hoofdstukkken thuishoort, maar wel helpt bij het omgaan met deze PGS-richtlijn.

Dit informatieve deel van deze richtlijn bevat aanvullende informatie over:

  • Hoofdstuk 8 bevat een voorbeeld van een keurings- en onderhoudsschema.
  • Hoofdstuk 9 geeft aanbevelingen voor instructies bij calamiteiten.
  • Hoofdstuk 10 bevat informatie over gelijkwaardige maatregelen.
Bijlagen

Deze PGS-richtlijn bevat bijlagen. De teksten in de hoofdstukken kunnen naar die bijlagen verwijzen. Een bijlage is informatief of normatief. Als een hoofdstuk normatief is, staat dat aangegeven.

De volgende bijlagen zijn normatief:

  • Bijlage A: Afkortingen en begrippen.
  • Bijlage B.1: Normatieve documenten en normen. Deze bijlage bevat documenten en normen waar de maatregelen in deze PGS naar verwijzen. Daar staat ook de huidige editie van de norm bij.
  • Bijlage F: Implementatietermijnen in bestaande situaties.
Informatiebronnen

In deze PGS-richtlijn worden wetten en andere informatiebronnen genoemd. Een overzicht hiervan staat in Bijlage B.2. Daar staat ook waar deze wetten en informatiebronnen te vinden of te verkrijgen zijn.

1Inleiding

1.1Doel van de richtlijn

Het doel van deze PGS-richtlijn is om vast te leggen met welke maatregelen de risico’s van het afleveren van gecomprimeerd aardgas en gecomprimeerd biogas (CNG) te beheersen zijn. In deze PGS wordt de term gasafleverinstallatie gebruikt, hiermee wordt de aardgas- en biogasafleverinstallatie bedoeld. Deze maatregelen zijn gebaseerd op een risicobenadering die uitgaat van de scenario’s die zich kunnen voordoen. Op basis van de scenario’s zijn doelen geformuleerd waarmee wordt beoogd een aanvaardbaar veiligheidsniveau te creëren. Uit de doelen zijn vervolgens de maatregelen afgeleid. De maatregelen verkleinen de kans op een incident of voorkomen of beperken de nadelige gevolgen van een incident. Informatie over de risicobenadering staat in Hoofdstuk 3 van deze richtlijn.

1.2Toepassingsbereik van de richtlijn Normatief

Deze PGS-richtlijn is van toepassing op gasafleverinstallaties met een nominale tankdruk van ten minste 20.000 kPa (200 bar), die zijn bestemd voor:

  • het tanken van voertuigen, vaartuigen en werktuigen die CNG als brandstof gebruiken;
  • langzaam vullen, snel vullen of een combinatie van beide.

Opmerkingen:

  • Onder aardgas wordt in deze PGS-richtlijn ook biogas verstaan dat is opgewaardeerd tot aardgaskwaliteit.
  • Paragraaf 2.1 van deze richtlijn bevat informatie over gasafleverinstallaties. In Bijlage D bij deze richtlijn is nadere informatie opgenomen over biogas.

Deze richtlijn gaat niet in op de emissies naar bodem, water en lucht. Eisen over emissies naar bodem, water en lucht staan in de regels op grond van de Omgevingswet. Wel zijn bodem-, water- en luchtaspecten genoemd als dit consequenties heeft voor de veiligheid van werknemers en voor de veiligheid van de omgeving. Een voorbeeld is een plas met gevaarlijke stoffen. Dit heeft niet alleen risico’s voor de bodem maar de gevaarlijke stof kan ook uitdampen of in brand raken en schadelijke effecten hebben op de veiligheid van werknemers of de omgeving. De maatregel van een lekbak heeft dan meerdere doelen. De richtlijn gaat ook niet in op de aanpak die nodig is om tot beheersing van de gevaren voor de gezondheid op de lange termijn te komen.

Bij het opstellen van deze PGS-richtlijn heeft het PGS 25-team NEN-EN-ISO 16923 Aardgasvulstations - CNG stations voor het vullen van voertuigen vergeleken met deze PGS-richtlijn. Het PGS 25-team heeft de eisen uit NEN‑EN‑ISO 16923 opgenomen in de maatregelen van deze PGS-richtlijn. Er zijn geen significante tegenstellingen tussen NEN-EN-ISO 16923 en deze PGS-richtlijn.

1.3Relatie met wet- en regelgeving

Wettelijke basis

Deze PGS-richtlijn geeft een nadere uitwerking van wettelijke voorschriften op grond van de Omgevingswet, de Arbeidsomstandighedenwet en de Wet veiligheidsregio's.

In Hoofdstuk 5 staat een toelichting op de relatie met deze wetgeving.

Direct werkende wetten en regels

Naast de eisen in deze PGS-richtlijn zijn er ook andere wetten en regels waaraan een activiteit moet voldoen. Een voorbeeld daarvan is de Warenwet met bijbehorende Warenwetbesluiten. Bijlage C van deze PGS-richtlijn bevat meer informatie over de wet- en regelgeving die van toepassing kan zijn op de activiteit uit deze PGS-richtlijn.

Deze PGS-richtlijn bevat naast de PGS-eisen (in blauwe kaders) ook een aantal maatregelen (in oranje kaders) waaraan een bedrijf op grond van andere wetten en regels al moet voldoen. Dit is om de PGS-richtlijn beter leesbaar en toepasbaar te maken. Dit geeft voor een bepaald onderwerp een meer volledig beeld van de maatregelen die invulling geven aan de doelen.

Deze maatregelen, die al zijn verankerd in direct werkende wetten en regels, hebben een aparte status binnen deze PGS-richtlijn. Een bedrijf moet op grond van deze andere wetten en regels al aan deze maatregelen voldoen.

1.4Bestaande activiteiten

In Hoofdstuk 7 staan maatregelen beschreven. Deze maatregelen geven invulling aan de stand van de techniek en de stand van de wetenschap en professionele dienstverlening.

Nieuwe activiteiten moeten direct voldoen. Bijlage E geeft een overzicht van maatregelen die nieuw of gewijzigd zijn in vergelijking met de vorige versie van deze PGS-richtlijn. In Bijlage F staat voor bestaande activiteiten binnen welke termijn de activiteiten moeten voldoen aan de gewijzigde of nieuwe maatregelen.

1.5Gebruik van normen

Wanneer deze PGS-richtlijn verwijst naar een norm (zoals NEN, EN of ISO) of een ander normdocument of andere specificatie, gaat het om de publicatie, inclusief wijzigings- of correctiebladen, zoals die op het moment van de publicatie van deze PGS-richtlijn luidde. Dde normdocumenten staan in Bijlage B van deze PGS-richtlijn.

Normen zoals NEN, EN of ISO of andere normdocumenten of specificaties worden periodiek opnieuw beoordeeld en zo nodig herzien. De veranderingen zijn vaak beperkt. Wanneer alle bestaande bedrijven toch direct aan de nieuwste editie moeten voldoen, kan dat grote (financiële) gevolgen hebben.

In Bijlage B staat daarom bij de normen waar deze PGS-richtlijn naar verwijst, ook een jaartal. Het gaat om de versie van de norm met dat jaartal, inclusief wijzigings- of correctiebladen. Dat betekent dat deze editie blijft gelden zolang de PGS-richtlijn op dit punt niet is gewijzigd.

Uitzondering voor normen via andere wetten en regels

Soms zijn normen rechtstreeks van toepassing. Bijvoorbeeld omdat andere wetten en regels naar een norm verwijzen. Dat geldt bijvoorbeeld voor normen die horen bij bindende Europese regels. Voor deze normen geldt dat de editie die in die wetten en regels staat, bepalend is.

2Beschrijving aardgas en de gasafleverinstallatie

2.1Aardgas

Algemene informatie

Aardgas wordt gewonnen uit gasvelden en wordt daarna door gastransportbedrijven getransporteerd naar de ‘grote’ industrieën en de gasdistributiebedrijven, waar de druk van het aardgas wordt gereduceerd. Het gastransport- en gasdistributienet kan gevoed worden met aardgas en met tot aardgas opgewaardeerd biogas.

De samenstelling van aardgas kan variëren, afhankelijk van het gasveld of een andere (bio)bron waaruit het is gewonnen. De gasdistributiebedrijven leveren een gassoort die afkomstig is uit het Groningenveld, dan wel een gassoort die daarmee qua verbrandingseigenschappen ongeveer overeenkomt, zoals liquefied natural gas (LNG) wat per schip wordt aangevoerd in Rotterdam. Aardgas bestaat voornamelijk uit methaan, hogere koolwaterstoffen (zoals ethaan) en inerte gassen (zoals stikstof en kooldioxide). Informatie over biogas is opgenomen in Bijlage D.

Gevaren van aardgas

Aardgas is weinig giftig, er is geen grenswaarde vastgesteld, maar het levert in hoge concentraties verstikkingsgevaar op. Aardgas is van nature reukloos. De typische geur wordt na winning aan het aardgas toegevoegd als alarmerende maatregel. Bij een concentratie van 0,5 % tot 0,7% aardgas in lucht is de geur al duidelijk waarneembaar.

Aardgas is onder atmosferische omstandigheden lichter dan lucht en zal daarom opstijgen en vervliegen als het vrijkomt. De relatieve dampdichtheid bedraagt 0,64 (lucht = 1,0).

De ontstekingstemperatuur in lucht ligt vrij hoog op ongeveer 893 K (620 °C). Volgens Chemiekaarten is de zelfontbrandingstemperatuur van aardgas 670 °C, die van CNG 537 °C tot 670 °C, en die van LNG 537 °C tot 595 °C. Een aardgas-luchtmengsel is onder atmosferische omstandigheden ontsteekbaar tussen 5,0 vol.-% en 16 vol.-% aardgas in lucht. Volgens Chemiekaarten is dit 4,7vol.-% - 16,6 vol.-%. Voor LNG (nagenoeg zuiver methaan) geldt een onderste explosiegrens van 4,4 vol.-%. Volgens Chemiekaarten is dit voor LNG 4,5 vol.-% – 14 vol.-% en voor CNG 4,5 vol.-% - 16 vol.-%.

Comprimeren van aardgas

Bij het comprimeren van aardgas van lage druk tot 28.500 kPa (285 bar) stijgt het waterdampgehalte zodanig dat uit het relatief droge aardgas water kan condenseren.

De kans hierop is het grootst in de winter wanneer de bufferopslag door de lage buitentemperatuur sterk afkoelt.

Bij een waterdampgehalte van 30 mg per normaal kubieke meter aardgas is het waterdauwpunt bij 28.500 kPa (285 bar) ongeveer -6 °C. Bij de aansluiting van de aardgasafleverinstallatie aan het leidingnet kan het aardgas echter meer waterdamp bevatten dan de genoemde 30 mg per normaal kubieke meter gas.

Oorzaken daarvan kunnen zijn:

  • de nieuwe leidingen zijn afgeperst met water;
  • er zijn operationele fouten bij de gasleverancier opgetreden;
  • het grondwater is ingelekt via ondeugdelijk geworden verbindingen in gasdistributieleidingen met een druk van maximaal 100.000 kPa (1 bar) overdruk.

De laatstgenoemde oorzaak leidt tot een structureel hoog waterdampgehalte, waardoor in een aardgasafleverinstallatie die vanuit dit soort leidingen wordt gevuld, continue watervorming is te verwachten.

Bij een relatieve verzadiging van CO2-houdend aardgas met relatieve vochtigheid boven 60 % begint CO2-corrosie van koolstofstaal op te treden.

De combinatie van vrij water en aardgas kan onder bepaalde voorwaarden hydraatvorming tot gevolg hebben. Hydraat is een vaste gekristalliseerde verbinding van aardgas en water, die verstoppingen kan veroorzaken. Hydraatvorming kan alleen optreden beneden een bepaalde temperatuur. Deze temperatuur ligt hoger naarmate de gasdruk hoger wordt. Bij Gronings aardgas treedt bij een druk van 28.500 kPa (285 bar) hydraatvorming op bij ongeveer 22 °C. Hierdoor zal, bij de aanwezigheid van vrij water vrijwel altijd hydraatvorming optreden.

Verstoppingen kunnen zich voordoen in vernauwingen in de aardgasafleverinstallatie, zoals leidingen, kleppen of drukregelaars, maar ook in overdrukbeveiligingen. Hieruit blijkt dat de aanwezigheid van vrij water in een aardgasafleverinstallatie zeer ongewenst is en moet worden voorkomen. Het waterdauwpunt van gecomprimeerd aardgas (CNG) behoort dus bij voorkeur niet hoger te zijn dan de laagste te verwachten temperatuur.

Samendrukbaarheid van het gas

De samendrukbaarheid van aardgas bij hogere drukken wijkt af van de ideale gaswet van Boyle-Gay-Lussac. Uit afbeelding 4 (§ 7.6.2) blijkt dat bij temperatuurstijging de drukstijging hoger is dan uit de ideale gaswet zou volgen. Hiermee moet rekening worden gehouden bij drukveranderingen die het gevolg zijn van temperatuurveranderingen van aardgas bij een constant volume.

2.2De gasafleverinstallatie

Algemene beschrijving gasafleverinstallaties

Onderstaand wordt een informatieve omschrijving gegeven van de verschillende soorten afleverinstallaties voor aardgas en biogas aan voertuigen, vaartuigen en werktuigen die aardgas als motorbrandstof gebruiken.

Gasafleverinstallaties leveren gecomprimeerd (gasvormig) aardgas (of biogas met aardgaskwaliteit) aan voertuigen, vaartuigen en/of werktuigen. Het aardgas wordt onttrokken aan het aardgasnet en vervolgens gecomprimeerd.

Dit moet onderscheiden worden van de liquefied natural gas (LNG)-afleverinstallaties, die vloeibaar gemaakt aardgas afleveren aan veelal vrachtauto's en bussen. LNG wordt aangevoerd per tankauto.

Globaal is een gasafleverinstallatie opgebouwd uit een compressorinstallatie, een bufferopslag (optioneel) en een of meerdere aflevertoestellen (ook wel afleverzuilen of dispensers genoemd). In de praktijk spreekt men ook vaak van een CNG-vulstation of CNG-station.

De compressor

De in de gasafleverinstallatie toegepaste compressor comprimeert het aardgas uit het transportnet, meestal tot een druk van maximaal 28.500 kPa (285 bar), maar hogere drukken zijn ook mogelijk. In het algemeen wordt de compressor aangedreven door een elektro- of een gasmotor.

Het aardgas wordt in verschillende trappen gecomprimeerd. Na elke druktrap wordt het aardgas in een warmtewisselaar gekoeld en daarna door een vloeistofafscheider gevoerd. Dit is noodzakelijk omdat bij het comprimeren vloeistoffen kunnen worden gevormd die schade kunnen veroorzaken aan de compressor, de drukhouders of de appendages van het voertuig, vaartuig en/of werktuig.

Soorten gasafleverinstallaties

Bij de gasafleverinstallaties kunnen we onderscheid maken tussen ‘fast-fill’-installaties (snel vullen), ‘slow-fill’-installaties (langzaam vullen) of een combinatie van beide.

Bij ‘fast-fill’ wordt het voertuig, vaartuig of werktuig in enkele minuten afgetankt, terwijl bij ‘slow-fill’ de vultijd over het algemeen zes tot twaalf uur zal bedragen.

‘Fast-fill’-installatie

Bij een ‘fast-fill’-installatie wordt aardgas gecomprimeerd en eventueel opgeslagen in een buffer. Deze vultechniek wordt toegepast als binnen een korte tijd relatief veel voertuigen moeten worden getankt. De vultijd per voertuig bedraagt enkele minuten. Als de buffer leeg is of er geen buffer wordt toegepast, wordt het voertuig direct via de compressor gevuld. De vultijd is dan direct afhankelijk van de capaciteit van de compressor. In het algemeen zal de capaciteit van de compressor die gekoppeld is aan een bufferopslag kleiner zijn dan wanneer geen bufferopslag wordt toegepast.

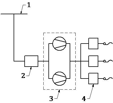
Afbeelding 1Voorbeeld schematische weergave CNG-installatie

Legenda

  1. Flowmeter = F1
  2. Handbediende afsluiter
  3. Handbediende afsluiter (M17)
  4. Op afstand bedienbare afsluiter (M90)
  5. Terugslagklep (terugstroombeveiliging
  6. Lagedrukbeveiliging (druktransmitter) = Pt
  7. Blowdownvat / Drukregelaar
  8. Overdrukbeveiliging (afblaasveiligheid)
  9. Compressor
  10. Brandveiligheid (bijv. smeltveiligheid) (M41)
  11. Bufferopslag
  12. Drukregelaar
  13. Breekkoppeling (M53)
  14. Noodstop

Afbeelding 1 is bedoeld om een voorbeeld te geven van een standaard CNG-installatie met de belangrijkste veiligheden. Het is ook toegestaan om een configuratie te hebben met andere oplossingen om de risico’s te adresseren. Deze afbeelding is informatief en nadrukkelijk niet bedoeld om op te handhaven. Het WBDA 2016 is de wetgeving waaraan de CNG-installatie inclusief de veiligheden moet voldoen.

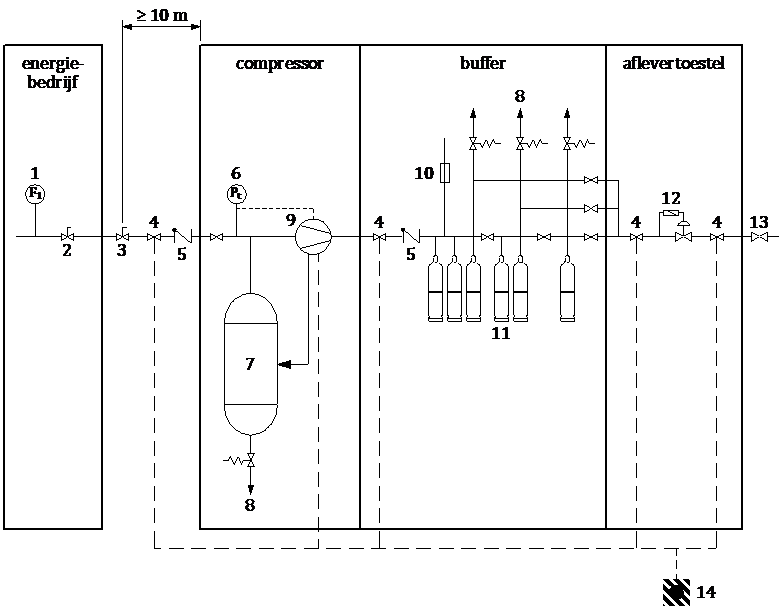
Afbeelding 2Schema ‘fast-fill’-installatie

Legenda

  1. Distributienet
  2. Hoofdmeter
  3. Compressorinstallatie
  4. 3-lijncascade
  5. Aflevertoestel

Bij de ‘fast-fill’-procedure, al dan niet in combinatie met een bufferopslag, wordt de tank van het voertuig in enkele minuten gevuld tot een druk van 20.000 kPa (200 bar). Het aardgastransport wordt dan verwezenlijkt door het drukverschil tussen de bufferopslag en de tank(s) van het voertuig. Om het rendement van de buffer zo hoog mogelijk te maken en de vultijd zo kort mogelijk te houden, wordt meestal gekozen voor een cascaderegeling. Bij een cascaderegeling wordt de totale bufferopslag verdeeld over maximaal drie druklijnen. Tijdens het vullen van een voertuig wordt in eerste instantie getankt uit de eerste druklijn (LD; lage druk), waarna automatisch wordt overgeschakeld op de tweede (MD; middendruk) respectievelijk derde druklijn (HD; hoge druk).

‘Time-fill’-installatie

Bij een ‘time-fill’-installatie (ook wel ‘slow fill’ genoemd) wordt gas via een compressor rechtstreeks in de voorraadcilinders van het voertuig geperst. De ‘time-fill’ wordt meestal toegepast als ’s nachts tanken mogelijk is. Bij een ‘time-fill’-systeem worden in principe meerdere voertuigen aangesloten op de aflevertoestellen (dispensers).

Deze voertuigen worden dan gelijktijdig, langzaam gevuld. Door de lange beschikbare vultijd kan de compressor soms kleiner uitgevoerd worden dan bij een ‘fast fill’ systeem.

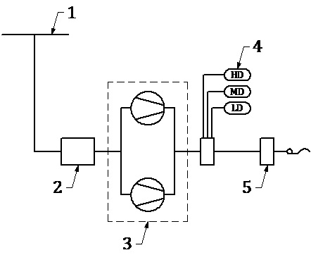
Afbeelding 3Schema ‘time-fill’-installatie

Legenda

  1. Distributienet
  2. Hoofdmeter
  3. Compressorinstallatie
  4. Aflevertoestel/zuil (dispenser)

Vaak wordt een ‘slow-fill’-installatie uitgerust met een kleine buffer om ook een beperkte vorm van ‘fast fill’ mogelijk te maken.

Gashoeveelheidsmeter

De gashoeveelheid wordt uitgedrukt in kilogram en wordt gebruikelijk gemeten aan de hogedrukzijde van het vulstation, die is geïntegreerd in het aflevertoestel (afleverzuil).

3Risicobenadering

3.1Basisveiligheidsniveau

Bij het uitvoeren van de activiteiten die vallen onder het toepassingsbereik van deze PGS-richtlijn wordt ervan uitgegaan dat een basisveiligheidsniveau aanwezig is. Dit is op te delen in vier soorten maatregelen:

  • beschermende maatregelen die volgens wet- en regelgeving standaard bij de activiteiten nodig zijn.
  • maatregelen die volgens bewezen en geaccepteerde goede praktijken niet weg te denken zijn. Dit zijn maatregelen voor ontwerp, constructie, in bedrijf nemen, gebruik, onderhoud of modificatie, inspectie en uit bedrijf nemen.
  • ‘good housekeeping’, dit is een begrip dat staat voor de algemene zorg bij, netheid en orde van een activiteit of een bedrijfsonderdeel. ‘Good housekeeping’ is een belangrijke factor bij het voorkomen van gevaarlijke situaties. Er wordt van uitgegaan dat een bedrijf deze zaken op orde heeft, zoals ook is beschreven in de zorgplichtartikelen van de Omgevingswet en de Arbeidsomstandighedenwet.
  • Maatregelen goed vakmanschap. Dit staat voor vaardigheden van werknemers om kwalitatief goed werk te leveren, en daarbij veilig en gezond te werken.

Het uitgangspunt is dus dat een bedrijf met bovenstaande maatregelen werkt.

In Hoofdstuk 8 en Hoofdstuk 9 staat meer uitleg over de maatregelen die horen bij het basisveiligheidsniveau.

Installaties of activiteiten die onder deze PGS-richtlijn vallen, kunnen zo complex zijn, dat hiervoor een veiligheidsbeheersysteem nodig is. Dat is in elk geval nodig als een activiteit plaatsvindt bij een Seveso-inrichting. Vaak gelden dan eisen voor de opzet en inhoud van dat systeem volgens NEN-EN-ISO 14001, ISO 45001, NTA 8620 of het Besluit activiteiten leefomgeving (Bal).

3.2Risicobenadering

Risicobenadering als basis

Deze PGS-richtlijn is gebaseerd op een risicobenadering waarbij op een systematische manier doelen en maatregelen zijn geformuleerd. Op basis van kennis en kunde van deskundigen van bedrijfsleven en overheid zijn verschillende scenario's geïdentificeerd. Een scenario is een reeks opeenvolgende gebeurtenissen die leiden tot een ongewenste (gevaarlijke) gebeurtenis.

Het risico is altijd een combinatie van de ernst van de gevolgen (effect) van een (ongewenste) gebeurtenis en de waarschijnlijkheid (kans) dat de gebeurtenis zich voordoet: risico = kans × effect.

Scenario's met de kleinste kans of met het kleinste effect worden beschouwd als scenario's met een laag risico. Deze staan niet in deze PGS-richtlijn. De scenario's met een middelhoog tot hoog risico zijn in deze PGS richtlijn beschreven.

Op basis van een scenario is een doel beschreven om ervoor te zorgen dat:

  • de kans op de ongewenste gebeurtenis zo veel mogelijk wordt beperkt; en
  • de nadelige gevolgen van de ongewenste gebeurtenis worden voorkomen of zo veel mogelijk worden beperkt.

Soms kunnen meerdere scenario's met hetzelfde doel worden gedekt. Per doel zijn er een of meer maatregelen uitgewerkt die er samen voor moeten zorgen dat aan het doel wordt voldaan. Een maatregel kan gelden voor meerdere doelen. De risicobenadering geeft de gebruiker van de PGS-richtlijn meer inzicht in het 'waarom' van de opgenomen maatregelen.

Methode

Voor de risicobenadering zijn verschillende methodes mogelijk. Vaak wordt de SWIFT-methode gebruikt. SWIFT staat voor ‘Structured ‘What If’ Technique’. Deze methode wordt gebruikt in combinatie met scenario-identificatie op basis van verschillende bronoorzaken, afkomstig uit de HAZOP-methode. HAZOP staat voor 'Hazard and Operability'.

Meer informatie over de gebruikte methodes staat in de Handreiking generieke risicobenadering.

Scenario's met laag risico

Scenario's met een laag risico worden niet in deze PGS-richtlijn behandeld. Dit betekent niet dat een bedrijf daar geen aandacht aan hoeft te besteden. Zo is een bedrijf onder andere op grond van de arbeidsomstandighedenwet gehouden om een risico inventarisatie en -evaluatie uit te voeren en hier een passend plan van aanpak voor te maken. Maatregelen voor scenario's met een laag risico kunnen ook door andere wetten, regels, richtlijnen of afspraken worden geborgd.

Risicoanalyse verplicht volgens wetgeving

De scenario's in deze PGS-richtlijn horen bij de risicoanalyse die het PGS-team heeft uitgevoerd. Voor sommige activiteiten geldt ook een wettelijke plicht om een risicoanalyse uit te voeren. Naast de eerder genoemde RIE-plicht vanuit de Arbeidsomstandighedenwet zijn bedrijven bijvoorbeeld op grond van het Warenwetbesluit drukapparatuur 2016 (WBDA 2016) verplicht om voor installaties die hieronder vallen een risicoanalyse uit te voeren. De risicoanalyse van het PGS-team komt niet in de plaats van deze verplichte risicoanalyse.

Scenario's die niet zijn uitgewerkt

Scenario's gaan uit van ongewenste gebeurtenissen. Bij het identificeren van scenario's zijn niet alle ongewenste gebeurtenissen meegenomen. Terrorisme en neerstortende vliegtuigen zijn daar voorbeelden van. Scenario's die voortkomen uit natuurgeweld zijn, als dat relevant is, wel benoemd maar niet verder uitgewerkt in doelen en maatregelen. De enige uitzondering is blikseminslag. Voor natuurgeweld zoals overstromingen en aardbevingen geldt dat de kans hierop afhangt van de locatie van de activiteit. Bedrijven moeten zelf beoordelen of er een verhoogde kans is op aardbevingen of overstromingen en ook wat de gevolgen van zo'n gebeurtenis kunnen zijn voor de veiligheid. Aan de hand daarvan kan een bedrijf in overleg met het bevoegd gezag vaststellen welke maatregelen nodig zijn om de gevolgen te beperken.

Bedrijven die onder de Seveso-richtlijn vallen en beschouwd worden als hogedrempelinrichting, moeten in het veiligheidsrapport wél ingaan op natuurlijke oorzaken van zware ongevallen, zoals aardbevingen of overstromingen.

Aanpak risicobenadering PGS 25

Een toelichting op de PGS-risicobenadering en hoe de PGS-teams deze hebben aangepakt, staat in de Handreiking generieke risicobenadering.

De risicoanalyse geeft een kwalitatief inzicht in de kans en gevolgen van een scenario. Het PGS-team heeft de risico’s van de scenario’s geëvalueerd, geclassificeerd en gerangschikt. Daarbij is gebruikgemaakt van de kwalitatieve risicomatrix van de generieke risicobenadering. Hiermee is bepaald of het scenario relevant is voor de PGS. Als het scenario relevant is voor de PGS, identificeert het team maatregelen op basis van de huidige stand der techniek (bijvoorbeeld uit bestaande PGS'en, gehanteerde normen en andere referentiedocumenten). Als het om nieuwe activiteiten gaat, zal in overleg met betrokken experts bekeken worden welke maatregelen toegepast worden en/of toepasbaar zijn.

De risicomatrix is vervolgens gebruikt om te beoordelen of de maatregel:

  • het risico vermindert;
  • de kans op optreden van de ongewenste gebeurtenis verkleint;
  • de omvang of ernst van de gevolgen vermindert.

Voor de geïdentificeerde maatregelen is vervolgens getoetst of ze als maatregel in de PGS opgenomen moeten worden. Dit gebeurt op basis van de gezamenlijke kennis en inzichten van deskundigen in het PGS-team.

In dit deskundig oordeel worden dus meerdere aspecten meegewogen. In elk geval zijn dit wettelijke randvoorwaarden zoals de beste beschikbare techniek, de stand van de wetenschap en de arbeidshygiënische strategie. De positie van het scenario in de matrix is daarbij een hulpmiddel dat inzicht geeft. De risicomatrix kan niet gezien worden als normatief kader.

De risicobenadering is uitgevoerd in sessies met het PGS 25-team, onder begeleiding van een externe deskundige, en is gebaseerd op een representatieve gangbare aardgasafleverinstallatie. De risicobenadering is niet uitputtend. Het is altijd mogelijk dat scenario's die niet zijn beschreven zich voordoen.

4Scenario's

4.1Inleiding

Dit hoofdstuk beschrijft scenario’s die realistisch en relevant zijn voor aardgasafleverinstallaties. De scenario’s zijn onderverdeeld in categorieën van directe oorzaken: corrosie, erosie, externe oorzaken, natuurlijke oorzaken, impact, overdruk, onderdruk, lage temperatuur, hoge temperatuur, trillingen, menselijke fouten tijdens gebruik, wijziging of onderhoud en overschrijding belastinggrenzen.

Elk scenario staat in een groen kader en heeft een nummer. Het is weergegeven als S1, S2 en verder. Bij elk scenario horen doelen. Deze doelen zijn weergegeven als D1, D2 en verder. De beschrijvingen van de doelen staan in Hoofdstuk 6. Bij de maatregelen in Hoofdstuk 7 is steeds aangegeven welke scenario's daar een rol bij spelen.

4.2Scenario’s voor de installatie vanaf het gasnet tot en met de afleverzuil

S1

Oorzaak: Een lekkage treedt op in het compressorgebouw, waarna de monteur het compressorgebouw binnengaat voor onderhoud (geen ventilatie aanwezig).

Gevolgen:

  • gas/CNG komt vrij;
  • er bestaat een risico op verstikking van de aanwezigen;
  • de gezondheid van de aanwezigen kan worden aangetast;
  • er kan persoonlijk letsel bij het personeel en aanwezigen ontstaan;
  • na ontsteking van het gas ontstaat een brand of explosie;
  • na een brand of explosie kunnen domino-effecten optreden
S2

Oorzaak: Schade aan leidingen of overige onderdelen van de installatie door de impact van een voertuig.

Gevolgen:

  • schade aan de afleverinstallatie;
  • gas/CNG komt vrij; - de gezondheid van de aanwezigen kan worden aangetast;
  • na ontsteking van het gas ontstaat een brand of explosie;
  • een brand of explosie kan leiden tot persoonlijk letsel van het personeel (bij een bemande locatie);
  • een brand of explosie kan leiden tot persoonlijk letsel van derden;
  • na een brand of explosie kunnen domino-effecten optreden.
Doelen
D2D19
S3

Oorzaak: Een externe brand nabij de aardgasafleverinstallatie

Gevolgen:

  • de externe brand (bij de shop of in het geval van plasbranden) straalt de aardgasafleverinstallatie aan;
  • de aardgasafleverinstallatie warmt op tot boven de ontwerptemperatuur;
  • het buffervat explodeert;
  • de explosie richt schade aan de omgeving aan;
  • een brand of explosie kan leiden tot persoonlijk letsel van het personeel (bij een bemande locatie);
  • een brand of explosie kan leiden tot persoonlijk letsel van derden.
Doelen
D3D7D22
S4

Oorzaak: Beperkte lekkages ontstaan in de installatie (lekkages zoals beschreven in NPR 7910-1:2020+C1:2021 (zweten oftewel lekkage via flensverbindingen).

Gevolgen:

  • aardgas/CNG stroomt uit;
  • accumulatie van aardgas treedt op in het compressorgebouw;
  • na ontsteking van het gas ontstaat een brand of explosie.
Doelen
D1D12D13
S5

Oorzaak: Een lekkage ontstaat in het compressorgebouw, waarna een (onbevoegde) werknemer het compressorgebouw binnengaat tijdens normaal bedrijf.

Gevolgen:

  • de werknemer wordt blootgesteld aan gas/CNG tijdens het betreden van de ruimte;
  • er bestaat een kans op verstikking;
  • er kan persoonlijk letsel bij het personeel ontstaan;
  • de gezondheid van de aanwezige kan worden aangetast;
  • na ontsteking van het gas ontstaat een brand of explosie;
  • na een brand of explosie kunnen domino-effecten optreden.
S6

Oorzaak: Er treedt gasuitstroming op naar de openlucht (door een lekkage in de buitenlucht of ten gevolge van een lekkage binnen via de ventilatieopening).

Gevolgen:

  • gas/CNG komt vrij;
  • verstikking is niet waarschijnlijk;
  • gezondheidseffecten worden niet verwacht;
  • kleine lekkages zullen in de buitenlucht niet leiden tot de vorming van een explosief mengsel;
  • een grote lekkage kan na ontsteking leiden tot een brand of een explosie;
  • een brand of explosie kan leiden tot persoonlijk letsel van het personeel (bij een bemande locatie);
  • een brand of explosie kan leiden tot persoonlijk letsel van derden;
  • na een brand of explosie kunnen domino-effecten optreden.
S7

Oorzaak: Door graafwerkzaamheden raakt een ondergrondse leiding beschadigd.

Gevolgen:

  • schade aan de leidingen;
  • gas/CNG komt vrij;
  • gezondheidseffecten worden niet verwacht;
  • kleine lekkages zullen in de buitenlucht niet leiden tot de vorming van een explosief mengsel;
  • een grote lekkage kan na ontsteking leiden tot een brand of een explosie;
  • een brand of explosie kan leiden tot persoonlijk letsel van het personeel (bij een bemande locatie);
  • een brand of explosie kan leiden tot persoonlijk letsel van derden;
  • na een brand of explosie kunnen domino-effecten optreden.
Doelen
D9D12D19
S8

Oorzaak: De installatie is niet vrij van CNG en is niet drukloos bij het uitvoeren van onderhoud.

Gevolgen:

  • zie scenario 'Lekkage binnen tijdens onderhoud' (S1);
  • het losschieten van onderdelen van de installatie kan letsel veroorzaken.
S9

Oorzaak: Terugstroming van gas naar het gasnet door een defecte interne terugslagklep in de compressor.

Gevolgen:

  • terugstroming naar het gasnet;
  • de druk in het gasnet wordt verhoogd; deze druktoename zal echter beperkt zijn (afhankelijk van de capaciteit van het gasnet);
  • schade, zoals vervorming en breuk, aan het gasnet kan ontstaan;
  • schade, zoals vervorming en breuk, aan de toevoerleiding kan ontstaan waardoor gas/CNG kan vrijkomen;
  • een grote lekkage kan na ontsteking leiden tot een brand of een explosie;
  • een brand of explosie kan leiden tot persoonlijk letsel van het personeel (bij een bemande locatie);
  • een brand of explosie kan leiden tot persoonlijk letsel van derden;
  • na een brand of explosie kunnen domino-effecten optreden.
Doelen
D6
S10

Oorzaak: Bij het ontwerp van de installatie is gekozen voor materiaal dat hiervoor niet geschikt is.

Gevolgen:

  • de integriteit van de installatie faalt;
  • een lekkage van aardgas treedt op waardoor er kans is op een brand of explosie;
  • na ontsteking van het gas ontstaat een brand of explosie.
Doelen
D7D19D22
S11

Oorzaak: Een onjuiste slangkeuze (tussen de compressor en de buffer of bij het gebruik van hydrauliekslangen en afleverslangen).

Gevolgen:

  • de integriteit van de slang faalt;
  • een lekkage van aardgas treedt op waardoor er kans is op een brand of explosie;
  • na ontsteking van het gas ontstaat een brand of explosie.
Doelen
D17D19
S12

Oorzaak: Ontsteking van het, via de overdrukbeveiliging, afgeblazen aardgas vindt plaats door een onbekende oorzaak.

Gevolgen:

  • een fakkelbrand treedt op bij de overdrukbeveiliging;
  • de fakkelbrand genereert een warmtestraling op de omgeving;
  • secundaire branden in nabije gebouwen kunnen optreden.
Doelen
D8D13D19
S13

Oorzaak: Aanwezigheid van water in het aardgas leidt tot corrosie van de installatie.

Gevolgen:

  • op termijn leidt corrosie tot lekkage uit de leidingen en overige onderdelen;
  • gas/CNG komt vrij;
  • gezondheidseffecten worden niet verwacht;
  • kleine lekkages zullen in de buitenlucht niet leiden tot de vorming van een explosief mengsel;
  • een grote lekkage kan na ontsteking leiden tot een brand of een explosie (dit is bij corrosie niet waarschijnlijk);
  • een lekkage binnen kan tot persoonlijk letsel bij werknemers leiden;
  • een lekkage buiten kan ook tot persoonlijk letsel bij derden leiden;
  • na een brand of explosie kunnen domino-effecten optreden.
Doelen
D7D19
S14

Oorzaak: Water (regenwater) komt in de goot met CNG-leidingen waardoor de leidingen corroderen (deze constructie wordt bij nieuwe installaties weinig toegepast).

Gevolgen:

  • aantasting van de leidingen;
  • uitwendige corrosie van de leiding heeft lekkage tot gevolg
  • gas/CNG komt vrij;
  • gezondheidseffecten worden niet verwacht;
  • kleine lekkages zullen in de buitenlucht niet leiden tot de vorming van een explosief mengsel;
  • na ontsteking van het gas ontstaat een brand of explosie (een grote lekkage wordt niet verwacht);
  • een brand of explosie kan leiden tot persoonlijk letsel van het personeel (bij een bemande locatie);
  • een brand of explosie kan leiden tot persoonlijk letsel van derden;
  • na een brand of explosie kunnen domino-effecten optreden.
Doelen
D7D19
S15

Oorzaak: Door zetting van de bodem of een aardbeving raken de aardgasafleverinstallatie of de ondergrondse delen hiervan beschadigd.

Gevolgen:

  • schade aan leidingen of aan overige onderdelen van de installatie;
  • gas/CNG komt vrij;
  • gezondheidseffecten worden niet verwacht;
  • na ontsteking van het gas ontstaat een brand of explosie
  • een brand of explosie kan leiden tot persoonlijk letsel van het personeel (bij een bemande locatie);
  • een brand of explosie kan leiden tot persoonlijk letsel van derden;
  • na een brand of explosie kunnen domino-effecten optreden.
Doelen
D9D19
S16

Oorzaak: Vandalisme na toegang bij de compressor of de bufferinstallatie door onbevoegden.

Gevolgen:

  • schade aan de installatie;
  • gas/CNG komt vrij;
  • persoonlijk letsel van derden kan ontstaan.
Doelen
D10
S17

Oorzaak: Een lekkage ontstaat in het compressorgebouw tijdens het in bedrijf zijn van de watergekoelde compressor en wordt waargenomen door het publiek. De meest waarschijnlijke oorzaak voor een ernstige gaslekkage in het gebouw is een lekkage bij de compressor. Een lekkage bij de droger en het blowdownvat is minder waarschijnlijk.

Gevolgen:

  • een explosief mengsel vormt zich in het gebouw;
  • na ontsteking van het gas ontstaat een brand of explosie;
  • een brand of explosie kan leiden tot persoonlijk letsel van personeel of derden (er is een beperkte kans op blootstelling, omdat de tijdsduur dat het gas-luchtmengsel zich binnen de explosiegrenzen bevindt, beperkt is en de kans op blootstelling beperkt is);
  • bij ontsteking van het gas-luchtmengsel buiten het gebouw (uitstroming via ventilatieopening) is er een kans op een fakkelbrand of wolkbrand;
  • persoonlijk letsel van werknemers of derden kan ontstaan door warmtestraling.
Doelen
D1D19
S18

Oorzaak: Lage aanvoerdruk van het gasnet.

Gevolgen:

  • lucht wordt mogelijk aangezogen;
  • een explosief mengsel vormt zich en wordt gecomprimeerd;
  • een explosief mengsel belandt in het voertuig (de motor).
Doelen
D11
S19

Oorzaak: Lage zuigdruk in de installatie (door een gesloten afsluiter, of overcapaciteit van de compressor).

Gevolgen:

  • lucht wordt mogelijk aangezogen;
  • een explosief mengsel vormt zich en wordt gecomprimeerd;
  • een explosief mengsel belandt in het voertuig (de motor).
Doelen
D11
S20

Oorzaak: Niet KvI-plichtige, ondeskundige reparaties of wijzigingen vinden plaats aan de installatie.

Gevolgen:

  • onjuist materiaal wordt aangebracht;
  • het materiaal is van onvoldoende laskwaliteit;
  • dit leidt tot lekkage aan de leidingen en overige apparatuur
  • hierdoor komt gas/CNG vrij;
  • na ontsteking van het gas ontstaat een brand of explosie.
Doelen
D12D19
S21

Oorzaak: Een brand buiten de bufferopslag straalt de bufferopslag met stalen tanks aan.

Gevolgen:

  • de temperatuur in de bufferopslag wordt hoger waardoor de druk in de bufferopslag oploopt en het materiaal kan verzwakken;
  • de bufferopslag faalt onmiddellijk;
  • na ontsteking van het gas ontstaat een brand of explosie.
Doelen
D3D8
S22

Oorzaak: Een onderdeel van de aardgasafleverinstallatie faalt tijdens persbeproevingen die bij een herkeuring van de installatie worden uitgevoerd.

Gevolgen:

  • componenten kunnen falen bij de persbeproeving;
  • bij een persbeproeving met stikstof: inert gas komt onder hoge druk vrij (effectafstand door losschieten componenten is ongeveer 30 m);
  • bij een persbeproeving met water: water onder hoge druk komt vrij (effectafstand door losschieten onderdelen is ongeveer 5 m);
  • mogelijk schieten onderdelen los;
  • bij blootstelling kan persoonlijk letsel optreden.
Doelen
D7
S23

Oorzaak: Fouten bij het onderhoud aan de aardgasleiding. Specifiek het verwarren van de lagedruk- en de hogedrukaardgasleiding bij afleveren in een gebouw.

Gevolgen:

  • gasuitstroming vindt plaats;
  • na ontsteking van het gas ontstaat een brand of explosie;
  • een brand of explosie kan leiden tot persoonlijk letsel van derden.
S24

Oorzaak: Trillingen bij de compressor.

Gevolgen:

  • er kan interne schade aan de compressor ontstaan;
  • de koppelingen worden losgetrild en er ontstaan mechanische spanningen;
  • gas/CNG komt vrij;
  • een explosief mengsel vormt zich in de compressorruimte;
  • na ontsteking van het gas ontstaat een brand of explosie.
Doelen
D1D7D19
S25

Oorzaak: Het foutief achterlaten van de inlaatafsluiter (seal werkt alleen bij overdruk) zorgt voor een lage gasdruk aan de zuigzijde en daardoor voor het aanzuigen van buitenlucht.

Gevolgen:

  • buitenlucht komt in het aardgas;
  • het gas-luchtmengsel wordt aangezogen door de compressor;
  • mogelijk ontstaat een explosie in de compressor;
  • dit leidt tot mechanische schade aan de compressor;
  • bij aanwezigheid loopt de monteur mogelijk persoonlijk letsel op;
  • buiten het compressorgebouw worden geen gevolgen verwacht.
Doelen
D12D21
S26

Oorzaak: Corrosie van de ondergrondse leidingen.

Gevolgen:

  • op termijn kan een ondergrondse lekkage ontstaan;
  • ontsteking leidt tot een fakkelbrand;
  • persoonlijk letsel bij derden kan ontstaan.
Doelen
D4D7
S27

Oorzaak: Corrosie van een leiding in een open of gesloten goot (bij koppelingen met knel- of schroefverbindingen)

Gevolgen:

  • op termijn kan een lekkage ontstaan met een explosieve atmosfeer in de gesloten goot als gevolg;
  • bij ontsteking volgt een explosie van dit gas-luchtmengsel in de goot;
  • persoonlijk letsel bij derden kan ontstaan.
Doelen
D4D7D22
S28

Oorzaak: Afblazen van het aardgas uit de aardgasafleverinstallatie voor onderhoud.

Gevolgen:

  • de monteur kan een afsluiter openen met een grotere capaciteit dan de afblaasafsluiter;
  • aardgas stroomt uit op een veilige locatie, maar met een groter debiet dan in de uitgangspunten voor de ATEX zonering is vastgelegd;
  • er kunnen zich ontstekingsbronnen binnen de wolk met het gas-luchtmengsel bevinden;
  • ontsteking leidt tot een fakkelbrand;
  • aanstraling van objecten in de omgeving wordt niet verwacht, omdat de monteur direct kan ingrijpen.
Doelen
D8D12D19
S29

Oorzaak: Ontsteking van vrijgekomen aardgas tijdens het loskoppelen (bij openbare CNG-stations).

Gevolgen:

  • bij afkoppelen komt een geringe hoeveelheid aardgas vrij;
  • bij ontsteking door statische elektriciteit ontstaat mogelijk een brand of explosie.
Doelen
D13D21
S30

Oorzaak: Ontsteking van vrijgekomen aardgas tijdens het loskoppelen zonder retourslang naar de centrale afblaasvoorziening (veelal bij niet-openbare CNG-tankstations).

Gevolgen:

  • bij afkoppelen komt een geringe hoeveelheid aardgas vrij;
  • bij ontsteking door statische elektriciteit ontstaat mogelijk een brand of explosie.
Doelen
D13D21
S31

Oorzaak: Een beperkte lekkage vanuit de dispenser naar buiten (via openingen).

Gevolgen:

  • dispersie van aardgas vanuit de dispenser naar de omgeving;
  • bij ontsteking kan een beperkte wolkbrand ontstaan;
  • een wolkbrand kan leiden tot persoonlijk letsel van derden.
Doelen
D13D14D22
S32

Oorzaak: Een brand vanuit de overdrukbeveiliging van de aardgasafleverinstallatie straalt de omgeving aan.

Gevolgen:

  • bij het afblazen vanuit de overdrukbeveiliging komt aardgas vrij;
  • na ontsteking hiervan volgt een fakkelbrand;
  • hierdoor worden gebouwen in de omgeving aangestraald
  • een externe brand ontstaat.
Doelen
D8
S33

Oorzaak: Een fout tijdens de bediening van de installatie (niet bij het afleveren), zoals de compressor handmatig starten bij een volle buffer of een onjuiste instelling/handeling bij de PLC.

Gevolgen:

  • afblazen van CNG/aardgas vindt plaats via de veiligheidsklep naar een veilige locatie;
  • veiligheidsvoorzieningen komen in werking bij overdruk.
Doelen
D5D15
S34

Oorzaak: Lekkage tijdens normaal bedrijf van de installatie.

Gevolgen:

  • milieuschade.
S35

Oorzaak: De aanwezigheid van water in het aardgas leidt tot hydraatvorming.

Gevolgen:

  • hydraatvorming in de installatie;
  • verstopping van de installatie is mogelijk;
  • afhankelijk van de (buiten)temperatuur kan de installatie dichtvriezen tijdens het afleveren;
  • er worden geen veiligheidsgevolgen verwacht. Er is slechts sprake van een kwaliteitsprobleem.
Doelen
D7
S36

Oorzaak: Aantasting van de ondergrondse kabels.

Gevolgen:

  • mogelijke stroomuitval, zie scenario 'Stroomuitval' (S43);
  • operationele problemen, waaronder met het noodstopsysteem.
Doelen
D7
S37

Oorzaak: (Zeer) lage omgevingstemperatuur.

Gevolgen:

  • toename van het risico op hydraatvorming;
  • hierdoor ontstaan operationele problemen;
  • verstopping van de installatie is mogelijk;
  • afhankelijk van de (buiten)temperatuur kan de installatie dichtvriezen tijdens afleveren;
  • er worden geen veiligheidsgevolgen verwacht. Er is slechts sprake van een kwaliteitsprobleem.
Doelen
D7
S38

Oorzaak: Effecten op de omgeving vanwege diverse oorzaken bij de installatie.

Oorzaak: Effecten op de omgeving vanwege diverse oorzaken bij de installatie.

Gevolgen:

  • persoonlijk letsel bij derden kan ontstaan;
  • na een brand of explosie kunnen domino-effecten optreden.
Doelen
D8
S39

Oorzaak: Een interne lekkage van de op afstand bedienbare afsluiters tussen de hogedrukbuffer en het gasnet, waardoor het lagedrukdeel een hoge druk te verwerken kan krijgen.

Gevolgen:

  • terugstroming van gas vanuit de hogedrukbuffer naar het lagedruksysteem;
  • er ontstaat drukopbouw in het lagedruksysteem dat is aangesloten op het aardgasnet;
  • een daaropvolgende overdruk in het gasnet is niet realistisch vanwege zowel de geringe inhoud van de gasbuffer ten opzichte van het gasnet als het beperkte debiet bij een lekkage.
Doelen
D6
S40

Oorzaak: KvI-plichtige wijzigingen en reparaties vinden plaats aan de installatie.

Gevolgen:

  • onjuist materiaal wordt aangebracht;
  • het materiaal is van onvoldoende laskwaliteit;
  • dit leidt tot lekkage aan de leidingen en overige uitrusting;
  • hierdoor komt gas/CNG vrij;
  • na ontsteking van het gas ontstaat een brand of explosie.

De gevolgen zijn niet in detail uitgewerkt.

Doelen
D12
S41

Oorzaak: Hoge druk in de installatie (compressor stopt niet, hoge temperatuur, temperatuurverschillen).

Gevolgen:

Niet in detail besproken, ontwerp conform WBDA 2016 en WBDA (type goedkeur) en Machinerichtlijn.

Doelen
D7D19
S42

Oorzaak: Uitval van de koeling van de compressor.

Gevolgen:

  • de temperatuur kan tot 300 °C toenemen;
  • de integriteit van de opslag kan falen door de hoge temperatuur;
  • een uitstroom van aardgas wordt niet verwacht.

Er worden geen veiligheidsgevolgen voorzien.

Doelen
D7
S43

Oorzaak: Stroomuitval (bijvoorbeeld blikseminslag).

Gevolgen:

  • de installatie valt uit en de compressor stopt plotseling;
  • geen directe gevolgen/geen gevolgen voor de veiligheid.
Doelen
D7D13
S44

Oorzaak: Luchttoevoer uitval (ten behoeve van het ESD-systeem).

Gevolgen:

  • de installatie valt uit;
  • geen directe gevolgen.

Geen gevolgen voor de veiligheid.

Doelen
D7
S45

Oorzaak: Een lekkage of breuk aan de flexibele verbinding van de compressor.

Gevolg:

  • aardgas stroomt uit in de compressorruimte.
Doelen
D7

4.3Scenario’s voor het afleveren (tanken) van CNG met ‘fast fill’ installaties

S46

Oorzaak: Overvullen van de brandstoftank van de auto door storingen aan de aardgasafleverinstallatie (meer dan 20.000 kPa (200 bar) bij 15 °C).

Gevolgen:

  • het materiaal van de brandstoftank vermoeit bij het herhaaldelijk overvullen van de brandstoftank (bij het ontwerp van de brandstoftank is geanticipeerd op 10 maal overvullen);
  • de brandstoftank van de auto faalt onmiddellijk (kans het grootst bij vulinstallatie);
  • de kans van het scenario is afhankelijk van de uitvoering van de gasafleverinstallatie;
  • inzittenden van het voertuig kunnen overlijden.
Doelen
D16D22
S47

Oorzaak: Aflevering kan niet stoppen door een falende regeling als de bufferdruk hoger is dan 28,5 MPa (28.500 kPa of 285 bar).

Gevolgen:

  • de druk in de tank in de auto wordt te hoog;
  • de tank in de auto explodeert met ernstige gevolgen voor de personen in de nabijheid van de auto.
Doelen
D16D22
S48

Oorzaak: Een slangbreuk ontstaat door onbekende oorzaak bij afleveren in een gebouw.

Gevolgen:

  • aardgas komt mogelijk vrij vanuit de afleverslang;
  • een explosief mengsel vult het gebouw;
  • na ontsteking van het gas ontstaat een brand of explosie;
  • persoonlijk letsel kan ontstaan.
Doelen
D17
S49

Oorzaak: Wegrijden met het voertuig zonder de afleverslang los te koppelen (voertuig van na 2012), terwijl ook een ander voertuig tankt.

Gevolgen:

  • gas stroomt uit via de vulnippel, slang of dispenser;
  • de brandstoftank stroomt leeg via vulnippel, slang of dispenser;
  • ontsteking van het vrijgekomen gas kan leiden tot een fakkelbrand;
  • persoonlijk letsel bij derden kan ontstaan.
Doelen
D18D19D20

4.4Scenario’s voor het afleveren met 'time-fill'-installaties

S50

Oorzaak: Een slangbreuk treedt door een onbekende oorzaak op in de buitenlucht.

Gevolgen:

  • aardgas stroomt uit vanuit de afleverslang, gevoed door de compressor (een continue stroom van aardgas treedt op);
  • brand-/explosiegevaar;
  • bij blootstelling kan persoonlijk letsel ontstaan;
  • mogelijk escalatie van brand naar andere voertuigen.
Doelen
D17
S51

Oorzaak: Een beperkte lekkage vanuit een koppeling bij de 'time fill' installatie naar buiten.

Gevolgen:

  • dispersie van aardgas vanuit de dispenser naar de omgeving;
  • bij ontsteking kan een beperkte wolkbrand ontstaan;
  • persoonlijk letsel bij derden kan ontstaan door een wolkbrand.
Doelen
D7D14

4.5Scenario’s voor tankinstallaties voor vaartuigen

Dit zijn extra scenario’s (andere scenario’s zijn voor zover relevant ook van toepassing).

S52

Oorzaak: Breuk in leiding tussen beweegbare steiger en vaste wal.

Gevolgen:

  • Brandbaar product komt vrij in de omgeving met een risico op brand.
Doelen
D24
S53

Oorzaak: Afleverslang raakt bekneld tussen wal en schip en lekt of breekt.

Gevolgen:

  • Brandbaar product komt in de omgeving vrij met risico op brand.
Doelen
D23

5Richtingaanwijzer wet- en regelgeving

5.1Inleiding Normatief

Deze PGS-richtlijn beschrijft de doelen en de maatregelen die getroffen kunnen worden om aan de doelen te voldoen en daarmee de veiligheid te waarborgen.

Elke maatregel beoogt een risico te verminderen. Dit gaat om hoge en middelhoge risico's voor:

  • Omgevingsveiligheid: het voorkomen van ongewone voorvallen en het beperken van de gevolgen daarvan voor de omgeving met het oog op het waarborgen van de veiligheid voor de omgeving.
  • Arbeidsveiligheid: het voorkomen van ongevallen met gevaarlijke stoffen, danwel het beperken van de gevolgen daarvan en het voorkomen van acute blootstelling van werknemers aan gevaarlijke stoffen.
  • Brand- en rampenbestrijding: het beperken van de gevolgen van een brand, incident met gevaarlijke stoffen of ramp en het borgen van een doelmatige rampenbestrijding en voor het borgen van de veiligheid van de incidentbestrijders.

Er wordt zo zorgvuldig mogelijk gezorgd in een PGS dat bij navolging van de maatregelen niet in strijd wordt gehandeld met wet- en regelgeving. Het is echter niet zo dat een PGS uitputtend is in het opnemen van wettelijke verplichtingen. Het is altijd van belang de van toepassing zijnde wetgeving voor de desbetreffende activiteit te controleren.

De meeste maatregelen hebben grondslagen in meerdere wetten. Bij elke maatregel is deze grondslag vermeld. Daarmee wordt duidelijk dat:

  • de maatregelen die zijn gesteld voor de omgevingsveiligheid moeten worden nageleefd op grond van de Omgevingswet. In Hoofdstuk 7 zijn deze maatregelen aangeduid met Omgevingsveiligheid en met Brandpreventie;
  • de maatregelen die zijn gesteld in het belang van de arbeidsveiligheid, moeten worden nageleefd op grond van de Arbeidsomstandighedenwet en de Warenwet. In Hoofdstuk 7 zijn deze maatregelen aangeduid met Arbeidsveiligheid;
  • de maatregelen die zijn gesteld in het belang van de brand- en de rampenbestrijding, moeten worden nageleefd op grond van de Wet veiligheidsregio's. In Hoofdstuk 7 zijn deze maatregelen aangeduid met Rampenbestrijding.

5.2Omgevingswet

De Omgevingswet gaat over de fysieke leefomgeving en de activiteiten die daar gevolgen voor (kunnen) hebben. Het Besluit activiteiten leefomgeving (Bal) bevat onder andere regels voor milieubelastende activiteiten. Met het oog op het waarborgen van de veiligheid zijn in het Bal regels gesteld over activiteiten met gevaarlijke stoffen. In het Bal kan omschreven zijn dat een vergunningplicht of algemene regels gelden voor de activiteit. Het toepassingsbereik van deze PGS-richtlijn kan breder zijn dan het toepassingsbereik van de milieubelastende activiteit van het Bal. De eisen uit deze PGS-richtlijn gelden alleen als direct werkende verplichtingen voor zo ver passend binnen het toepassingsbereik van het Bal. In de Omgevingsregeling is terug te vinden welke versie van de PGS-richtlijn is aangestuurd. Voor vergunningplichtige activiteiten bepaalt het Besluit kwaliteit leefomgeving (Bkl) welke informatiedocumenten betrokken moeten worden als informatiedocument. Het bevoegd gezag moet bij het beoordelen van de aanvraag omgevingsvergunning milieubelastende activiteit rekening houden met het informatiedocument. Tussen het moment van vaststellen van de PGS-richtlijn door het BOb en opname in de rijksregels kan een periode zijn gelegen. Hoe hiermee om te gaan in deze periode is te vinden opde website van het Informatiepunt Leefomgeving (IPLO): Vooruitlopen op toekomstige PGS-richtlijnen. Deze systematiek geldt voor bestaande richtlijnen die gewijzigd zijn én voor nieuwe richtlijnen waarvoor mogelijk een herziening van het Bal nodig is. Voor het overzicht van de juridische status van de PGS-richtlijn zie de website van het Informatiepunt Leefomgeving (IPLO): Overzicht PGS-richtlijnen. Het stelsel van de Omgevingswet biedt mogelijkheid om bij maatwerkvoorschrift of gelijkwaardige maatregel af te wijken.

5.3Arbeidsomstandighedenwet, -besluit en -regelingen

De Arbeidsomstandighedenwet bevat verplichtingen met het oog op de arbeidsveiligheid. Voor bedrijven waar wordt gewerkt met gevaarlijke stoffen, is het voorkomen van ongevallen met die stoffen en het beperken van de gevolgen daarvan voor werknemers, een belangrijk doel. Een ander belangrijk doel is het voorkomen van acute blootstelling aan gevaarlijke stoffen bij werknemers, de zogenaamde minimalisatieplicht van de werkgever.

In het Arbeidsomstandighedenbesluit, een uitwerking van de Arbeidsomstandighedenwet, staan nadere regels waaraan zowel werkgever als werknemer zich moet houden om arbeidsrisico's tegen te gaan. De Arbeidsomstandighedenwet en het Arbeidsomstandighedenbesluit geven in sommige artikelen de minister de bevoegdheid om nadere regels te stellen. Dat is uitgewerkt in de Arbeidsomstandighedenregeling. Deze regeling geeft dus nadere uitleg voor bepaalde onderwerpen uit de Arbeidsomstandighedenwet en het Arbeidsomstandighedenbesluit maar behoort ook tot de reguliere wetgeving. Een bedrijf kan dus te maken hebben met de Arbeidsomstandighedenwet, het Arbeidsomstandighedenbesluit en de Arbeidsomstandighedenregeling.

De overheid geeft via de Arbeidsomstandighedenwet een wettelijk kader met zo min mogelijk regels en administratieve lasten. Werkgevers en werknemers kunnen samen afspraken maken over de wijze waarop zij aan de door de overheid gestelde voorschriften kunnen voldoen. Deze afspraken kunnen worden vastgelegd in een zogenoemde Arbocatalogus. Deze catalogus beschrijft technieken en manieren, goede praktijken, normen en praktische handleidingen voor veilig en gezond werken. Een Arbocatalogus kan op branche- of bedrijfsniveau gemaakt worden.

Daarnaast spelen PGS-richtlijnen een belangrijke rol om te bepalen of werkgevers aan hun wettelijke verplichtingen voldoen. De Nederlandse Arbeidsinspectie betrekt de PGS-richtlijnen bij het toezicht op de naleving van de wettelijke voorschriften en de handhaving daarvan. .

De voorschriften en maatregelen op het gebied van arbeidsomstandigheden zijn aangegeven met Arbeidsveiligheid.

Arbeidsomstandighedenwet

Om aan de Arbeidsomstandighedenwet te voldoen wordt in elk geval voldaan aan de volgende maatregelen:

MW1, MW2, M3, MW4, MW5, MW6, MW7, MW8, MW9, MW10, MW11, MW12, M14, M15, MW16, M17, M18, M19, MW20, M21, M22, M23, M24, M25, MW26, M27, M28, M29, M30, M31, M32, M33, M34, M35, M36, M37, M38, MW39, M40, M41, M42, M43, M44, M45, M46, MW47, M48, M49, M50, M51, M52, M53, M54, M55, M56, M57, M58, M59, M60, M61, M62, MW63, MW64, MW65, MW66, MW67, MW68, M69, M70, MW71, M72, M73, MW74, M75, M76, M77, M78, M81, M82, M83, M84, M85, M86, MW87, MW88, M89, M90, M91, M93, M94, M95, M96, M97, MW98, MW99.

Gelijkwaardige maatregelen

Een vanuit arbeidsomstandigheden gezien gelijkwaardige maatregel kan eveneens worden toegepast indien deze voldoet aan de criteria uit Hoofdstuk 10. Eventueel kan de Nederlandse Arbeidsinspectie maatregelen uit een PGS-richtlijn via een eis tot naleving verplicht stellen. Deze bevoegdheid staat in artikel 27 van de Arbeidsomstandighedenwet.

5.4Brand- en rampenbestrijding

De veiligheidsregio’s hebben de taak om gemeenten te adviseren over branden, rampen en crises. Dit staat in artikel 10 van de Wet veiligheidsregio’s (Wvr).

De brandweer is een onderdeel van de veiligheidsregio. De taken van de brandweer staan in artikel 25 van de Wvr. Dit zijn:

  • het voorkomen, beperken en bestrijden van brand;
  • het beperken van brandgevaar;
  • het voorkomen, beperken en bestrijden van ongevallen anders dan bij brand.

Daarnaast dragen de veiligheidsregio’s zorg voor:

  • de voorbereiding op de bestrijding van branden, rampen en crises;
  • het organiseren van de rampenbestrijding;
  • het adviseren van andere overheden en organisaties op het gebied van brandpreventie, brandbestrijding en het voorkomen, beperken en bestrijden van ongevallen met gevaarlijke stoffen. Hiertoe behoort ook het adviseren van het bevoegd gezag Omgevingswet over voorschriften voor brandbestrijding en rampenbestrijding in omgevingsvergunningen.

Tot slot hebben de veiligheidsregio's een wettelijke taak tot het uitvoeren van inspecties bij Seveso-inrichtingen (artikel 13.17 van het Omgevingsbesluit en artikel 61 van de Wvr) en het opleggen van een bedrijfsbrandweeraanwijzing (artikel 31 van de Wvr).

Bij het uitvoeren van deze taken gebruiken de veiligheidsregio's PGS-richtlijnen. Brand- en rampenbestrijding omvat brandveiligheid, maar ook het ongecontroleerd vrijkomen van gevaarlijke stoffen die een bedreiging vormen voor de omgeving.

Algemene (brand)veiligheidseisen voor bouwwerken zijn geen onderdeel van PGS richtlijnen maar volgen uit het Besluit bouwwerken leefomgeving (Bbl). De maatregelen die zijn gericht op brandpreventie en brandbestrijding op grond van de Omgevingswet, zijn aangeduid met Brandpreventie.

De maatregelen die zijn gesteld in het belang van de brandbestrijding en rampenbestrijding op grond van de Wvr, zijn aangeduid met Rampenbestrijding.

Wet veiligheidsregio's

Om aan de Wet veiligheidsregio's te voldoen wordt in elk geval voldaan aan de volgende maatregelen:   

MW1, M17

6Doelen

6.1Inleiding

In dit hoofdstuk zijn de doelen beschreven die relevant zijn voor het veilig functioneren van een gasafleverinstallatie. Het is overigens meestal niet mogelijk om het risico geheel tot nul terug te brengen. Met deze doelen is beoogd het risico zo veel mogelijk te beperken.

Bij ieder doel staat met welke maatregelen aan het doel kan worden voldaan. Hierbij is het onderwerp van de maatregel vermeld. De volledige maatregel is beschreven in Hoofdstuk 7.

Elk doel is herkenbaar aan een paars kader en heeft een uniek nummer. Bij de maatregelen in Hoofdstuk 7 is steeds vermeld aan welke doelen de maatregel invulling geeft.

6.2Doelen

D1

De compressorinstallatie in het compressorgebouw is lekdicht.

Grondslag
BrandpreventieOmgevingsveiligheidArbeidsveiligheid
D2

Alle onderdelen van de aardgasafleverinstallatie zijn doelmatig tegen aanrijding beschermd of zo gelegen dat aanrijding niet mogelijk is.

Grondslag
BrandpreventieOmgevingsveiligheidArbeidsveiligheid
D3

De aardgasafleverinstallatie of -onderdelen zijn beschermd indien deze worden aangestraald met meer dan 10 kW/m2 als gevolg van een externe brand.

Grondslag
ArbeidsveiligheidBrandpreventieOmgevingsveiligheidRampenbestrijding
D4

Gaslekkages mogen tijdens normaal bedrijf niet voorkomen.

Grondslag
BrandpreventieOmgevingsveiligheidArbeidsveiligheid
D5

De werkgever borgt dat een bevoegd medewerker veilig aan een aardgasafleverinstallatie, of onderdelen daarvan, kan werken en daarvoor voldoende is opgeleid. De werkgever borgt de veiligheid van personeel met onderscheid naar taken en functies.

Grondslag
Arbeidsveiligheid
D6

Het moet worden voorkomen dat de hoge druk in de gasafleverinstallatie effect kan hebben op het lagedrukdeel van de installatie of het gasnet.

Grondslag
BrandpreventieOmgevingsveiligheidArbeidsveiligheid
D7

Aardgasafleverinstallaties zijn op een dusdanige wijze ontworpen en onderhouden dat de tolerantiegrenzen van de toegepaste materialen niet worden overschreden.

Grondslag
BrandpreventieArbeidsveiligheidOmgevingsveiligheid
D8

De positionering van de afblaas van de overdrukbeveiliging is zodanig dat er wordt afgeblazen naar een veilige plaats en dat er geen domino-effect kan optreden naar de omgeving.

Grondslag
ArbeidsveiligheidBrandpreventieOmgevingsveiligheid
Maatregelen
MW1M40M41M80M95
D9

Aardgasafleverinstallaties zijn op een dusdanige wijze geconstrueerd dat zettingen in de bodem worden opgevangen en andere mechanische impact zo veel mogelijk wordt voorkomen.

Grondslag
ArbeidsveiligheidBrandpreventieOmgevingsveiligheid
Maatregelen
MW1M15M35
D10

Het moet worden voorkomen dat onbevoegden het compressorgebouw of de ruimte waar de bufferinstallatie zich bevindt, kunnen betreden.

Grondslag
ArbeidsveiligheidBrandpreventieOmgevingsveiligheid
Maatregelen
MW1M76
D11

De zuigdruk van de compressor moet te allen tijde hoger zijn dan de omgevingscondities zodat wordt voorkomen dat lucht (en daarmee zuurstof) kan worden aangezogen.

Grondslag
ArbeidsveiligheidBrandpreventieOmgevingsveiligheid
Maatregelen
MW1MW16M72
D12

Onderhoud moet door een deskundige worden uitgevoerd.

Grondslag
ArbeidsveiligheidBrandpreventieOmgevingsveiligheid
D13

Het ontsteken van aardgas door het vrijkomen van aardgas bij het opslaan en afleveren moet worden voorkomen.

Grondslag
ArbeidsveiligheidBrandpreventieOmgevingsveiligheid
D14

De aardgasafleverinstallatie moet lekdicht zijn.

Grondslag
ArbeidsveiligheidBrandpreventieOmgevingsveiligheid
D15

Het ontwerp van de installatie moet zodanig zijn dat de bediening ervan niet kan leiden tot gevaarlijke situaties.

Grondslag
Arbeidsveiligheid
Maatregelen
MW1MW12MW99
D16

Het overvullen van de brandstoftank van de auto moet worden voorkomen.

Grondslag
ArbeidsveiligheidOmgevingsveiligheid
D17

Het moet worden voorkomen dat er, door een slangbreuk, aardgas vrijkomt, en er een explosief mengsel en/of een verstikkende omgeving ontstaat.

Grondslag
ArbeidsveiligheidBrandpreventieOmgevingsveiligheid
D18

Het moet worden voorkomen dat een ongecontroleerde hoeveelheid gas vrijkomt als een voertuig wegrijdt met een aangekoppelde afleverslang.

Grondslag
ArbeidsveiligheidBrandpreventieOmgevingsveiligheid
Maatregelen
MW1M42M53MW67
D19

Het moet worden voorkomen dat een ongecontroleerde hoeveelheid gas vrijkomt.

Grondslag
ArbeidsveiligheidBrandpreventieOmgevingsveiligheid
D20

Het moet worden voorkomen dat de afleverslang op een foute manier wordt teruggehangen door onjuist handelen van de klant.

Grondslag
ArbeidsveiligheidBrandpreventieOmgevingsveiligheid
Maatregelen
MW1M34M53
D21

Het moet worden voorkomen dat een potentiaalverschil kan optreden tussen het voertuig en de afleverzuil.

Grondslag
ArbeidsveiligheidBrandpreventieOmgevingsveiligheid
Maatregelen
MW1MW16M53
D22

Aardgasafleverinstallaties moeten op dusdanige wijze zijn ontworpen en beveiligd dat het ongewenst vrijkomen van aardgas wordt voorkomen of beheerst.

Grondslag
ArbeidsveiligheidBrandpreventieOmgevingsveiligheid
D23

Lekkage of breuk van de afleverslang naar het vaartuig wordt voorkomen.

Grondslag
BrandpreventieArbeidsveiligheidOmgevingsveiligheid
Maatregelen
MW1M53
D24

Leidingbreuk tussen een beweegbare steiger en de vaste wal wordt voorkomen.

Grondslag
ArbeidsveiligheidBrandpreventieOmgevingsveiligheid
Maatregelen
MW1M53

7Maatregelen

7.1Inleiding bij de maatregelen

Dit hoofdstuk bevat de verschillende preventieve en repressieve maatregelen die invulling geven aan de doelen zoals opgenomen in Hoofdstuk 6. Dit kunnen bouwkundige, (installatie)technische en organisatorische maatregelen zijn. Als deze maatregelen zijn getroffen, wordt in elk geval aan de gestelde doelen voldaan.

Elke maatregel heeft een nummer en een onderwerp. Het nummer en onderwerp komen overeen met de aanduiding van de maatregel bij de doelen in Hoofdstuk 6.

Bij elke maatregel is met het label Omgevingsveiligheid, Brandpreventie, Arbeidsveiligheid of Rampenbestrijding aangegeven wat de wettelijke basis is.

Omgevingsveiligheid: Maatregel gericht op omgevingsveiligheid met een grondslag in de Omgevingswet.

Brandpreventie: Maatregel gericht op brandpreventie en -bestrijding met een grondslag in de Omgevingswet (adviesrol Veiligheidsregio/brandweer).

Arbeidsveiligheid: Maatregel gericht op arbeidsveiligheid met een grondslag in de Arbeidsomstandighedenwet.

Rampenbestrijding: Maatregel gericht op brand- of rampenbestrijding met een grondslag in de Wet veiligheidsregio's.

De maatregelen staan in een blauw kader, tenzij een maatregel vergelijkbaar is met direct geldende eisen uit andere wetgeving, deze zijn herkenbaar aan een oranje kader. Deze maatregelen hebben de letters 'MW' voor het nummer. Onder deze maatregelen staat een referentie naar de wettelijke bepaling bij de desbetreffende maatregel.

7.2Drukapparatuur

Europese Richtlijn drukapparatuur (PED)

Een gasafleverinstallatie (of CNG-installatie) is drukapparatuur. Met de term drukapparatuur wordt apparatuur bedoeld met een inwendige druk die hoger is dan de omgevingsdruk. De exacte definitie van drukapparatuur volgt uit artikel 2 van de Europese Richtlijn drukapparatuur (PED) en luidt als volgt:

‘drukapparatuur’ of ‘drukapparaten’: drukvaten, installatieleidingen, veiligheidsappendages en onder druk staande appendages, inclusief, voor zover van toepassing, de elementen die bevestigd zijn aan onder druk staande delen, zoals flenzen, tubulures, koppelingen, steunconstructies, hijsogen.’

Drukapparatuur wordt onderverdeeld in:

  • drukvaten;
  • installatieleidingen;
  • veiligheidsappendages;
  • onder druk staande appendages.

Een enkelvoudig drukapparaat staat nooit op zichzelf, het wordt altijd geïntegreerd in een functioneel geheel. Dit wordt een samenstel genoemd. Een gasafleverinstallatie bestaat uit verschillende componenten en is daarom ook een samenstel. De wet- en regelgeving voor het ontwerp van drukapparatuur geldt ook voor samenstellen.

Ontwerp

Drukapparatuur zijn arbeidsmiddelen met risico’s. De risico’s hebben niet alleen betrekking op de werknemers die ermee werken, maar ook op de omgeving en het milieu. Daarom stelt de wetgever eisen aan het op de markt aanbieden, in bedrijf stellen, gebruiken en nadien wijzigen van drukapparatuur. Dit is in Nederland vastgelegd in het Warenwetbesluit drukapparatuur 2016. Op het in de handel brengen van drukapparatuur zijn Europese productrichtlijnen van toepassing. Dat betekent dat een fabrikant alleen producten in de handel mag brengen (voor het eerst op de markt mag aanbieden) die voldoen aan deze richtlijnen.

Bij de bouw van een gasafleverinstallatie is het van groot belang om vooraf vast te stellen wie de fabrikant is.

  • Wordt een gasafleverinstallatie gebouwd of gewijzigd onder de verantwoordelijkheid van een derde partij (een leverancier, een installateur, enz.) die de gasafleverinstallatie in zijn geheel verhandelt aan de latere gebruiker, dan treedt deze derde partij in de rol van fabrikant. De derde partij is daarmee verantwoordelijk voor de naleving van de eisen die van toepassing zijn op dit samenstel.
  • Wordt een gasafleverinstallatie gebouwd of gewijzigd onder de verantwoordelijkheid van de gebruiker, dan wordt déze de fabrikant. De onderdelen worden geleverd door verschillende fabrikanten, maar de gebruiker is degene die de diverse onderdelen tot één functioneel geheel maakt. De gebruiker is ervoor verantwoordelijk dat het samenstel voldoet aan de Europese richtlijnen.

De ontwerpeisen voor een gasafleverinstallatie liggen vast in de Europese Richtlijn drukapparatuur (PED). Deze richtlijn kent, zoals elke Europese productrichtlijn, essentiële veiligheidseisen die van toepassing zijn op alle drukapparatuur en samenstellen die in de handel worden gebracht. De fabrikant heeft de plicht om bij het ontwerp van drukapparatuur en samenstellen een analyse te maken van de risico’s en gevaren die bestaan ten gevolge van de druk. Bij het ontwerp en de bouw van drukapparatuur of samenstellen moet de fabrikant vervolgens rekening houden met deze risicoanalyse. De fabrikant kiest de meest passende maatregelen waarbij hij zich moet houden aan onderstaande beginselen:

  • gevaren worden zo veel als redelijkerwijs mogelijk is, geëlimineerd of verkleind in het ontwerp;
  • er worden passende beschermingsmaatregelen getroffen tegen gevaren die niet kunnen worden geëlimineerd;
  • de gebruikers worden, indien van toepassing, geïnformeerd over nog bestaande gevaren en of het nodig is dat er passende gevaar verminderende maatregelen worden genomen voor de installatie en/of het gebruik. Deze worden opgenomen in de gebruikershandleiding.

De risicoanalyse van de fabrikant is gebaseerd op scenario’s die in grote lijnen overeenkomen met de scenario’s die zijn beschreven in hoofdstuk 4 van deze PGS.

De essentiële eisen die worden gesteld aan het ontwerp van het drukapparaat (gasafleverinstallatie), zijn vastgelegd in bijlage I van de Richtlijn drukapparatuur. De fabrikant moet voldoen aan deze eisen, wat onder andere betekent dat:

  • de gasafleverinstallatie voldoende sterk is om de belastingen die verwacht kunnen worden (kracht, brand, hoge druk, enz.) te weerstaan;
  • er maatregelen zijn genomen om de gasafleverinstallatie veilig te bedienen;
  • de gasafleverinstallatie zodanig is ontworpen dat deze veilig geïnspecteerd kan worden;
  • de gasafleverinstallatie veilig gevuld en geleegd kan worden; en
  • er passende beveiligingen (zoals drukontlastkleppen of veerveiligheden) zijn aangebracht om in te grijpen als de druk ontoelaatbaar stijgt. Als een beveiliging wordt aangesproken, moet deze afblazen op een zodanige plaats dat daarbij geen gevaar voor personen kan optreden.

Om te voldoen aan de essentiële eisen kan de fabrikant een geharmoniseerde norm toepassen, dit is echter niet verplicht. Als de fabrikant geen geharmoniseerde norm toepast, zal hij moeten aantonen dat de gasafleverinstallatie wel voldoet aan de essentiële eisen van de PED.

Door middel van het doorlopen van een conformiteitsbeoordelingsprocedure laat de fabrikant zien dat hij voldoet aan de essentiële eisen van de PED. In de Europese productwetgeving is bepaald dat een EU-conformiteitsbeoordelingsinstantie (EU-CBI) toezicht moet houden op deze procedure. Een EU-CBI is geaccrediteerd door de Raad voor Accreditatie. De mate van toezicht is afhankelijk van het risico. Een gasafleverinstallatie is een samenstel dat wordt ingedeeld in tabel 1 van de PED en valt in categorie IV. Dit is de categorie met de grootste risico’s.

Met het aanbrengen van CE-markering (‘Conformité Européenne’) verklaart de fabrikant dat het apparaat voldoet aan de daarvoor geldende Europese eisen. Als de fabrikant een derde partij is (dus niet de gebruiker), moet déze de CE-markering aanbrengen op de gasafleverinstallatie. Op de gasafleverinstallatie (het samenstel) hoeft slechts één CE-markering aangebracht te worden, dus niet één op elk afzonderlijk drukapparaat. Aan de andere kant behouden drukapparaten die met een eigen CE-markering in het samenstel zijn opgenomen, wél de eigen markering. Samen met de CE-markering moet algemene informatie (zoals naam en adres van de fabrikant, bouwjaar en essentiële maximaal toelaatbare grenswaarden) en specifieke gegevens die voor een veilige installatie, werking en gebruik van belang kunnen zijn (zoals afmetingen, toegepaste persdruk, insteldruk drukbeveiliging, vermogen, enz.) op de kenplaat aangebracht worden.

Als de conformiteitsbeoordelingsprocedure met succes is doorlopen, stelt de fabrikant een verklaring van overeenstemming op. Dit is een verklaring dat de gasafleverinstallatie voldoet aan de essentiële eisen van de van toepassing zijnde productrichtlijnen. Verder stelt hij een technisch dossier samen. Dit dossier omvat ten minste:

  • een algemene beschrijving van de gasafleverinstallatie;
  • ontwerp- en fabricagetekeningen en schematische voorstellingen van componenten;
  • beschrijvingen en toelichtingen bij de tekeningen en schematische voorstellingen;
  • een lijst van toegepaste (geharmoniseerde) normen;
  • berekeningen van ontwerpen, uitgevoerde controles;
  • testverslagen.

De fabrikant is niet verplicht het technisch constructiedossier te overhandigen aan de gebruiker, maar het wordt aanbevolen om met de aanschaf van de gasafleverinstallatie te bedingen dat het technisch dossier wordt meegeleverd.

Ten slotte is de fabrikant verplicht een gebruikershandleiding mee te leveren met de gasafleverinstallatie. Hierin worden de restrisico’s beschreven en worden instructies gegeven voor hoe de installatie veilig kan worden bedreven.

Gebruik

Het Warenwetbesluit drukapparatuur 2016 stelt niet alleen eisen aan het in de handel brengen van drukapparatuur, maar ook aan de ingebruikneming en het gebruik van drukapparatuur. Het is de verantwoordelijkheid van de gebruiker van de gasafleverinstallatie hieraan te voldoen. De gebruiker moet de aardgasafleverinstallatie laten keuren voordat deze in gebruik wordt genomen, bij wijzigingen of reparaties en verder zo vaak als nodig is.

De indeling van drukapparatuur bepaalt wie deze keuringen moet uitvoeren en wanneer de keuringen moeten plaatsvinden. Dit is geregeld in de Warenwetregeling drukapparatuur 2016. Verplichtingen die zijn opgenomen in een besluit worden vaak uitgewerkt in een regeling. In de Warenwetregeling drukapparatuur 2016 is drukapparatuur aangewezen die in de risicocategorie valt die moet worden gekeurd door een Nederlandse conformiteitsbeoordelingsinstantie (NL-CBI). Ook een NL-CBI is door de Raad voor Accreditatie geaccrediteerd.

Drukapparatuur die niet is aangewezen, moet op grond van het Arbeidsomstandighedenbesluit worden gekeurd door een deskundige.

Bij de gasafleverinstallatie zijn de vaten aangewezen drukapparatuur als de druk P x volume V boven een bepaalde waarde is. Een leiding is aangewezen boven een bepaalde druk en/of diameter. Een gebruiker kan op verschillende manieren vaststellen welke drukapparatuur in de gasafleverinstallatie ‘aangewezen’ drukapparatuur is:

  • aan de hand van artikel 2 van de Warenwetregeling drukapparatuur 2016;
  • door de fabrikant te benaderen; wellicht staat het in de handleiding van de installatie;
  • door een NL-CBI te benaderen.

De ‘aangewezen’ drukapparatuur in de gasafleverinstallatie moet worden gekeurd voordat deze de eerste keer in gebruik wordt genomen. Het doel van de keuring voor ingebruikneming is om vast te stellen of de gasafleverinstallatie voldoet aan de Europese richtlijnen en veilig gebruikt kan worden. Daarbij wordt onder andere beoordeeld of de installatie is opgesteld zoals is opgenomen in de handleiding. De keuring wordt uitgevoerd door een NL-CBI. Deze geeft een verklaring van ingebruikneming af.

Het doel van de periodieke herkeuring is om vast te stellen of de installatie nog veilig gebruikt kan worden. Aangewezen drukapparatuur wordt elke vier jaar gekeurd door een NL-CBI. Hiervoor wordt een verklaring van herkeuring afgegeven. De keuring van niet aangewezen drukapparatuur moet worden uitgevoerd door een deskundige. Deze stelt ook hiervan een rapportage op. Dit is verplicht op basis van het Arbeidsomstandighedenbesluit. De gebruiker is ervoor verantwoordelijk dat er afstemming plaatsvindt tussen de NL-CBI en de deskundige over hoe de gasafleverinstallatie in zijn geheel weer veilig gebruikt kan worden.

Ook het uitvoeren van reparaties en wijzigingen aan de gasafleverinstallatie is de verantwoordelijkheid van de gebruiker. Daarbij is veelal toezicht vereist door een NL CBI. Aangeraden wordt om voordat een reparatie of wijziging wordt uitgevoerd, contact te zoeken met een NL-CBI. Bepaalde ingrijpende wijzigingen kunnen tot gevolg hebben dat de gegevens op de kenplaat niet meer kloppen. In dat geval moet een EU-CBI hierbij betrokken worden. Regulier onderhoud aan de gasafleverinstallatie moet worden uitgevoerd zoals is voorgeschreven in de handleiding van de fabrikant.

Zolang de gasafleverinstallatie in werking is of in werking kan worden gesteld, bewaart de gebruiker:

  • de EG-verklaring van overeenstemming (volgens de ‘oude’ PED 97/23/EG);
  • de EU-conformiteitsverklaring (volgens de ‘nieuwe’ PED 2014/68/EU);
  • de gebruiksaanwijzing;
  • de verklaring van ingebruikneming;
  • de verklaring van herkeuring;
  • het aantekenblad;
  • de bij de beoordelingen en keuringen behorende rapporten.

Het aantekenblad wordt meegeleverd met de verklaring van ingebruikneming. Uitsluitend de betrokken NL-CBI is bevoegd op het aantekenblad aantekeningen te maken.

De Nederlandse Arbeidsinspectie is toezichthouder op de naleving van de Arbeidsomstandighedenwet (Arbowet) (en het Arbeidsomstandighedenbesluit (Arbobesluit)) en de Warenwet (en het Warenwetbesluit drukapparatuur 2016). De verplichtingen uit deze wetten worden niet als maatregel opgenomen in deze PGS. In deze informatieve tekst worden de verplichtingen van de gebruiker samengevat. De verplichtingen in de Arbowet en de Warenwet en de onderliggende besluiten kunnen evenmin worden opgenomen in een omgevingsvergunning.

7.3Explosieve atmosferen

Wanneer de kans bestaat dat er een explosieve atmosfeer ontstaat, dan zijn er twee vormen van direct werkende wetgeving van toepassing. Enerzijds zijn er de verplichtingen voor de werkgever die voorvloeien uit het Arbeidsomstandigheden-besluit. Anderzijds zijn er de verplichtingen voor de fabrikant van explosieveilige apparatuur. Deze vloeien voort uit het Warenwetbesluit explosieveilig materieel 2016.

Hieronder wordt een nadere toelichting gegeven op de bovengenoemde besluiten. De verplichtingen uit deze besluiten zijn niet in deze PGS opgenomen.

De Nederlandse Arbeidsinspectie is toezichthouder op de naleving van beide besluiten.

Meer informatie is te vinden in de volgende documenten:

  • ATEX 2014/34/EU Guidelines, 3rd edition – May 2020;
  • Niet-bindende praktijkgids met het oog op de tenuitvoerlegging van Richtlijn 1999/92/EG – april 2005;
  • Richtlijn voor uitvoering van productvoorschriften van de EU (de Blauwe Gids) – 2016.
Verplichtingen werkgever

Wanneer er binnen een bedrijf brandbare stoffen (gassen, vloeistoffen en vaste stoffen) aanwezig zijn, dan bestaat het gevaar op explosie. Werknemers moeten beschermd worden tegen dit gevaar.

Het Arbeidsomstandighedenbesluit heeft daartoe verplichtingen opgenomen waar de werkgever invulling aan moet geven. Het doel van deze verplichtingen is:

  • het ontstaan van explosieve atmosferen zo veel mogelijk te voorkomen;
  • de ontsteking van explosieve atmosferen te vermijden;
  • de schadelijke gevolgen van een explosie te beperken.

De verplichtingen waar de werkgever invulling aan moet geven, worden beschreven in het Arbeidsomstandighedenbesluit, hoofdstuk 3 'Inrichting arbeidsplaatsen', paragraaf 2a; artikel 3.5a t/m 3.5f. Samengevat betreft dit de volgende verplichtingen:

  • het beoordelen van explosierisico's (risico-inventarisatie en -evaluatie);
  • het indelen van gebieden waar explosieve atmosferen kunnen voorkomen in gevarenzones;
  • het nemen van zowel technische als organisatorische maatregelen in gevarenzones;
  • het informeren van medewerkers, en het vastleggen van bovenstaande in een explosieveiligheidsdocument.

Met het opnemen van deze verplichtingen in het Arbeidsomstandighedenbesluit implementeert Nederland de Europese Richtlijn 1999/92/EG (ATEX 153) in de Nederlandse wet.

Informatieve aanwijzingen voor het opstellen van een gevarenzone-indeling staan in de Nederlandse praktijkrichtlijn NPR 7910-1:2020+C1:2021 voor gasexplosiegevaar en NPR 7910-2:2020+C1:2021 voor stofexplosiegevaar.

Aanvullende informatie over het opstellen van een explosieveiligheidsdocument en hoe een werkgever moet omgaan met explosieveiligheid zijn te vinden via www.arboportaal.nl/onderwerpen/explosieveiligheid-atex.

Explosieveilige apparatuur

De bovengenoemde gevarenzone-indeling kent een indeling naar zones overeenkomstig onderstaande tabel.

Aanwezigheid van explosieve atmosfeer

Voortdurend of gedurende lange periode

Af en toe

Zelden en gedurende korte periode

Gas (als brandbaar medium)

Zone 0

Zone 1

Zone 2

Stof (als brandbaar medium)

Zone 20

Zone 21

Zone 22

Wanneer er sprake is van een gevarenzone, dan moet de apparatuur die geplaatst wordt binnen deze zone, geschikt zijn overeenkomstig het Warenwetbesluit explosieveilig materieel 2016 volgens het volgende principe:

  • Zone 0/20 - categorie 1-apparatuur;
  • Zone 1/21 - categorie 1- of categorie 2-apparatuur;
  • Zone 2/22 - categorie 1-, categorie 2- of categorie 3-apparatuur.

De fabrikant van de apparatuur geeft aan in zijn EU-conformiteitsverklaring tot welke categorie de apparatuur hoort. Deze EU-conformiteitsverklaring is verplicht voor fabrikanten en komt voort uit de Europese productrichtlijn 2014/34/EU (ATEX 114). Deze richtlijn heeft betrekking op de technische integriteit en bevat doelvoorschriften voor apparatuur en beveiligingssystemen die worden gebruikt op plaatsen met explosiegevaar.

In Nederland is de ATEX 114-richtlijn geïmplementeerd in het Warenwetbesluit explosieveilig materieel 2016.

Aandachtspunten bij CNG-installaties

Als er aardgas vrijkomt, kan er zich een explosieve atmosfeer vormen. De installatie zal zich hierdoor geheel of gedeeltelijk in haar eigen ATEX-zone bevinden. De ATEX zone zal zich waarschijnlijk uitstrekken tot buiten de installatie.

Het is voor de werkgever van belang om informatie te hebben over de omvang en de klasse van de ATEX-zone die door de installatie (of onderdelen daarvan) wordt gecreëerd. De werkgever moet vervolgens, in overeenstemming met het Arbeidsomstandighedenbesluit, passende maatregelen nemen ter bescherming van de werknemers. De informatie die de werkgever nodig heeft, moet worden geleverd door de leverancier van de installatie. De leverancier beschikt over de informatie omtrent temperaturen, drukken en technische specificaties van onderdelen die van belang zijn bij het bepalen van de ATEX-zones. De vorm waarin de informatie wordt geleverd (bijv. een complete zoneringstekening), moet afgestemd worden tussen de eindgebruiker/werkgever en de leverancier.

Apparaten die onderdeel zijn van de installatie. moeten door de leverancier van de installatie geselecteerd worden op geschiktheid voor toepassing in een ATEX-zone.

Een apparaat kan bestaan uit een combinatie (samenstel) van een of meerdere apparaten. Wanneer het samenstel wordt samengebouwd op locatie (installatie), dan valt het geheel buiten de scope van de Europese productrichtlijn 2014/34/EU (ATEX 114).

Wordt het samenstel geleverd (op de markt gebracht) als een functionele eenheid, dan is het een apparaat en valt het wel onder de Europese productrichtlijn 2014/34/EU (ATEX 114). De fabrikant moet overeenstemming met deze richtlijn aantonen en instructies verstrekken voor het installeren, gebruik, onderhoud, enz. van het samenstel.

Wijzigingen aan bestaande installatie

Als aan een bestaande installatie wijzigingen worden doorgevoerd, dan zal opnieuw vastgesteld moeten worden in hoeverre de wijzigingen van invloed zijn op het ontstaan van een explosieve atmosfeer. Als dit het geval is, zullen maatregelen ter voorkoming van ontsteking en bescherming van de werknemers opnieuw overwogen moeten worden.

Bij substantiële wijzigingen aan ATEX 114 gecertificeerde apparatuur zal opnieuw overeenstemming met de ATEX 114-richtlijn, volgens de daarvoor geldende procedures, vastgesteld moeten worden. Dit geldt ook wanneer de eindgebruiker wijzigingen aanbrengt. De eindgebruiker wordt in dat geval beschouwd als fabrikant.

Wijzigingen aan een bestaande installatie kunnen zijn:

  • het vervangen van onderdelen (als gevolg van slijtage);
  • reparatie;
  • modificaties.

7.4Regeling technische eisen en gebruikersinformatie over de infrastructuur van alternatieve brandstoffen

Normatief

Naast de maatregelen beschreven in deze PGS, voldoen gasafleverinstallaties aan de Regeling technische eisen en gebruikersinformatie over de infrastructuur van alternatieve brandstoffen. In deze Regeling wordt verwezen naar bijlage II van Richtlijn 2014/94/EU over de uitrol van infrastructuur voor alternatieve brandstoffen. Richtlijn 2014/94/EU is aangepast en gewijzigd met gedelegeerde verordening 2019/1745/EU. Door deze gedelegeerde verordening staan in bijlage II de volgende eisen ten aanzien van:

  • het connectorprofiel. Deze voldoet aan de eisen van NEN-EN-ISO 14469 Wegvoertuigen — Brandstofvulaansluiting voor gecomprimeerd aardgas (CNG) — Vulaansluiting voor 20 MPa (200 bar);
  • de vuldruk (bedrijfsdruk). Deze moet bij 15 °C 20,0 MPa (200 bar) bedragen. Een maximale vuldruk van 26,0 MPa met temperatuurcompensatie is toegestaan overeenkomstig NEN EN ISO 16923 Aardgasvulstations — CNG stations voor het vullen van voertuigen.

7.5Basisveiligheid

MW1

Basisveiligheid

Er is een basisveiligheidsniveau aanwezig dat bestaat uit:

  • beschermende maatregelen die volgens wet- en regelgeving standaard bij de activiteiten nodig zijn;
  • maatregelen die volgens bewezen en geaccepteerde goede praktijken niet weg te denken zijn. Dit zijn maatregelen voor ontwerp, constructie, in bedrijf nemen, gebruik, onderhoud of modificatie, inspectie en uit bedrijf nemen;
  • ‘good housekeeping’. Dit is een begrip dat staat voor de algemene zorg bij, netheid en orde van een activiteit of een bedrijfsonderdeel. ‘Good housekeeping’ is een belangrijke factor bij het voorkomen van gevaarlijke situaties. Er wordt van uitgegaan dat een bedrijf deze zaken op orde heeft, zoals ook is beschreven in de zorgplichtartikelen van de Omgevingswet en de Arbeidsomstandighedenwet;
  • maatregelen voor goed vakmanschap. Dit staat voor vaardigheden van werknemers om kwalitatief goed werk te leveren, en daarbij veilig en gezond te werken.
Toelichting

De scenario’s in deze PGS zijn gebaseerd op deze basisveiligheid. Deze maatregelen zijn een eerste verdedigingslinie om te voorkomen dat relatief kleine incidenten zich ontwikkelen tot grote incidenten.

Grondslag
ArbeidsveiligheidBrandpreventieOmgevingsveiligheidRampenbestrijding
MW2

Veiligheidsafsluiters veilige positie

Veiligheidsafsluiters zijn zo uitgevoerd dat deze bij het wegvallen van de bekrachtiging automatisch de veilige positie innemen.

Toelichting

Dit wordt gecontroleerd door de EU-CBI tijdens het ontwerp. Zie ook MW4

Referenties
WBDA 2016, artikel 4, lid 1.
Grondslag
Arbeidsveiligheid

7.6Ontwerp en constructie

7.6.1Algemeen

Daar waar in de maatregelen in de paragrafen 7.6 t/m 7.9 het woord ‘voertuigen’ staat, geldt deze maatregel ook voor ‘vaartuigen’ en ‘werktuigen’, mits dit mogelijk is op grond van de inhoud van de maatregel.

7.6.2Constructie en installatie

M3

Aardgaskwaliteit

De aardgasafleverinstallatie is zo ontworpen en uitgevoerd dat:

  1. het aardgas dat wordt afgeleverd aan het voertuig, geen vaste deeltjes en/of vloeistof bevat;
  2. de afleverdruk van het aardgas in het voertuig niet meer bedraagt dan:
  • óf 20 MPa (200 bar) overdruk voor afleverinstallaties zonder temperatuurcompensatie;
  • óf het voor temperatuur gecorrigeerde equivalent van 20 MPa (200 bar) overdruk en 288 K (15 °C) gastemperatuur, voor afleverinstallaties met temperatuurcompensatie. Zie afbeelding 4.
Grondslag
ArbeidsveiligheidBrandpreventieOmgevingsveiligheid

Voor drukveranderingen van het aardgas die het gevolg zijn van temperatuurwijzigingen, wordt verwezen naar afbeelding 4.

Afbeelding 4Cilinderdruk versus temperatuur

Legenda

1 Druk gecompenseerd met compressibiliteit bij 15 ºC

2 Druk volgens ideale gaswet bij 15 ºC en 200 bar

X Temperatuur in graden Celsius; T(ºC)

Y Cilinderdruk in bar

MW4

Eisen aan drukapparatuur

De gehele aardgasafleverinstallatie moet vanaf de aansluiting op het openbare gasnet t/m het aflevertoestel voldoen aan de relevante essentiële eisen uit bijlage 1 van de Richtlijn drukapparatuur (PED).

Toelichting

De fabrikant toont aan dat de aardgasafleverinstallatie voldoet aan de essentiële eisen van de PED door:

  • het aanbrengen van de CE-markering op de installatie of op het gegevensplaatje;
  • het opstellen van een EG-verklaring van overeenstemming waarin de fabrikant verklaart dat de installatie voldoet aan de PED 97/23/EG voor installaties die zijn geleverd vóór 19 juli 2016, óf een EU-conformiteitsverklaring waarin de fabrikant verklaart dat de installatie voldoet aan de PED 2014/68/EU voor installaties die zijn geleverd ná 19 juli 2016;
  • het meeleveren van een gebruikershandleiding met daarin instructies en informatie over de veiligheid. Deze handleiding is opgesteld in het Nederlands.
Referenties
Warenwetbesluit drukapparatuur 2016 (Wbda 2016) artikelen 8, 9 en 18
Grondslag
Arbeidsveiligheid
MW5

Toegepaste materialen

De PED stelt eisen aan de toegepaste materialen. Dit wordt gecontroleerd door de EU-CBI tijdens het ontwerp en de fabricage.

Toelichting

Dit wordt inzichtelijk gemaakt met MW4.

Referenties
Wbda 2016, artikel 4, lid 1.
Grondslag
Arbeidsveiligheid
MW6

Materiaalcertificaten

De materiaalcertificaten van de installatie worden opgenomen in het technisch dossier.

Toelichting

Dit wordt inzichtelijk gemaakt met MW4.

Referenties
Wbda 2016, artikel 4, lid 1.
Grondslag
Arbeidsveiligheid
MW7

Permanente verbindingen

De PED stelt eisen aan de permanente verbindingen. Dit wordt gecontroleerd door de EU-CBI tijdens de fabricage.

Toelichting

Dit wordt inzichtelijk gemaakt met MW4.

Referenties
Wbda 2016, artikel 4, lid 1.
Grondslag
Arbeidsveiligheid
MW8

Uitvoering permanente verbindingen

De PED stelt eisen aan de uitvoeringsmethoden en aan het personeel dat de verbinding maakt. Dit wordt gecontroleerd door de EU-CBI tijdens de fabricage.

Toelichting

Dit wordt inzichtelijk gemaakt met MW4.

Referenties
Wbda 2016, artikel 4, lid 1.
Grondslag
Arbeidsveiligheid
MW9

Niet-destructief onderzoek

De PED stelt eisen aan het niet-destructief onderzoek dat wordt uitgevoerd op de permanente verbindingen. Dit wordt gecontroleerd door de EU-CBI tijdens de fabricage.

Toelichting

Dit wordt inzichtelijk gemaakt met MW4.

Referenties
Wbda 2016, artikel 4, lid 1.
Grondslag
Arbeidsveiligheid
MW10

Gebruikte materialen

De PED stelt eisen aan de gebruikte materialen. Dit wordt gecontroleerd door de EU-CBI tijdens de fabricage.

Toelichting

Dit wordt inzichtelijk gemaakt met MW4.

Referenties
Wbda 2016, artikel 4, lid 1.
Grondslag
Arbeidsveiligheid
MW11

Verklaring componenten

De goede werking en afstelling van alle toegepaste componenten wordt aangetoond door een door de fabrikant respectievelijk de leverancier van deze componenten verstrekt certificaat.

Toelichting

De PED stelt eisen aan de veiligheidsappendages. Dit wordt gecontroleerd door de EU-CBI tijdens het ontwerp en door de NL CBI bij de keuring voor ingebruikneming. Zie ook MW4 en MW67.

Referenties
Wbda 2016, artikel 4, lid 1.
Wbda 2016, artikel 21.
Grondslag
Arbeidsveiligheid
MW12

Risicoanalyse

Bij de toepassing van instrumentele beveiligingssystemen wordt een risicoanalyse uitgevoerd.

Toelichting

De risicoanalyse wordt beoordeeld door de EU-CBI, zie ook MW4.

Referenties
Wbda 2016, artikel 4, lid 1.
Grondslag
Arbeidsveiligheid
M13

Gasdroger

Het aardgas van een aardgasafleverinstallatie die is aangesloten op een gasdistributienet, heeft een waterdampgehalte van maximaal 30 mg per normaal kubieke meter voordat dit gas wordt toegevoerd aan de bufferopslag en/of de afleverzuil voor aflevering naar het voertuig.

Toelichting

Hiervoor kan een gasdroger worden toegepast.

Grondslag
BrandpreventieOmgevingsveiligheid
M14

Uitvoering gasdroger

Indien aanwezig, is de gasdroger zo:

  • geïnstalleerd en onderhouden dat de goede werking van deze installatie altijd is gewaarborgd;
  • uitgevoerd dat het in het aardgas aanwezige odorant niet wordt verwijderd uit het gas.
Toelichting

In dit geval voldoet silicagel niet omdat dit middel niet alleen het vocht, maar ook de odorant en de hogere koolwaterstoffen absorbeert.

Grondslag
ArbeidsveiligheidBrandpreventieOmgevingsveiligheid
M15

Fundering

Onder de CNG-afleverinstallatie is een doelmatige fundering en draagconstructie aangebracht. Een fundering of draagconstructie is vervaardigd uit materiaal dat een brand niet onderhoudt volgens NEN EN ISO 1182.

Grondslag
ArbeidsveiligheidBrandpreventieOmgevingsveiligheid
MW16

Installatievoorschriften

De installatie wordt op veilige wijze geïnstalleerd met inachtneming van eventuele aanwijzingen van de fabrikant. De installatie wordt door personeel met een daartoe specifieke deskundigheid en ervaring gedaan.

Referenties
Arbeidsomstandighedenbesluit, artikel 7.5, lid 5 en artikel 7.6, lid 2.
Grondslag
Arbeidsveiligheid
M17

Handbediende afsluiter

In de gastoevoerleiding naar een compressor moet op een afstand minimaal 10 m van de compressorinstallatie een goed bereikbare handbediende afsluiter zijn aangebracht.

Grondslag
ArbeidsveiligheidOmgevingsveiligheidRampenbestrijding

7.6.3Bufferopslag voor CNG

M18

Vloer en constructie bufferopslag

De vloer en ondersteunende constructie van de bufferopslag hebben een brandwerendheid van 60 min conform NEN-EN 1363.

De eis van 60 min brandwerendheid van de ondersteunende constructie van de bufferopslag is niet van toepassing als in geval van brand de gehele installatie drukloos wordt gemaakt conform M41. De gehele installatie moet drukloos zijn voordat eventuele draagconstructies of drukhouders bezwijken.

Grondslag
ArbeidsveiligheidOmgevingsveiligheidBrandpreventie
M19

Opslag aardgas

In het afleverstation wordt het aardgas niet anders opgeslagen dan in een bufferopslag.

Grondslag
ArbeidsveiligheidBrandpreventieOmgevingsveiligheid

7.6.4Compressoren

MW20

Compressor geschikt voor aardgas

Een compressor is aantoonbaar geschikt voor het comprimeren van aardgas.

Referenties
Warenwetbesluit machines.
Grondslag
Arbeidsveiligheid
M21

Trillingvrije opstelling

Een compressor is trillingvrij opgesteld ten opzichte van de omgeving conform de richtlijn SBR 1 van de Stichting Bouwresearch. Er zijn geen starre verbindingen aanwezig tussen de compressor en enig vast opgesteld onderdeel van de aardgasafleverinstallatie.

Grondslag
ArbeidsveiligheidOmgevingsveiligheid
M22

Trillingsdempend leidingdeel

De zuig- en persleiding(en) van een compressor zijn voorzien van een trillingsdempend gedeelte dat zo dicht mogelijk bij de compressor is aangebracht.

Grondslag
ArbeidsveiligheidOmgevingsveiligheid
M23

Terugslagklep

Onmiddellijk na het trillingsdempende deel in de persleiding moet een terugslagklep zijn geïnstalleerd.

Grondslag
ArbeidsveiligheidOmgevingsveiligheid
M24

Brandwerendheid behuizing

De brandwerendheid van eventuele toegepaste buffercompressorbehuizing is 60 min WBDBO.

Toelichting

Bij warmtestraling van buitenaf richting de CNG-installatie wordt in de buitenlucht een afstand van 10 m gelijkgesteld aan een WBDBO van 60 min (PGS 15).

De inhoud van de drukhouders op de voertuigen zijn hier niet inbegrepen.

Grondslag
ArbeidsveiligheidBrandpreventieOmgevingsveiligheid

7.6.5Tankzuil/afleverstation

M25

Beveiliging afleverdruk

De afleverdruk van het aardgas in het voertuig wordt beveiligd door een onafhankelijk werkend mechanisch of elektronisch beveiligingssysteem tegen overdruk. Deze beveiliging functioneert zodanig dat de afleverdruk niet meer kan bedragen dan de in M3 genoemde maximale afleverdruk.

Grondslag
ArbeidsveiligheidBrandpreventieOmgevingsveiligheid
MW26

Noodstopknop

De aardgasafleverinstallatie is voorzien van noodstopknoppen.

Referenties
De aanwezigheid van noodstopknoppen is een verplichting op grond van de Machinerichtlijn. In elk geval kan aan de ontwerpbeginselen van een noodstopinrichting worden voldaan door toepassing van de geharmoniseerde norm NEN EN ISO 13850:2015
Grondslag
Arbeidsveiligheid
M27

Stroomtoevoer mechanische ventilatie

Als voor het ventileren van de ruimte mechanische ventilatie aanwezig is, dan blijft de stroomtoevoer intact bij het indrukken van de noodstop.

Grondslag
ArbeidsveiligheidOmgevingsveiligheid

7.6.6Inpandige aflevering

M28

Opstelling leidingen en onderdelen

Het leidingwerk bevindt zich zo veel mogelijk buiten de inpandige afleverruimte. De compressor en bufferinstallatie zijn in een andere ruimte opgesteld dan de ruimte waar de voertuigen inpandig worden afgetankt.

Toelichting

Hierbij kan bijvoorbeeld een uitvoering worden gekozen waarbij zich op het dak van de afleverruimte een verzamelleiding bevindt waarvan de aftakkingen naar de aflevertoestellen apart worden doorgevoerd.

Grondslag
ArbeidsveiligheidBrandpreventieOmgevingsveiligheid
M29

Leidingwerk bovengronds

Binnen de inpandige afleverruimte wordt het leidingwerk bij voorkeur bovengronds en in het zicht aangelegd. De verbindingen in het leidingwerk zijn bij voorkeur gelast uitgevoerd en zo gemonteerd dat periodieke visuele inspectie kan worden uitgevoerd. De gasleiding is herkenbaar (okergeel – RAL 1004).

Grondslag
ArbeidsveiligheidBrandpreventieOmgevingsveiligheid
M30

Veiligheidsafsluiter

In de centrale toevoerleiding naar de inpandige aflevertoestellen is een veiligheidsafsluiter geplaatst.

Veiligheidsafsluiters zijn zo uitgevoerd dat deze bij het wegvallen van de bekrachtiging automatisch de veilige stand innemen (‘fail safe’).

Grondslag
ArbeidsveiligheidBrandpreventieOmgevingsveiligheid
M31

Vulkoppeling

De vulkoppeling is voorzien van een retour- of afvoerleiding zodat bij het drukloos maken geen aardgas in de inpandige afleverruimte vrijkomt.

Toelichting

Bij het loskoppelen van de vulaansluiting kan een zeer geringe hoeveelheid aardgas onder atmosferische druk vrijkomen.

Grondslag
ArbeidsveiligheidBrandpreventieOmgevingsveiligheid
M32

Uitblaasopening ventilatiesysteem

De uitblaasopeningen van het ventilatiesysteem van de inpandige afleverruimte zijn zo gesitueerd dat de uittredende lucht op een veilige plaats in de buitenlucht wordt afgevoerd.

Grondslag
ArbeidsveiligheidOmgevingsveiligheid
M33

Noodstopknoppen inpandige afleverinstallatie

De inpandige afleverinstallatie is voorzien van noodstopknoppen. Voor ‘fast-fill’-installaties gelden geen aanvullende eisen ten opzichte van buitenopstellingen. Voor ‘slow-fill’-installaties zijn de noodstopknoppen aangebracht bij de (nood)uitgangen en/of vluchtroutes.

Grondslag
ArbeidsveiligheidOmgevingsveiligheid
M34

Slang ophangen

Voor inpandig afleveren moet de afleverslang na afkoppelen op doelmatige wijze (eventueel automatisch) buiten het bereik van een voertuig worden gebracht.

Grondslag
ArbeidsveiligheidOmgevingsveiligheid

7.6.7Leidingen

M35

Aanleg bovengrondse leidingen

De hogedrukleidingen van een aardgasafleverinstallatie zijn bij voorkeur bovengronds aangelegd. Als dit niet mogelijk is, mogen deze leidingen in een (droge) goot zijn gelegd. Ondergronds aanleggen is mogelijk als de hogedrukleidingen voldoende beschermd zijn tegen chemische en mechanische invloeden.

Grondslag
ArbeidsveiligheidBrandpreventieOmgevingsveiligheid
M36

Ondergrondse leidingen

Ondergrondse leidingen hebben minimaal 60 cm gronddekking en zijn aantoonbaar tegen corrosie beschermd.

Toelichting

Bijvoorbeeld door middel van kathodische bescherming of door een PE-mantel.

Grondslag
ArbeidsveiligheidOmgevingsveiligheid
M37

Terugslagklep

In de aanvoerleiding vanaf het openbare gasnet is een terugslagklep geplaatst.

Grondslag
ArbeidsveiligheidOmgevingsveiligheidBrandpreventie
M38

Elektrische isolatie leidingen

De bovengrondse delen van de aardgasafleverinstallatie zijn elektrisch geïsoleerd van de ondergrondse leidingen.

Grondslag
ArbeidsveiligheidOmgevingsveiligheid

7.6.8Drukontlasting en afblaasvoorziening

MW39

Afblaasveiligheid

De afzonderlijke insluitsystemen van een CNG-installatie, waarin een druk kan ontstaan die hoger is dan de ontwerpdruk van die onderdelen, moeten zijn voorzien van een doelmatige overdrukbeveiliging.

Toelichting

De PED stelt eisen aan de veiligheidsappendages, dit wordt gecontroleerd door de EU-CBI tijdens de fabricage.

Zie ook MW4.

Referenties
Wbda 2016, artikel 4, lid 1.
Grondslag
Arbeidsveiligheid
M40

Uitvoering afblaasleiding

Een afblaasleiding:

  1. kan niet worden afgesloten;
  2. heeft een verticale uitstroom naar boven;
  3. blaast af op een veilige plaats in de buitenlucht op een hoogte van ten minste 3 m boven het maaiveld, met dien verstande dat deze plaats ten minste 1 m hoger is dan het hoogste gebouw binnen een straal van 5 m;
  4. is vervaardigd van een materiaal geschikt voor de toepassing en condities (druk en temperatuur);
  5. mag met andere afblaasleidingen met een gelijk drukniveau worden gecombineerd tot een afblaasverzamelleiding, zolang zij elkaar niet nadelig beïnvloeden;
  6. is doelmatig tegen weersinvloeden en ook tegen het binnendringen van hemelwater beschermd;
  7. is goed verankerd.
Toelichting

De werkgever blijft op grond van de Arbeidsomstandighedenwet verplicht een beleid te voeren dat erop gericht is de werknemers te beschermen tegen explosiegevaar. Het Arbeidsomstandighedenbesluit (artikel 3.5 a-f) bevat de bepalingen van de Europese richtlijn 1999/92/EG (ook wel bekend als ATEX 153). Hierin staan de verplichtingen rondom explosiegevaar. De daaraan verbonden risico’s voor de werknemer moeten schriftelijk worden vastgelegd in een zogenaamd explosieveiligheidsdocument, dat minimaal bestaat uit:

  • een nadere risicoanalyse;
  • een gevarenzone-indeling;
  • passende technische en organisatorische maatregelen;
  • Overdrukbeveiligingvoorlichting van de werknemers.
Grondslag
ArbeidsveiligheidOmgevingsveiligheidBrandpreventie
M41

Overdrukbeveiliging

Om bezwijken van de drukhouders bij brand te voorkomen is een overdrukbeveiliging aangebracht die de druk verlaagt tot een niveau waarop er geen gevaar bestaat voor de hulpdiensten.

Toelichting

Dit is bijvoorbeeld een smeltveiligheid.

De voorziening op de bufferopslag bestaat uit twee separate onderdelen (druk en temperatuur).

Grondslag
OmgevingsveiligheidArbeidsveiligheidBrandpreventie

7.7Gebruik van de installatie

7.7.1Tanken van CNG

M42

Buiten werking stellen motor tankend voertuig tijdens aflevering

De motor van het voertuig, vaartuig of werktuig waaraan aardgas wordt afgeleverd, moet buiten werking zijn gesteld vóór het aankoppelen van de afleverslang en mag niet eerder in werking worden gesteld dan nadat deze slang is afgekoppeld en is opgeborgen. Mobiele telefoons moeten voorafgaand aan het afleveren worden uitgezet. Het afleveren van aardgas is daarnaast verboden als daarbij wordt gerookt of op enigerlei wijze ander vuur binnen 5 m van aardgas voerende delen aanwezig is.

Grondslag
Arbeidsveiligheid
M43

Aflevertoestel onder overkapping

Als boven een aflevertoestel in de buitenlucht een overkapping is aangebracht, dan is dit zo uitgevoerd dat ophoping van aardgas onder de overkapping niet mogelijk is.

Grondslag
ArbeidsveiligheidOmgevingsveiligheid
M44

Afleveren enkel via aflevertoestel

Het afleveren van gecomprimeerd aardgas aan voertuigen of vaartuigen die aardgas als motorbrandstof gebruiken, is alleen toegelaten via het aflevertoestel.

Grondslag
Arbeidsveiligheid
M45

Bediening aflevertoestel

Op het aflevertoestel is een start- en stopknop (of een gecombineerde start/stop-knop) of een zogenaamde dodemansknop aangebracht.

Wanneer de bediening door middel van een start/stop-knop wordt toegepast, dan voldoet de beveiligingsapparatuur van de afleverinstallatie aan specifieke betrouwbaarheidseisen. De beveiligingsklasse van de afleverinstallatie moet conform NEN EN-IEC 61511-1 t/m 3 of NEN-EN-IEC 61508-1 zijn vastgelegd. Aangetoond kan worden dat de toegepaste componenten en architectuur ook aan die vastgestelde klasse voldoen. Binnen de normen is beschreven welke onderzoeken moeten worden uitgevoerd en welke verslaglegging moet worden uitgevoerd. Dit is van toepassing voor zowel bemande als onbemande afleverinstallaties.

In alle overige gevallen vindt bediening plaats middels een dodemansknop. In geval van bediening met een dodemansknop wordt het afleveren van aardgas gestart door het indrukken van deze knop, waarbij de knop tijdens de tankcyclus ingedrukt moet worden gehouden. Het afleveren wordt automatisch beëindigd als de knop niet meer is ingedrukt.

Grondslag
Arbeidsveiligheid
M46

Afleveren enkel voor motorbrandstof

Gecomprimeerd aardgas wordt alleen afgeleverd aan voertuigen of vaartuigen die aardgas als motorbrandstof gebruiken.

Grondslag
ArbeidsveiligheidOmgevingsveiligheid
MW47

Verlichting

Het aflevertoestel en de inrichting zijn dusdanig verlicht dat de benodigde handelingen veilig kunnen worden verricht. Er wordt uitsluitend elektrisch kunstlicht toegepast.

Toelichting

In ATEX-gezoneerd gebied is de verlichting explosieveilig uitgevoerd passend bij de ATEX-zoneklasse.

Referenties
Arbeidsomstandighedenbesluit artikel 3.5e, onder e.Arbeidsomstandighedenbesluit artikel 3.5e.
Grondslag
Arbeidsveiligheid
M48

Instructies en grafische symbolen op aflevertoestel

Het aflevertoestel is voorzien van een duidelijke bedieningsinstructie. Deze instructie is permanent, duidelijk zichtbaar en leesbaar aangebracht.

Op het aflevertoestel is aangegeven waar zich de noodstop(pen) bevind(t)(en).

Het aflevertoestel is minimaal voorzien van de volgende opschriften en/of pictogrammen:

  • motor afzetten;
  • roken en open vuur verboden;
  • vullen gasflessen en wisselreservoirs verboden;
  • mobiele telefoon uitzetten.

Als pictogrammen worden toegepast, moeten ze voldoen aan een daarvoor vastgestelde internationale standaard.

Grondslag
ArbeidsveiligheidOmgevingsveiligheid
M49

Afleverslang

Het aflevertoestel is zo ontworpen en geïnstalleerd dat:

  • afslijting van of kronkels in de afleverslang word(t)(en) voorkomen;
  • zo veel mogelijk wordt voorkomen dat de afleverslang op de grond ligt.
Toelichting

Als aanvulling op dit voorschrift kan worden overwogen om de plaats van het tankende voertuig op het wegdek te markeren.

Grondslag
ArbeidsveiligheidOmgevingsveiligheid
M50

Ventilatie omkasting

Als het aflevertoestel is voorzien van een kast, dan is deze zowel aan de onderzijde als aan de bovenzijde van de verticale wand voorzien van twee tegenover elkaar liggende ventilatieopeningen waarvan de gezamenlijke doorlaat niet kleiner is dan 50 cm2.

Toelichting

Een aflevertoestel met kast wordt vrijwel alleen toegepast als er sprake is van bemeterd afleveren.

Grondslag
OmgevingsveiligheidArbeidsveiligheid
M51

Vulaansluiting

De afleverslang is voorzien van een vulaansluiting die pas na het aankoppelen van de slang aan het ontvangende brandstofreservoir kan worden geopend. Bij het ontkoppelen van de slang sluit de gastoevoer automatisch en onmiddellijk, of de aansluiting moet drukloos gemaakt worden alvorens deze kan worden ontkoppeld.

Grondslag
ArbeidsveiligheidOmgevingsveiligheid
M52

Controle afleverslang

De afleverslang wordt jaarlijks visueel gecontroleerd op beschadigingen. De afleverslang wordt conform voorschriften van de fabrikant geïnspecteerd en getest.

Grondslag
ArbeidsveiligheidOmgevingsveiligheidBrandpreventie
M53

Uitvoering afleverslang

Een afleverslang moet minimaal voldoen aan de eisen zoals opgenomen in NEN-ISO 15500-17, SAE J 517 of JIS B 8362 (of een daaraan gelijkwaardige norm), wat onder meer betekent dat:

  • de slang niet langer is dan 5 m;
  • de slang geschikt is voor het transporteren van aardgas;
  • de slang vervaardigd is van een materiaal waarvan de luchtdoorlaatbaarheid niet meer bedraagt dan 1.000 normaal kubieke centimeter per m2 per dag per 0,1 MPa (1 bar) bij normale bedrijfstemperatuur;
  • de slang een barstdruk heeft van minimaal 80 MPa (800 bar);
  • de slang is voorzien van betrouwbare, degelijke verbindingen met de overige delen van de installatie;
  • de slang is voorzien van een opdruk die minimaal de volgende informatie geeft:
  • maximaal toelaatbare druk;
  • fabricagedatum;
  • de naam van de producent of het bedrijfslogo;
  • en - indien van toepassing - de laatste keuringsdatum.
  • het flexibele deel van de slang is voorzien van een opdruk waaruit de eigenschappen en diameter zijn af te leiden;
  • de slang een voorziening heeft die de aardgasstroom automatisch onderbreekt in het geval dat een voertuig wegrijdt terwijl de afleverslang nog aangekoppeld is (losbreekkoppeling of ‘break away’). De trekkracht om de losbreekkoppeling te activeren mag maximaal 500 N (50 kg) zijn bij 20 MPa (200 bar) slangdruk, gemeten onder de ongunstigste hoek waaronder deze kracht op de slang werkt. Dit wordt getest terwijl de slang wordt belast onder afleverdruk;
  • de slang met de slangverbindingen een minimale treksterkte in de langsrichting heeft van minimaal driemaal de verbreekkracht van de losbreekkoppeling;
  • de eventuele wapening van de slang corrosievast is.
Grondslag
ArbeidsveiligheidBrandpreventieOmgevingsveiligheid
M54

Indicatie voor de afnemer bij buiten gebruik gestelde aardgasafleverinstallatie

Wanneer de aardgasafleverinstallatie buiten gebruik is, is hiervan een indicatie aanwezig die duidelijk zichtbaar is voor de afnemer.

Grondslag
ArbeidsveiligheidOmgevingsveiligheid

7.7.2Bewaken en monitoren

M55

Temperatuurdetectie

Het aflevertoestel (afleverzuil) van een onbemande aardgasafleverinstallatie is voorzien van een temperatuurgevoelig element dat bij een stijging van de temperatuur boven de 343 K (70 °C) in de directe omgeving alle spanning voerende delen van het aflevertoestel definitief buiten werking stelt. Ook wordt hiermee automatisch de beheerder of een door deze daartoe aangewezen persoon gealarmeerd.

De branddetectieapparatuur moet jaarlijks worden gecontroleerd en tweejaarlijks worden afgestemd op de brandstof.

Grondslag
ArbeidsveiligheidBrandpreventieOmgevingsveiligheid
M56

Gasdetectie

Op locaties waar een kans is op een ophoping van CNG, zijn gasdetectors aanwezig die continu de CNG-concentratie meten. Welke locaties dit zijn, moet blijken uit de risicoanalyse.

Toelichting

Toelichting 1:

De ophoping van CNG kan bijvoorbeeld plaatsvinden in de behuizing van de CNG-installatie.

NEN-EN-IEC-60079-10-1 beschrijft op welke locaties de kans op lekkage het grootst is.

Toelichting 2:

De gasdetectors moeten gemonteerd worden op plaatsen die representatief zijn voor de gehele ruimte of de te bewaken omgeving. De relatieve dampdichtheid van aardgas is kleiner dan die van lucht. Daarom moeten de detectoren nabij of aan het plafond worden gemonteerd.

Het aantal detectoren hangt af van de situatie ter plaatse. Dit is afhankelijk van onder meer het ventilatiepatroon in de ruimte, de grootte van de ruimte en factoren die van invloed zijn op diffusie en/of concentratieopbouw ten gevolge van een gaslekkage.

Voor het bepalen van de plaatsen van de detectoren moet de aard en omvang van de lekbron worden meegenomen.

Het aantal en de situering van de detectoren moet door een deskundige berekend worden, zodanig dat de goede werking is gewaarborgd.

Opmerking:

In de praktijk wordt er vaak van uitgegaan dat elk aflevertoestel niet meer dan één secundaire lekbron met een lekkage van 1 g/s vertoont.

Grondslag
ArbeidsveiligheidBrandpreventieOmgevingsveiligheid
M57

Vervolgacties gasdetectie

Als gasdetectors worden toegepast, moeten ze worden gekoppeld aan een centraal verwerkingssysteem van waaruit de acties worden aangestuurd. Bij de detectie van gas moeten dezelfde acties worden uitgevoerd als bij een noodstop conform M92. Het verwerkingssysteem moet goed bereikbaar zijn en mag niet in de te bewaken ruimte(n) worden geplaatst. Op het verwerkingssysteem moet de status van de aangesloten detectoren kunnen worden afgelezen.

Grondslag
ArbeidsveiligheidBrandpreventieOmgevingsveiligheid
M58

Instrumentele beveiliging

Er is een instrumentele beveiliging. Deze is ‘fail-safe’ uitgevoerd en moet in geval van alarm op het centrale verwerkingssysteem worden geaccepteerd/gereset. Accepteren en resetten mag uitsluitend worden uitgevoerd door vakbekwaam personeel.

Toelichting

Onderbreking in de bekabeling of het falen van de beveiliging resulteert in het veilig afschakelen van de installatie.

Grondslag
ArbeidsveiligheidBrandpreventieOmgevingsveiligheid
M59

Beveiliging gasdetectiesysteem

Het gasdetectiesysteem is ‘fail-safe’ uitgevoerd. Een storing in het gasdetectiesysteem moet minimaal optisch, op een centrale plaats, worden gesignaleerd.

Grondslag
ArbeidsveiligheidBrandpreventieOmgevingsveiligheid
M60

Gasdetectie inpandig

Gasdetectie wordt bij inpandige aflevering altijd toegepast als onderdeel van de risico reducerende maatregelen.

De gasdetectors zijn gemonteerd op plaatsen die representatief zijn voor de gehele ruimte of de te bewaken omgeving. De relatieve dampdichtheid van aardgas is kleiner dan die van lucht, daarom moeten de detectoren nabij of aan het plafond worden gemonteerd.

Het aantal detectoren hangt af van de situatie ter plaatse. Dit is afhankelijk van onder meer het ventilatiepatroon in de ruimte, de grootte van de ruimte en factoren die van invloed zijn op diffusie en/of concentratieopbouw ten gevolge van een gaslekkage.

Voor het bepalen van de plaatsen van de detectoren moet de aard en omvang van de lekbron worden meegenomen.

Het aantal en de situering van de detectoren moet door een deskundige berekend worden, zodanig dat de goede werking is gewaarborgd.

Het gasdetectiesysteem moet continu in werking zijn.

Opmerking:

In de praktijk wordt er vaak van uitgegaan dat elk aflevertoestel niet meer dan één secundaire lekbron met een lekkage van 1 g/s vertoont.

Toelichting

NEN-EN-IEC 60079-29-2 geeft nadere informatie over de selectie, installatie, het gebruik en onderhoud van detectoren van brandbare gassen (en zuurstof).

Grondslag
ArbeidsveiligheidBrandpreventieOmgevingsveiligheid
M61

Onderhoud gasdetectie

Het gasdetectiesysteem wordt geïnstalleerd volgens de instructies en specificaties van de fabrikant.

Om altijd verzekerd te zijn van de juiste werking van het gasdetectiesysteem is het noodzakelijk dat er periodiek onderhoud wordt gepleegd. Onderhoud vindt plaats conform de onderhoudsvoorschriften van de fabrikant. Het onderhoud wordt uitgevoerd door vakbekwaam personeel. Tijdens het periodiek onderhoud wordt minimaal:

  • elke gasdetector gekalibreerd door middel van een gecertificeerd ijkgasmengsel;
  • het gehele systeem gecontroleerd op de gewenste instellingen;
  • een algehele functietest uitgevoerd inclusief de gekoppelde acties.

Hiervan kan worden afgeweken als de toegepaste meettechniek dit toelaat, te beoordelen door de fabrikant. De functietest wordt echter altijd tweemaal per jaar uitgevoerd.

Grondslag
ArbeidsveiligheidBrandpreventieOmgevingsveiligheid
M62

Vervuiling gasdetectie

Speciale aandacht wordt gegeven aan detectoren die zich in een omgeving bevinden, waar deze snel vervuilen of worden blootgesteld aan stoffen die de levensduur van de detector kunnen bekorten.

Van alle onderhoudshandelingen wordt in het logboek een aantekening gemaakt, vergezeld van een servicerapport van de fabrikant/leverancier.

Grondslag
ArbeidsveiligheidBrandpreventieOmgevingsveiligheid

7.8Onderhoud, keuring, documentatie en training

7.8.1Onderhouden en repareren

MW63

Onderhoudsinstructie

De gebruikersinstructies van de fabrikant voor het onderhoud van de toegepaste materialen, componenten, drukapparatuur en (veiligheids)appendages worden opgevolgd.

Toelichting

In de praktijk zal de EU-conformiteitsbeoordelingsinstantie (EU-CBI) dit in de beoordeling meenemen.

Referenties
Wbda 2016, artikelen 18 en 20.
Grondslag
Arbeidsveiligheid
MW64

Uitvoering onderhoudswerkzaamheden

Onderhoudswerkzaamheden aan de aardgasafleverinstallatie worden uitgevoerd door deskundige personen en bedrijven.

Toelichting

Aan de deskundigheid van de installateur kan invulling gegeven worden door acceptatie op basis van NPR 2578.

Referenties
Arbeidsomstandighedenbesluit, hoofdstuk 8.
Arbeidsomstandighedenbesluit 7.6, lid 2.
Grondslag
Arbeidsveiligheid
MW65

Wijziging of reparatie

Bij een voorgenomen wijziging of reparatie aan aangewezen drukapparatuur moet een NL-CBI in kennis worden gesteld. Bij overige reparaties moet een deskundige in kennis worden gesteld.

Toelichting

Zie ook Paragraaf 7.2.

Referenties
Warenwetbesluit drukapparatuur, artikel 26.
Arbeidsomstandighedenbesluit, artikel 7.4a.
Grondslag
Arbeidsveiligheid

7.8.2Keuren en inspecteren

MW66

Keuring van drukapparatuur

De keuring van ‘aangewezen’ drukapparatuur wordt uitgevoerd door een NL-CBI. De keuring van niet aangewezen drukapparatuur wordt uitgevoerd door een deskundige.

Toelichting

Herbeoordelingen worden volgens MW66 en MW68 uitgevoerd.

Referenties
Wbda 2016, artikelen 21 en 22.
Arbeidsomstandighedenbesluit, artikel 7.4a.
Grondslag
Arbeidsveiligheid
MW67

Keuring voor ingebruikneming

Voordat een nieuwe aardgasafleverinstallatie in gebruik wordt genomen, wordt de aangewezen drukapparatuur gekeurd door een NL-CBI. Bij goedkeuring van een nieuwe installatie wordt een verklaring van ingebruikneming (VVI) afgegeven. De keuring voor ingebruikneming van niet aangewezen drukapparatuur wordt uitgevoerd door een deskundige.

Toelichting

Dit betreft het gebruik van de aardgasafleverinstallatie, zie ookParagraaf 7.2. Bij de keuring voor ingebruikneming controleert de NL CBI:

  • of de aardgasafleverinstallatie overeenkomt met de documentatie van de fabrikant en de gegevens op de kenplaat;
  • de uitwendige toestand van de CNG-installatie;
  • de werking van de veiligheidsappendages;
  • de plaats van opstelling van de CNG-installatie.
Referenties
Warenwetbesluit drukapparatuur 2016, artikel 21.
Arbeidsomstandighedenbesluit, artikel 7.4a.
Grondslag
Arbeidsveiligheid
MW68

Herbeoordeling

De herbeoordeling van de aangewezen drukapparatuur wordt uitgevoerd door de NL-CBI. Deze geeft een verklaring van herkeuring af. De overige onderdelen worden gekeurd door een deskundige. De NL-CBI of de deskundige bepaalt de herkeuringstermijn. De NL-CBI volgt daarbij de wettelijke termijnen.

Toelichting

Zie Paragraaf 7.2 onder ‘gebruik’. Bij de herbeoordeling controleert de NL-CBI:

  • de inwendige toestand van de aangewezen drukapparatuur;
  • de uitwendige toestand van de aangewezen drukapparatuur;
  • de werking van de veiligheidsappendages.

Paragraaf 7.8.2 bevat de keuringstermijnen en in Hoofdstuk 8 is een voorbeeld van een praktisch onderhoudsschema gegeven.

Referenties
Warenwetbesluit drukapparatuur 2016, artikel 22.
Warenwetregeling 2016, artikel 5.
Arbeidsomstandighedenbesluit, artikel 7.4a.
Grondslag
Arbeidsveiligheid

7.8.3Registratie en documentatie

M69

Documenten

De documenten genoemd in MW67 en MW68 worden in het logboek opgenomen.

Grondslag
Arbeidsveiligheid
M70

Installatieboek

Voor de aardgasafleverinstallatie is een installatieboek aanwezig, bestaande uit een bedrijfshandleiding en een logboek.

Voor onbemande aardgasafleverinstallaties (zonder toezicht) is het installatieboek aanwezig bij de beheerder of een door de beheerder daartoe aangewezen persoon, dan wel op het hoofdkantoor van het afleverstation

Grondslag
ArbeidsveiligheidBrandpreventieOmgevingsveiligheid
MW71

Documentatie

Zolang de aardgasafleverinstallatie in werking is of in werking kan worden gesteld, bewaart de gebruiker:

  • de EG-verklaring van overeenstemming (volgens 97/23/EG);
  • de EU-conformiteitsverklaring (volgens 2014/68/EU) (zie MW25);
  • de gebruiksaanwijzing (zie MW25 en MW28);
  • de verklaring van ingebruikneming (zie MW57);
  • de verklaring van herkeuring (zie MW60);
  • het aantekenblad (zie MW155);
  • de bij de beoordelingen en keuringen behorende rapporten.
Toelichting

De gebruiker moet deze documenten op verzoek kunnen tonen.

Referenties
Warenwetbesluit drukapparatuur 2016, artikel 25, lid 3.
Grondslag
Arbeidsveiligheid
M72

Bedrijfshandleiding

De bedrijfshandleiding bevat naast het in MW4 genoemde, ten minste:

  • een inhoudsopgave;
  • een instructie voor het personeel dat de aardgasafleverinstallatie beheert. Deze instructie bevat de procedure voor in en uit bedrijf nemen, normaal bedrijf en storingen, en ook richtlijnen en aanwijzingen voor veiligheidsaspecten, waaronder een noodplan;
  • voorschriften voor de inspectie, uit te voeren door de beheerder van de locatie waarop de activiteiten plaatsvinden, of diens gemachtigde;
  • voorschriften voor onderhoud te verrichten door de beheerder van de activiteiten of diens gemachtigde;
  • een beschrijving van de installatie aan de hand van een tekening, inclusief de ligging van de leidingen en een installatieschema.
Grondslag
ArbeidsveiligheidBrandpreventieOmgevingsveiligheid
M73

Logboek

Het logboek bevat ten minste:

  • alle rapporten over inspecties, keuringen en controles onder vermelding van datum en resultaten. Als deze rapporten op een centraal punt worden gearchiveerd, worden de rapportnummers en de datum ervan in het installatieboek vermeld. Deze vermelding is voorzien van de handtekening van degene die de inspecties heeft verricht;
  • een plattegrondtekening waarop de installatie met de bijbehorende gevarenzones zijn aangegeven;
  • officiële documenten (of een kopie daarvan), waaronder:
  • keuringsverklaring van de installatie;
  • vergunningen.

Bijzonderheden kunnen zijn:

  • afwijking van de in de bedrijfshandleiding vastgelegde normale bedrijfsvoering;
  • zich voorgedaan hebbende gevaarlijke situaties;
  • overige bijzonderheden.
Grondslag
ArbeidsveiligheidOmgevingsveiligheidBrandpreventie
MW74

Aantekenblad

Uitsluitend de betrokken NL-conformiteitsbeoordelingsinstantie is bevoegd op het aantekenblad aantekeningen te maken.

Toelichting

Het aantekenblad wordt meegeleverd met de verklaring van ingebruikneming.

Referenties
Warenwetbesluit drukapparatuur 2016, artikel 24, lid 3.
Grondslag
Arbeidsveiligheid

7.9Veiligheid

7.9.1Algemeen

M75

Bliksembeveiliging

De CNG-afleverinstallatie is beveiligd tegen bliksem overeenkomstig de beveiligingsklasse die volgt uit een RI&E.

De risicobeoordeling is uitgevoerd volgens NEN-EN-IEC 62305-2.

Grondslag
ArbeidsveiligheidOmgevingsveiligheidBrandpreventie
M76

Geen toegang voor onbevoegden

Er zijn afdoende voorzieningen getroffen, die verhinderen dat onbevoegden bij de compressorinstallatie, met inbegrip van de eventuele bufferopslag, kunnen komen.

Toelichting

Bijvoorbeeld door de compressor en buffer in een afgesloten ruimte te plaatsen of door een hekwerk om de installatie heen te plaatsen.

Dit kan worden verwezenlijkt door bijvoorbeeld het plaatsen van een hekwerk (van 1,8 m), het opstellen op een bewaakt terrein of het opstellen in een afgesloten ruimte.

Grondslag
ArbeidsveiligheidBrandpreventieOmgevingsveiligheid
M77

Aanrijdbeveiliging

De aardgasafleverinstallatie moet op doelmatige wijze tegen aanrijding door voertuigen zijn beschermd.

Grondslag
ArbeidsveiligheidBrandpreventieOmgevingsveiligheid

7.9.2Interne veiligheidsafstanden

M78

Domino-effecten als gevolg van vloeibare brandstoffen

Om mogelijke domino-effecten bij brand te voorkomen liggen de bufferopslag en de compressor meer dan 5 m van een afleverpunt of ontvangpunt voor vloeibare brandstoffen, tenzij er een muur (of volledige behuizing) met een brandwerendheid van minimaal 60 min, in overeenstemming met NEN-EN 1363, tussen de bufferopslag en het afleverpunt of ontvangpunt is geplaatst (voor de afmetingen van de muur zie M80).

Toelichting

In de te ontwikkelen PGS 38 (werktitel: ‘multi-energietankstations’) worden maatregelen opgenomen voor interne afstanden tussen verschillende typen tankstations.

Grondslag
ArbeidsveiligheidBrandpreventieOmgevingsveiligheid
M79

Objecten buiten erfafscheiding

Als zich aan de andere zijde van de erfscheiding objecten bevinden die de buffer in geval van brand aan warmtestraling kunnen blootstellen, is de afstand van de buffer tot die objecten minimaal gelijk aan de minimale afstand tussen de buffer en een object binnen de erfscheiding

Toelichting

Dit geldt ook voor incidenteel aanwezige objecten, bijvoorbeeld op een parkeerterrein.

Grondslag
OmgevingsveiligheidBrandpreventie
M80

Afstand tot grens locatie

Voor de afstanden die moeten worden aangehouden tussen onderdelen van de CNG-installatie en de grens van de locatie, wordt verwezen naar het Besluit activiteiten leefomgeving.

Grondslag
OmgevingsveiligheidBrandpreventie

7.9.3Brandveiligheid

M81

Bluswatervoorzieningen

Op een afstand van minimaal 15 m en maximaal 40 m van een door de brandweer te gebruiken toegang van bufferopslag en compressor(gebouw) is een primaire bluswatervoorziening aanwezig. De capaciteit van de bluswatervoorziening bedraagt minimaal 60 m3/h.

Toelichting

Bij gelijktijdig gebruik van twee brandkranen is de capaciteit ook minimaal 60 m3/h.

Bij afwijking van deze maatregel kan gebruikgemaakt worden van de Handreiking bluswatervoorziening en bereikbaarheid 2019.

Grondslag
BrandpreventieArbeidsveiligheid
M82

Bereikbaarheid uit twee richtingen

De compressor en de bufferopslag zijn altijd, op een veilige en gemakkelijke wijze, uit twee tegenovergestelde richtingen, met een blusvoertuig tot op een afstand van 40 m of minder te benaderen.

Grondslag
ArbeidsveiligheidBrandpreventieOmgevingsveiligheid
M83

Brandblusser

Er zijn voldoende brandblusmiddelen aanwezig die geschikt zijn voor de bestrijding van een beginnende brand.

Brandblusmiddelen zijn voor onmiddellijk gebruik beschikbaar en kunnen onbelemmerd worden bereikt.

Binnen 5 m van elke tankzuil is een poederblusser aanwezig met een inhoud van ten minste 9 kg.

Toelichting

Op elk brandblusmiddel is met een symbool aangegeven voor welke soort brand dit brandblusmiddel geschikt is. De brandblusser bij de tankzuil is bedoeld voor een beginnende voertuigbrand en niet voor het bestrijden van een gasbrand.

Grondslag
ArbeidsveiligheidBrandpreventieOmgevingsveiligheid
M84

Aanwezigheid blusmiddelen

Nabij een aflevertoestel is een blusmiddel aanwezig, geschikt voor de bestrijding van een beginnende brand. De blusmiddelen zijn voor iedereen zichtbaar en kunnen onbelemmerd worden bereikt.

Toelichting

Op elk blusmiddel is met een symbool aangegeven voor welke brand het blusmiddel geschikt is.

In besloten ruimtes is CO2 als blusmiddel niet toegestaan vanwege de kans op verstikkingsgevaar.

Grondslag
ArbeidsveiligheidBrandpreventieOmgevingsveiligheid
M85

Eisen aan blusmiddelen

Een brandblustoestel is geschikt voor de brandklassen A, B en C volgens NEN-EN 2 en voldoet aan de eisen van de NEN‑EN 3:reeks. De eigenschappen, prestatie-eisen en beproevingsmethoden van het brandblustoestel zijn gebaseerd op NEN-EN 3-7:2004+A1:2007, waaruit blijkt dat dit geschikt is voor de bestrijding van brandklassen A, B en C. Blustoestellen hebben een blusvermogen van ten minste 43A/233B volgens NEN‑EN 3‑7.

Toelichting

Het blusvermogen van 43A/233B is gekozen uit oogpunt van veiligheid. Het is van toepassing op zowel een brand van vaste stoffen als een vloeistofbrand, terwijl ook moet worden gerekend met het gebruik van het brandblustoestel door personen die daarin niet geoefend zijn. Het blusvermogen kan worden gerealiseerd door zowel een poeder- als een schuimblusser. De minimumblusduur bij dit blusvermogen is 15 s. Ook voor een ongeoefende biedt dit voldoende kans op het blussen van een brand.

Grondslag
ArbeidsveiligheidBrandpreventieOmgevingsveiligheid
M86

Onderhoud blustoestel

Adequaat onderhoud van brandblussers en brandslanghaspels vindt plaats. Het onderhoud omvat in elk geval ook een controle op de goede werking van brandblussers en brandslanghaspels. Voor brandslanghaspels vindt onderhoud in elk geval elk jaar plaats. Voor brandblussers is dit elke twee jaar.

Toelichting

Als wordt voldaan aan NEN 2559, betekent dit dat er sprake is van een adequate wijze van onderhoud en controle.

Grondslag
ArbeidsveiligheidBrandpreventieOmgevingsveiligheid

7.9.4Explosieveiligheid

MW87

Gevarenzone-indeling

Voor aardgasafleverinstallaties is een gevarenzone-indeling gemaakt.

Toelichting

Onderhoudstermijnen worden gerespecteerd en zijn vastgelegd in een keuringsplan.

Rondom een aardgasaflevertoestel wordt een gebied gedefinieerd dat vaak tot gevarenzone 2 wordt gerekend. De kast van een aflevertoestel valt meestal in zone 1. Het is echter niet zeker of dit in alle gevallen opgaat. Het bedrijf zal daarom zelf de zonering moeten toetsen en een nadere uitwerking van de zonering moeten opstellen op basis van de wetgeving en geschikte normen. (Bijvoorbeeld NPR 7910 1:2020+C1:2021.)

Referenties
Arbeidsomstandighedenbesluit,. 3.5d, lid 5.
Grondslag
Arbeidsveiligheid

7.9.5Noodplan, incidenten en calamiteiten

MW88

Maatregelen bij direct gevaar

Doeltreffende maatregelen zijn genomen om het mogelijk te maken dat de werknemer, als een toestand ontstaat waarin direct gevaar voor zijn veiligheid of gezondheid aanwezig is, zich snel via de kortst mogelijke weg in veiligheid kan stellen.

Referenties
Arbeidsomstandighedenbesluit, artikel 3.6.
Grondslag
Arbeidsveiligheid
M89

Noodstop

Op een afstand van maximaal 10 m vanaf een aflevertoestel is op een te allen tijde goed bereikbare plaats een noodstop aangebracht. Het uitgangspunt bij de plaatsing van de noodstopknop is goede zichtbaarheid en bereikbaarheid in de vluchtwegrichting.

Ook is in de nabijheid van de compressorunit een noodstopknop aangebracht.

Bij de bediening van de noodstop wordt automatisch de beheerder of een door deze daartoe aangewezen persoon gealarmeerd.

Als er sprake is van een bemand tankstation, dan is ook een noodstopknop aanwezig in de verkoopruimte.

Grondslag
ArbeidsveiligheidOmgevingsveiligheid
M90

Op afstand bedienbare afsluiters

De installatie is voorzien van (een) op afstand bedienbare afsluiter(s) conform NEN-EN-ISO 4126-1 die de gastoevoer afsluit(en) bij een calamiteit. Deze veiligheidsafsluiter(s) word(t)(en) geactiveerd door een noodstop. De aansturing voldoet aan M92. Zie afbeelding 1.

Bij het bedienen van de noodstopknop wordt automatisch:

  • de aardgasafleverinstallatie spanningsloos met uitzondering van de gecontroleerde mechanische explosieveilige ventilatie van de compressorruimte en andere ATEX-gezoneerde ruimte;
  • de toevoer van aardgas aan het voertuig aan het begin van de afleverslang geblokkeerd;
  • het transport van aardgas tussen de compressorinstallatie, de buffer(secties) en afleverpunten, en tussen de buffersecties onderling, geblokkeerd. Als meerdere aflevertoestellen op de bufferopslag zijn aangesloten, mag de aflevering met een centrale afsluiter worden onderbroken.
Grondslag
ArbeidsveiligheidOmgevingsveiligheid
M91

Bediening noodstop

Het bedienen van de noodstopknop leidt tot de stopzetting van een gevaarlijk proces binnen de kortst mogelijke tijd zonder extra risico's te scheppen.

Toelichting

Toelichting 1:

In de praktijk wordt hiervoor vaak in het ontwerp een op afstand bedienbare afsluiter in de gastoevoerleiding toegepast.

Toelichting 2:

Bij eventuele inpandige aflevertoestellen wordt hiervoor ook vaak in het ontwerp een op afstand bedienbare afsluiter in de gastoevoerleiding naar deze aflevertoestellen toegepast.

Referenties
Essentiele veiligheids- en gezondheidseisen in de Machinerichtlijn 2006/42/EG, bijlage I, paragraaf 1.2.4.3., geldend via het Warenwetbesluit machines.
Grondslag
ArbeidsveiligheidOmgevingsveiligheid
M92

Uitvoering noodstop

Noodstoppen aan afleverinstallaties zijn uitgevoerd conform categorie ‘0’ van NEN-EN-ISO 13850. De hardwarematige uitvoeringen voor de noodstoppen voldoen aan NEN‑EN‑IEC 60947-5-5.

Grondslag
Omgevingsveiligheid
M93

Reset na noodstop

Na het bedienen van de noodstopknop wordt de installatie niet eerder in bedrijf gesteld dan nadat de reden van het bedienen van de noodstopknop bekend is en de aanleiding hiertoe is opgeheven.

Grondslag
Arbeidsveiligheid
M94

Noodplan en noodnummer

Voor de aardgasafleverinstallatie is een noodplan uitgewerkt. Dit noodplan is gericht op het voorkomen van nadelige gevolgen die verbonden zijn aan het vrijkomen van grote hoeveelheden aardgas. Een exemplaar van dit noodplan is in de inrichting aanwezig op een gemakkelijk bereikbare plaats. Bij een onbemande aardgasafleverinstallatie (zonder toezicht) is het noodplan bij de beheerder of een door deze daartoe aangewezen persoon aanwezig. Het zichtbaar aangebrachte noodnummer van de beheerder is bij onbemande installaties 24 uur per dag bereikbaar.

Grondslag
Arbeidsveiligheid
M95

Eisen geïnstrueerd persoon bij ‘zelf-tanken onder toezicht’

In geval van een aardgasafleverinstallatie waar ‘zelf-tanken onder toezicht’ plaatsvindt, moet de toezichthoudende persoon:

  • 18 jaar of ouder zijn;
  • beschikken over een telefoon;
  • op de hoogte zijn van de in acht te nemen veiligheidsvoorschriften bij normaal bedrijf;
  • op de hoogte zijn van de noodzakelijk te verrichten handelingen in geval van een incident;
  • op de hoogte zijn van de inhoud van het noodplan.
Grondslag
ArbeidsveiligheidOmgevingsveiligheid

7.9.6Pictogrammen en aanwijzingen

M96

Aanduiding handbediende afsluiter

De plaats van de afsluiter is duidelijk aangegeven. De afsluiter is zo geplaatst dat deze goed bereikbaar is en beschadiging door verkeer niet mogelijk is.

Toelichting

Zie M17 voor de plaats van de handbediende afsluiter.

Grondslag
Arbeidsveiligheid
M97

Verbodsbord roken en open vuur

Bij het afleveren van aardgas aan een voertuig of vaartuig dat aardgas als motorbrandstof gebruikt, wordt niet gerookt en is geen vuur aanwezig. Op of nabij een aflevertoestel is op duidelijke wijze door middel van ten minste 50 mm hoge letters aangegeven in kapitalen: ‘ROKEN EN OPEN VUUR VERBODEN’.

Grondslag
Arbeidsveiligheid
MW98

Borden en pictogrammen

De eisen voor borden en pictogrammen staan in de artikelen 8.9, 8.10 en 8.11 van de Arbeidsomstandighedenregeling.

Toelichting

Meer informatie over de Arbeidsomstandighedenregeling staat in Bijlage C.4.

Referenties
Arbeidsomstandighedenregeling, artikel 8.9, 8.10 en 8.11.
Grondslag
Arbeidsveiligheid
MW99

Aanduiding gevaarsymbool

Volgens artikel 8.12 t/m 8.14 van de Arbeidsomstandigheden¬regeling is op de leidingen en (onder)delen van de installatie die in de regel aardgas bevatten, een signalering aangebracht voorzien van het gevaarsymbool ‘ontvlambaar’, eventueel aangevuld met extra informatie.

In overzichtelijke situaties, waar geen verwarring met andere (delen van) installaties mogelijk is, kan worden volstaan met één signalering of met een beperkt aantal signaleringen.

Referenties
Arbeidsomstandighedenregeling, artikel 8.12 t/m 8.14.
Grondslag
Arbeidsveiligheid

8Voorbeeld keurings- en onderhoudsschema

Als informatief voorbeeld is hieronder een keurings- en onderhoudsschema opgenomen. In het schema is aangegeven welke aspecten de NL-CBI beoordeelt op grond van het WBDA 2016. Daarnaast is aangegeven welke onderhouds- en keuringsactiviteiten de installateur zou kunnen uitvoeren.

Bekijk deze tabel in een popup venster

Activiteit, controle op

Ingebruikname keuring

Onderhoud

Herbeoor- delings-keuring

Onderhoud

Herbeoor-delings-keuring

Jaar

0

1

2

3

4

5

6

7

8

9

10

1

Buffer/flessen

1.1

zichtbare aantasting en beschadiging

o

x

x

x

x

x

x

x

x

1.2

werking inwendige appendages

o

o

1.3

visueel inwendig onderzoek (endoscopie)

o

o

2

Blowdownvat

2.1

zichtbare aantasting en beschadiging

o

2.2

inwendig onderzoek (endoscopie)

o

o

3

Appendages, flenzen, deksels en aansluitend leidingwerk

3.1

ernstige corrosie

x

x

x

o

x

x

x

x

x

o

3.2

beschadigingen

o

x

x

x

o

x

x

x

x

x

o

3.3

lekkage met lektester/ afzepen zichtbaar deel

x

x

x

x

x

x

x

x

4

Afsluiters

4.1

werking en lekkage afsluiters

o

x

x

x

o

x

x

x

x

x

o

4.2

werking en lekkages drukschakelaars

x

x

x

x

x

x

x

x

4.3

slijtage of beschadiging tankpistool/ CNG vulnippel

x

x

x

o

x

x

x

x

x

o

4.4

afgeblinde of afgesloten vloeistofafsluiters op externe lekkage

x

x

x

x

x

x

x

x

4.5

werking van de afstandsbediening van de afsluiters (noodstop)

o

x

x

x

o

x

x

x

x

x

o

5

Overdrukbeveiliging

5.1

beschadiging/vervuiling en lekkage

o

x

x

x

o

x

x

x

x

x

x

5.2

veerveiligheid op tank en hydrostatische ontlastkleppen

o

o

o

5.3

blokkade uitstroomopening/ afwateropeningen

o

x

x

x

o

x

x

x

x

x

o

5.4

werking van alle noodstoppen en veiligheids-drukschakelaars

o

x

x

x

o

x

x

x

x

x

o

5.5

vervanging (revisie)

x

x

5.6

smeltveiligheid in goede staat

o

o

o

6

Gasdroger

6.1

vervanging/werking van gasdroger (draaiuren)

x

x

x

x

x

x

x

x

o

7

Manometers en drukschakelaars

7.1

aanwijzing manometer

o

x

x

x

o

x

x

x

x

x

o

7.2

werking en ingestelde druk van drukschakelaars (indien aanwezig)

o

x

x

x

o

x

x

x

x

x

o

7.3

functietest beveiligings-drukschakelaar

o

x

x

x

o

x

x

x

x

x

o

8

Gasdetectie

8.1

werking en nauwkeurigheid van de gasdetectie (EX/LEL) evt. vervanging oxidatiecel

x

x

x

x

x

x

x

x

x

x

x

9

Compressor

9.1

dichtheid van verbindingen/ aansluitingen

x

x

x

x

x

x

x

x

x

9.2

Beveiligings-afschakelingen

x

x

x

10

Aarding

10.1

aarding afleverpunt/dispenser

x

x

x

x

x

x

x

x

x

x

x

10.2

aarding aardgasvulinstallatie

x

x

x

x

x

x

x

x

x

x

x

11

Diversen

11.1

aanrij-afschakel beveiliging dispenser

x

x

x

x

x

x

x

x

x

x

x

11.2

breekkoppeling afleverslang

x

x

x

x

x

x

x

x

x

x

x

11.3

afleverslang

x

x

x

x

x

x

x

x

x

x

x

11.4

bouten/moeren, fittingen beschadiging, corrosie, indien nodig vervangen

x

x

x

12

Corrosiebescherming ondergrondse leidingen (kathodische bescherming en coating)

12.1

kwaliteit van de coating van leidingen

o

x

x

x

o

x

x

x

x

x

o

13

Locatie

13.1

afsluitbaarheid van de voorziening en afwezigheid brandbaar materiaal

x

x

x

x

x

x

x

x

x

x

x

13.2

ATEX 114 en 153 (zoneringen/ventilatie)

x

x

x

13.3

leesbaarheid, waarschuwingsborden

x

x

x

x

x

x

x

x

x

x

x

14

Documenten

14.1

aanwezigheid logboek

o

x

x

x

o

x

x

x

x

x

o

14.2

aanwezigheid rapporten (inspecties of herbeoordeling)

o

x

x

x

o

x

x

x

x

x

o

14.3

aanwezigheid rapport kathodische bescherming (indien van toepassing)

o

x

x

x

o

x

x

x

x

x

o

14.4

aanwezigheid meetbrieven veiligheden

o

o

o

o

NL-CBI

x

Installateur

9Aanbevelingen voor instructies bij calamiteiten (noodplan)

Als voorbeeld van het noodplan kan dienen:

Maatregelen (werkinstructies) te nemen in geval van brand of ernstige lekkage aan de aardgasafleverinstallatie:

  • druk de noodstopknop in;
  • voorkom ontsteking (doof alle vuren en waakvlammen; ook in gebouwen in de directe omgeving);
  • zet motoren af;
  • waarschuw de brandweer, tel. 112;
  • waarschuw de beheerder, naam/tel.;
  • waarschuw de in de nabijheid zijnde personen en stuur ze bovenwinds;
  • bedien geen elektrische schakelaars;
  • start geen motoren.
Beschrijving en plattegrond
  • beschrijving van de inrichting;
  • plattegrond;
  • locatie (handbediende) gasafsluiter;
  • locatie noodstoppen;
  • locatie brandkranen.

10Gelijkwaardige maatregelen

Criteria voor het toepassen van gelijkwaardige maatregelen

Een gelijkwaardige maatregel is een alternatief voor een in een PGS-richtlijn beschreven maatregel. Als een bedrijf een alternatief wil toepassen voor een maatregel die in deel B is genoemd, dan is het van belang vooraf de volgende aspecten na te gaan:

  • Mag een alternatieve maatregel worden toegepast?
  • Voldoet het alternatief aan de criteria waaraan het wordt getoetst?
  • Welke formele stappen zijn nodig om een alternatief toe te kunnen passen?

Ook is het van belang alle gegevens goed te documenteren, omdat het bevoegd gezag of de toezichthouder moet kunnen beoordelen of de alternatieve maatregel gelijkwaardig is. Deze aspecten zijn hieronder nader toegelicht.

Mag een alternatieve maatregel worden toegepast?

Dat hangt af van de wettelijke grondslag van de maatregel. Dit is per maatregel aangeduid met:

  • O (Omgevingsveiligheid);
  • BO (Brandpreventie omgevingsveiligheid);
  • A (Arbeidsveiligheid);
  • BR (Brand- of rampenbestrijding).
De wettelijke grondslag is Arbeidsveiligheid

Deze maatregel heeft betrekking op de veiligheid van werknemers. Een andere dan de beschreven maatregel is mogelijk zolang de wetgeving dit toelaat. De mogelijkheid tot het treffen van (alternatieve) gelijkwaardige maatregelen geldt alleen voor de maatregelen die een nadere uitwerking zijn van de doelvoorschriften in de arbeidsomstandighedenwetgeving. Die mogelijkheid is er in elk geval niet voor middelvoorschriften uit de arbeidsomstandighedenwetgeving en verplichtingen uit verordeningen, warenwetbesluiten en productrichtlijnen, zoals:

  • het verbod op het werken met bepaalde stoffen;
  • maatregelen in paragraaf 2a ‘Explosieve atmosferen’ van het Arbeidsomstandighedenbesluit;
  • maatregelen/verplichtingen uit de Verordening persoonlijke beschermingsmiddelen, de Warenwetbesluiten drukapparatuur 2016, explosieveilig materieel 2016, machines, enz.

In de PGS-reeks/deze PGS worden de arbeidsveiligheid maatregelen waarvan niet kan worden afgeweken, geplaatst in een oranje blok (DWW maatregel).

Gelijkwaardigheid wil zeggen dat de alternatieve maatregel de gezondheid en veiligheid van de werknemers op minimaal hetzelfde niveau beschermt. Zie hiervoor ook onderstaand kader met criteria voor de toetsing van de gelijkwaardigheid. De verantwoordelijkheid voor het onderbouwd aantonen van de gelijkwaardigheid van alternatieve maatregelen ligt bij het bedrijf. Dat vereist een zorgvuldige documentatie. Voorafgaande toestemming is niet nodig. Pas bij toezicht of ongevalsonderzoek wordt er door de Nederlandse Arbeidsinspectie getoetst.

Criteria Arbeidsveiligheid voor het toepassen van gelijkwaardige maatregelen

Bij de toetsing hanteert de Nederlandse Arbeidsinspectie een aantal criteria:

  • Vanuit arbeidsomstandigheden gezien is een alternatieve maatregel gelijkwaardig aan de PGS-maatregel als deze voldoet aan:
  1. de stand van de wetenschap en professionele dienstverlening, ook wel de stand der techniek genoemd;
  2. een onveranderde trede in de arbeidshygiënische strategie;
  3. het uitgangspunt dat organisatorische maatregelen geen alternatief zijn voor technische maatregelen.
  • Een alternatieve maatregel is gelijkwaardig als de gezondheid en veiligheid van de werknemers minimaal op hetzelfde niveau beschermd zijn. Het is aan de werkgever om te bepalen welke maatregelen hij moet treffen om de werknemers te beschermen.
  • Gelijkwaardige maatregelen zDe wettelijke grondslag is Omgevingsveiligheid of Brandpreventie omgevingsveiligheidijn een nadere uitwerking van de doelvoorschriften in de wetgeving. Voor middelvoorschriften en productrichtlijnen is het gelijkwaardigheidsprincipe niet van kracht. De beoordeling van gelijkwaardigheid van maatregelen ten behoeve van de gezondheid en veiligheid van werknemers is een taak en verantwoordelijkheid die alleen bij de Nederlandse Arbeidsinspectie ligt.
  • De Nederlandse Arbeidsinspectie beoordeelt de gelijkwaardigheid van maatregelen ten behoeve van de gezondheid en veiligheid van werknemers bij inspecties en ongevalsonderzoek in het kader van de naleving van de Arbeidsomstandighedenwet.
De wettelijke grondslag is Omgevingsveiligheid of Brandpreventie omgevingsveiligheid

Deze maatregel is beschreven vanuit de doelen van de Omgevingswet. Een andere dan de beschreven maatregel is altijd mogelijk, mits deze alternatieve maatregel gelijkwaardig is. Bij de beoordeling geldt als criterium of er met het alternatief hetzelfde resultaat wordt bereikt. Dat resultaat is gekoppeld aan het doel uit deze PGS-richtlijn waarvoor de maatregel is beschreven. Het bedrijf moet de gelijkwaardigheid goed onderbouwd kunnen aantonen. Het bevoegd gezag heeft bij de toetsing een zekere beoordelingsvrijheid.

Wel moet het bedrijf de juiste procedure volgen. Dat betekent dat bij een vergunningplichtige activiteit de gelijkwaardigheid bij het bevoegd gezag vooraf moet worden aangetoond. Het resultaat van de beoordeling wordt vastgelegd in een beschikking. Bij een niet-vergunningplichtige activiteit moet het gebruiken van een gelijkwaardig alternatief vier weken vooraf worden gemeld bij het bevoegd gezag. Er volgt geen beoordeling vooraf, die komt pas bij het toezicht aan de orde. Het bedrijf moet op elk moment de gelijkwaardigheid goed onderbouwd kunnen aantonen met documentatie.

De wettelijke grondslag is zowel Arbeidsveiligheid als Omgevingsveiligheid/Brandpreventie omgevingsveiligheid

Als de wettelijke grondslag voor een maatregel zowel Arbeidsveiligheid als Omgevingsveiligheid/Brandpreventie is, dan gelden alle genoemde criteria en formele eisen. Elk bevoegd gezag beoordeelt alleen op grond van de doelen die voor zijn wetgevingsgebied gelden.

Het documenteren van de gelijkwaardigheid van een alternatieve maatregel

Het goed onderbouwen en documenteren van de gelijkwaardigheid van een alternatieve maatregel is van belang. De wijze waarop een bedrijf dat kan doen, is afhankelijk van de specifieke omstandigheden en de aard van de maatregel. Aandachtspunten zijn in elk geval de volgende vragen:

  • Voor welke maatregel uit de PGS is de voorgestelde maatregel een alternatief?
  • Op welke scenario’s en doelen heeft de alternatieve maatregel betrekking?
  • Kan worden aangetoond dat de alternatieve maatregel in dezelfde mate de doelen uit deze PGS-richtlijn bereikt en het optreden van scenario’s voorkomt of beperkt?
  • Wat is de mogelijke samenhang en het effect daarvan tussen de alternatieve maatregel en andere maatregelen uit deze PGS-richtlijn?
  • Is er een zorgvuldige onderbouwing dat aan de criteria voor de arbeidsveiligheid (zie kader) is voldaan?
  • Zijn alle onderzoeksrapporten, bevindingen, installatiegegevens, enz. die betrekking hebben op de gelijkwaardige alternatieve maatregel, goed gedocumenteerd?

Bijlage AAfkortingen en begrippen Normatief

Deze bijlage bevat een lijst met afkortingen en begrippen die in deze PGS voorkomen. Deze PGS sluit zo veel mogelijk aan bij de begrippen uit het Besluit activiteiten leefomgeving en andere relevante wetten en regels. In de praktijk kunnen ook andere termen voorkomen. Daarom is in deze bijlage bij een aantal begrippen ook een alternatieve omschrijving gegeven, zodat duidelijk is wat met een bepaald begrip is bedoeld.

Bekijk deze tabel in een popup venster

Begrip of afkorting

Betekenis

Alternatieve omschrijving/ opmerking

Aardgas

Een stof die bij een temperatuur van 15 °C en bij een druk van 0,101 325 MPa (1,01325 bar) in gasvormige toestand verkeert en in hoofdzaak bestaat uit methaan of een andere stof die vanwege haar eigenschappen aan methaan gelijkwaardig is (definitie Gaswet).

Aardgasafleverinstallatie

Een installatie bestemd voor het afleveren van aardgas aan voertuigen die aardgas als motorbrandstof gebruiken, bestaande uit een compressorinstallatie, een (eventuele) bufferopslag en een of meerdere aflevertoestellen. Dit met inbegrip van alle leidingen en toebehoren.

Activiteit

Een door de mens ondernomen bedrijvigheid, die binnen een zekere begrenzing wordt verricht en daarbuiten gevaar, schade en hinder kan veroorzaken.

ADR

Europese overeenkomst voor het internationale vervoer van gevaarlijke goederen over de weg

Afblaasleiding

Een leiding waardoor aardgas kan worden afgevoerd naar de atmosfeer.

Afblaasveiligheid

Een apparaat dat het overschrijden van de grenswaarde van de druk voorkomt door het afblazen van gas.

Afleverdruk

Druk in de aardgasafleverinstallatie gemeten aan de uitgaande zijde van het aflevertoestel.

Afleverslang

Flexibele slang, inclusief de koppelingen en de vulaansluiting, die deel uitmaakt van het aflevertoestel waarmee aardgas wordt afgeleverd aan het brandstofreservoir of de reservoirs van het voertuig.

Aflevertoestel, afleverzuil

Het samenstel van onderdelen waardoor het aardgas wordt afgeleverd aan het voertuig, beginnende aan het einde van de leiding(en) gerekend vanaf de compressor en/of bufferopslag.

ATEX 114

Richtlijn 2014/34/EU van het Europees Parlement en de Raad van 26 februari 2014 over de onderlinge aanpassing van de wetgevingen van de lidstaten over apparaten en beveiligingssystemen bedoeld voor gebruik op plaatsen waar ontploffingsgevaar kan heersen. Richtlijn 2014/34/EU heeft betrekking op de technische integriteit en bevat doelvoorschriften voor apparatuur en beveiligingssystemen die worden gebruikt op plaatsen met explosiegevaar. De eisen zijn vooral van belang voor fabrikanten en importeurs van explosieveilig materieel. In Nederland is deze richtlijn geïmplementeerd in het Warenwetbesluit explosieveilig materieel.

ATEX 153

Richtlijn 1999/92/EG van het Europees Parlement en de Raad van 16 december 1999 over minimumvoorschriften voor de verbetering van de gezondheidsbescherming en van de veiligheid van werknemers die door explosieve atmosferen gevaar kunnen lopen. Richtlijn 1999/92/EG beschrijft hoe veilig kan worden gewerkt in een omgeving waar explosiegevaar heerst. In Nederland is deze richtlijn geïmplementeerd in het Arbeidsomstandighedenbesluit.

Bevoegd gezag

Een bestuursorgaan van een publiekrechtelijke rechtspersoon, bijvoorbeeld een college van burgemeester en wethouders van een gemeente, die een in een wet omschreven bevoegdheid heeft gekregen om over een bepaald onderwerp een schriftelijke, bindende beslissing te nemen die juridische gevolgen heeft voor burgers en/of bedrijven.

Biogas

Biogas, synthetisch gas of stortgas dat is opgewaardeerd tot aardgaskwaliteit en voldoet aan de eisen zoals opgenomen in de normatieve Bijlage D van deze PGS-richtlijn.

Bijlage D bevat de eisen zoals vermeld in de Energiekamer Aansluit- en transportvoorwaarden Gas - RNB Bijlage 3 'Kwaliteitseisen, bepalingsmethoden en meetonzekerheden biogas'.

Blowdownvat

Een onderdeel van de compressorinstallatie bestemd voor het wegnemen van de overdruk van de installatie.

Hiermee wordt voorkomen dat gas naar de atmosfeer wordt afgeblazen zoals bij het afkoppelen van een voertuig.

Bufferopslag

Een installatie bestemd voor de opslag van aardgas onder hoge druk bestaande uit een of meerdere drukhouders.

Buffer, buffervat, bufferinstallatie

Buitenlucht

Plaats in de openlucht waarbij zonder mechanische hulpmiddelen de luchtsnelheid meestal hoger is dan 2 m/s en zelden lager dan 0,5 m/s en waar geen hinderende obstakels aanwezig zijn. Een situatie met één zijwand en een dak wordt in deze richtlijn als buitenluchtsituatie beschouwd.

CNG

Compressed Natural Gas (gecomprimeerd aardgas).

Gecomprimeerd aardgas

Compressorinstallatie

Een installatie waar aardgas wordt gecomprimeerd, bestaande uit een of meerdere compressoren, met inbegrip van alle leidingen en toebehoren.

Compressorruimte

De ruimte waarin de compressorinstallatie staat opgesteld.

Dampdichtheid

Massa in kg van 1 m3 gas (damp) bij een bepaalde temperatuur en druk.

DWW

Direct werkende wetgeving

Zie § 7.1

Gevarenzone-indeling

Indeling van gevaarlijke gebieden in zones, afhankelijk van de waarschijnlijkheid van het aanwezig zijn van een explosieve atmosfeer.

Inpandig afleveren

Het inpandig afleveren van gecomprimeerd aardgas (CNG) aan voertuigen die aardgas als motorbrandstof gebruiken, op een afleverdruk van nominaal 20 MPa (200 bar).

Kvl

Keuring voor Ingebruikneming.

LEL

Lowest explosive limit.

Concentratie van brandbaar gas of brandbare damp in de lucht, beneden welke de atmosfeer niet explosief is.

Onderste explosiegrens

LNG

Liquefied natural gas.

Vloeibaar gemaakt aardgas Cryogeen methaan

Maximaal toelaatbare druk (PS)

De door de fabrikant aangegeven maximale druk waarvoor een systeem of apparaat is ontworpen vanuit sterkte- en dichtheids-overwegingen.

Opmerking: PS is de maximaal toelaatbare druk volgens de Richtlijn drukapparatuur (PED).

Milieubelastende activiteit

In de Omgevingswet omschreven als een activiteit die nadelige gevolgen voor het milieu kan hebben. Het Besluit activiteiten leefomgeving wijst milieubelastende activiteiten aan. De activiteiten met gevaarlijke stoffen uit deze PGS-richtlijn zijn aangewezen als milieubelastende activiteit.

NEN

NEN staat voor Nederlandse norm. NEN staat ook voor Stichting Koninklijk Nederlands Normalisatie Instituut. Dat instituut geeft NEN-normen uit.

NEN-EN

Europese norm (EN) die door NEN is aanvaard en uitgegeven.

NEN-EN-IEC

Door IEC vastgestelde internationale norm. De norm is als Europese norm aanvaard. De norm is ook door NEN aanvaard en uitgegeven.

NEN-EN-ISO

Door ISO vastgestelde internationale norm. De norm is als Europese norm aanvaard. De norm is ook door NEN aanvaard en uitgegeven.

NEN-ISO

Door ISO vastgestelde internationale norm. De norm is door NEN aanvaard en uitgegeven.

NL-conformiteits-beoordelingsinstantie (NL CBI)

Een door de minister van Sociale Zaken en Werkgelegenheid aangewezen instelling, die (her)keuringswerkzaamheden en/of beoordelingen mag uitvoeren in het kader van het Warenwetbesluit drukapparatuur 2016.

Een overzicht van NL conformiteitsbeoordelings-instanties is te vinden onder Certificatie en aanwijzing conformiteitsbeoordelingsinstantie (CBI) van de Nederlandse Arbeidsinspectie (www.nlarbeidsinspectie.nl).

Noodstopknop

Voorziening die een apparaat, voertuig of installatie uitschakelt of stilzet of in een veilige toestand brengt. Bedoeld om bij een incident of calamiteit verdere escalatie te voorkomen.

Noodstop

NPR

Nederlandse Praktijk Richtlijn.

NEN geeft NPR-publicaties uit. Een NPR is een praktische uitwerking van de bepalingen in een norm. Bijvoorbeeld toelichtingen op normen, constructieve mogelijkheden, werkmethoden en fabricagegegevens.

NTA

Nederlandse Technische Afspraak.

NEN geeft NTA-publicaties uit. Een NTA is een openbare afspraak tussen twee of meer belanghebbende partijen. Er is geen openbare commentaarronde en het is niet nodig dat er tussen partijen overeenstemming bestaat. Een NTA kan snel tot stand komen.

Onafhankelijk werkend beveiligingssysteem

Een beveiligingssysteem dat uitsluitend is bedoeld als beveiligingsfunctie en geen meet- en/of regelfunctie heeft in normale bedrijfsomstandigheden.

Onbemande aardgasafleverinstallatie

Afleverinstallaties waarbij voorzieningen zijn getroffen waardoor men een bepaalde hoeveelheid motorbrandstof door zelfbediening kan verkrijgen en geen personeel voor direct toezicht aanwezig is.

Levering van aardgas zonder toezicht

Ontwerptemperatuur

Het temperatuurgebied waarvoor de installatie of delen daarvan zijn ontworpen.

PED

Pressure Equipment Directive Richtlijn 2014/68/EU van het Europees Parlement en de Raad van 15 mei 2014 over de harmonisatie van de wetgevingen van de lidstaten over het op de markt aanbieden van drukapparatuur. De PED-richtlijn beschrijft 'essentiële veiligheidseisen' voor drukapparatuur. Het gaat om algemene veiligheid en bescherming tegen zowel persoonlijk letsel als materiële schade. Onder de PED-richtlijn vallen alle producten en installaties met een druk die hoger is dan 50 kPa. De richtlijn is in Nederland geïmplementeerd in het Wbda 2016.

Richtlijn drukapparatuur

REACH

Registratie, Evaluatie, Autorisatie en beperking van Chemische stoffen REACH is een Europese verordening over de productie van en handel in chemische stoffen. Het beschrijft waar bedrijven en overheden zich aan moeten houden. Deze verordening geldt voor alle landen van de Europese Unie.

Kwantitatieve risicoanalyse

Relatieve dampdichtheid

Verhouding van de massa van een bepaald volume gas (damp) tot die van eenzelfde volume lucht bij gelijke temperatuur en druk.

SAE

Society for Automotive Engineering SAE is een Amerikaans instituut voor deskundigen in de automotive-industrie. SAE stelt ook normen en standaarden op.

SAE J 517

Publicatie J 517 van SAE: Hydraulic Hose. Deze norm geeft specificaties voor hydraulische slangen.

SBR

Stichting Bouw research SBR was een kennisinstituut op het gebied van de bouw en gebouwinstallaties.

Seveso-inrichting

Een of meer Seveso-installaties op een locatie die volledig wordt beheerd door diegene die de Seveso-inrichting exploiteert, met inbegrip van de gemeenschappelijke of bijbehorende infrastructuur of activiteiten.

De naam Seveso-inrichting is ontleend aan de Sevesoramp die plaatsvond in 1982, de richtlijn met deze naam is van toepassing op locaties met grote hoeveelheden gevaarlijke stoffen.

Seveso-installatie

Technische eenheid waarin een gevaarlijke stof zoals bedoeld in artikel 3, lid 10, van de Seveso-richtlijn wordt gemaakt, gebruikt, verwerkt of opgeslagen, met inbegrip van de uitrusting, leidingen, machines, gereedschap-pen, private spoorwegemplace¬menten, laadkades, aanlegsteigers, pieren, depots en andere constructies die nodig zijn voor de werking daarvan.

SWIFT

Structured What If Technique Methode voor het uitvoeren van een risicoanalyse.

SZW

Sociale Zaken en Werkgelegenheid, in: ministerie van SZW.

Tanken van brandstof

Uit het Besluit activiteiten leefomgeving.

Afleveren

Brandstof tanken

Benzine tanken

Tankzuil

Uit het Besluit activiteiten leefomgeving: Samenbouw van onderdelen voor het tanken van brandstof. De leidingen die de brandstof aanvoeren vanuit de compressor of bufferopslag horen hier ook bij.

Afleverzuil

Afleverpomp

Aflevertoestel

Afleverinstallatie

Benzinepomp

Dispenser

Pompzuil

Ten hoogste

Uit het Besluit activiteiten leefomgeving.

maximaal

Terugslagklep

Klep in een installatie die ervoor zorgt dat gassen of vloeistoffen niet kunnen terugstromen.

Terugslagvoorziening

Vakbekwaam personeel

Personeel, opgeleid, ervaren en erkend volgens de in Nederland geldende diploma’s om werkzaamheden te verrichten voor of aan de aardgasafleverinstallatie.

Veiligheidsappendages

Voorzieningen voor de beveiliging van drukapparatuur tegen de overschrijding van de toegestane grenzen, waaronder voorzieningen voor de rechtstreekse drukbegrenzing, zoals veiligheidskleppen, breekplaatbeveiligingen, knikstaven, gestuurde afblazende drukbeveiligingssystemen (CSPRS), en begrenzingsvoorzieningen die corrigerende organen in werking stellen of zorgen voor vergrendeling of voor vergrendeling en blokkering, zoals schakelaars die door druk, temperatuur of het niveau van de stof in werking treden en met de veiligheid samenhangende meet-, controle- en regelvoorzieningen (SRMCR).

VNG

Vereniging van Nederlandse Gemeenten.

VNO-NCW

Een organisatie van werkgevers. Ontstaan uit een fusie van het Verbond van Nederlandse Ondernemingen (VNO) en het Nederlands Christelijk Werkgeversverbond (NCW).

Voertuig

Een vervoermiddel, waaronder ook begrepen vaartuigen.

VTH

Vergunningverlening, toezicht en handhaving

Vulaansluiting

Onderdeel van de afleverslang bij een tankzuil. De vulaansluiting zorgt voor een vaste verbinding van de afleverslang met het voertuig. Komt voor bij tanken van gasvormige brandstoffen.

Vulkoppeling

VvI

Verklaring van Ingebruikneming.

Warmtestraling

Straling als gevolg van een brand aangegeven door een warmtestralingscontour op de omgeving in kW/m2.

Stralingsbelasting

Warmtestralingsbelasting

Warmtebelasting

Wbda 2016

Warenwetbesluit drukapparatuur 2016

WBDBO

Weerstand tegen branddoorslag en brandoverslag De WBDBO gaat over een gebouw of scheidingsconstructie. Het is een eis voor de hoeveelheid tijd waarin het gebouw of de scheidingsconstructie weerstand kan bieden tegen het doorslaan of overslaan van een brand. Dit kan gaan om van binnen naar buiten, en om van buiten naar binnen. De brandwerendheid van scheidingsconstructies bepaalt de weerstand tegen branddoorslag. De WBDBO kan worden bereikt met brandwerende constructies of met afstanden. Of met een combinatie daarvan. Bij brandoverslag moet een berekening volgens NEN 6068 worden uitgevoerd.

Wvr

Wet veiligheidsregio's.

Bijlage BNormen en bronnen

Bijlage B.1 is normatief. Bijlage B.2 is informatief.

B.1Normatieve documenten en normen Normatief

Deze bijlage bevat normen en andere documenten die zijn genoemd in de maatregelen. Voor zover een norm (zoals NEN of ISO) of een ander normdocument of specificatie waarnaar in een voorschrift in deze richtlijn wordt verwezen, betrekking heeft op de uitvoering van constructies, toestellen en apparaten, wordt bedoeld de publicatie inclusief wijzigings- of correctiebladen, zoals die op het moment van de publicatie van deze richtlijn luidde.

Bekijk deze tabel in een popup venster

Norm met versie

Titel

NEN 2559

Onderhoud van draagbare blustoestellen

NEN 6068

Bepaling van de weerstand tegen branddoorslag en brandoverslag tussen ruimten

NTA 8620

Specificatie van een veiligheidsmanagementsysteem voor risico's van zware ongevallen

NEN-EN 2

Brandklassen

NEN-EN 3-7:2004+A1:2007

Draagbare blustoestellen - Deel 7: Eigenschappen, prestatie-eisen en beproevingsmethoden

NEN-EN 1363-1

Bepaling van de brandwerendheid - Deel 1: Algemene eisen

NEN-EN 1363-2

Bepaling van de brandwerendheid - Deel 2: Alternatieve en aanvullende procedures

NEN-EN-ISO 1182

Bepaling van het brandgedrag van bouwproducten - Beproeving van de onbrandbaarheid

NEN-EN-ISO 4126-1

Veiligheidsvoorzieningen voor bescherming tegen ontoelaatbare overdruk - Deel 1: Veiligheidskleppen

NEN-EN-ISO 6326-1

Aardgas - Bepaling van het gehalte aan zwavelverbindingen – Deel 1: Algemene introductie

NEN-EN-ISO 6974

Aardgas - Bepaling van de samenstelling met een gedefinieerde onzekerheid door gaschromatografie

NEN-EN-ISO 6975

Aardgas - Uitgebreide analyse - Gaschromatografische methode

NEN-EN-ISO 6976

Aardgas - Berekening van de verbrandingswarmte, de stookwaarde, de dichtheid, de relatieve dichtheid en de Wobbe-index uit de samenstelling

NPR 7910-1:2020+C1:2021,

Gevarenzone-indeling met betrekking tot explosiegevaar - Deel 1: Gasexplosiegevaar, gebaseerd op NEN-EN-IEC 60079-10-1:2015

NEN-EN-ISO 9606-1

Kwalificatiebeproevingen van lassers - Smeltlassen - Deel 1: Staalsoorten

NEN-EN-ISO 13850

Veiligheid van machines - Noodstopfunctie – Ontwerpbeginselen

NEN-EN-ISO 14001

Milieumanagementsystemen – Eisen met richtlijnen voor gebruik

NEN-EN-ISO 14469

Wegvoertuigen - Brandstofvulaansluiting voor gecomprimeerd aardgas (CNG) - Vulaansluiting voor 20 MPa (200 bar)

NEN-EN-IEC 60079-10

Explosieve atmosferen – Deel 10

NEN-EN-IEC 60079-29-2

Explosieve atmosferen – Deel 29-2: Selectie, installatie, gebruik en onderhoud van detectoren van brandbare gassen en zuurstof

NEN-EN-IEC 60947-5

Laagspanningsschakelaars

NEN-EN-IEC 61508-1

Functionele veiligheid van elektrische/elektronische/programmeerbare elektronische systemen verbandhoudend met veiligheid – Deel 1: Algemene eisen

NEN-EN-IEC 61511-1

Functionele veiligheid - Veiligheidssystemen voor de procesindustrie - Deel 1: Raamwerk, definities, systeem, hardware en applicatieprogrammeringsvereisten

NEN-EN-IEC 61511-2

Functionele veiligheid - Veiligheidssystemen voor de procesindustrie - Deel 2: Richtlijnen voor de toepassing van IEC 61511-1

NEN-EN-IEC 61511-3

Functionele veiligheid - Veiligheidssystemen voor de procesindustrie - Deel 3: Richtlijnen voor de bepaling van de vereiste veiligheidsintegriteitsniveaus

NEN-EN-IEC 62305-2

Bliksembeveiliging – Deel 2: Risicomanagement

NEN-ISO 15500-17

Wegvoertuigen - Onderdelen van brandstofsystemen voor gecomprimeerd aardgas (CNG) - Deel 17: Flexibele brandstofleiding

B.2Informatieve documenten en bronnen

Nummer

Titel

Vindplaats

[ 1 ]

SAE J 517, Hydraulic Hose

SAE International

[ 2]

JIS B 8362, Textile reinforced thermoplastic hose assemblies for hydraulic use

SAI Global

[ 3]

Chemiekaarten

Sdu

[ 4]

Handreiking generieke risicobenadering

Publicatiereeks Gevaarlijke Stoffen

[ 5]

PGS 6

Publicatiereeks Gevaarlijke Stoffen

[ 6]

ATEX 2014/34/EU Guidelines, 3rd edition – May 2020

Europese Unie

[ 7]

Niet-bindende praktijkgids met het oog op de tenuitvoerlegging van de Richtlijn 1999-92-EG – april 2005

Publications Office of the European Union (EUR-Lex)

[ 8]

Richtlijn voor uitvoering van productvoorschriften van de EU (de Blauwe Gids) - 2016

EUR-Lex

[ 9]

Regeling technische eisen en gebruikersinformatie over de infrastructuur van alternatieve brandstoffen

Wettenbank Overheid

[ 10 ]

2019/1745/EU: Verordening tot aanvulling en wijziging van Richtlijn 2014/94/EU van het Europees Parlement en de Raad op het gebied van oplaadpunten voor motorvoertuigen van categorie L, walstroomvoorzieningen voor binnenschepen, waterstofvoorzieningen voor het wegvervoer, aardgasvoorziening en voor het wegvervoer en de scheepvaart en tot intrekking van Gedelegeerde Verordening (EU) 2018/674 van de Commissie.

EUR-Lex

[ 11 ]

NEN-EN-ISO 16923:2018 Aardgasvulstations – CNG stations voor het vullen van voertuigen

NEN

[ 12 ]

NPR 2578 Beheer en onderhoud van LPG-, propaan- en butaaninstallaties

NEN

[ 13 ]

Handreiking bluswatervoorziening en bereikbaarheid 2019

Brandweer Nederland

Bijlage CRelevante wet- en regelgeving

C.1Inleiding

Een groot deel van de regels voor gevaarlijke stoffen staat in nationale wetgeving, al dan niet gebaseerd op Europese richtlijnen, of volgt rechtstreeks uit Europese verordeningen.

Op de website van de Rijksoverheid van de Rijksoverheid staat de meest actuele versie van de nationale wet- en regelgeving. Op de website van de Europese Unie staat de meest actuele versie van Europese regelgeving.

C.2Wetgeving

Omgevingswet

De Omgevingswet bevat regels voor ruimte, wonen, infrastructuur, milieu, natuur en water, en regelt daarmee het benutten en beschermen van de leefomgeving. Onder de Omgevingswet hangen vier algemene maatregelen van bestuur en een ministeriële regeling met de regels voor het praktisch uitvoeren van de wet. De algemene maatregelen van bestuur zijn het Besluit activiteiten leefomgeving (Bal), het Besluit kwaliteit leefomgeving (Bkl), het Besluit bouwwerken leefomgeving (Bbl) en het Omgevingsbesluit. De ministeriële regeling is de Omgevingsregeling.

Algemene informatie over de Omgevingswet staat ophet informatiepunt Leefomgeving. Daar staat ook meer informatie over de vier besluiten..

Omgevingsbesluit

Het Omgevingsbesluit richt zich tot burgers, bedrijven en de overheid. Het Omgevingsbesluit regelt in aanvulling op de Omgevingswet onder meer welk bestuursorgaan het bevoegd gezag is om een omgevingsvergunning te verlenen en welke procedures gelden. Ook regelt dit besluit wat de betrokkenheid is van andere bestuursorganen, adviesorganen en adviseurs bij de besluitvorming, en een aantal opzichzelfstaande onderwerpen, zoals de milieueffectrapportage.

Besluit activiteiten leefomgeving

In het Besluit activiteiten leefomgeving (Bal) staan, samen met het Besluit bouwwerken leefomgeving, de algemene regels waaraan burgers en bedrijven zich moeten houden als ze bepaalde activiteiten uitvoeren in de fysieke leefomgeving. Ook bepaalt het besluit voor welke activiteiten een omgevingsvergunning nodig is. Dit besluit bevat regels om het milieu, de waterstaatwerken, de wegen en de spoorwegen, de zwemmers en het cultureel erfgoed te beschermen. Het Bal verwijst voor verschillende activiteiten naar de PGS-richtlijnen.

Besluit bouwwerken leefomgeving

In het Besluit bouwwerken leefomgeving (Bbl) staan regels waaraan burgers en bedrijven zich moeten houden als ze bepaalde activiteiten uitvoeren in de fysieke leefomgeving. Daaronder vallen bouwen, verbouwen, gebruiken, in stand houden en slopen van bouwwerken. Het gaat om regels over veiligheid, gezondheid, duurzaamheid en bruikbaarheid.

Een belangrijke doelstelling van het Bbl is het kunnen beheersen van een brand zodat mensen veilig kunnen vluchten en de brand zich niet uitbreidt naar andere gebouwen. Nieuwe gebouwen moeten zijn ingedeeld in brandcompartimenten.

In het Bbl staan regels voor de aanwezigheid en beschikbaarheid van voorzieningen voor incidentbestrijding, zoals bluswatervoorzieningen op eigen terrein, de bereikbaarheid van bouwwerken voor hulpdiensten en de beschikbaarheid van opstelplaatsen voor brandweervoertuigen.

Besluit kwaliteit leefomgeving

In het Besluit kwaliteit leefomgeving (Bkl) staan de inhoudelijke normen voor gemeenten, provincies, waterschappen en het Rijk met het oog op het realiseren van de nationale doelstellingen en het voldoen aan internationale verplichtingen.

In het Bkl staan instructieregels voor het omgevingsplan over bijvoorbeeld rampenbestrijding en externe veiligheid. Voor veelvoorkomende en meer uniforme activiteiten bevat het Bkl vaste risicoafstanden. Ook staan in het Bkl beoordelingsregels voor omgevingsvergunningen met als doel de bescherming van de fysieke leefomgeving tegen externe veiligheidsrisico’s.

Omgevingsregeling

In de Omgevingsregeling zijn onder andere de gegevens en bescheiden genoemd die bij een aanvraag om een omgevingsvergunning moeten worden verstrekt, zijn technische uitvoeringsvoorschriften gegeven voor milieubelastende activiteiten en zijn de rekenmethodes aangegeven die moeten worden toegepast bij het berekenen van het plaatsgebonden risico en de afstanden van de aandachtsgebieden. Ook zijn in de Omgevingsregeling de versies aangegeven van de normdocumenten waarnaar in de besluiten en in de Omgevingsregeling wordt verwezen.

Seveso

De Seveso III-richtlijn(2012/18/EG) is op grond van de Omgevingswet, de Arbeidsomstandighedenwet en de Wet veiligheidsregio’s voor een groot deel geïmplementeerd in het Besluit activiteiten leefomgeving. Paragraaf 4.2 van dat besluit bevat eisen voor bedrijven die werken met grote hoeveelheden gevaarlijke stoffen (voorheen Brzo-bedrijven). Deze eisen hebben zowel betrekking op de technische kant van veiligheid, als op aspecten voor de bedrijfsvoering, zoals veiligheidsbeleid, procedures en communicatie.

C.3Chemische stoffen

CLP

CLP is een Europese verordening (1272/2008/EG) over de indeling en etikettering van chemische stoffen. CLP staat voor Classification, Labelling and Packaging (indeling, etikettering en verpakking). Om veilig om te gaan met chemische stoffen moeten deze worden voorzien van etiketten volgens een gestandaardiseerd systeem. Op deze etiketten staat naast de werking ook welke beschermmaatregelen nodig zijn.

Meer informatie staat op de website Chemische stoffen goed geregeld.

REACH

REACH is een Europese verordening (EC 1907/2006) over de productie van en handel in chemische stoffen. De leverancier moet zorgen voor een veiligheidsinformatieblad bij elke chemische stof. De eindgebruiker moet zich houden aan de maatregelen in dit veiligheidsinformatieblad.

Meer informatie staat op de website Chemische stoffen goed geregeld.

C.4Arbeidsomstandighedenwetgeving

Arbeidsomstandighedenwet

In de Arbeidsomstandighedenwet (Arbowet) staan de rechten en plichten voor zowel werkgever als werknemer op het gebied van arbeidsomstandigheden. De Arbowet bevat met name doelvoorschriften. Het Arbeidsomstandighedenbesluit (Arbobesluit) geeft een uitwerking van de Arbowet. De Arbeidsomstandighedenregeling geeft op haar beurt een uitwerking van regels in het Arbeidsomstandighedenbesluit.

Meer informatie staat op het Arboportaal.

Arbeidsomstandighedenbesluit

In het Arbeidsomstandighedenbesluit (Arbobesluit) staan regels over bijvoorbeeld arbozorg, organisatie van het werk, inrichting van arbeidsplaatsen, gevaarlijke stoffen en persoonlijke beschermingsmiddelen.

Arbeidsomstandighedenregeling

In de Arbeidsomstandighedenregeling (Arboregeling) staan bijvoorbeeld regels over de taken van de arbodienst en nadere eisen voor onder andere veiligheid van tankschepen en gevaarlijke stoffen, beeldschermarbeid, arbeid onder overdruk, arbeidsmiddelen, veiligheids- en gezondheidssignalering.

Verordening persoonlijke beschermingsmiddelen

Deze Europese verordening bevat eisen voor het ontwerp en de productie van persoonlijke beschermingsmiddelen (2016/425). Het doel van de verordening is om de gezondheid en de veiligheid van gebruikers te waarborgen. De verordening maakt het ook mogelijk dat beschermingsmiddelen binnen de hele Europese Unie worden verkocht en gebruikt.

C.5Warenwet

Warenwet

De Warenwet bevat regels met het oog op productveiligheid om de gezondheid en veiligheid van de gebruiker te beschermen. Dit kan een werknemer of een consument zijn. In de onderliggende Warenwetbesluiten staan regels voor de fabrikant, leverancier en andere marktpartijen. Die regels zorgen ervoor dat een product voldoet aan gezondheids- en veiligheidseisen uit Europese richtlijnen.

Warenwetbesluit drukvaten van eenvoudige vorm

In het Warenwetbesluit drukvaten van eenvoudige vorm staan regels over het op de markt brengen van drukvaten van eenvoudige vorm. In dit besluit is de Europese richtlijn (2014/29/EU) voor drukvaten van eenvoudige vorm geïmplementeerd.

Warenwetbesluit machines

In het Warenwetbesluit machines staan regels over machines, waaronder veiligheid, keuring en certificering. In de Warenwetregeling machines staan nadere eisen.

C.6Veiligheidsregio's

Wet veiligheidsregio’s

Met de Wet veiligheidsregio’s wordt geprobeerd een efficiënte en kwalitatief hoogwaardige organisatie te bereiken van de brandweerzorg, geneeskundige hulpverlening en crisisbeheersing. Dit gebeurt onder één regionale bestuurlijke regie. Op grond van deze wet kan het bestuur van een veiligheidsregio bepalen dat een bedrijf een bedrijfsbrandweer moet hebben.

Meer informatie staat op de website van het ministerie van Justitie en Veiligheid.

Besluit veiligheidsregio's

In het Besluit veiligheidsregio’s staat een beschrijving van de procedure die het bestuur van de veiligheidsregio moet volgen om te bepalen of een bedrijf een bedrijfsbrandweer moet hebben. Ook is in dit besluit geregeld welke eisen aan een bedrijfsbrandweeraanwijzing kunnen worden verbonden.

C.7Vervoer

Vervoer

Het vervoer van gevaarlijke stoffen valt onder diverse internationale verdragen, overeenkomsten en richtlijnen. De internationale regels zijn onder andere geïmplementeerd in de Wet vervoer gevaarlijke stoffen.

Wet vervoer gevaarlijke stoffen en de ADR

De regels die gelden voor het vervoer van gevaarlijke stoffen staan in de Wet vervoer gevaarlijke stoffen. Het gaat onder meer om regels over:

  • vervoermiddelen (zoals tankwagens, schepen, opslagtankwagens);
  • chauffeurs (opleiding en training);
  • vervoersdocumenten;
  • verpakkingen en etikettering;
  • laden en lossen.

Voor de activiteiten in de PGS-richtlijnen zijn de regels voor vervoer van gevaarlijke stoffen over de weg het meest relevant. De Regeling vervoer over land van gevaarlijke stoffen bevat specifieke voorschriften voor het vervoer van gevaarlijke stoffen over de weg. Als bijlage bij deze regeling zijn de internationale regels voor het vervoer van gevaarlijke stoffen opgenomen, afkomstig uit de ADR.

De ADR is een Europese overeenkomst voor het internationale vervoer van gevaarlijke goederen over de weg. De Europese richtlijn 94/55/EG schrijft voor dat de lidstaten de ADR in eigen wetgeving implementeren.

De ADR stelt niet alleen regels voor het vervoer over de weg, maar ook voor het laden en lossen van gevaarlijke goederen.

Meer informatie staat op website van de Rijksoverheid. Daar staat ook informatie over de ADR.

Bijlage DNadere toelichting biogas

Fysische eigenschappen

De onderstaande tabel met specificaties voor biogas is opgenomen in Aansluit- en transportvoorwaarden Gas – RNB per 18 december 2015, onderdeel van de voorwaarden als bedoeld in artikel 12b van de Gaswet.

Bekijk deze tabel in een popup venster

Kwaliteitscomponent

Conform advies Kiwa Gastec

Kwantitatieve bepaling

Grenswaarde

Eenheid

Bepalingsmethode

onzekerheid

Fysische eigenschappen

Op basis van GC-bepaling

Calorische bovenwaarde

31,6 - 38,7

MJ/m3n

ISO 6974 + 6976

0,4% rel.

Wobbe-index

43,46 - 44,41

MJ/m3n

ISO 6974 + 6976

0,5% rel.

Hoedanigheden

Waterdauwpunt

-10 (0,8 MPa; 8 bar)

°C

Volgens bedrijfsvoorschrift

10% rel.

Temperatuur (in te voeden gas)

0 - 20

°C

Volgens bedrijfsvoorschrift

1 °C

Zwavel (totaal)

45

mg/m3n

ISO 6326

20% rel.

Anorganisch gebonden zwavel (H2S)

5

mg/m3n

ISO 6326

20% rel.

Mercaptanen

10

mg/m3n

ISO 6326

20% rel.

Odorantgehalte (THT)

>10, nom 18 <40

mg/m3n

ISO 6326

20% rel.

Ammoniak

3

mg/m3n

Volgens bedrijfsvoorschrift

20% rel.

Chloorhoudende verbindingen

50

mg/m3n

Volgens bedrijfsvoorschrift

20% rel.

Fluorhoudende verbindingen

25

mg/m3n

Volgens bedrijfsvoorschrift

20% rel.

Waterstofchloride (HCl)

1

ppm

Volgens bedrijfsvoorschrift

20% rel.

Waterstofcyanide (HCN)

10

ppm

Volgens bedrijfsvoorschrift

20% rel.

Koolmonoxide (CO)

1

mol%

Volgens bedrijfsvoorschrift

20% rel.

Kooldioxide in droge gasnetten (CO2)

6

mol%

ISO 6974

5% rel.

BTX (benzeen, tolueen, xyleen)

500

ppm

ISO 6975

10% rel.

Aromatische koolwaterstoffen

1

mol%

ISO 6975

10% rel.

Zuurstof in droge gasnetten

0,5 (3)

mol%

ISO 6974

10% rel.

Waterstof

12

vol%/m3n

ISO 6974

20% rel.

Methaangetal ª

>80

-

Volgens bedrijfsvoorschrift

-

Stof

Technisch vrij

-

-

-

Siloxanen

5

ppm

Volgens bedrijfsvoorschrift

25% rel.

Ruikbaarheid (geodoriseerd biogas)

Voldoende

-

Volgens Gastec-voorschrift

10% rel.

ª Van belang indien relatief veel H2 en/of C3H8 aanwezig is (veroorzaakt laag methaangetal).

Bijlage EVerschillen met de vorige versie

E.1Inleiding

Deze PGS-richtlijn komt voor het grootste deel inhoudelijk overeen met de vorige versie van deze publicatie.

Een aantal maatregelen is niet meer opgenomen. Reden daarvoor is dat deze maatregelen niet voortvloeien uit de risicoanalyse of al in andere wetgeving zijn opgenomen.

Een aantal maatregelen is inhoudelijk gewijzigd. Dit is gebeurd op basis van de risicoanalyse of nieuwe inzichten. De volgende paragraaf beschrijft op hoofdlijnen de belangrijkste verschillen. Voor bestaande situaties die nog niet aan deze maatregelen voldoen, gelden implementatietermijnen. Deze termijnen staan in Bijlage F.

Niet gewijzigde maatregelen:

Bekijk deze tabel in een popup venster

PGS 25: 2022

Titel

PGS 25:2021 versie 1.0 - InterimPGS

M13

Gasdroger

vs 3.1.2

M14

Uitvoering gasdroger

vs 3.1.3

M19

Opslag aardgas

vs 5.2.1

M21

Trillingvrije opstelling

vs 4.1.1

M22

Trillingsdempend leidingdeel

vs 4.1.2

M23

Terugslagklep

vs 4.1.3

M29

Leidingwerk bovengronds

vs 11.2.2

M32

Uitblaasopening ventilatiesysteem

vs 11.3.2

M34

Slang ophangen

vs 11.3.3

M35

Aanleg bovengrondse leidingen

vs 3.2.5

M38

Elektrische isolatie leidingen

vs 3.2.9

M43

Aflevertoestel onder overkapping

vs 6.1.1

M49

Afleverslang

vs 6.6.1

M51

Vulaansluiting

vs 6.10.1

M70

Installatieboek

vs 3.6.1

M72

Bedrijfshandleiding

vs 10.1.1

M76

Geen toegang voor onbevoegden

vs 3.1.6

M77

Aanrijdbeveiliging

vs 3.2.4

M79

Objecten buiten erfafscheiding

vs 3.4.1

E.2Belangrijkste inhoudelijke wijzigingen

E.2.1Gewijzigde maatregelen

Bekijk deze tabel in een popup venster

PGS 25: 2022

Onderwerp

PGS 25:2021 versie 1.0 Interim

Kernpunt van de wijziging

MW2

Veiligheidsafsluiters veilige positie

vs 11.2.3

Locatie van de afsluiter is nieuw, zelfsluitend was al een eis.

M3

Aardgaskwaliteit

vs 3.1.4

Onderdeel a over reservoir is vervallen.

MW12

RisicoanalyseFundering

vs 7.5.2

Betrouwbaarheid van de beveiliging is komen te vervallen.

M15

Fundering

vs 3.2.2 en vs 5.1.1

Verwijzing naar NEN‑EN‑ISO 1182.

M17

Handbediende afsluiter

§ 7.1

Tekst is maatregel geworden.

M18

Vloer en constructie bufferopslag

vs 5.1.1 (deel)

Oude vs 5.1.1 is gesplitst.

M24

Brandwerendheid behuizing

vs 5.1.1 (deel)

Niets gezegd over brandbare materialen, enkel WBDBO van 60 minuten

M25

Beveiliging afleverdruk

vs 7.5.1

Verwijzingen naar NEN EN-IEC 61508 en NEN EN IEC 61511 zijn vervallen.

M28

Opstelling leidingen en onderdelen

vs 11.2.1, § 11.1 vs 11.2.3

Extra: compressor en buffer in andere ruimte.

M30

Veiligheidsafsluiter

vs 11.2.3

Op afstand bedienbare afsluiter is vervangen door veiligheidsafsluiter.

M31

Vulkoppeling

vs 11.2.5 (deel)

Rest van vs 11.2.5 was gelijk aan vs 6.10.1 (nu M51).

M36

Ondergrondse leidingen

vs 3.2.8

Uitvoering is opgenomen als toelichting bij de maatregel.

M37

Terugslagklep

vs 3.1.1

Aanbeveling in opmerking is maatregel geworden.

M40

Uitvoering afblaasleiding

vs 7.3.1 en vs 7.3.2

Aanvullende eisen onder d en e.

M41

Overdrukbeveiliging

vs 5.3.1

Voorziening is overdrukbeveiliging geworden. Toelichting verwijst naar smeltveiligheid.

M42

Buiten werking stellen motor tankend voertuig tijdens aflevering

vs 3.8.2

Vaartuigen toegevoegd.

M44

Afleveren enkel via aflevertoestel

vs 6.2.1 (deel)

Vaartuigen toegevoegd.

M45

Bediening aflevertoestel

vs 6.2.1 (deel)

Deel bediening via start/stop-knop is vervallen.

M46

Afleveren enkel voor motorbrandstof

§ 6.3

Tekst is maatregel geworden, vaartuigen toegevoegd.

MW47

Verlichting

vs 6.4.1 en vs 11.3.1

Enkel kunstlicht, explosieveilig in ATEX-gevarenzones.

M48

Instructies en grafische symbolen op aflevertoestel

vs 6.5.1

Enkel kunstlicht, explosieveilig in ATEX-gevarenzones.

M50

Ventilatie omkasting

§ 6.7

Aanvulling met pictogrammen.

M52

Controle afleverslang

vs 9.2.1

Toegevoegd: inspectie en testen volgens fabrikantvoorschriften.

M53

Uitvoering afleverslang

vs 6.9.1 en vs 11.2.4

Twee voorschriften vervangen door één maatregel.

M55

Temperatuurdetectie

vs 3.9.1 en vs 9.3.2

Toevoeging: tweejaarlijkse controle branddetectie-apparatuur.

M56

Gasdetectie

vs 11.5.1

Geheel aangepast; locatie detectoren o.b.v. risicoanalyse.

M57

Vervolgacties gasdetectie

vs 11.5.1 (deel)

Alleen vierde (van acht) alinea van vs 11.5.1. Dit voorschrift is gesplitst in M57 t/m M59.

M58

Instrumentele beveiliging

vs 11.5.1 (deel)

Alleen vijfde (van acht) alinea van vs 11.5.1.

M59

Beveiliging gasdetectiesysteem

vs 11.5.1 (deel)

Alleen zevende (van acht) alinea van vs 11.5.1

M60

Gasdetectie inpandig

vs 11.5.1 (deel)

Extra: plaatsbepaling door aard en omvang van lekbron. Rest van vs 11.5.1 staat in M57, M58, M59 en M61.

M61

Onderhoud gasdetectie

vs 11.5.1 (deel)

vs 11.5.2 (deel)

Alleen achtste (van acht) alinea’s van vs 11.5.1.

M62

Vervuiling gasdetectie

vs 11.5.2 (deel)

Vs 11.5.2 is verdeeld over M61 en M62.

M69

Documenten

vs 10.2.1

Locatie keuringspapieren.

M73

Logboek

vs 10.2.1

Materiaalcertificaten zijn vervallen.

M78

Domino-effecten als gevolg van vloeibare brandstoffen

vs 3.4.1 en vs 5.4.1

5 m ook tot afleverpunt, tenzij muur is geplaatst. Daarnaast overige interne veiligheids-afstanden, zie PGS 16. Spiegelvoorschrift opgenomen in M79.

M80

Afstand tot grens locatie

vs 3.4.2 en vs 5.2.2

Voor de veiligheidsafstanden wordt verwezen naar het Bal.

M81

Bluswatervoorzieningen

vs 3.1.9 (deel)

Twee brandkranen tegelijk naar de toelichting.

M82

Bereikbaarheid uit twee richtingen

vs 3.1.9 (deel)

Splitsing over M81 en M82.

M83

Brandblusser

vs 3.1.7

Voldoende, onbelemmerd te bereiken, poederblusser binnen 5 m van de tankzuil.

M84

Aanwezigheid blusmiddelen

vs 3.1.7 en vs 3.1.8

Zichtbaarheid en bereikbaarheid.

M85

Eisen aan blusmiddelen

vs 3.1.7

Verwijzing naar NEN EN 2 en NEN EN 3. Opmerkingen 2 en 3 zijn overgenomen als toelichting.

M86

Onderhoud blustoestel

vs 9.3.1

Brandblussers eens per 2 jaar controle; NEN 2559 in de toelichting.

MW87

Gevarenzone-indeling

§ 3.3.1 en § 3.3.2

Concreet benoemd wettelijke verplichting Arbeidsomstandighedenbesluit.

M90

Op afstand bedienbare afsluiters

vs 11.2.3

Uitvoering op afstand bedienbare afsluiters.

M94

Noodplan en noodnummer

vs 3.7.1

Toegevoegd: noodnummer moet 24/7 bereikbaar zijn; Verwijderd: noodplan moet jaarlijks worden geoefend.

M96

Aanduiding handbediende afsluiter

§ 7.1

Plaats in maatregel, evenals bereikbaarheid.

M97

Verbodsbord roken en open vuur

vs 3.8.1

Vaartuigen toegevoegd.

E.2.2Nieuwe maatregelen

Bekijk deze tabel in een popup venster

PGS 25: 2022

Onderwerp

PGS 25:2021 versie 1.0 Interim

Kernpunt van de toegevoegde maatregelen

§ 1.2

NEN-EN-ISO 16923

-

Verwijzing naar de internationale norm.

Afbeelding 1

Schematische weergave

-

Nieuw schema.

§ 8.4

Regeling infrastructuur alternatieve brandstoffen

-

Eisen uit de Europese richtlijn zijn opgenomen.

MW1

Basisveiligheid

-

Basis van de PGS.

MW4

Eisen aan drukapparatuur

-

Verwijzing naar wettelijke eis.

MW5

Toegepaste materialen

-

Verwijzing naar wettelijke eis PED.

MW6

Materiaalcertificaten

-

Verwijzing naar wettelijke eis PED.

MW7

Permanente verbindingen

-

Verwijzing naar wettelijke eis PED.

MW8

Uitvoering permanente verbindingen

-

Verwijzing naar wettelijke eis PED.

MW9

Niet-destructief onderzoek

-

Verwijzing naar wettelijke eis PED.

MW10

Gebruikte materialen

-

Verwijzing naar wettelijke eis PED.

MW11

Verklaring componenten

-

Verwijzing naar wettelijke eis PED.

MW16

Installatievoorschriften

-

Verwijzing naar wettelijke eis Arbeidsomstandighedenbesluit.

MW20

Compressor geschikt voor aardgas

-

Verwijzing naar Warenwetbesluit machines.

MW26

Noodstopknop

-

Aanwezigheid noodstoppen.

M27

Stroomtoevoer mechanische ventilatie

-

Stroomtoevoer mechanische ventilatie blijft intact bij indrukken noodstop.

M33

Noodstopknoppen inpandige afleverinstallatie

-

Extra eisen voor ‘slow fill’-installaties.

MW39

Afblaasveiligheid

-

Verwijzing naar wettelijke eis Wbda 2016.

M54

Indicatie voor de afnemer bij buiten gebruik gestelde aardgasafleverinstallatie

-

Zichtbare indicatie

MW63

Onderhoudsinstructie

-

Verwijzing naar wettelijke eis PED.

MW64

Uitvoering onderhoudswerkzaamheden

-

Uitvoering door deskundigen, wettelijke eis.

MW65

Wijziging of reparatie

-

Verwijzing naar wettelijke eis Wbda 2016.

MW66

Keuring van drukapparatuur

-

Verwijzing naar wettelijke eis Wbda 2016.

MW67

Keuring voor ingebruikneming

-

Verwijzing naar wettelijke eis Wbda 2016.

MW68

Herbeoordeling

-

Verwijzing naar wettelijke eis Wbda 2016.

MW71

Documentatie

-

Verwijzing naar wettelijke eis Wbda 2016.

MW74

Aantekenblad

-

Verwijzing naar wettelijke eis Wbda 2016.

M75

Bliksembeveiliging

-

Eisen uit NEN EN IEC 62305-2.

MW88

Maatregelen bij direct gevaar

-

Verwijzing naar wettelijke eis Arbeidsomstandighedenbesluit.

M89

Noodstop

-

Maximaal 10 m.

M91

Bediening noodstop

-

Verwijzing eisen Machinerichtlijn.

M92

Uitvoering noodstop

-

Verwijzing naar NEN EN-IEC 60947-5-5.

M93

Reset na noodstop

-

Installatie weer in bedrijf na indrukken noodstop.

M95

Eisen geïnstrueerd persoon bij ‘zelf-tanken onder toezicht’

-

Eisen toezichthouder.

MW98

Borden en pictogrammen

-

Verwijzing naar wettelijke eis Arboregeling.

MW99

Aanduiding gevaarsymbool

-

Verwijzing naar wettelijke eis Arboregeling.

E.2.3Vervallen maatregelen

PGS 25 interim

Onderwerp

Reden voor vervallen

vs 3.1.5

Afleverdruk maximaal 25 MPa (250 bar)

Richtlijn 2014/94/EU spreekt van max. 200 bar vuldruk of 260 bar met temperatuurcorrectie. vs 3.1.5 doorkruist de EU-richtlijn, dus vs 3.1.5 is komen te vervallen vanwege DWW.

vs 3.2.1

Lucht-intree voorkomen

Valt onder Machinerichtlijn.

vs 3.2.3

Bescherming tegen weersinvloeden

Geregeld in de PED.

vs 3.2.6

Aanleg leidingen

Het is niet in alle gevallen wenselijk om de leiding voor de aflever¬installatie op dezelfde wijze uit te voeren als de aanvoerleidingen. De druk in de leiding en de leeftijd van de aanvoerleiding bepalen de uitvoering. De PED ziet toe op de uitvoering (de bescherming tegen invloeden van buitenaf) van de leidingen.

vs 3.2.7

Droge leidinggoten

PED stelt eisen ten aanzien van bescherming tegen weersinvloeden, ook aan de mogelijkheid van inspectie.PED stelt eisen ten aanzien van bescherming tegen weersinvloeden, ook aan de mogelijkheid van inspectie. Arbeidsomstandighedenbesluit H3, § 2a stelt eisen aan explosieve atmosferen, daarin wordt gasophoping meegenomen.

vs 3.10.1

Elektrische installaties

Er zijn geen scenario’s en doelen die te maken hebben met elektrische installaties.

vs 5.2.3

Additionele risicoanalyse bij > 10 m3 opslag

Het Bal stelt afstandseisen bij de inhoud van een bufferopslag van 5 m3 en meer, dus additionele risicoanalyse lijkt door de wetgever geacht niet meer nodig te zijn.

vs 6.10.2 (aanbeveling)

Vrijkomend gas via blowdownvat

Dit was een aanbeveling, geen eis. Voorschrift is moeilijk te realiseren en heeft weinig milieuwinst.

vs 7.2.1

Vervangen defecte afblaasveiligheden

De PED voorziet in geschikte en betrouwbare beveiliging.

Bijlage FImplementatietermijnen in bestaande situaties Normatief

F.1Inleiding Normatief

Deze bijlage bevat implementatietermijnen voor bestaande situaties. Het Bestuurlijk Omgevingsberaad VTH (BOb) heeft deze termijnen vastgesteld. De implementatietermijnen zijn ingegaan op de datum van vaststelling in de Omgevingsregeling van de 1.0 versie. De 1.1 versie heeft hier geen invloed op.

Deze PGS-richtlijn beschrijft de stand van de techniek. Het kan dus voorkomen dat een nieuwe versie van een PGS-richtlijn nieuwe of aangescherpte maatregelen bevat. Deze maatregelen moeten worden getroffen door degene die de activiteit verricht. Het kan voor bestaande situaties onredelijk zijn om te eisen dat deze nieuwe maatregelen onmiddellijk worden getroffen. Daarom bevat deze PGS-richtlijn voor bestaande situaties een implementatietermijn.

Is er voor de activiteit uit deze PGS-richtlijn een omgevingsvergunning? Dan bepaalt het bevoegd gezag vanaf welk moment de maatregelen worden overgenomen in de vergunning. Het bevoegd gezag kan de implementatietermijn in deze PGS-richtlijn gebruiken als richtsnoer.

Voor maatregelen voor de gezondheid en veiligheid van werknemers is het aan de werkgever om te bepalen welke maatregelen hij moet treffen om de werknemers te beschermen volgens de stand van de wetenschap en techniek. Het toezicht op de naleving en juiste invulling van de doelvoorschriften in de Arbeidsomstandighedenwetgeving voor de veiligheid van werknemers is een taak en verantwoordelijkheid van de Nederlandse Arbeidsinspectie. De Nederlandse Arbeidsinspectie gebruikt daarbij de implementatietermijnen uit deze PGS-richtlijn als richtlijn.

In Tabel 1 is aangegeven op welke wijze de in Tabel 2 opgenomen termijnen tot stand zijn gekomen. Tabel 1 kan worden gebruikt bij het vaststellen van implementatietermijnen in individuele gevallen.

Tabel 1 Standaardimplementatietermijnen

Standaardimplementatietermijnen

Aard van de maatregel

Veiligheidsurgentie-niveau

Standaard-termijn

Operationeel/organisatorisch Dit zijn bijvoorbeeld administratieve veranderingen of aanpassingen in procedures en werkwijzen. Denk bijvoorbeeld aan het bijhouden van voorraadlijsten en noodplannen.

normaal

0 – 1 jaar

hoog

0 – 3 maanden

Onderhoud

Hieronder vallen procedures en termijnen van onderhoud.

0 – 3 maanden

Randapparatuur

Het gaat hier om wijzigingen aan of toevoegingen van apparatuur/ installatieonderdelen die niet nodig is/zijn voor het primaire proces; bijvoorbeeld meetapparatuur of een blussysteem

normaal

0 – 1 jaar

hoog

0 – 3 maanden

(Proces)installatie

Het gaat hier om wijzigingen aan de installatie zelf of een onderdeel daarvan. Hierbij moet bijvoorbeeld rekening worden gehouden met de reguliere onderhoudstops.

normaal

0 – 5 jaar

hoog

0 – 2 jaar

Bouwkundig

Bouwkundige aanpassingen kunnen heel ingrijpend zijn, maar zijn soms ook heel eenvoudig. Voorbeelden zijn het plaatsen van een brandmuur of compartimentering. Per geval moet goed worden beoordeeld wat de consequentie ervan is.

normaal

0 – 5 jaar

hoog

0 – 2 jaar

F.2Implementatietermijnen door het BOb vastgesteld Normatief

In Tabel 2 zijn implementatietermijnen opgenomen voor voorschriften die nieuw of gewijzigd zijn en een verzwaring betreffen ten opzichte van PGS 25:2021 versie 1.0 – Interim PGS.

De implementatietermijnen zijn richtinggevend en moeten per individueel geval worden afgestemd op de tijd die nodig is om een maatregel te treffen, (bouw)vergund te krijgen en te financieren. Zo zal een hoge urgentie voor het verbeteren van de veiligheid en/of een hoge veiligheidswinst vragen om een kortere implementatietermijn.

Omdat sommige voorschriften meerdere maatregelen bevatten, is een implementatietermijn opgenomen die een langere periode beslaat en gesplitst kan worden in een korte termijn om bijvoorbeeld operationele/organisatorische maatregelen te treffen en een langere termijn om bijvoorbeeld de bouwkundige maatregelen te treffen.

Tabel 2Implementatietermijnen gewijzigde en nieuwe maatregelen

Bekijk deze tabel in een popup venster

PGS 25: 2022

Onderwerp

Wijziging

Maatregelnr. in PGS 25:2021 versie 1.0 Interim

Kernpunt van de wijziging

Aard aanpassing

Termijn (jaar)

M3

Ontwerpeisen

Deel DWW is verwijderd

vs 3.1.4

Onderdeel a over reservoir is vervallen.

Procesinstallatie

0 - 5 jaar

M15

Fundering

Verwijzing naar NEN 6064

vs 3.2.2

Verwijzing naar erkende norm over onbrandbaarheid bouwmaterialen.

Bouwkundig

0 - 10 jaar

M17

Handbediende afsluiter

Aanwezig op min. 10 m van de compressor

§ 7.1

Tekst is maatregel geworden.

Procesinstallatie

0 - 5 jaar

M18

Ondersteunen-de constructie

Tekstueel

vs 5.1.1 (deel)

Oude vs 5.1.1 is gesplitst.

-

M24

Compressor-behuizing

vs 5.1.1 (deel)

Niets gezegd over brandbare materialen, enkel WBDBO 60 min.

-

M25

Beveiliging afleverdruk

Geen verwijzing naar normen

vs 7.5.1

Verwijzingen naar NEN-EN-IEC 61508 en NEN EN-IEC 61511 zijn vervallen.

Procesinstallatie

-

M27

Ventilatie

Nieuw voorschrift

N.v.t.

Stroomtoevoer mechanische ventilatie blijft intact bij indrukken noodstop.

Randapparatuur

0 - 1 jaar

M28

Leidingwerk inpandige aflevering

Locatie compressor

vs 11.2.1, § 11.1

Extra: compressor en buffer in andere ruimte.

Bouwkundig

0 - 10 jaar

M30

Veiligheids-afsluiter

Tekstueel

vs 11.2.3

Op afstand bedienbare afsluiter = veiligheids-afsluiter.

-

M31

Vulkoppeling

Tekstueel

vs 11.2.5 (deel)

Rest van vs 11.2.5 was gelijk aan vs 6.10.1 (nu M51).

-

M33

Noodstopknop-pen inpandige aflevering

Extra noodstop

N.v.t.

Extra eisen voor ‘slow fill’-installaties.

Procesinstallatie

0 - 2 jaar

M36

Gronddekking en corrosie-bescherming

Uitvoering is keuze fabrikant

vs 3.2.8

Uitvoering is opgenomen als toelichting bij de maatregel.

Procesinstallatie

-

M37

Terugslagklep

Nieuwe maatregel

vs 3.1.1

Aanbeveling in opmerking is maatregel geworden.

Procesinstallatie

0 - 5 jaar

M40

Afblaasleiding

Nieuwe eisen

vs 7.3.1 en vs 7.3.2

Aanvullende eisen onder d en e.

Procesinstallatie

0 - 5 jaar

M41

Afblazen bij brand

Doel is aangepast

vs 5.3.1

Voorziening is overdrukbeveili-ging geworden. Toelichting verwijst naar smeltveiligheid.

Procesinstallatie

0 - 5 jaar

M42

Motor afzetten

Opschrift aanbrengen

vs 3.8.2

Vaartuigen toegevoegd.

Operationeel

0 - 1 jaar

M44

Afleveren via aflevertoestel

Opschrift aanbrengen

vs 6.2.1 (deel)

Vaartuigen toegevoegd.

Operationeel

0 - 1 jaar

M45

Dodemansknop

Werking start/stop-knop

vs 6.2.1 (deel)

Deel bediening via start/stop knop is vervallen.

Procesinstallatie

0 - 5 jaar

M46

Afleveren alleen aan voertuigen

Opschrift aanbrengen

§ 6.3

Tekst is maatregel geworden, vaartuigen toegevoegd.

Operationeel

0 - 1 jaar

M48

Bedienings-instructie

Opschriften aanbrengen

vs 6.5.1 (deel)

Aanvulling met pictogrammen.

Operationeel

0 - 1 jaar

M50

Ventilatie aflevertoestel

Eis omkasting

§ 6.7

Tekst is maatregel geworden.

Operationeel

0 - 1 jaar

M52

Keuring afleverslang

Onder­houdsvoor­schriften

vs 9.2.1

Toegevoegd: inspectie en testen volgens fabrikantvoor-schriften.

Onderhoud

0 - 1 jaar

M53

Afleverslang

Tekstueel

vs 6.9.1 en vs 11.2.4

Twee voorschriften vervangen door één maatregel.

-

M54

Indicatie buiten gebruik

Aanduiding aanbrengen

-

Zichtbare indicatie.

Operationeel

0 - 1 jaar

M55

Beveiliging door temperatuur-detectie

Controle-frequentie

vs 3.9.1 en vs 9.3.2

Toevoeging: tweejaarlijkse controle branddetectie-apparatuur.

Onderhoud

0 - 1 jaar

M56

Gasdetectie

Eisen opvolgacties

vs 11.5.1 (deel)

Geheel aangepast; locatie detectoren o.b.v. risicoanalyse.

Randapparatuur

0 - 1 jaar

M57

Gasdetectie, verwerking

Eisen opvolgacties

vs 11.5.1 (deel)

Alleen vierde (van acht) alinea van vs 11.5.1.

Randapparatuur

0 - 1 jaar

M58

Instrumentele beveiliging

Eisen opvolgacties

vs 11.5.1 (deel)

Alleen vijfde (van acht) alinea van vs 11.5.1.

Randapparatuur

0 - 1 jaar

M59

Gasdetectie, verwerking

Eisen opvolgacties

vs 11.5.1 (deel)

Alleen zevende (van acht) alinea van vs 11.5.1.

Randapparatuur

0 - 1 jaar

M60

Gasdetectie inpandig

Eisen opvolgacties

vs 11.5.1 (deel)

Extra: plaatsbepaling door aard en omvang lekbron. Rest van vs 11.5.1 staat in M57, M58, M59 en M61.

Randapparatuur

0 - 1 jaar

M61

Gasdetectie, aanleg en controle

Tekstueel

vs 11.5.1 (deel) vs 11.5.2 (deel)

Alleen achtste (van acht) alinea van vs 11.5.1.

-

M62

Vervuiling gasdetectie

Tekstueel

vs 11.5.2 (deel)

Voorschrift 11.5.2 is verdeeld over M61 en M62.

-

M69

Keurings-documenten in logboek

Gegevens-opslag

vs 10.2.1

Locatie keuringspapieren.

Organisatorisch

0 - 1 jaar

M73

Inhoud logboek

Document-wijziging

vs 10.2.1

Materiaal-certificaten zijn vervallen.

-

M75

Bliksem-beveiliging

Nieuw voorschrift

N.v.t.

Eisen uit NEN EN IEC 62305-2.

Randapparatuur

0 - 1 jaar

M78

Interne afstanden

Extra interne afstand

vs 3.4.1 en vs 5.4.1

5 m ook tot afleverpunt, tenzij muur is geplaatst. Daarnaast overige interne veiligheids-afstanden, zie PGS 16. Spiegelvoorschrift opgenomen in M79.

Bouwkundig

0 - 10 jaar

M81

Bluswater-voorziening

Tekstueel

vs 3.1.9 (deel)

Twee brandkranen tegelijk naar de toelichting.

-

M82

Benadering compressor en bufferopslag

Tekstueel

vs 3.1.9 (deel)

Splitsing over M81 en M82.

-

M83

Brand-blusmiddelen

Eisen gebruik en locatie

vs 3.1.7

Voldoende, onbelemmerd te bereiken, poederblusser binnen 5 m van de tankzuil.

Randapparatuur

0 - 1 jaar

M84

Brand-blusmiddelen

Plaats brand-blustoestel

vs 3.1.7 en vs 3.1.8

Zichtbaarheid en bereikbaarheid.

Randapparatuur

0 - 1 jaar

M85

Eisen aan blusmiddelen

Verwijzing naar NEN-EN 2

vs 3.1.7

Verwijzing naar NEN-EN 2 en NEN-EN 3. Opmerkingen 2 en 3 zijn overgenomen als toelichting.

Randapparatuur

0 - 1 jaar

M86

Controle brand-blusmiddelen

Termijn-verlenging

vs 9.3.1

Brandblussers eens per 2 jaar controle; NEN 2559 in de toelichting.

Onderhoud

-

M89

Locatie noodstop

Locatie

-

Max. 10 m.

Procesinstallatie (hoog veiligheidsniveau)

0 - 2 jaar

M90

Op afstand bedienbare afsluiters

Opvolg-acties

vs 11.2.3

Uitvoering op afstand bedienbare afsluiters.

Procesinstallatie

0 - 5 jaar

M92

Uitvoering noodstop

Nieuw voorschrift, verwijzing norm

N.v.t.

Verwijzing naar NEN-EN-IEC 60947-5-5.

Procesinstallatie (hoog veiligheidsniveau)

0 - 2 jaar

M93

Reset na noodstop

Nieuw voorschrift

N.v.t.

Installatie weer in bedrijf na indrukken noodstop.

Organisatorisch

0 - 1 jaar

M94

Noodplan

Document wijziging

vs 3.7.1

Toegevoegd: noodnummer moet 24/7 bereikbaar zijn.

Verwijderd: noodplan moet jaarlijks worden geoefend.

Operationeel

0 - 1 jaar

M96

Aanduiding afsluiter

Nieuwe maatregel

§ 7.1

Plaats in maatregel, evenals bereikbaarheid.

Procesinstallatie

0 - 5 jaar

M97

Rookverbod

Opschrift aanbrengen

vs 3.8.1

Vaartuigen toegevoegd.

Operationeel

0 - 1 jaar

Bijlage GSamenstelling PGS 25-team

Mensen die hebben meegewerkt aan de ontwikkeling van PGS 25 Nieuwe Stijl.

Bekijk deze tabel in een popup venster

Naam

organisatie

Rol

Peter Remie

Pitpoint

Lid namens bedrijfsleven (VNO-NCW/MKB-NED)

Arthur van ‘t Wel

TotalEnergies

Lid namens bedrijfsleven (VNO-NCW/MKB-NED)

Enne Jacob Wierda

EG Group

Lid namens bedrijfsleven (VNO-NCW/MKB-NED)

Sander Bloemberg

Veiligheidsregio Haaglanden

Lid namens bevoegd gezag (Brandweer-Nederland/ Veiligheidsregio’s)

Jeroen Keyser

Veiligheidsregio Utrecht

Lid namens bevoegd gezag (Brandweer-Nederland/ Veiligheidsregio’s)

Sander Lepelaar

Veiligheidsregio Haaglanden

Lid namens bevoegd gezag (Brandweer-Nederland/ Veiligheidsregio’s)

Tonny Brontsema

Omgevingsdienst Groningen

Lid namens bevoegd gezag (toezicht-handhaving)

Hans Daman

DCMR Milieudienst Rijnmond

Lid namens bevoegd gezag (vergunningverlening)

Jos Kleinsmit

Omgevingsdienst Twente

Lid namens bevoegd gezag (vergunningverlening)

Bianca van Kooij

Omgevingsdienst Achterhoek

Lid namens bevoegd gezag (toezicht-handhaving)

Tineke van Woudenberg

DCMR Milieudienst Rijnmond

Lid namens bevoegd gezag (vergunningverlening)

René van Dort

Nederlandse Arbeidsinspectie

Nederlandse Arbeidsinspectie

Inge Buurmans

RIVM

Lid namens toezichthouder op het domein van SZW-regelgeving (Nederlandse Arbeidsinspectie)

Chris Thijssen

RIVM

Lid namens toezichthouder op het domein van SZW-regelgeving (Nederlandse Arbeidsinspectie)

Robbert van ’t Veer

AnteaGroup

Tekstschrijver

Lieke Koets

Energie consult Holland

Tekstschrijver

Jeroen Salet

Omgevingsdienst Zuid-Holland Zuid

Voorzitter

Jeannette Leenders

NEN

Projectleider